GM Service Manual Online
For 1990-2009 cars only
Makes
🢒
Buick
🢒
2009
🢒
Regal
🢒
Diagnostic Navigation
🢒
Vehicle Diagnostic Information
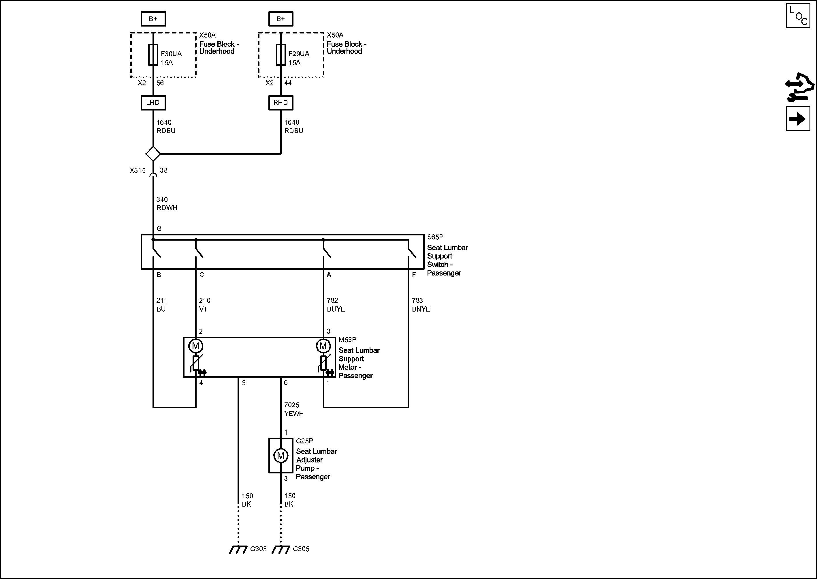
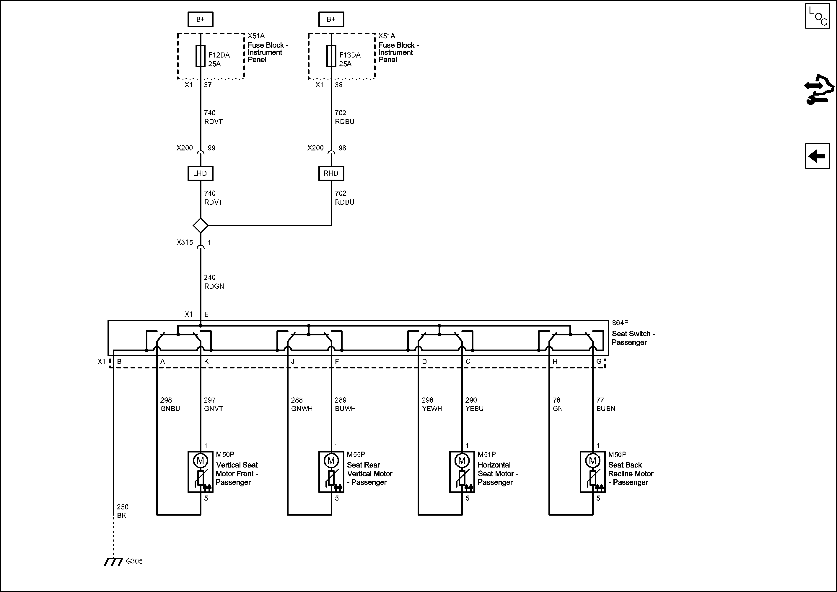
🢒 Passenger Seat Schematics
Figure
1:
Power Seat (AG2)
Figure
2:
Lumbar Switch and Motors