GM Service Manual Online
For 1990-2009 cars only
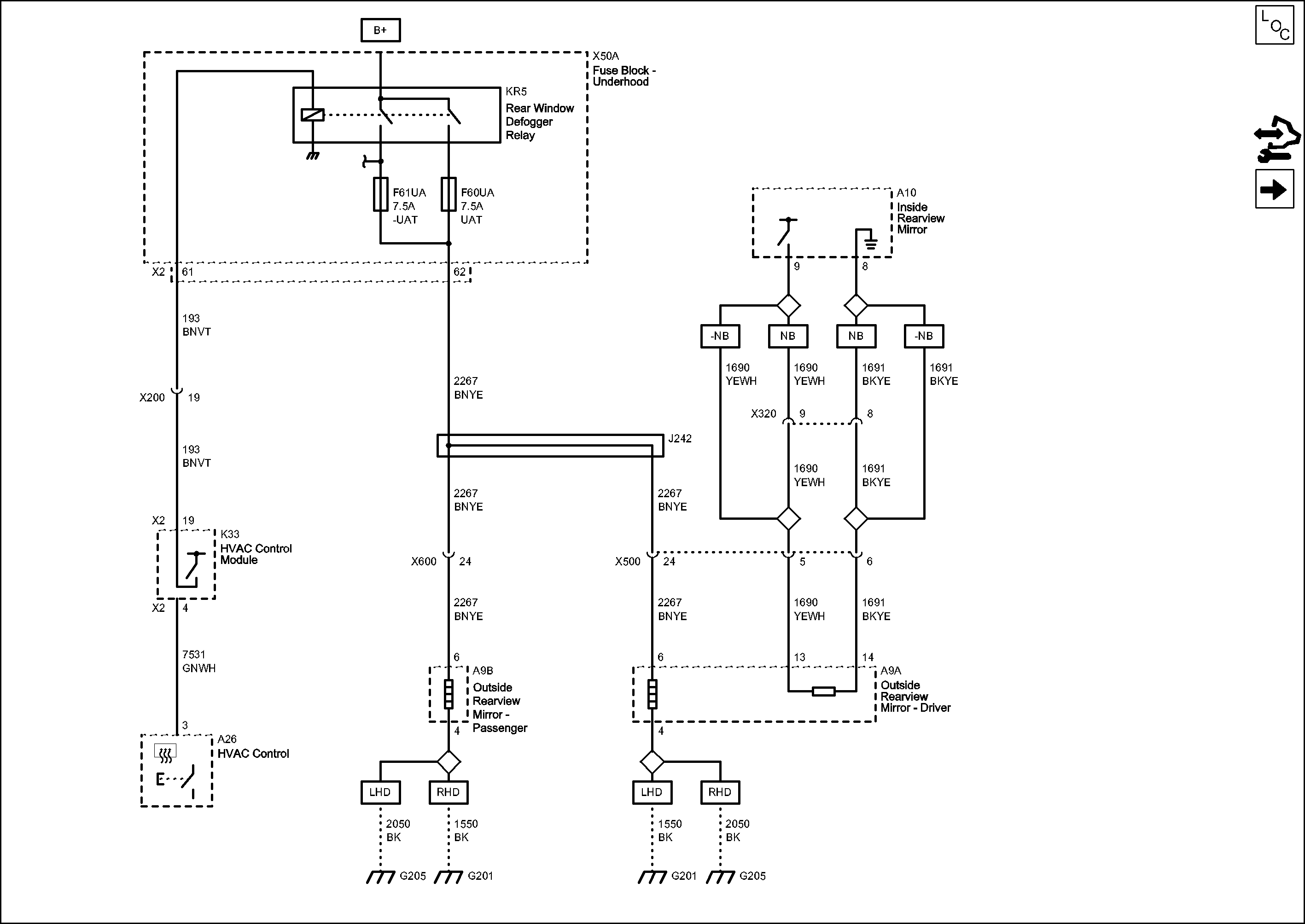
Figure 1:

Heated and Automatic Day/Night Outside Mirrors


Object Number: 2179845  Size: FS
Figure 2:

Outside Rearview Mirror w/o Memory


Object Number: 2179846  Size: FS
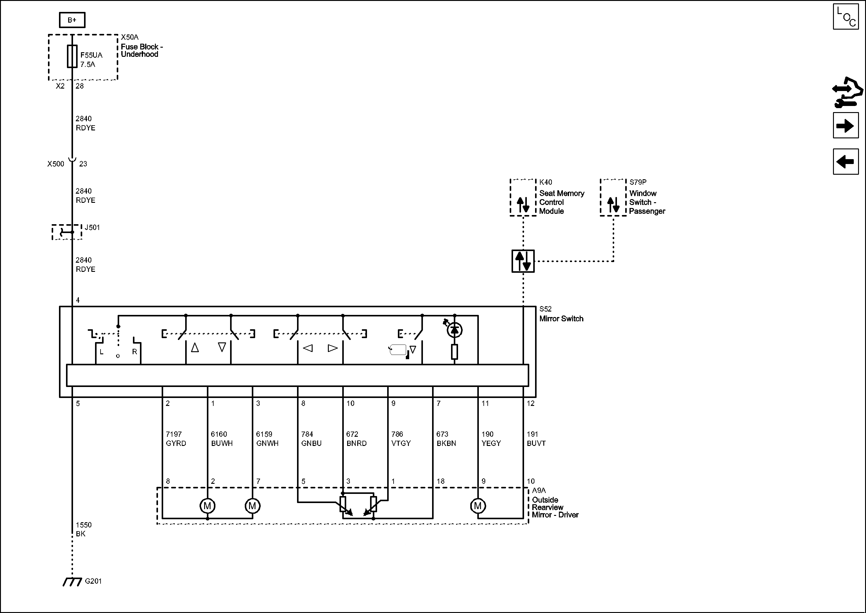
Figure 3:

Driver Side Outside Mirror with Memory


Object Number: 2179849  Size: FS
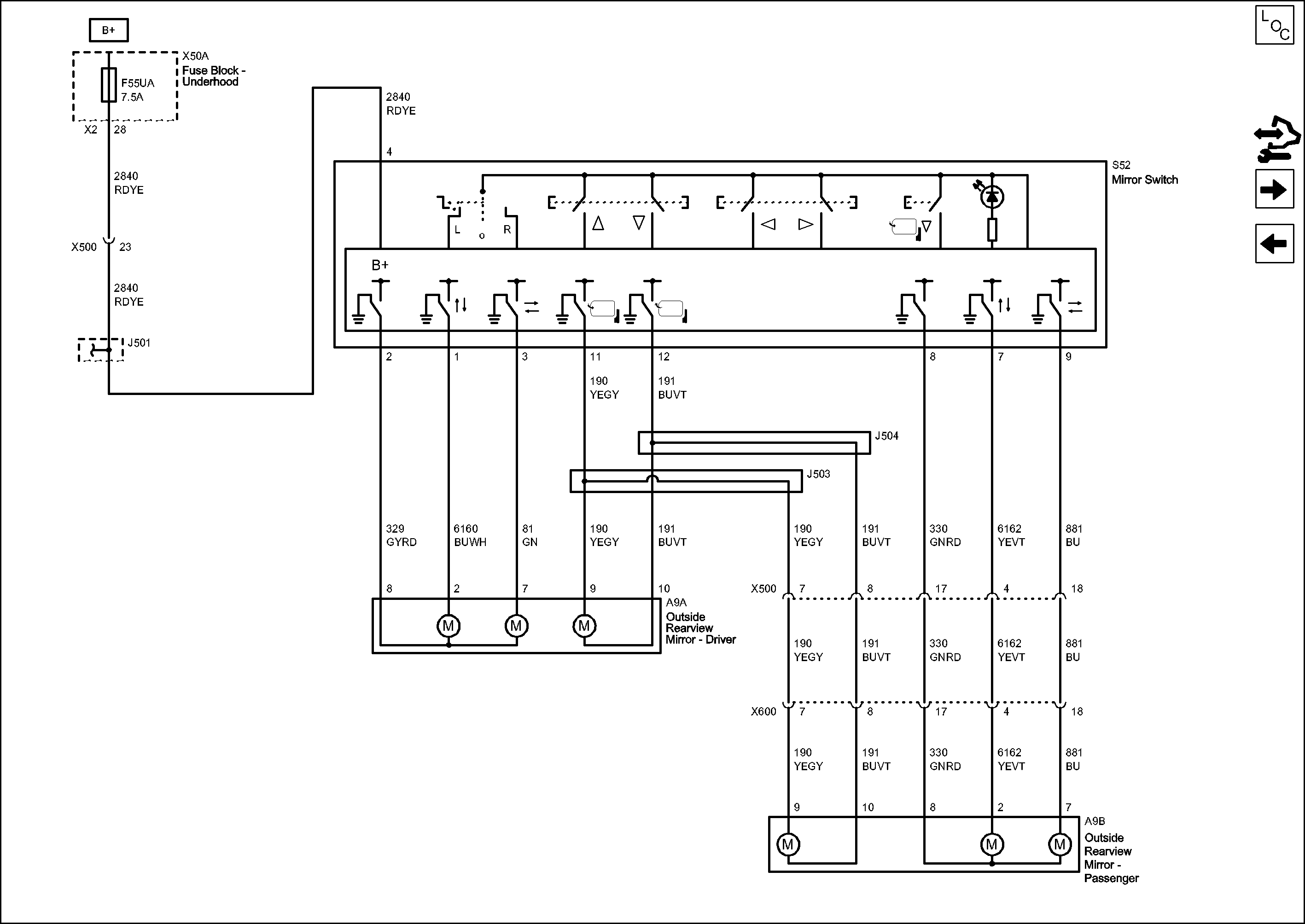
Figure 4:

Front Passenger Side Outside Mirror with Memory


Object Number: 2179851  Size: FS