GM Service Manual Online
For 1990-2009 cars only

Special Tools

    •  DT-48550 Detent Lever Retainer Remover
    •  DT-41229 Manual Shaft Pin Installer

Removal Procedure

  1. Remove the control valve body. Refer to Control Valve Body Replacement.

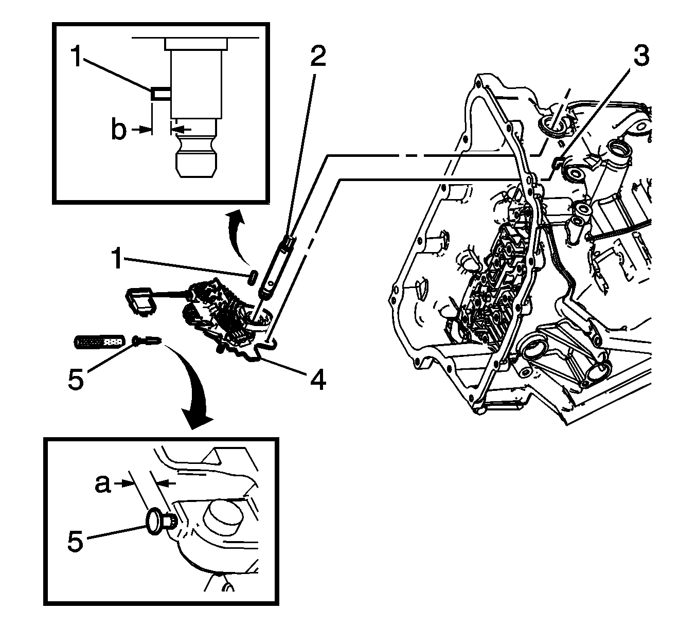
  2. Object Number: 1998834  Size: SH
  3. Remove the manual shaft detent lever hub pin (1) using DT-48550 Detent Lever Retainer Remover
  4. Remove the manual shift shaft pin (5). Discard the pin.
  5. Remove the manual shaft (2).
  6. Note: Disconnect the actuator rod (3) from the detent lever assembly. Do not remove the actuator rod from the transmission case.

  7. Remove the manual shaft detent (w/shift position switch) lever assembly (4).

Installation Procedure


    Object Number: 1998832  Size: SH

    Note: Connect the actuator rod (3) to the detent lever assembly.

  1. Install the manual shaft detent (w/shift position switch) lever assembly (4).
  2. Note: Lubricate the shaft with automatic transmission fluid to prevent damage to the manual shift shaft seal during installation.

  3. Install the manual shaft (2).
  4. Install the manual shaft detent lever hub pin (1) using DT-48550 Detent Lever Retainer Remover Install the Manual Shaft Detent Lever Hub Pin to height of (b) 7.9 mm (0.38 in )
  5. Install the NEW manual shift shaft pin (5) using DT-41229 Manual Shaft Pin Installer . Use a NEW pin to ensure proper engagement with the case. Inspect pin installed height is within (a) 7.2 mm - 8.2 mm (0.28 in - 0.32 in ).
  6. Install the control valve body. Refer to Control Valve Body Replacement.
  7. Perform the service fast learn adapt procedure. Refer to Service Fast Learn Adapts.