GM Service Manual Online
For 1990-2009 cars only
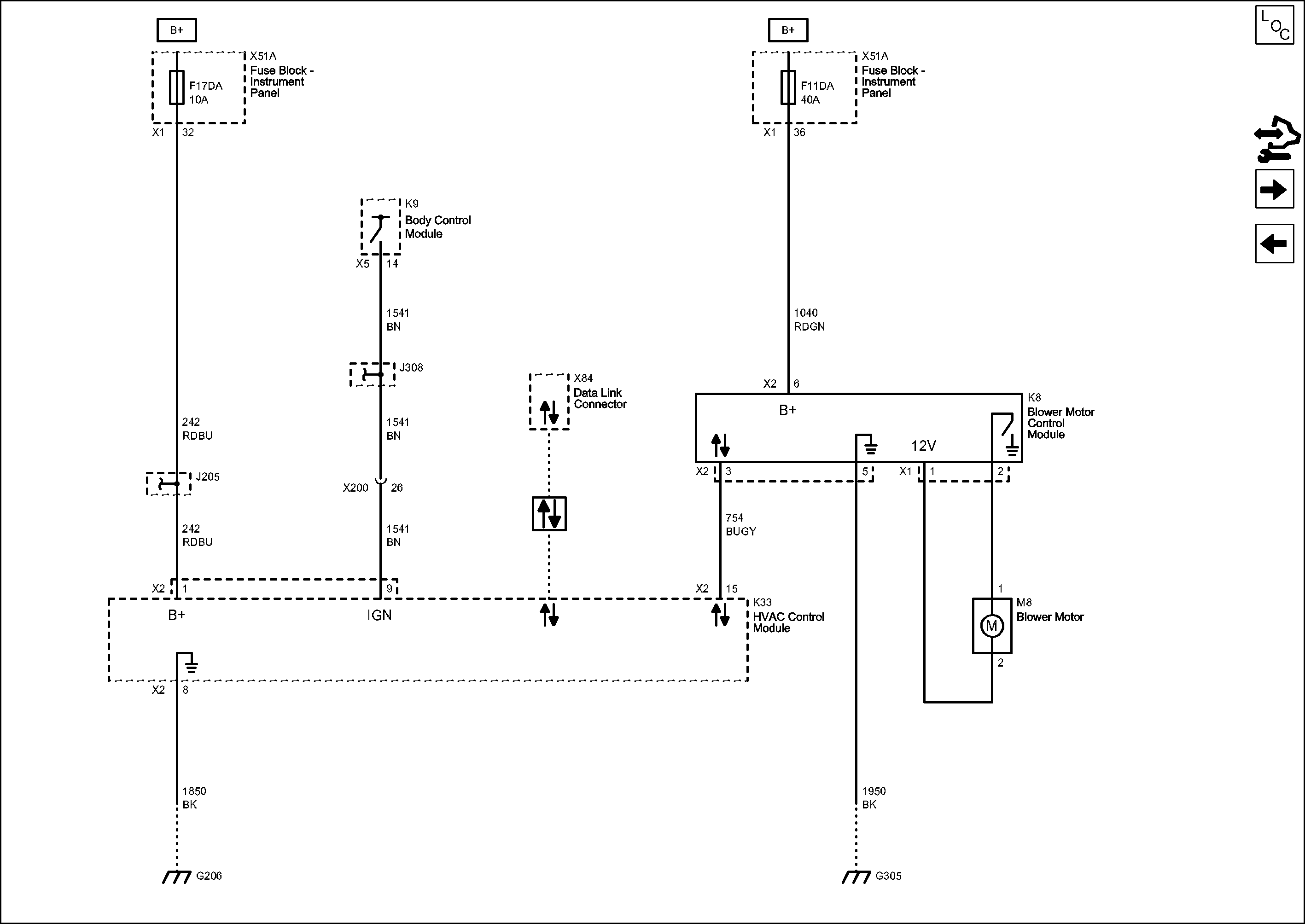
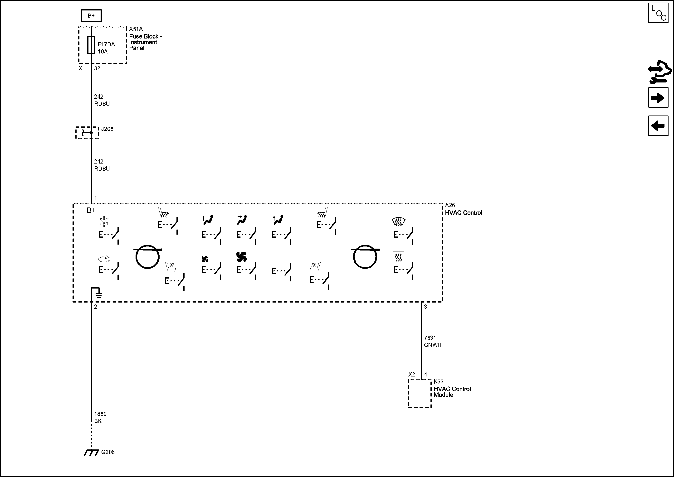
Figure 1:

Power, Ground, Serial Data and Blower Controls


Object Number: 2179951  Size: FS
Figure 2:

HVAC Faceplate


Object Number: 2179952  Size: FS
Figure 3:

Mode Controls


Object Number: 2179954  Size: FS
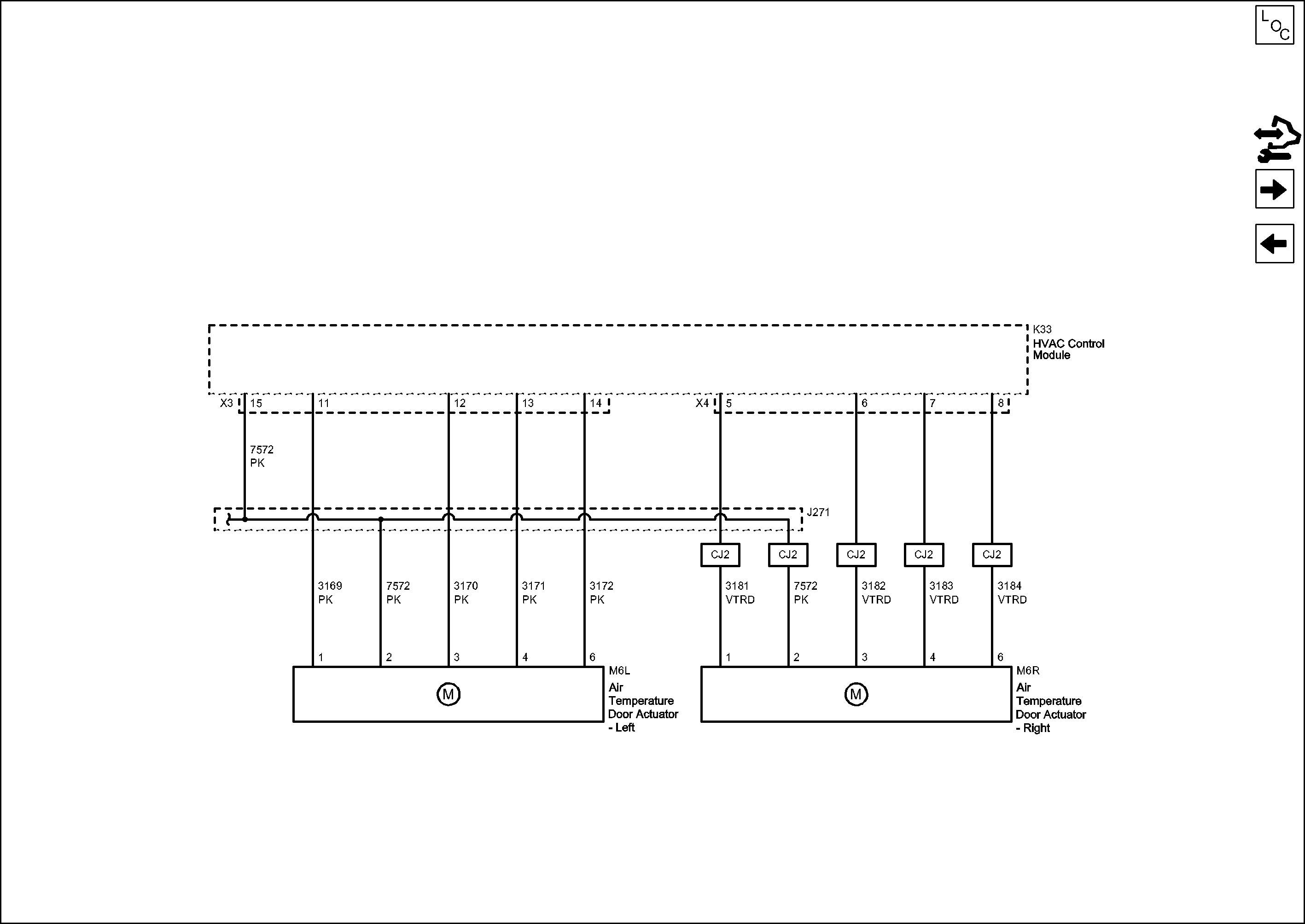
Figure 4:

Temperature Controls


Object Number: 2179955  Size: FS
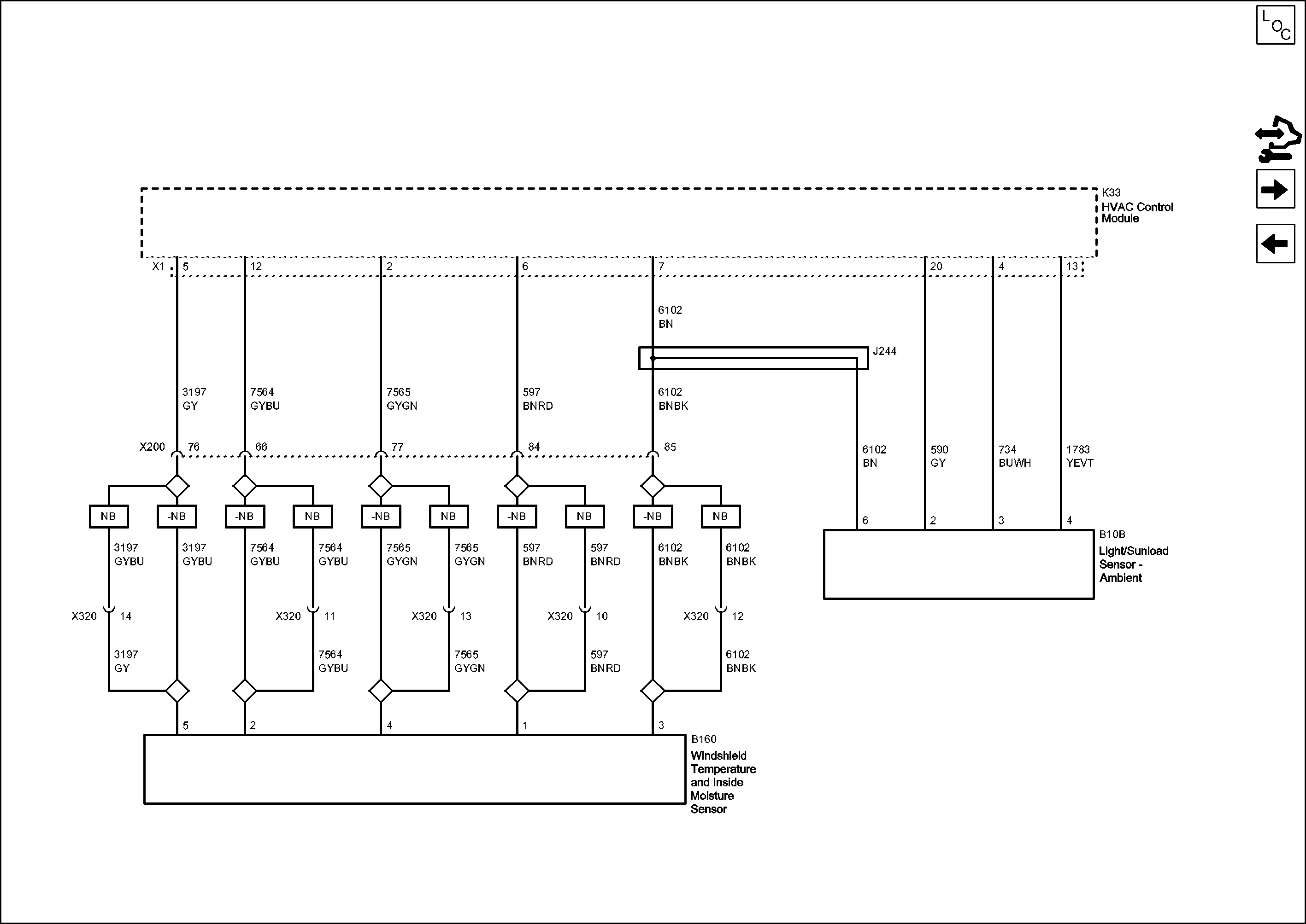
Figure 5:

Temperature Sensors


Object Number: 2179956  Size: FS
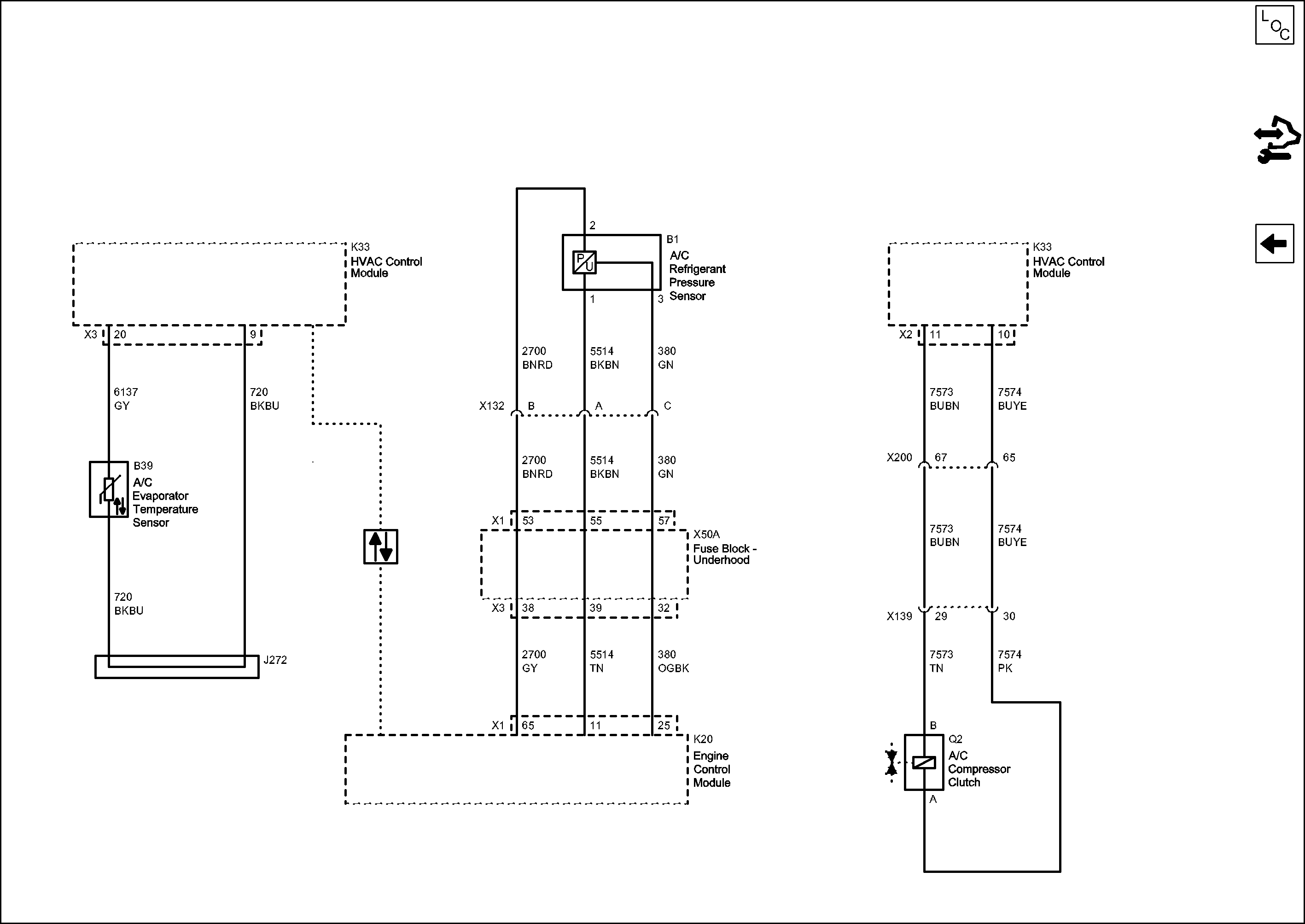
Figure 6:

Compressor Controls (LTD/LE5)


Object Number: 2179957  Size: FS
Figure 7:

Outside Moisture and Ambient Light/Sunlight Sensors


Object Number: 2179959  Size: FS
Figure 8:

Air Quality Sensor


Object Number: 2179960  Size: FS