GM Service Manual Online
For 1990-2009 cars only
Makes
🢒
Buick
🢒
2009
🢒
Regal
🢒
Diagnostic Navigation
🢒
Vehicle Diagnostic Information
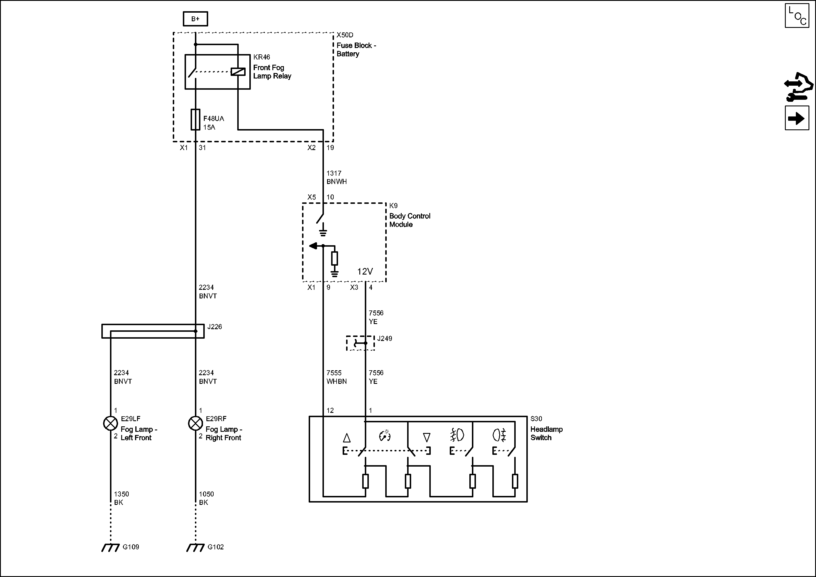
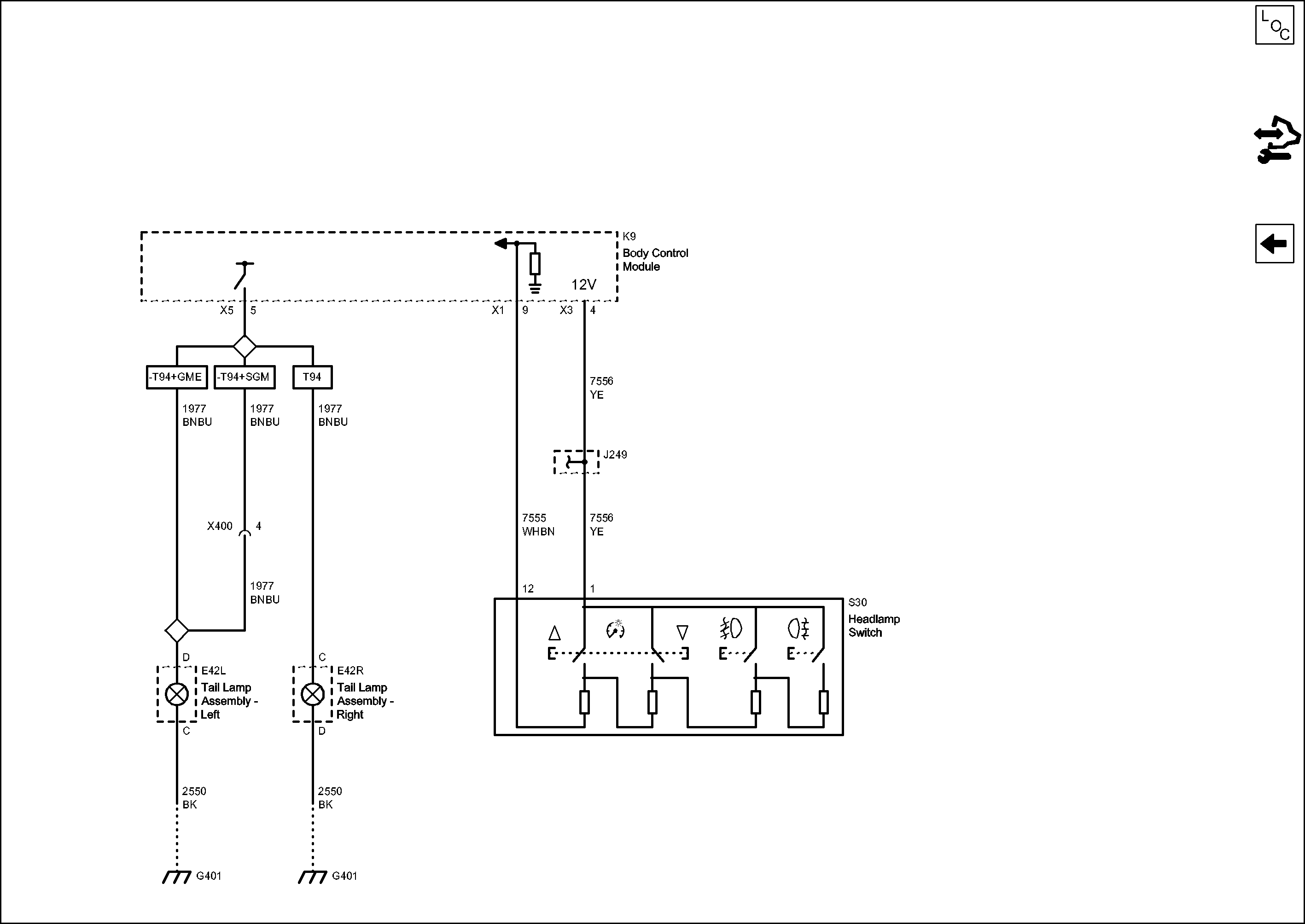
🢒 Fog Lights Schematics
Figure
1:
Front Fog Lamps
Figure
2:
Rear Fog Lamps