GM Service Manual Online
For 1990-2009 cars only
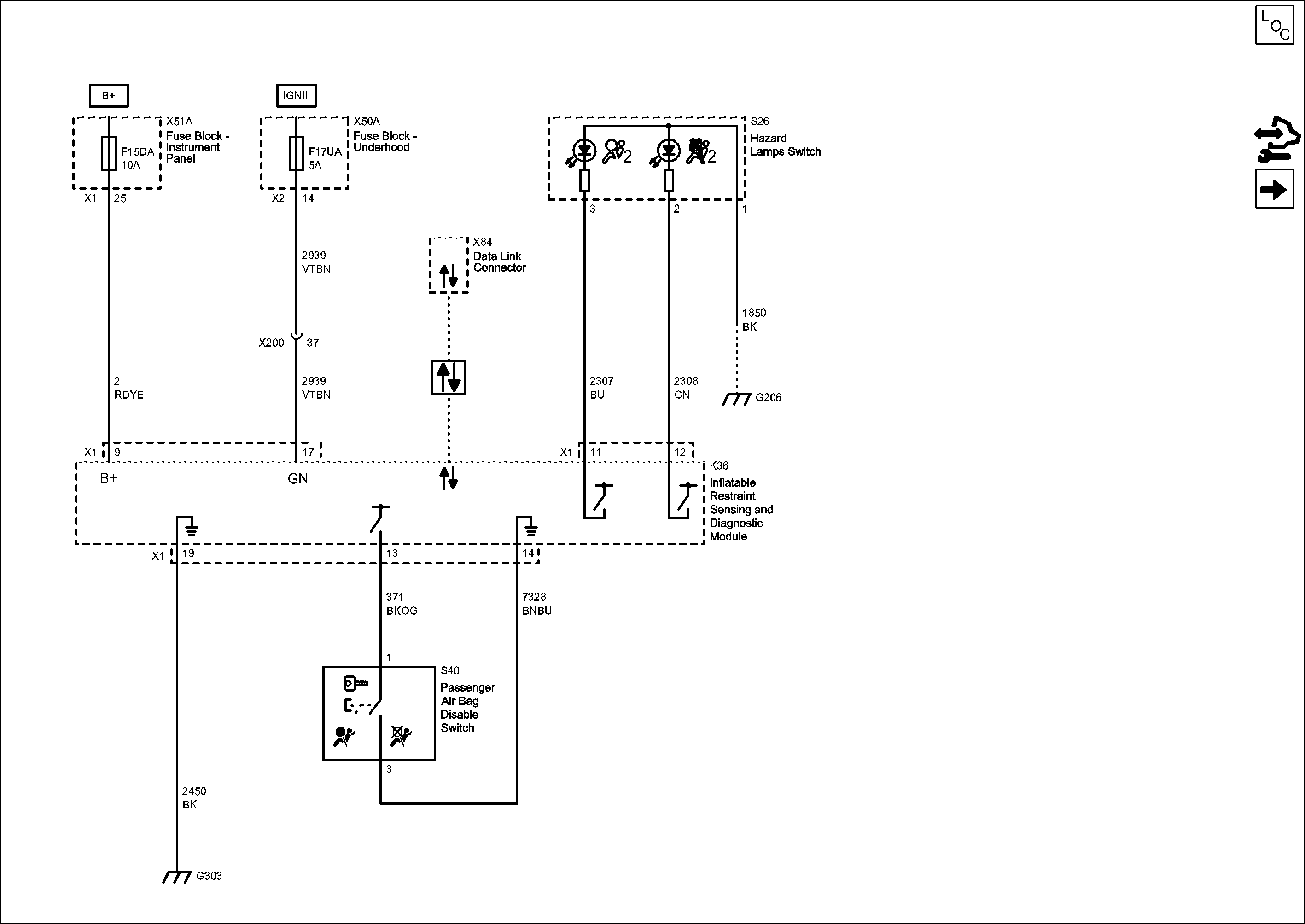
Figure 1:

Power, Ground, Indicator and Disable Switch


Object Number: 2180150  Size: FS
Figure 2:

Front Impact Modules


Object Number: 2180151  Size: FS
Figure 3:

Side Impact and Roof Rail Modules


Object Number: 2180152  Size: FS
Figure 4:

Seat Belt Pretensioners


Object Number: 2180153  Size: FS
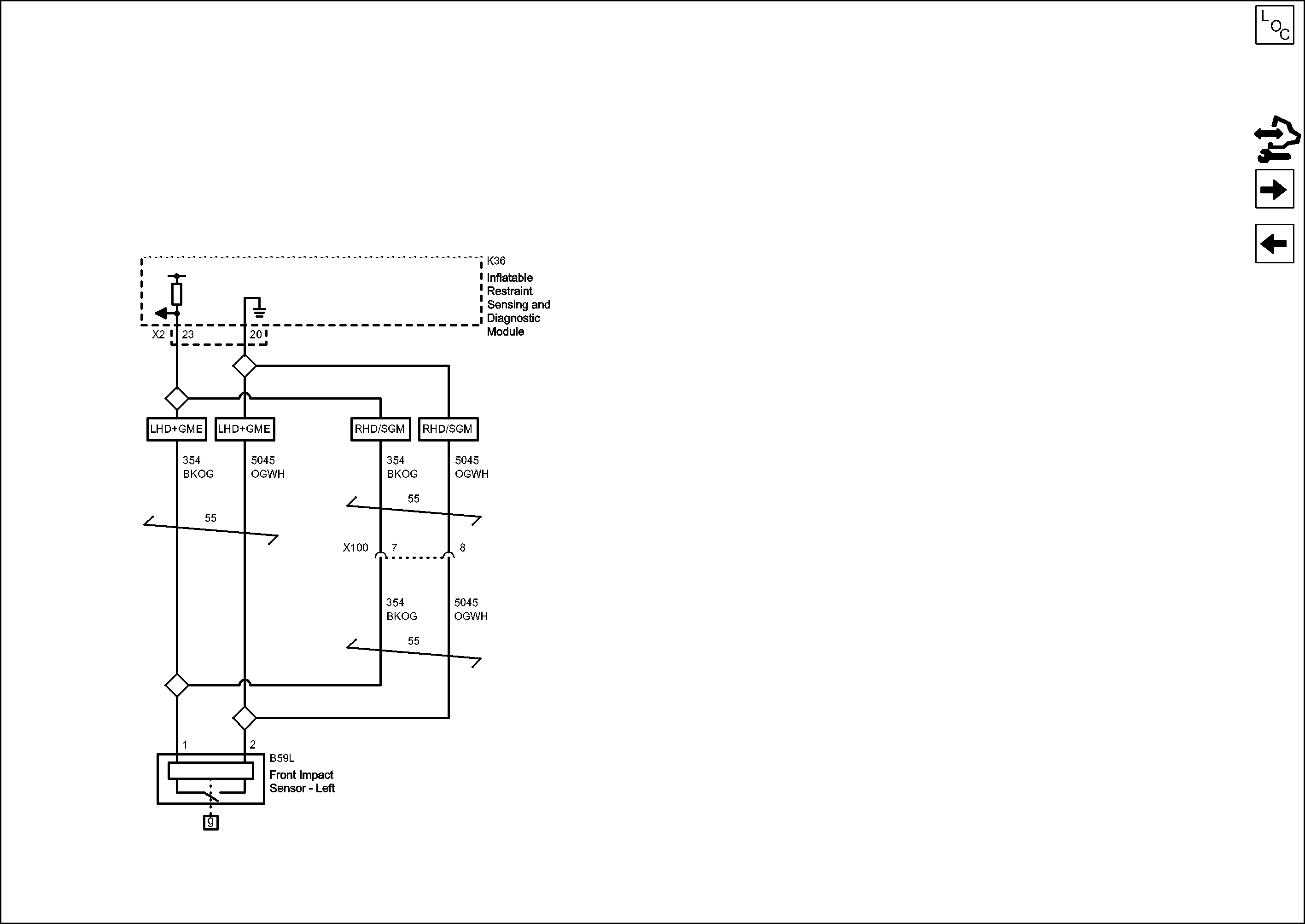
Figure 5:

Front Impact Sensors


Object Number: 2180154  Size: FS
Figure 6:

Side Impact Sensors


Object Number: 2180155  Size: FS