GM Service Manual Online
For 1990-2009 cars only
Figure 1:

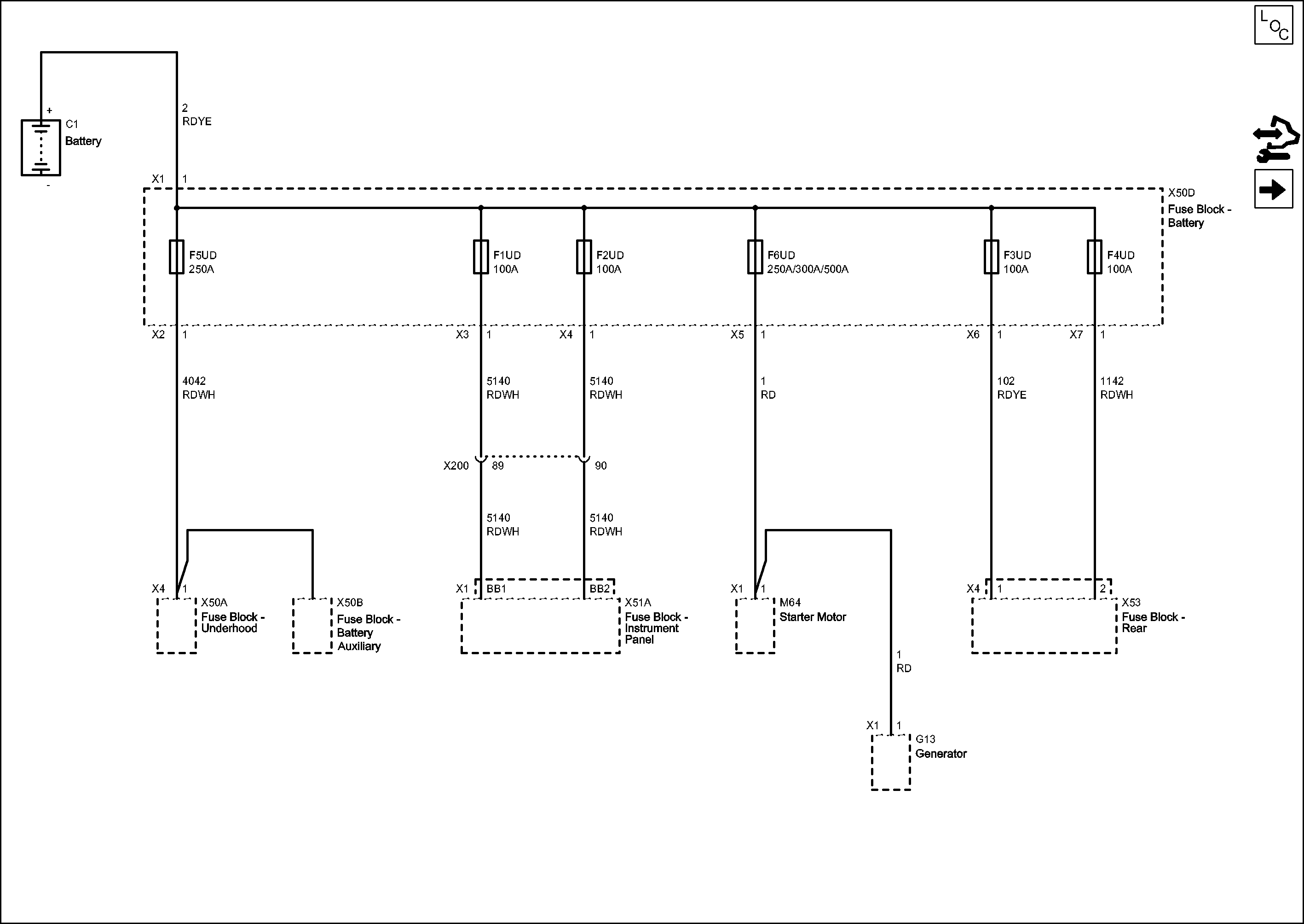
B+ Bus


Object Number: 2179990  Size: FS
Figure 2:

B+ Bus UEC (1 of 3)


Object Number: 2179994  Size: FS
Figure 3:

B+ Bus UEC (2 of 3)


Object Number: 2179995  Size: FS
Figure 4:

B+ Bus UEC (3 of 3)


Object Number: 2179996  Size: FS
Figure 5:

B+ Bus IEC (1 of 2)


Object Number: 2180002  Size: FS
Figure 6:

B+ Bus IEC (2 of 2)


Object Number: 2180003  Size: FS
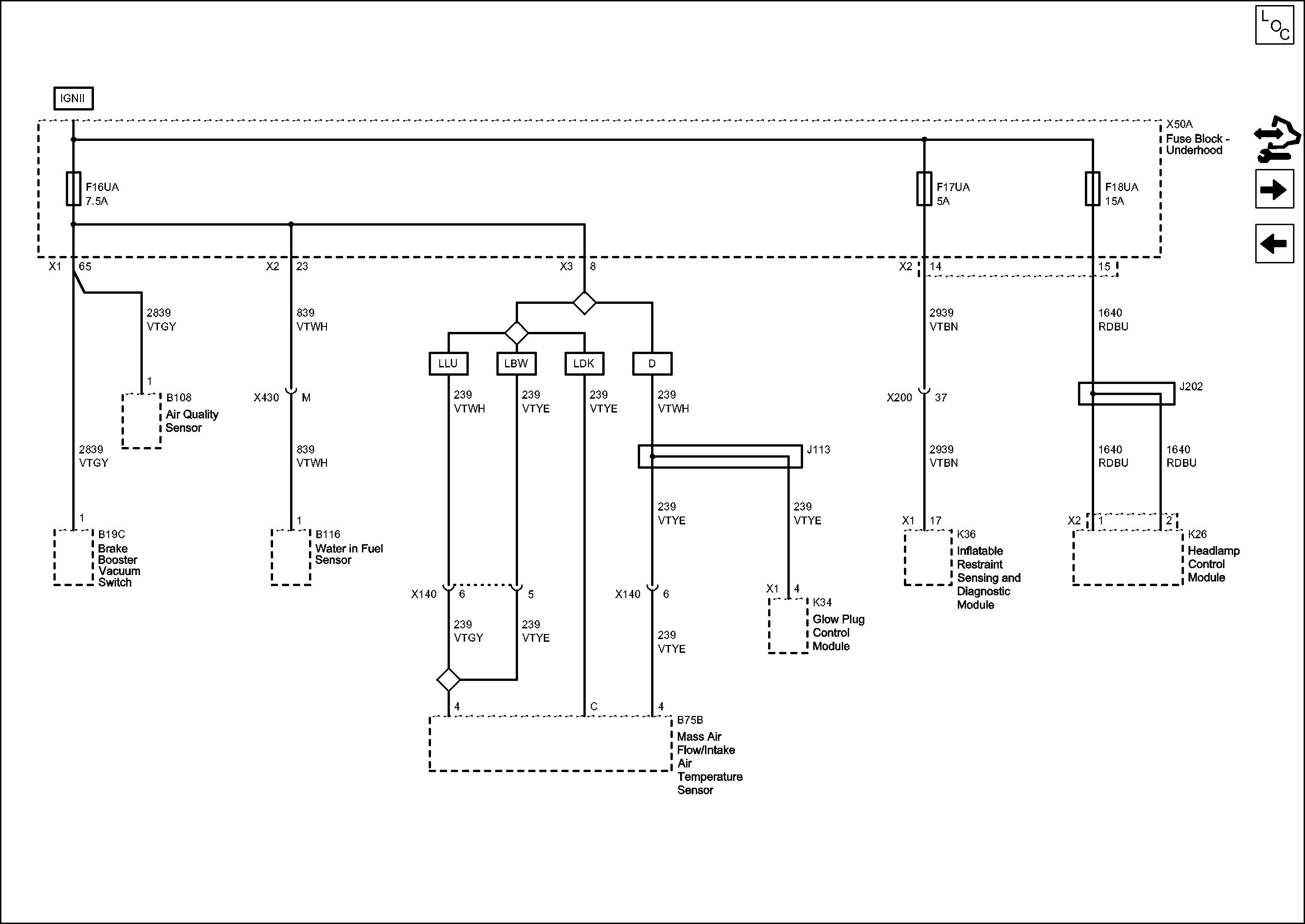
Figure 7:

IGN II - UEC


Object Number: 2180005  Size: FS
Figure 8:

F5UB and F6UB Fuses


Object Number: 2180006  Size: FS
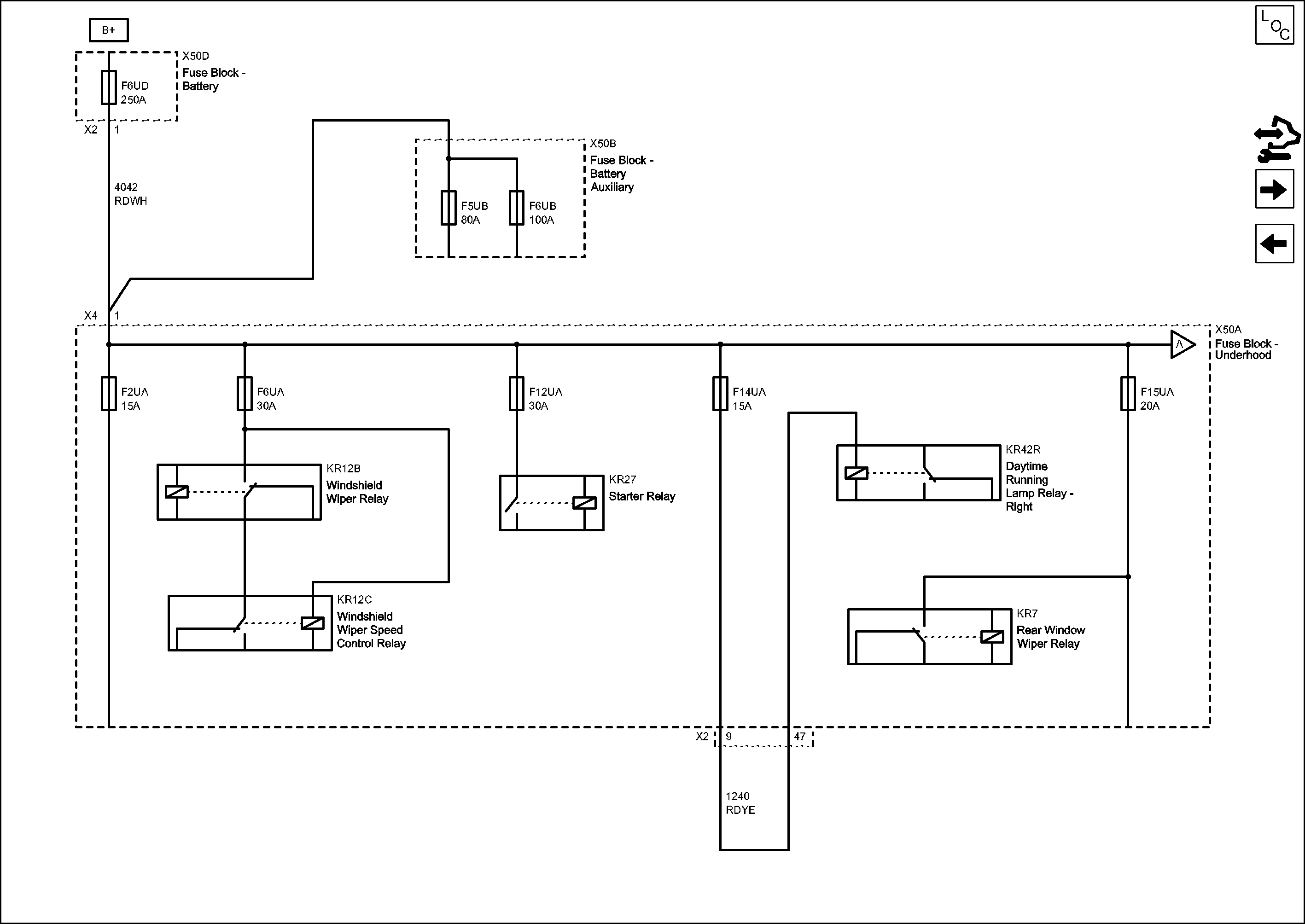
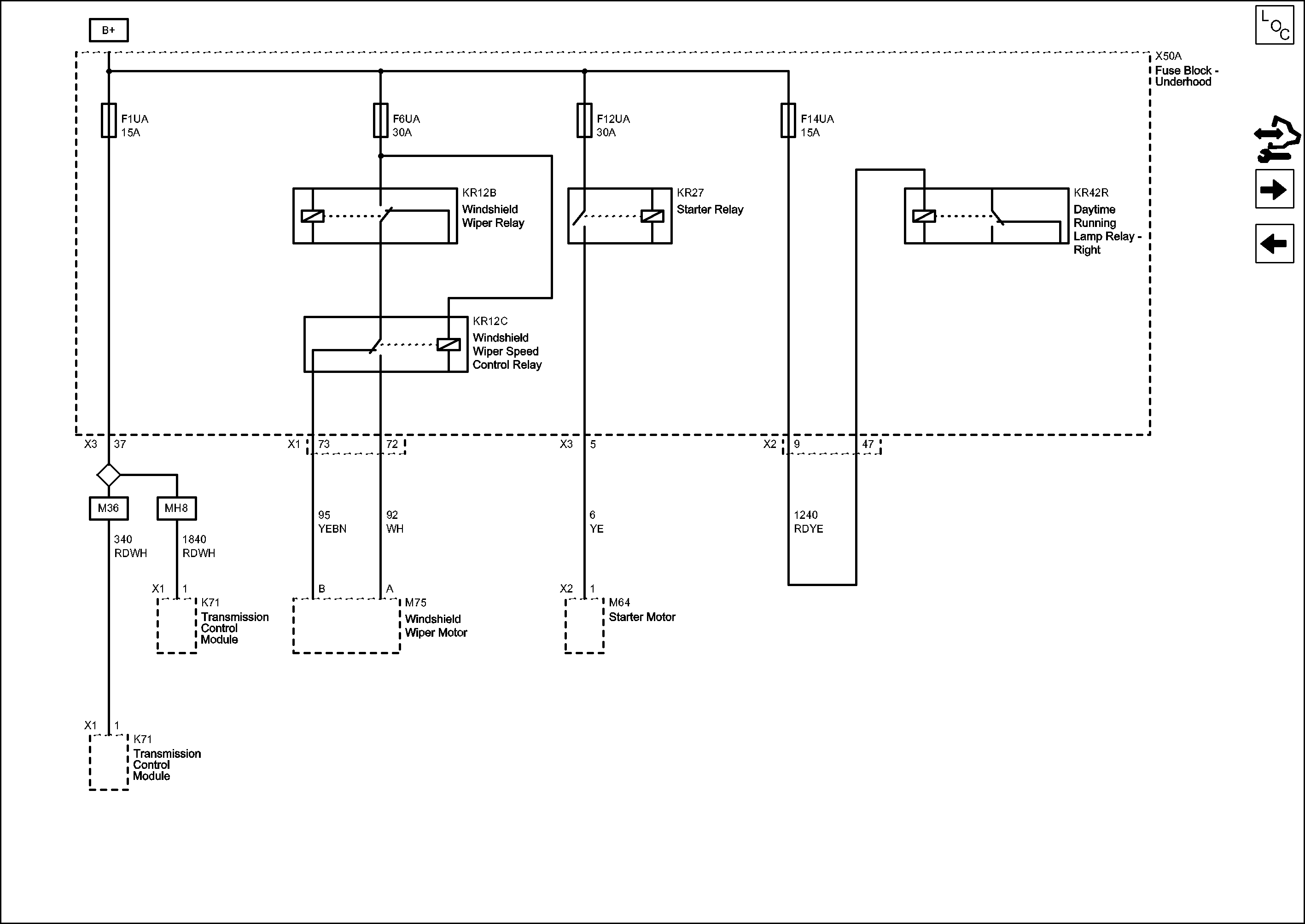
Figure 9:

F1UA, F6UA, F12UA and F14UA Fuses


Object Number: 2180008  Size: FS
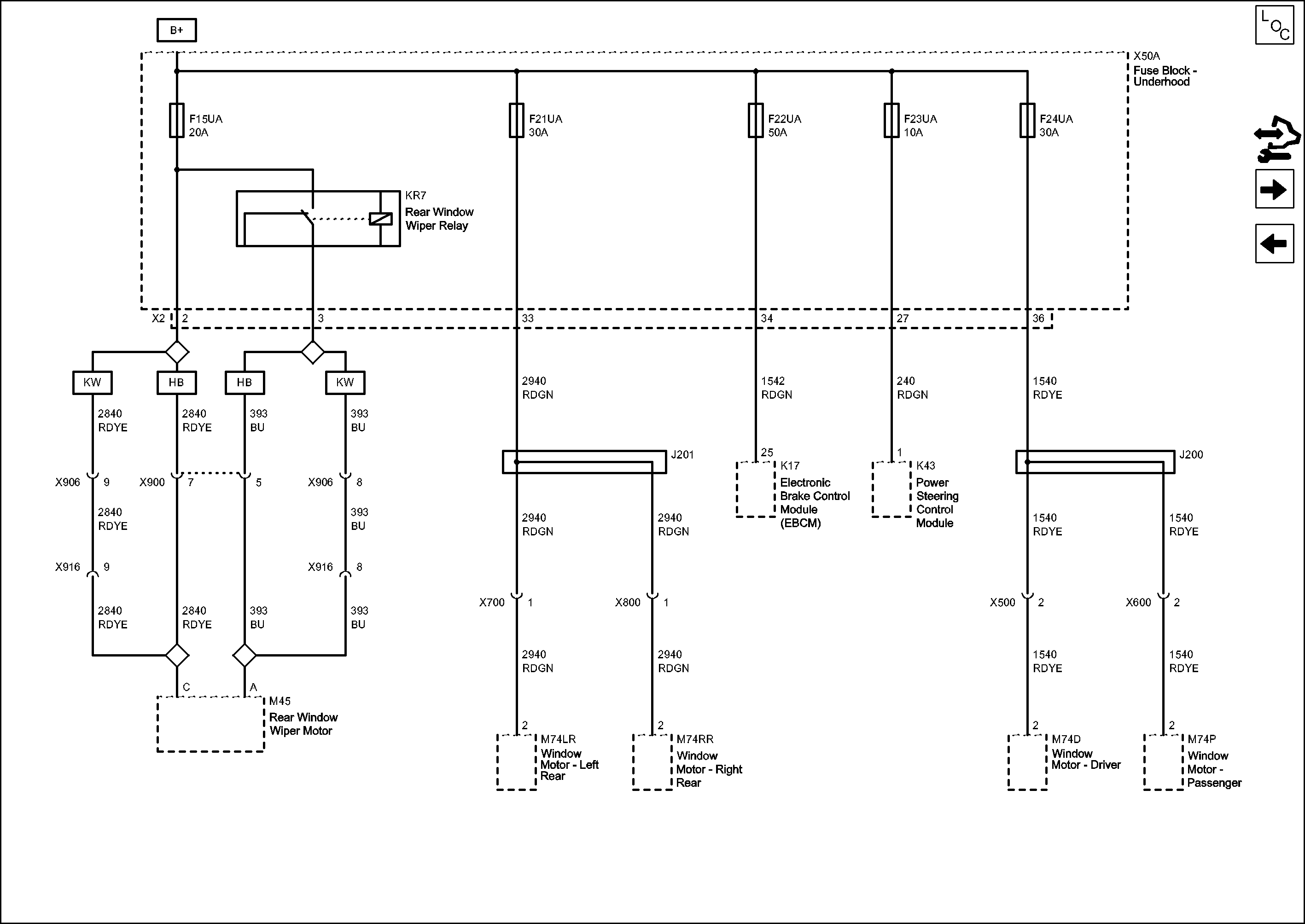
Figure 10:

F15UA, F21UA, F22UA, F23UA and F24UA Fuses


Object Number: 2180011  Size: FS
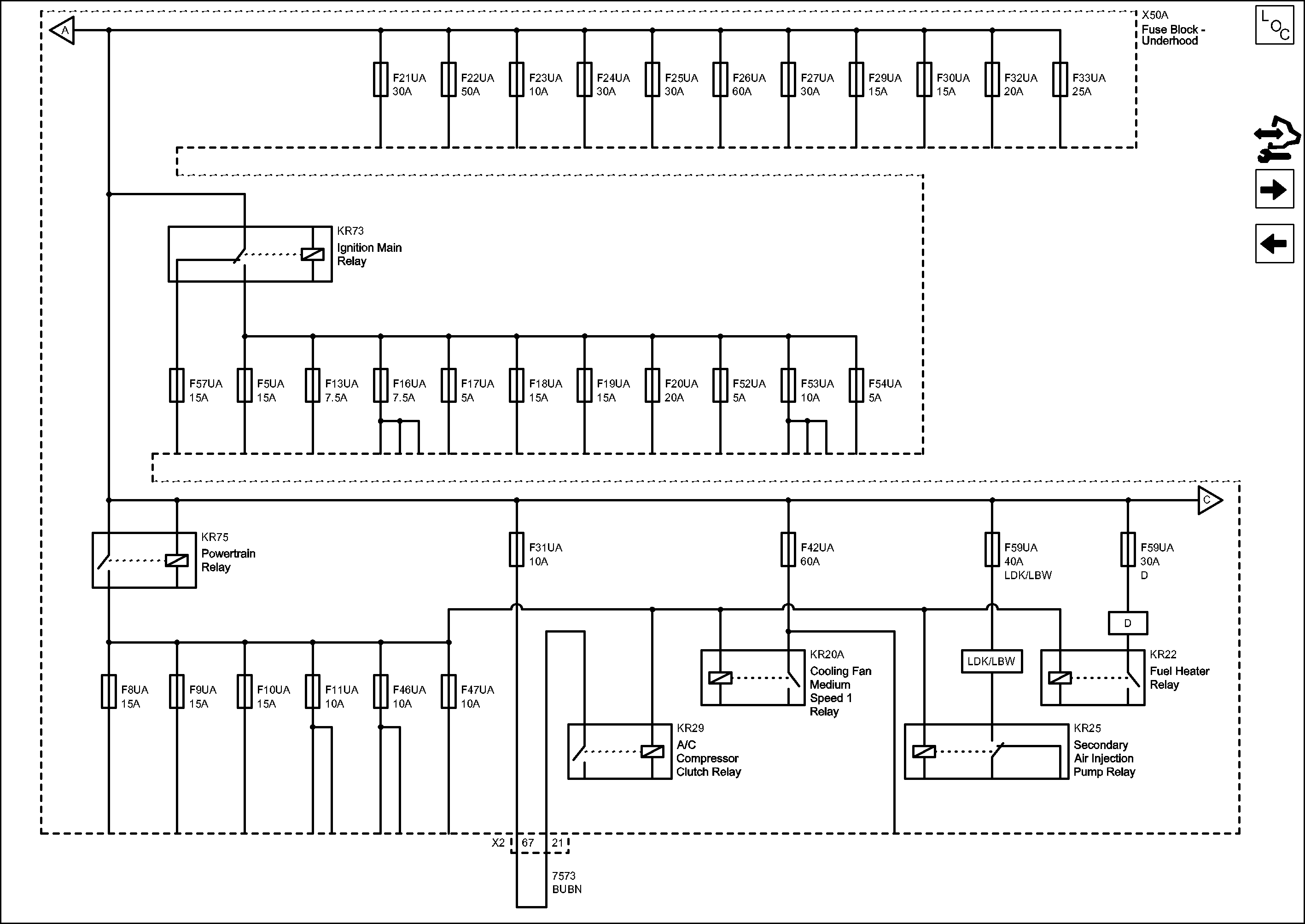
Figure 11:

F25UA, F26UA, F27UA, F29UA, F30UA, F32UA and F33UA Fuses


Object Number: 2180012  Size: FS
Figure 12:

F2UA, F8UA and F9UA Fuses


Object Number: 2180014  Size: FS
Figure 13:

F10UA and F47UA Fuses


Object Number: 2180019  Size: FS
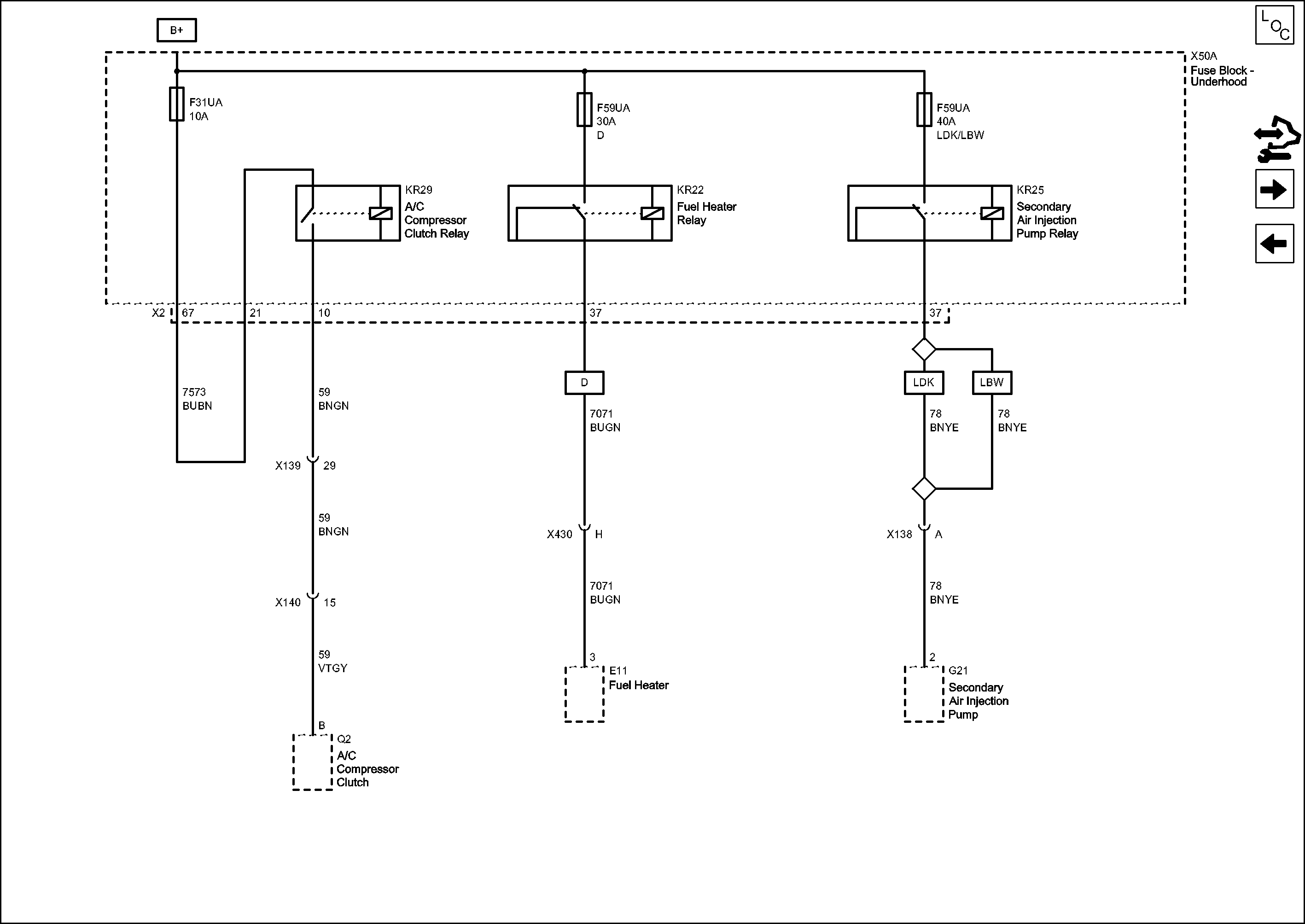
Figure 14:

F31UA and F59UA Fuses


Object Number: 2180020  Size: FS
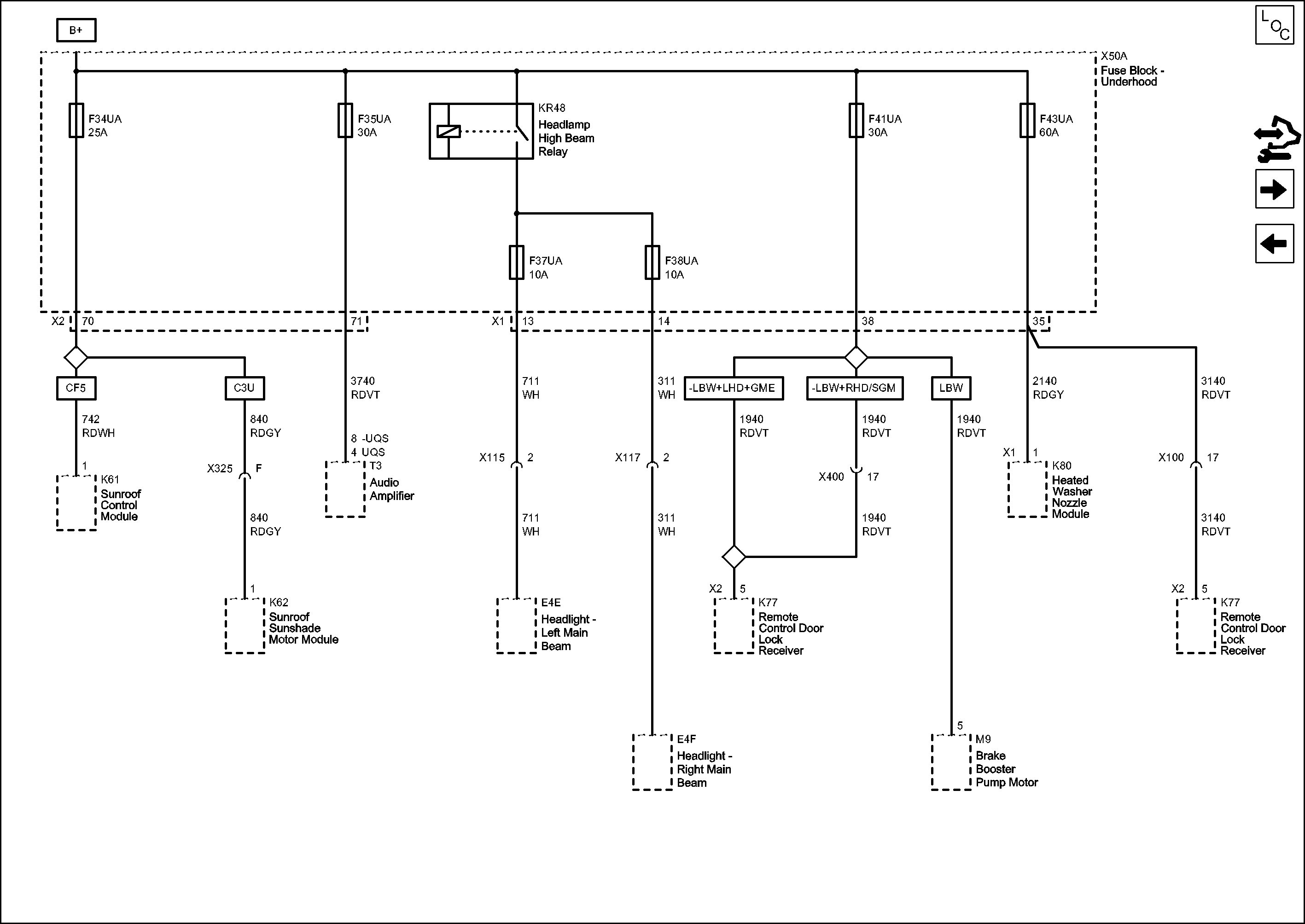
Figure 15:

F34UA, F35UA, F37UA, F38UA, F41UA and F43UA Fuses


Object Number: 2180026  Size: FS
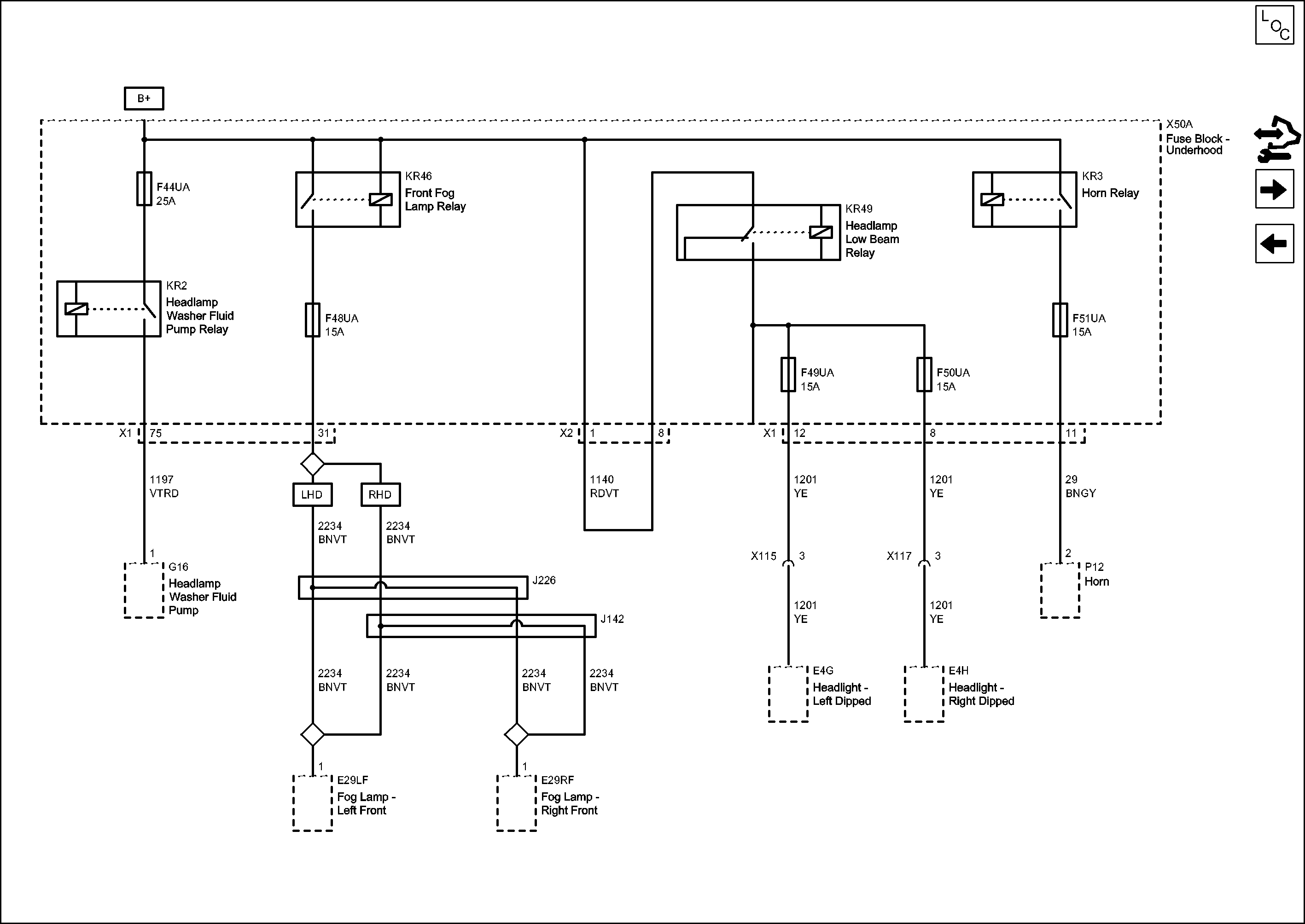
Figure 16:

F44UA, F48UA, F49UA, F50UA and F51UA Fuses


Object Number: 2180028  Size: FS
Figure 17:

F55UA Fuse


Object Number: 2180030  Size: FS
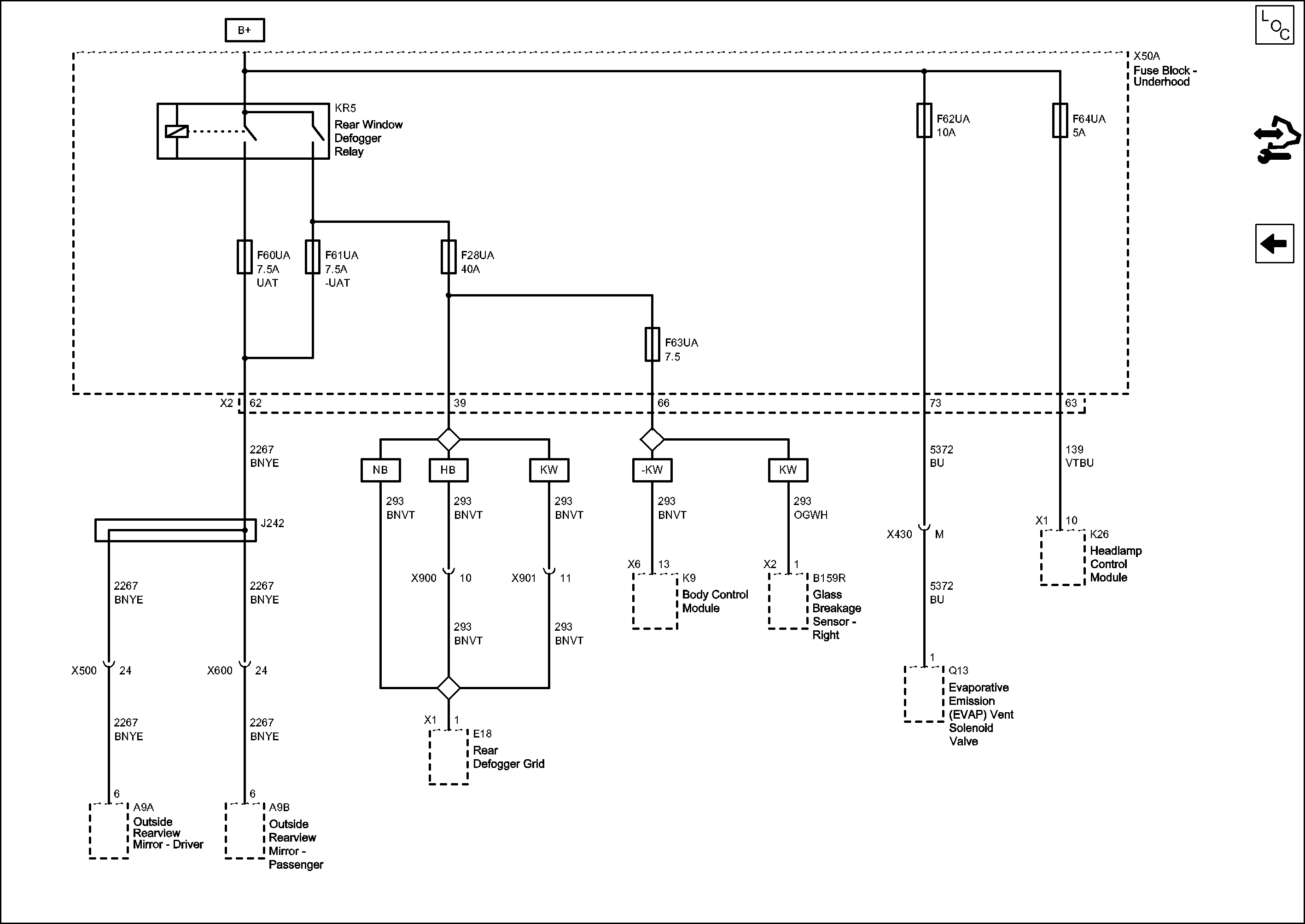
Figure 18:

F28UA, F60UA, F61UA, F62UA, F63UA and F64UA Fuses


Object Number: 2180031  Size: FS
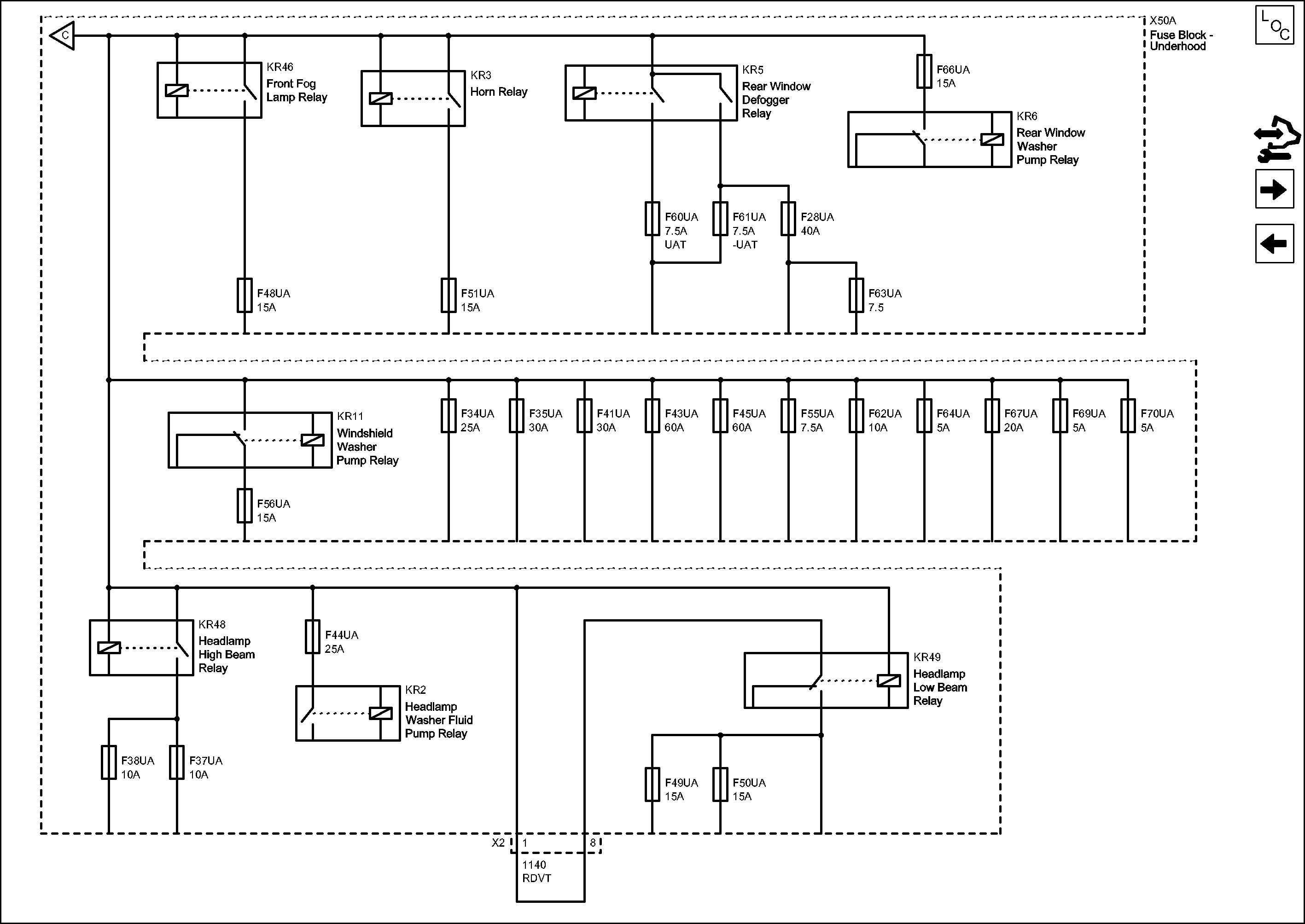
Figure 19:

F56UA, F65UA, F66UA, F67UA, F69UA and F70UA Fuses


Object Number: 2180034  Size: FS
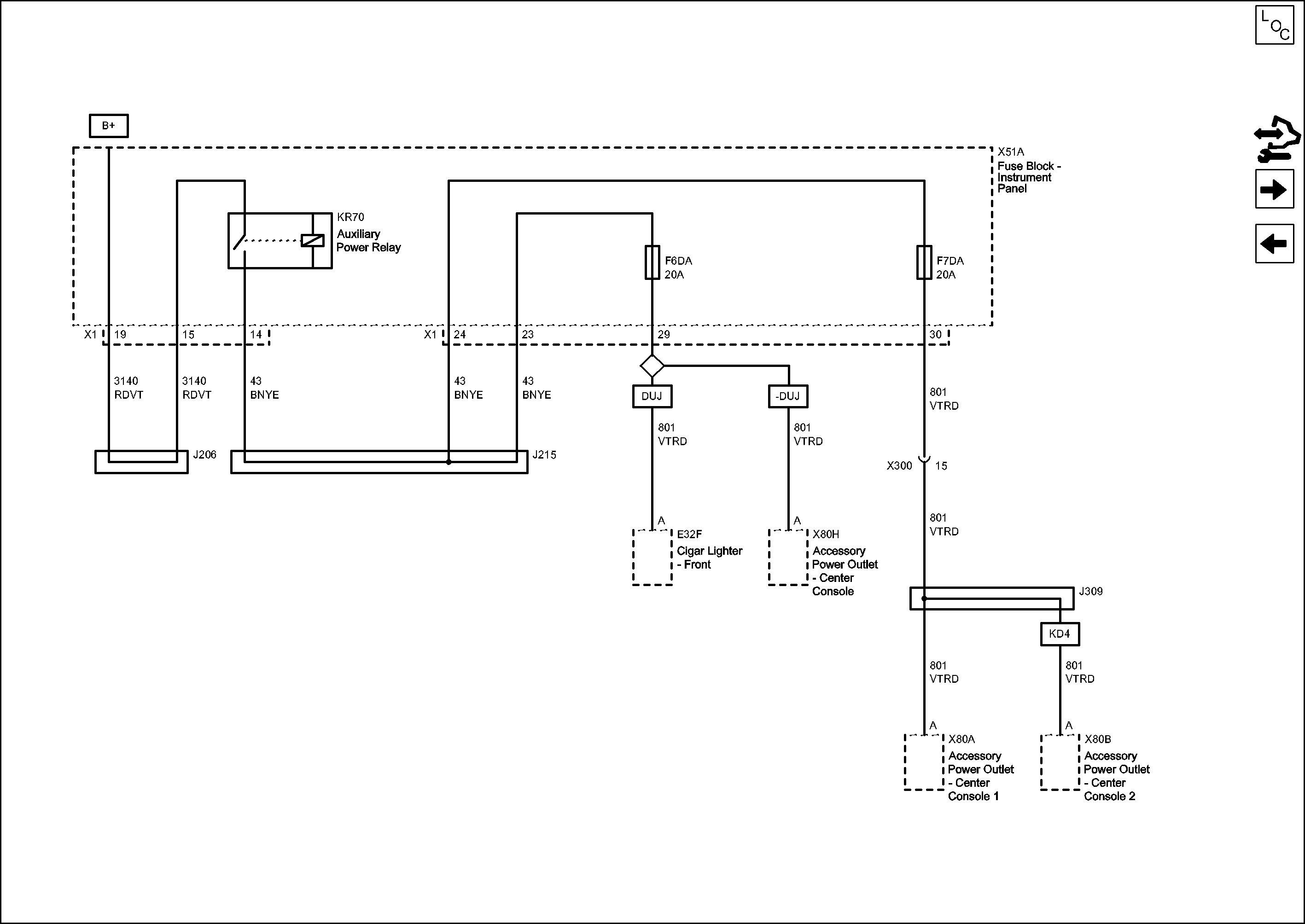
Figure 20:

F6DA and F7DA Fuses


Object Number: 2180037  Size: FS
Figure 21:

F14DA, F15DA, F16DA, F17DA and F19DA Fuses


Object Number: 2180038  Size: FS
Figure 22:

F20DA, F21DA, F22DA, F23DA, F24DA, F25DA and F26DA Fuses


Object Number: 2180042  Size: FS
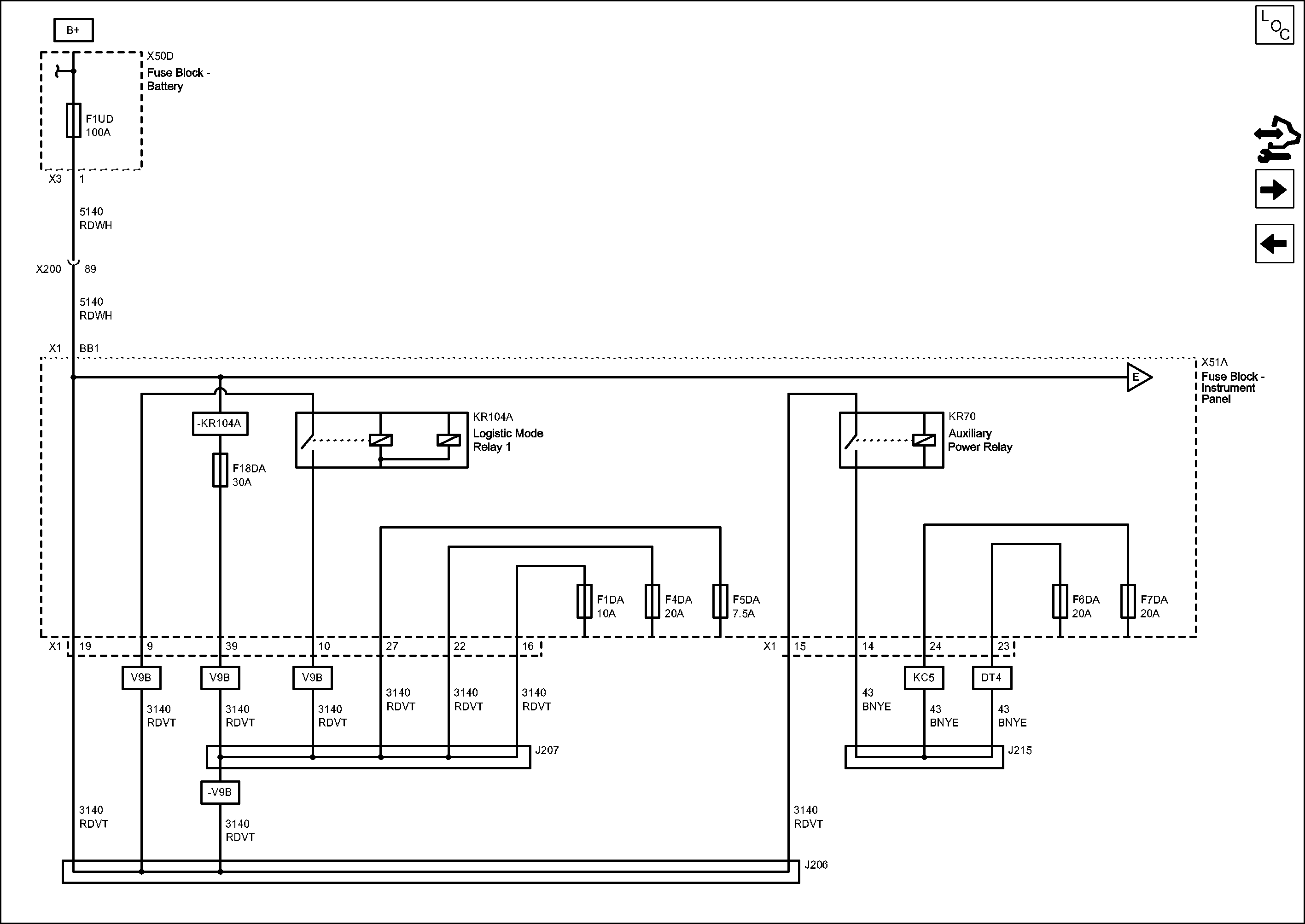
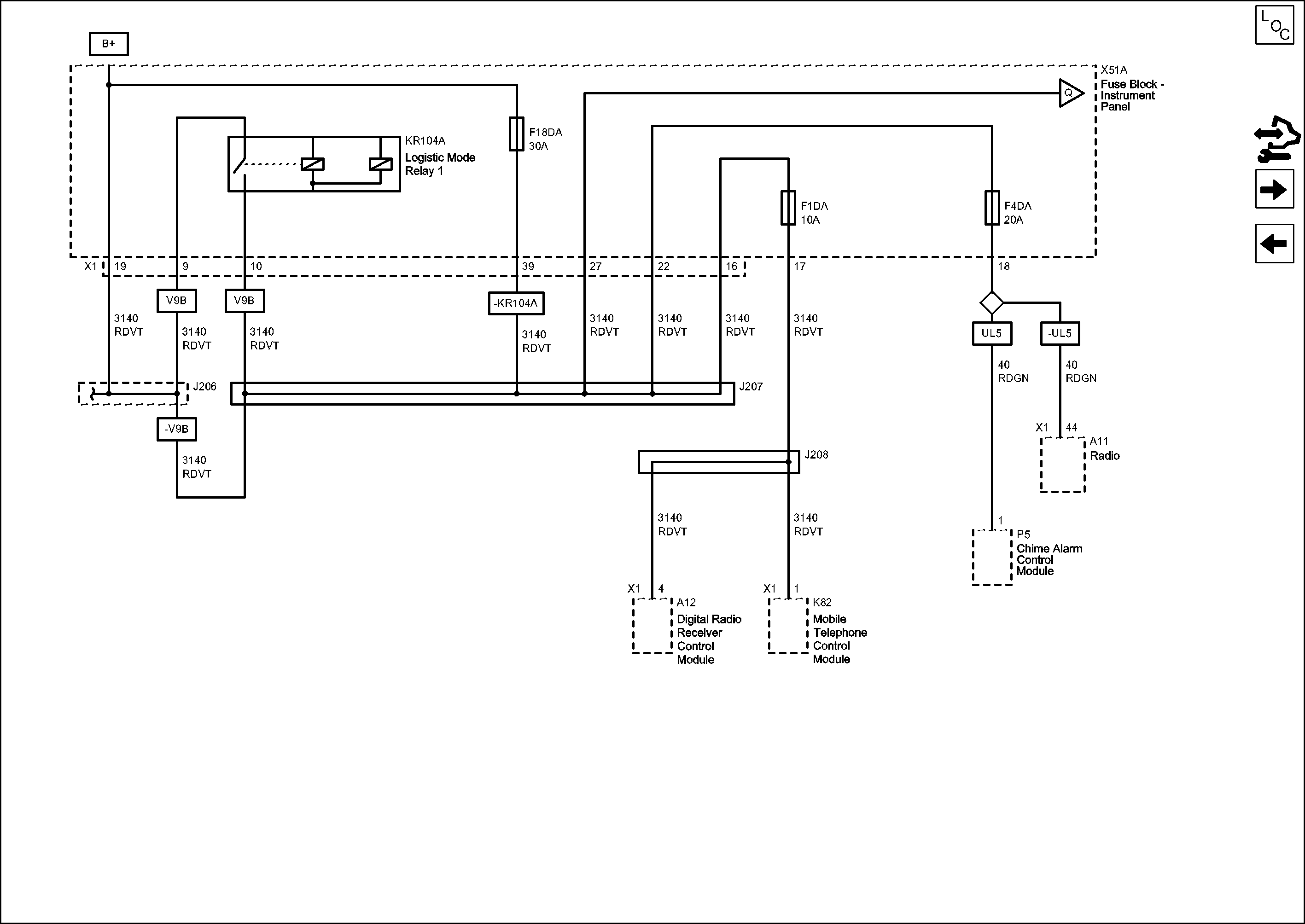
Figure 23:

F1DA, F4DA and F18DA Fuses


Object Number: 2180044  Size: FS
Figure 24:

F5DA Fuse


Object Number: 2180045  Size: FS
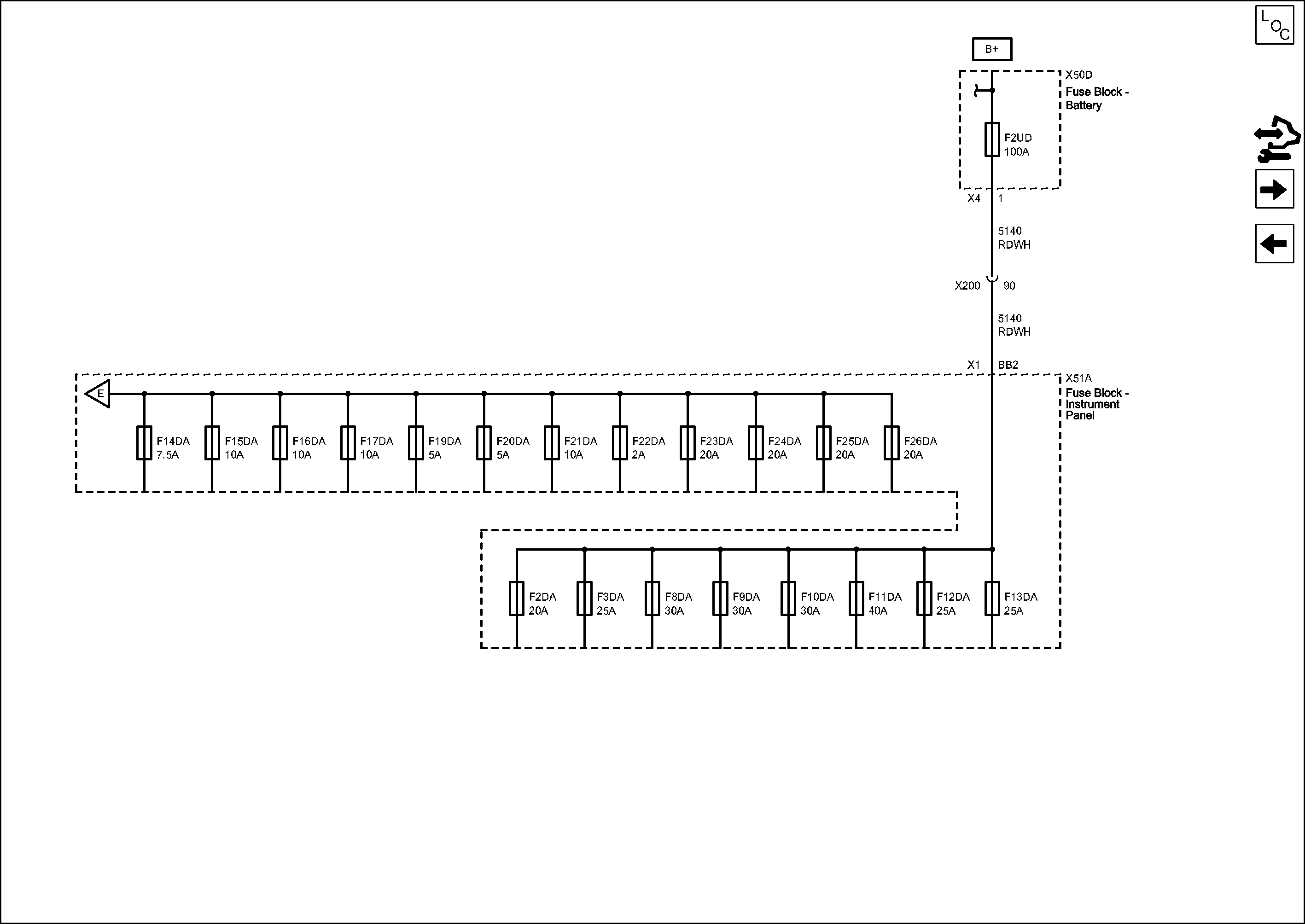
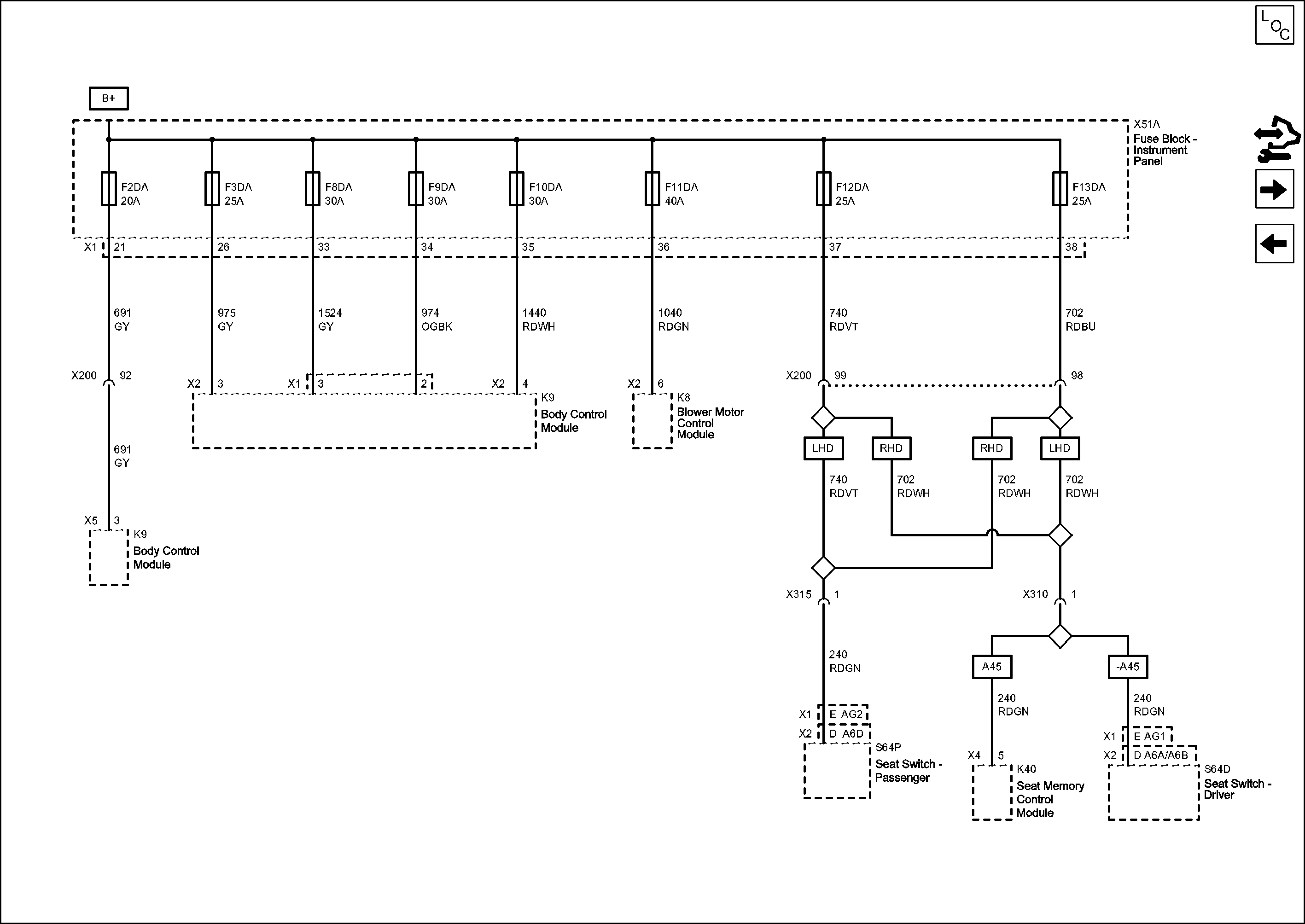
Figure 25:

F2DA, F3DA, F8DA, F9DA, F10DA, F11DA, F12DA and F13DA Fuses


Object Number: 2180047  Size: FS
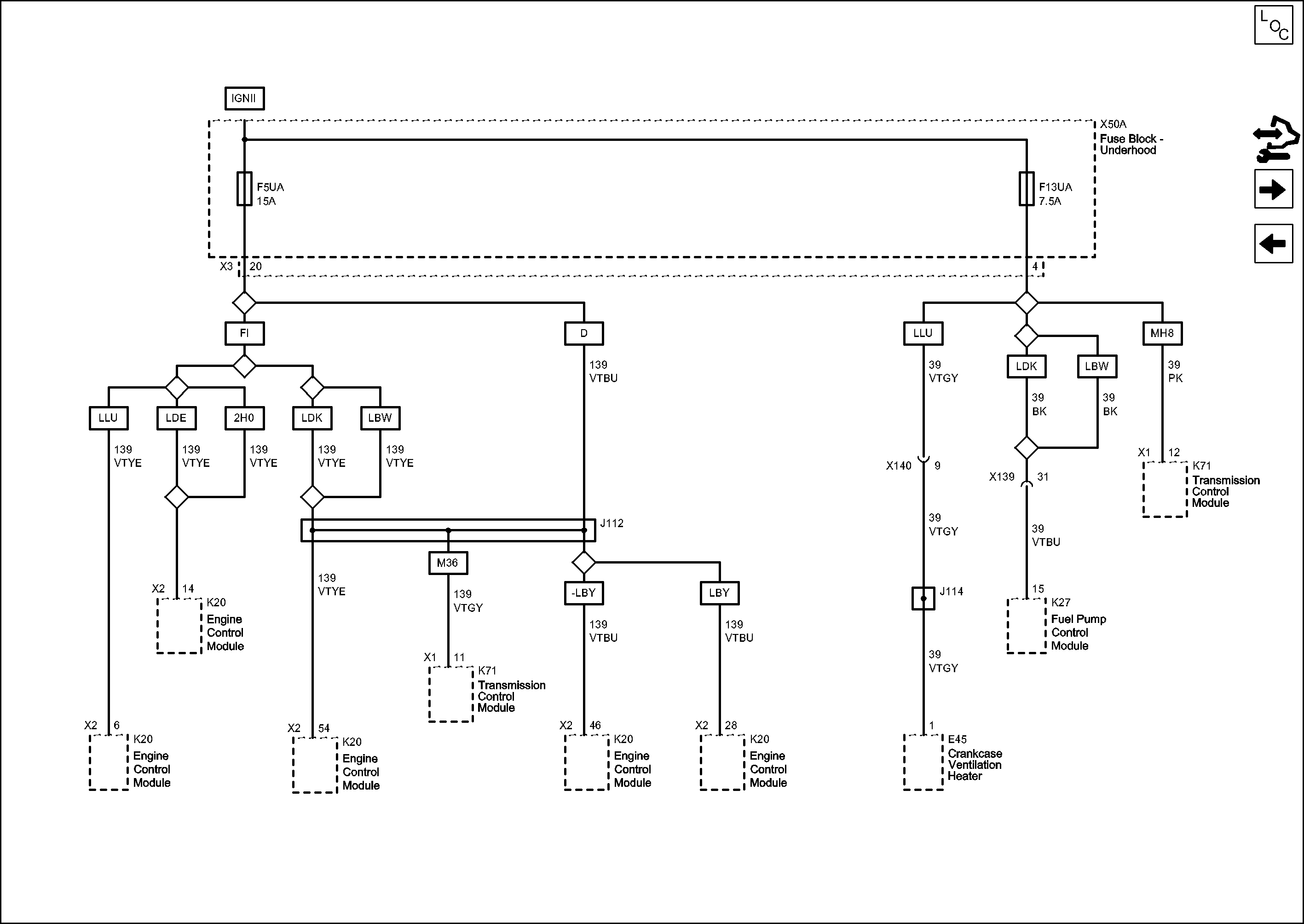
Figure 26:

F5UA and F13UA Fuses


Object Number: 2180051  Size: FS
Figure 27:

F16UA, F17UA and F18UA Fuses


Object Number: 2180052  Size: FS
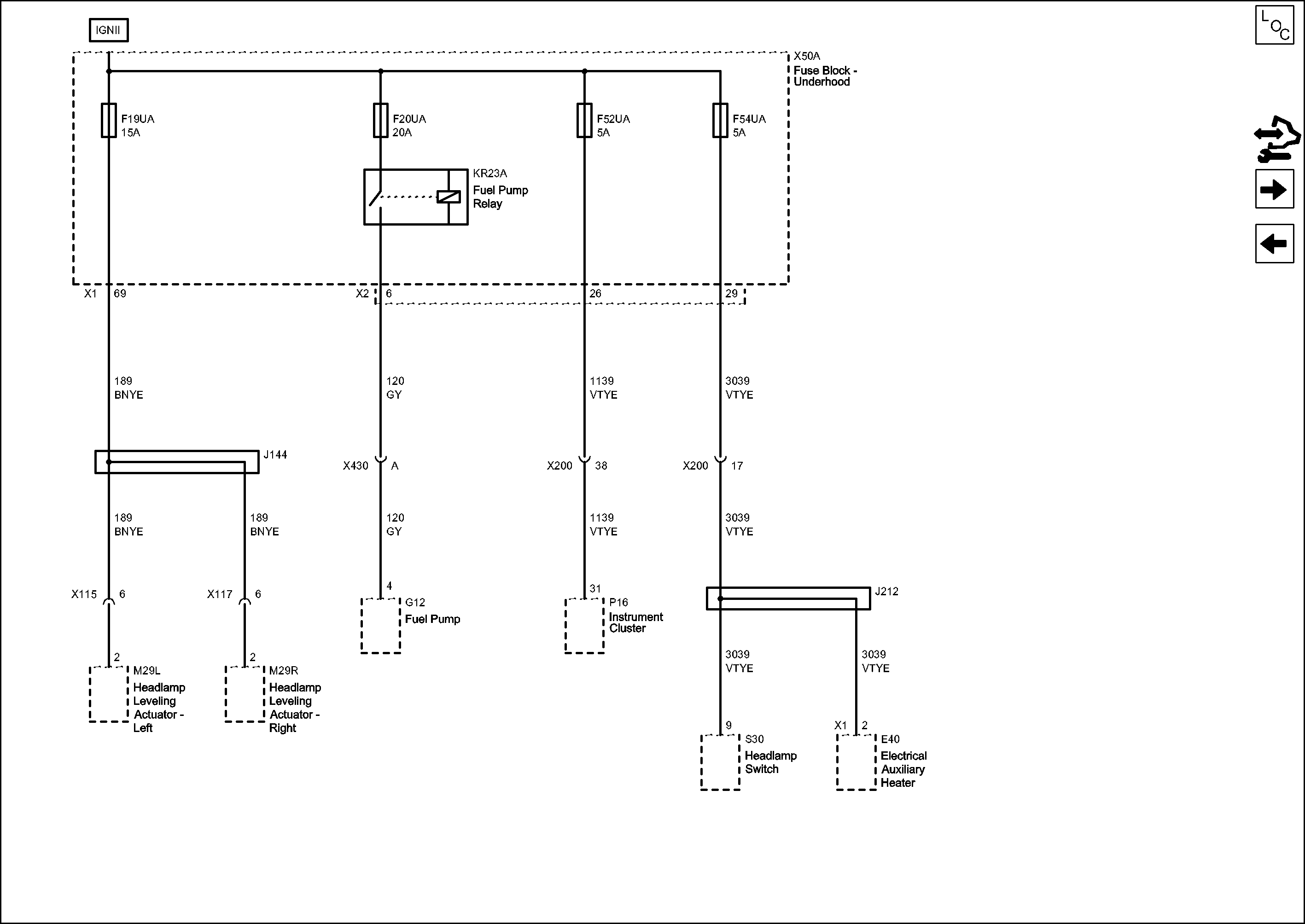
Figure 28:

F19UA, F20UA, F52UA and F54UA Fuses


Object Number: 2180053  Size: FS
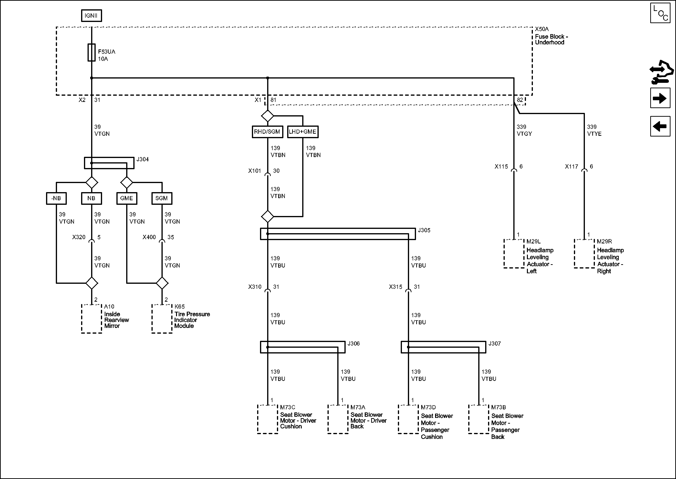
Figure 29:

F53UA Fuse


Object Number: 2180054  Size: FS