GM Service Manual Online
For 1990-2009 cars only
Figure 1:

G101 and G103


Object Number: 2180118  Size: FS
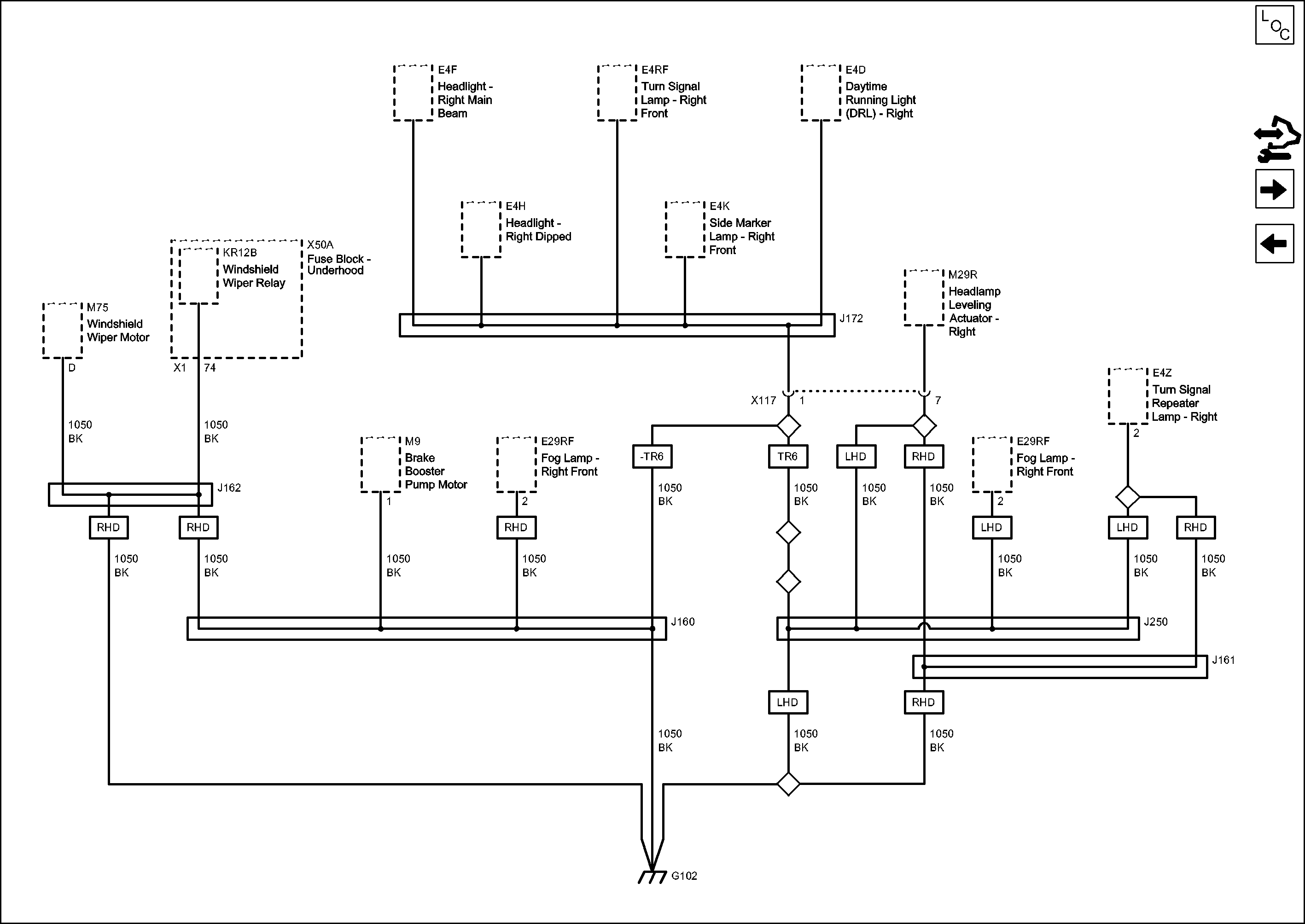
Figure 2:

G102


Object Number: 2180119  Size: FS
Figure 3:

G104, G114 and G115 (LTD/LE5)


Object Number: 2180120  Size: FS
Figure 4:

G105, G106 and G108


Object Number: 2180121  Size: FS
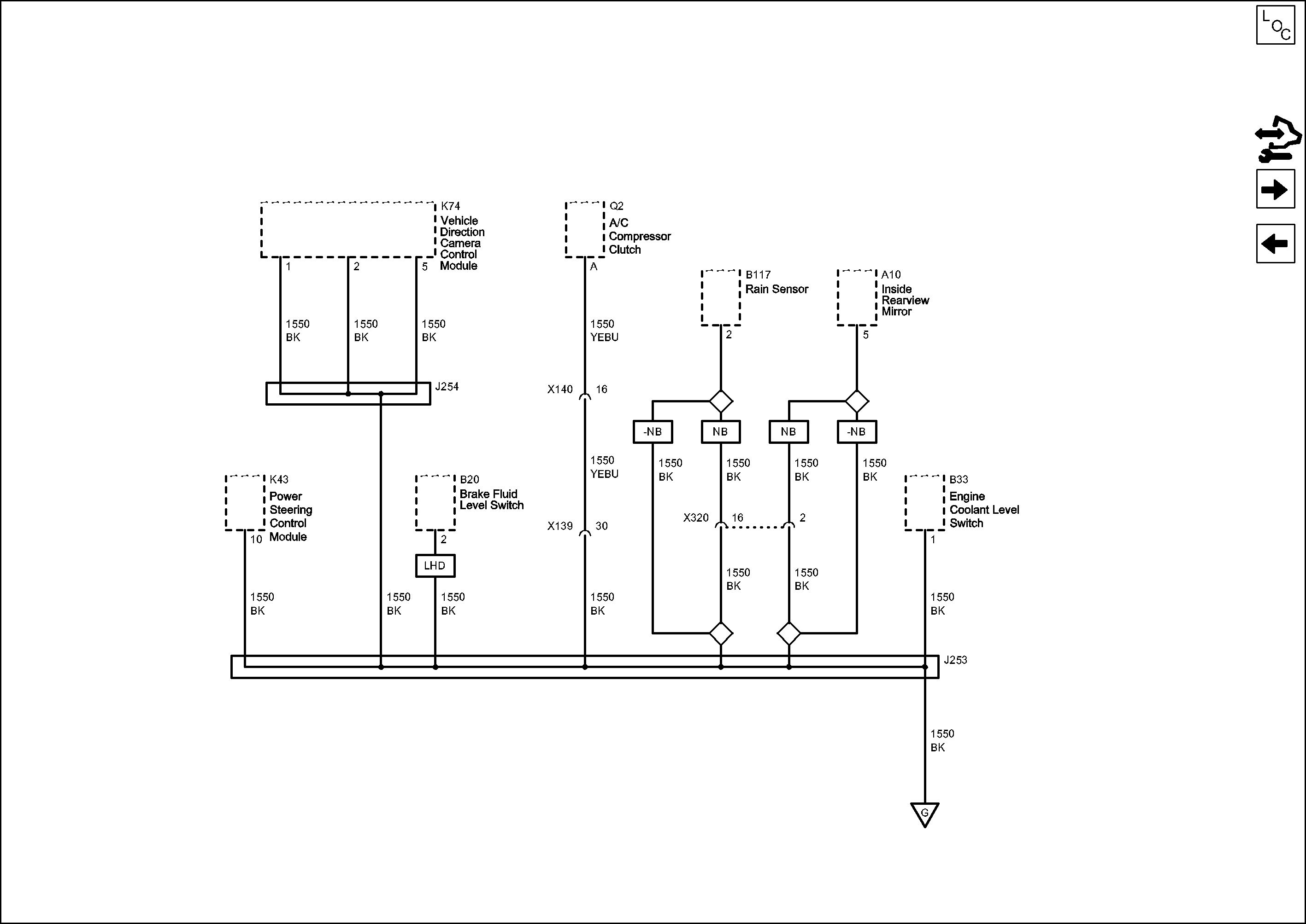
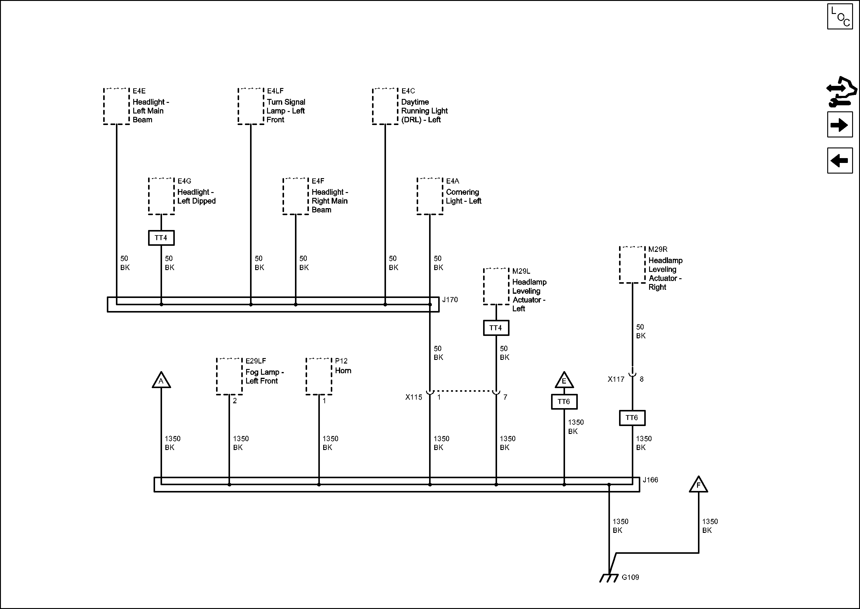
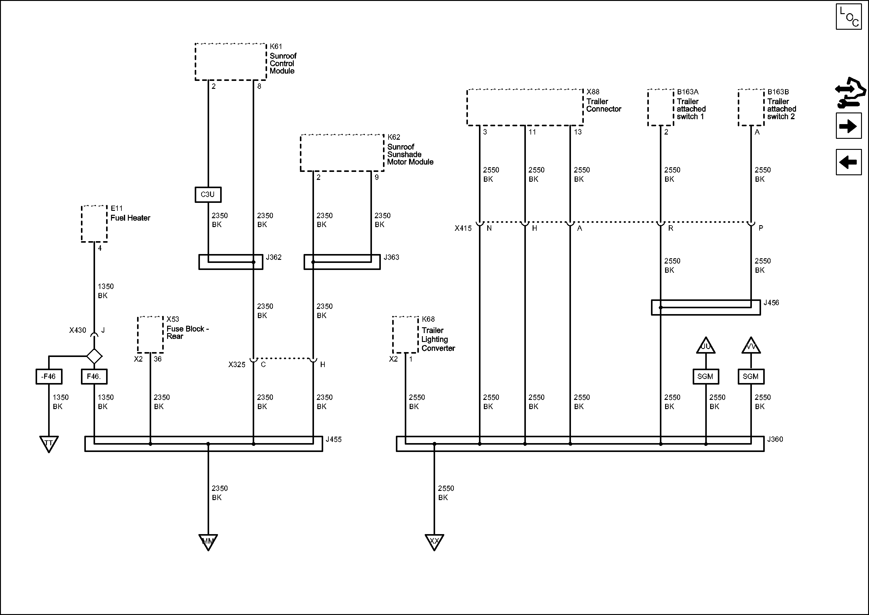
Figure 5:

G109 (1 of 3)


Object Number: 2180123  Size: FS
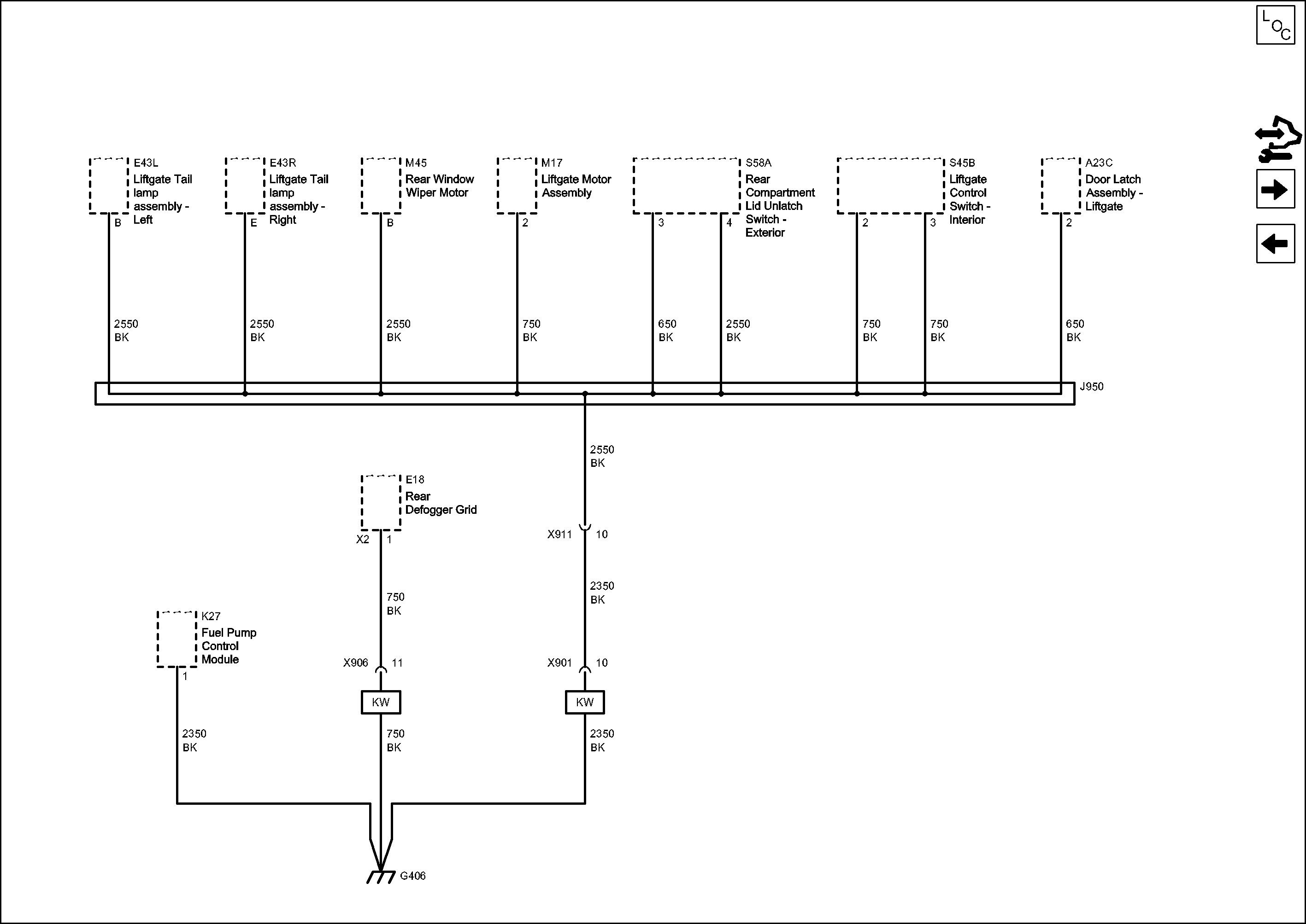
Figure 6:

G109 (2 of 3)


Object Number: 2180124  Size: FS
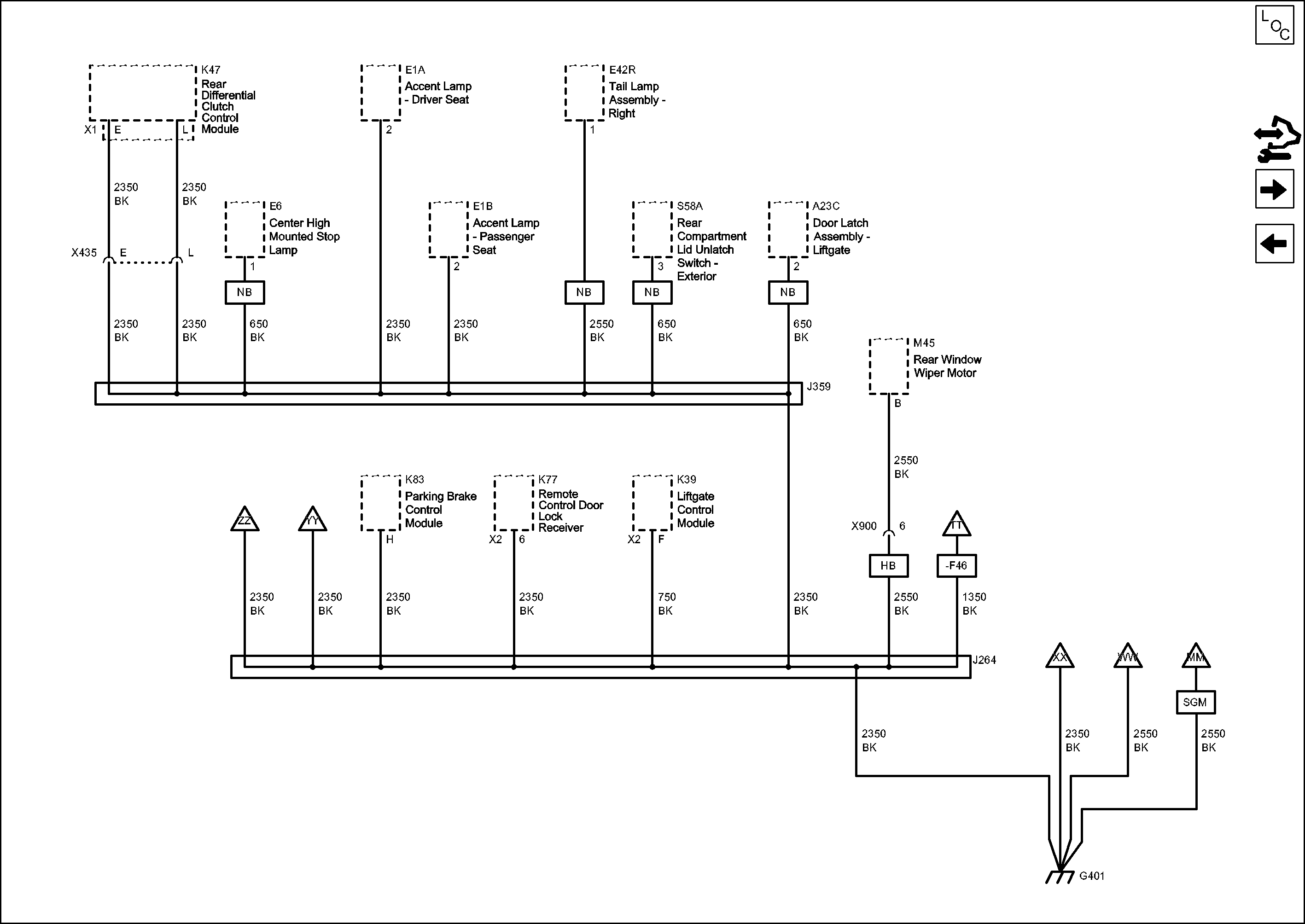
Figure 7:

G109 (3 of 3)


Object Number: 2180125  Size: FS
Figure 8:

G110 and G111


Object Number: 2180126  Size: FS
Figure 9:

G201 (1 of 2)


Object Number: 2180127  Size: FS
Figure 10:

G201 (2 of 2)


Object Number: 2180128  Size: FS
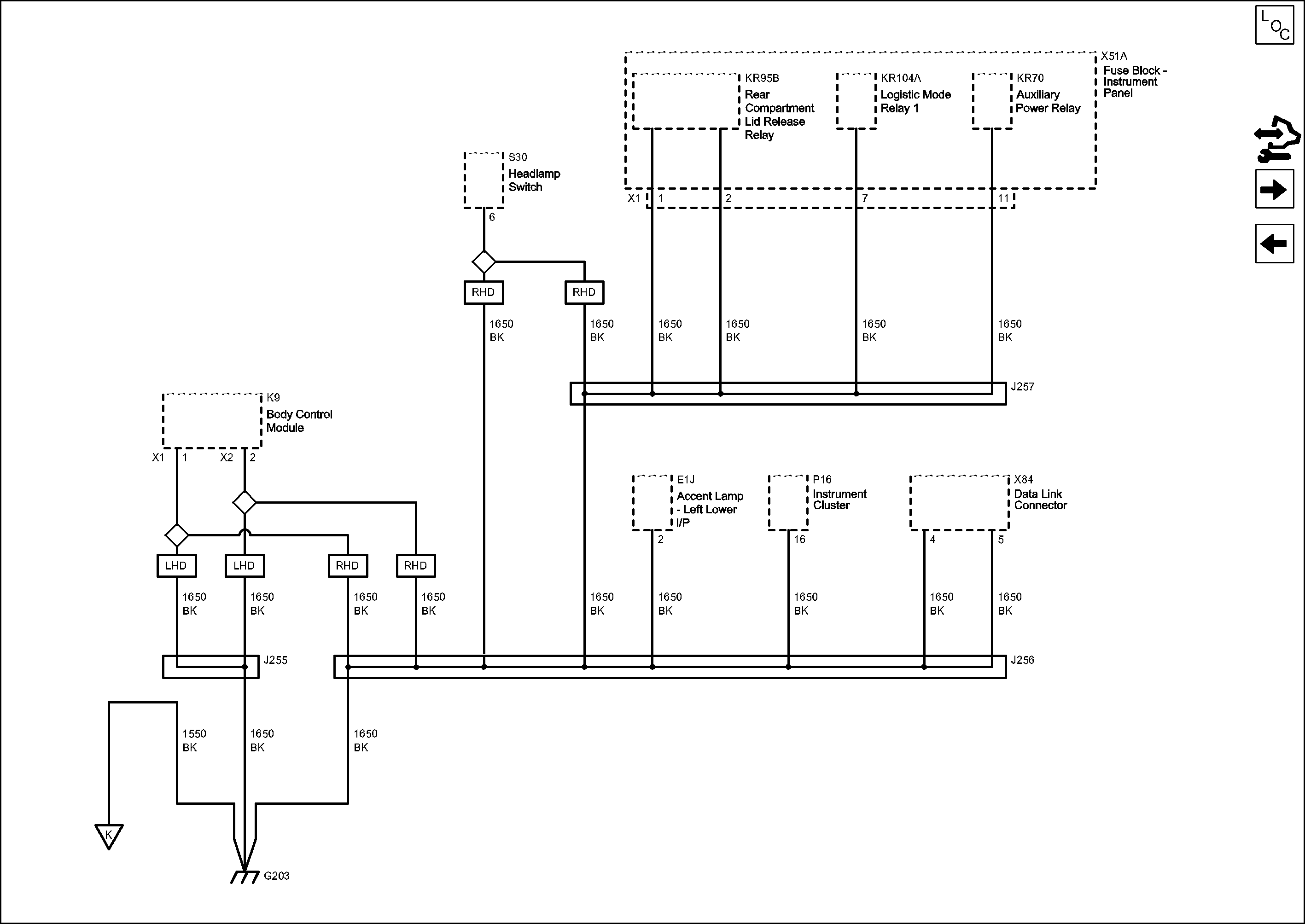
Figure 11:

G203


Object Number: 2180129  Size: FS
Figure 12:

G204 and G205


Object Number: 2180130  Size: FS
Figure 13:

G205


Object Number: 2180131  Size: FS
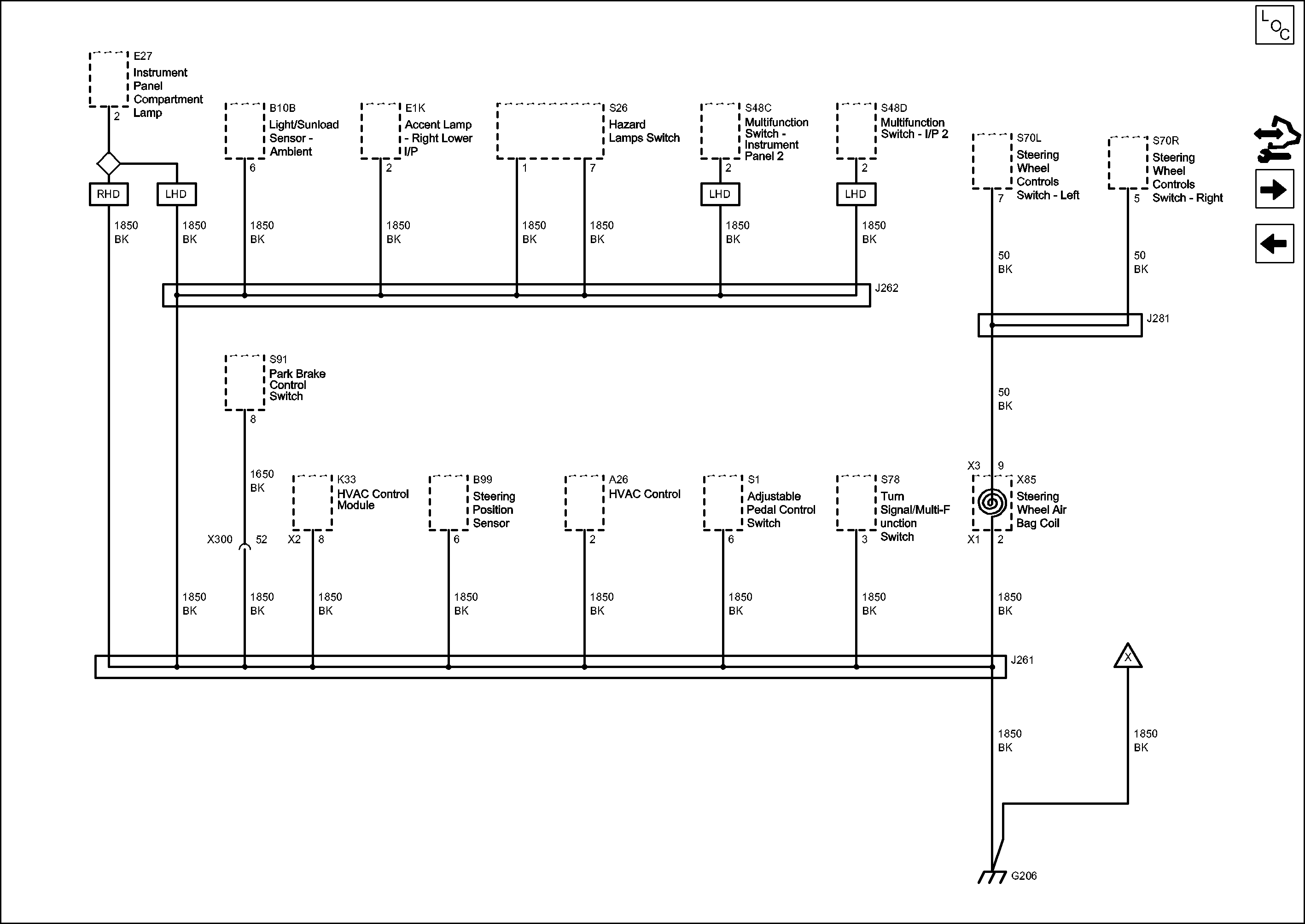
Figure 14:

G206 (1 of 2)


Object Number: 2180132  Size: FS
Figure 15:

G206 (2 of 2)


Object Number: 2180133  Size: FS
Figure 16:

G303


Object Number: 2180134  Size: FS
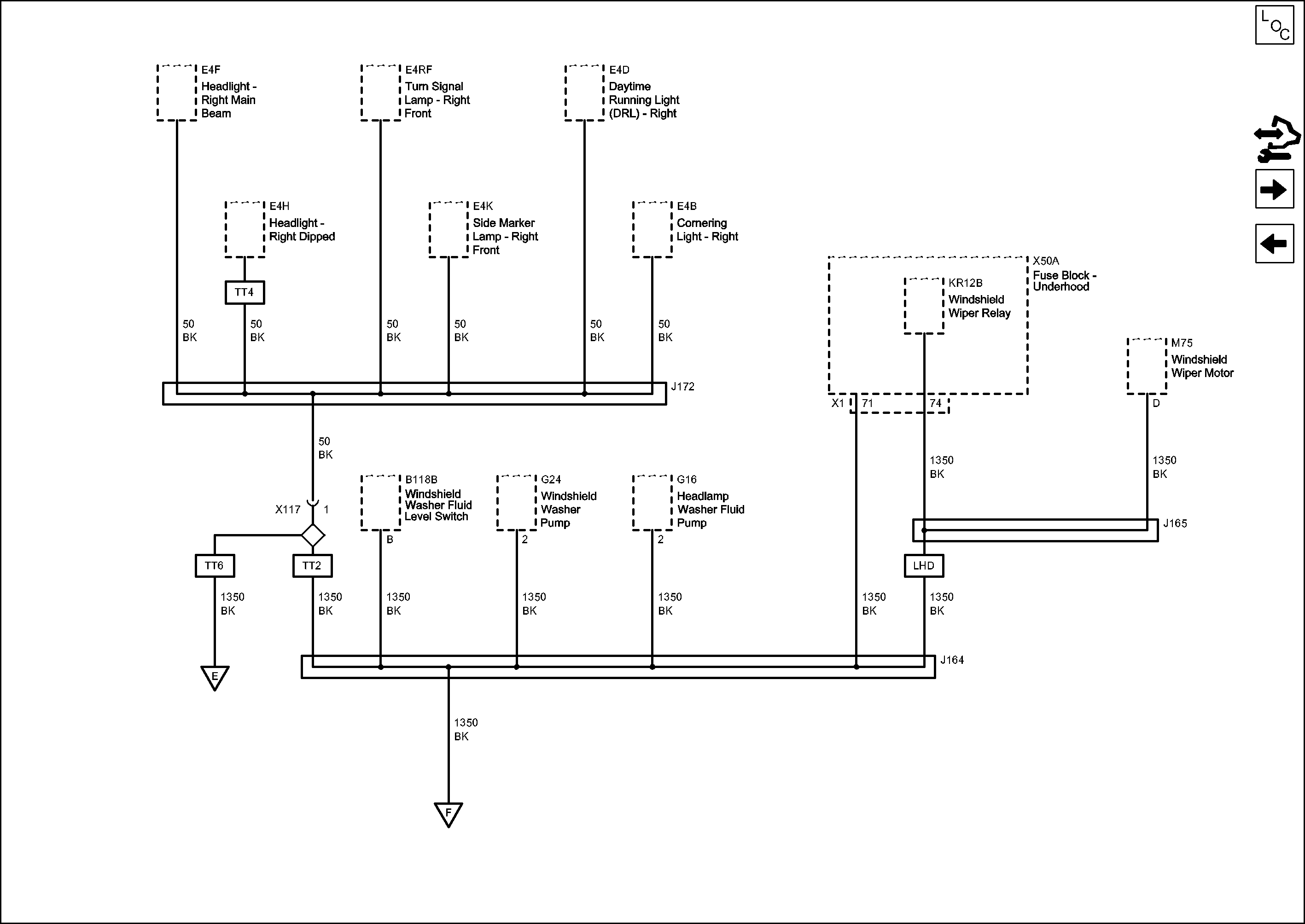
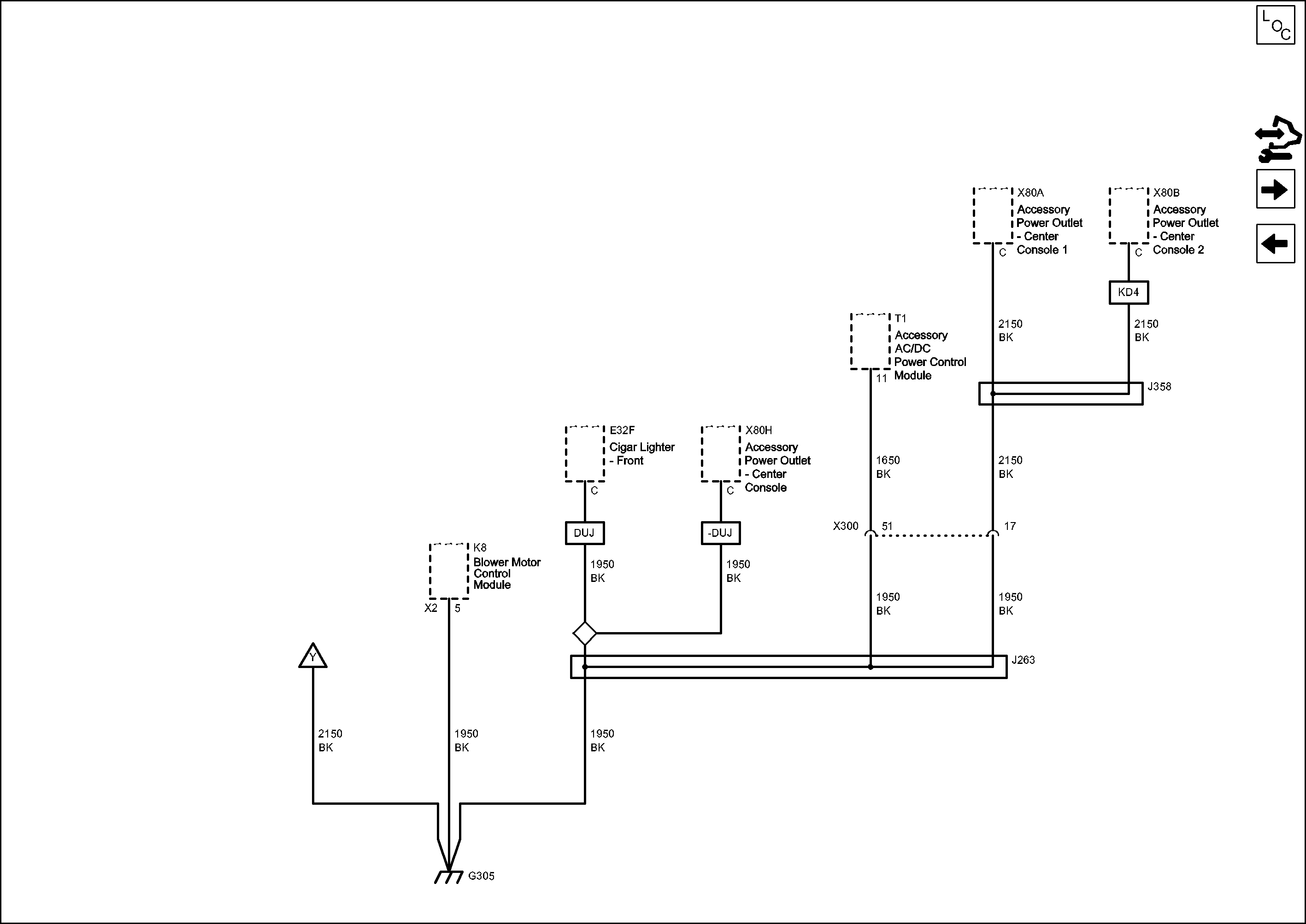
Figure 17:

G305 (1 of 2)


Object Number: 2180135  Size: FS
Figure 18:

G305 (2 of 2)


Object Number: 2180136  Size: FS
Figure 19:

G401 (1 of 5)


Object Number: 2180137  Size: FS
Figure 20:

G401 (2 of 5)


Object Number: 2180138  Size: FS
Figure 21:

G401 (3 of 5)


Object Number: 2180139  Size: FS
Figure 22:

G401 (4 of 5)


Object Number: 2180140  Size: FS
Figure 23:

G401 (5 of 5)


Object Number: 2180141  Size: FS
Figure 24:

G404


Object Number: 2180142  Size: FS
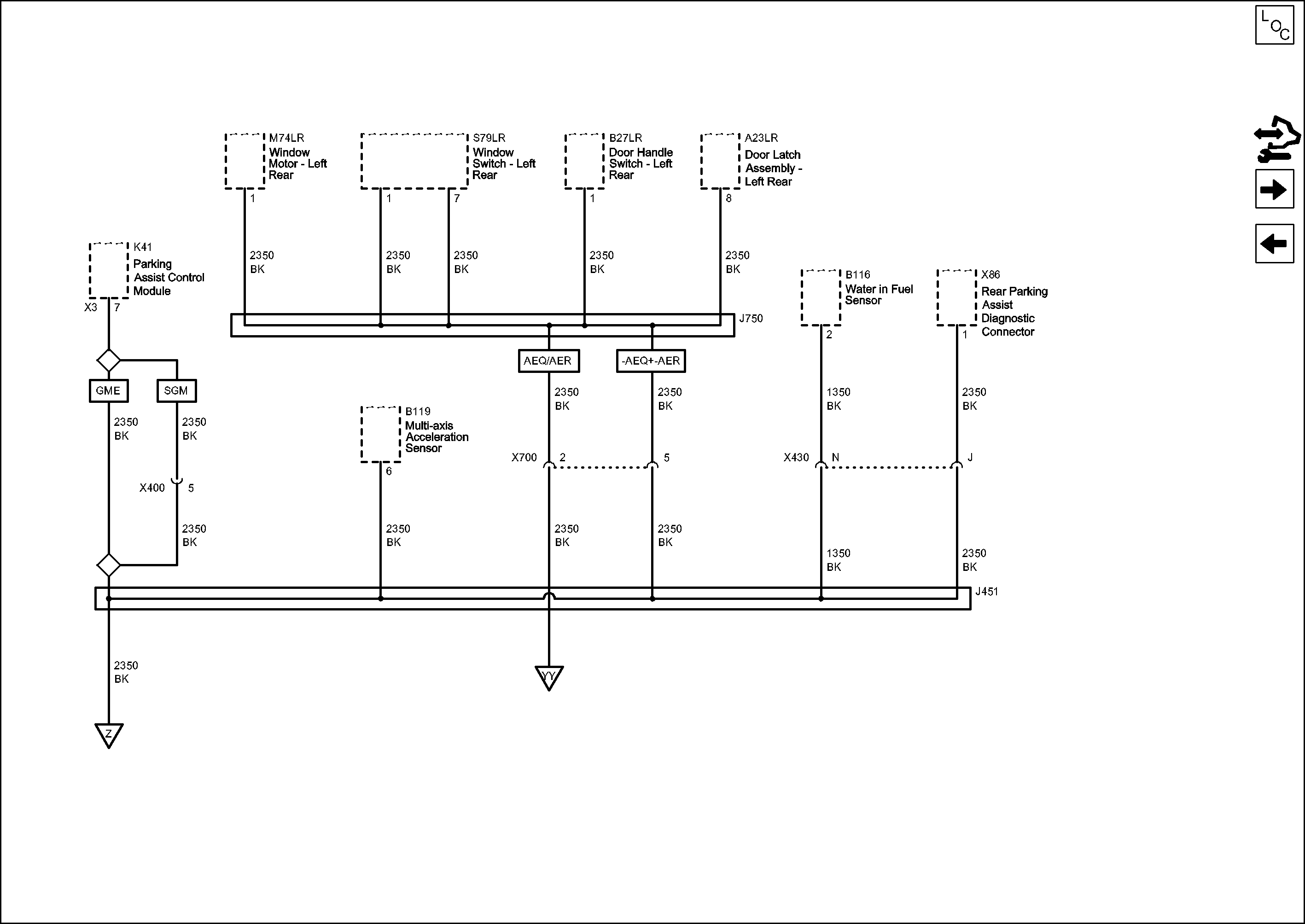
Figure 25:

G406


Object Number: 2180143  Size: FS