GM Service Manual Online
For 1990-2009 cars only
Makes
🢒
Buick
🢒
2009
🢒
Regal
🢒
Body Systems
🢒
Vehicle Access
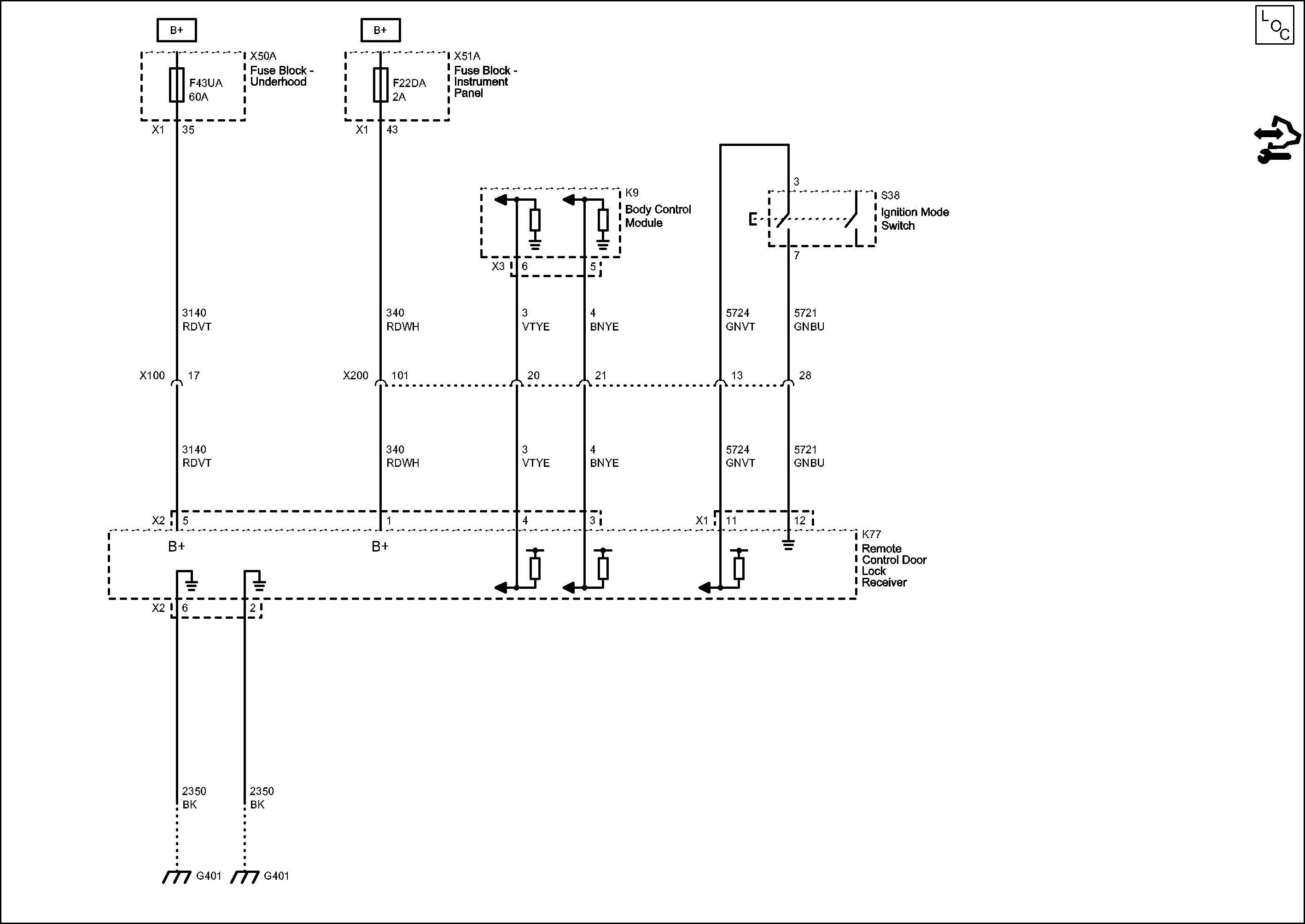
🢒 Door Control Module Schematics
Power, Ground and Serial Data