GM Service Manual Online
For 1990-2009 cars only
Makes
🢒
Buick
🢒
2009
🢒
Regal
🢒
Driver Information and Entertainment
🢒
Displays and Gages
🢒 Driver Information System Schematics
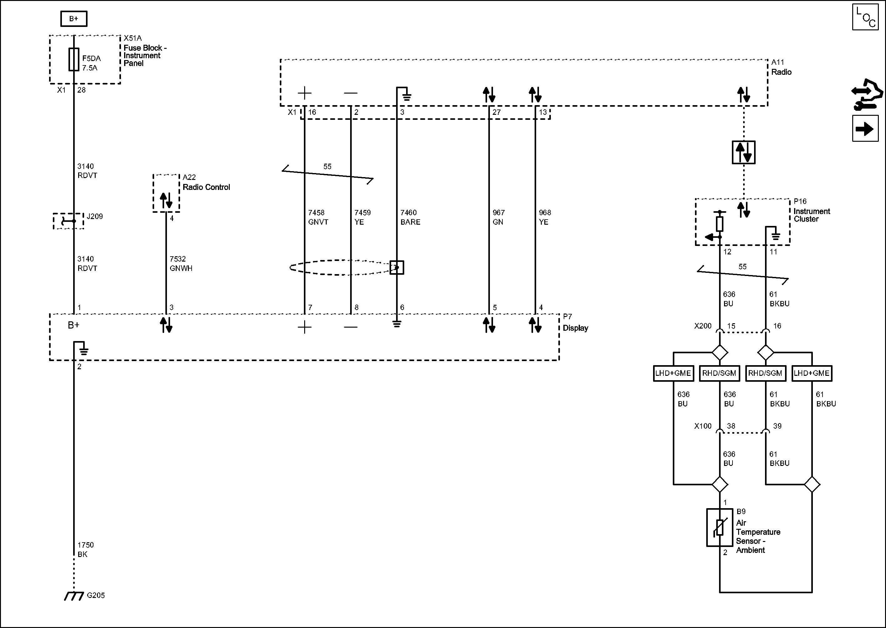
Figure
1:
Display Infotainment (TID_GID)
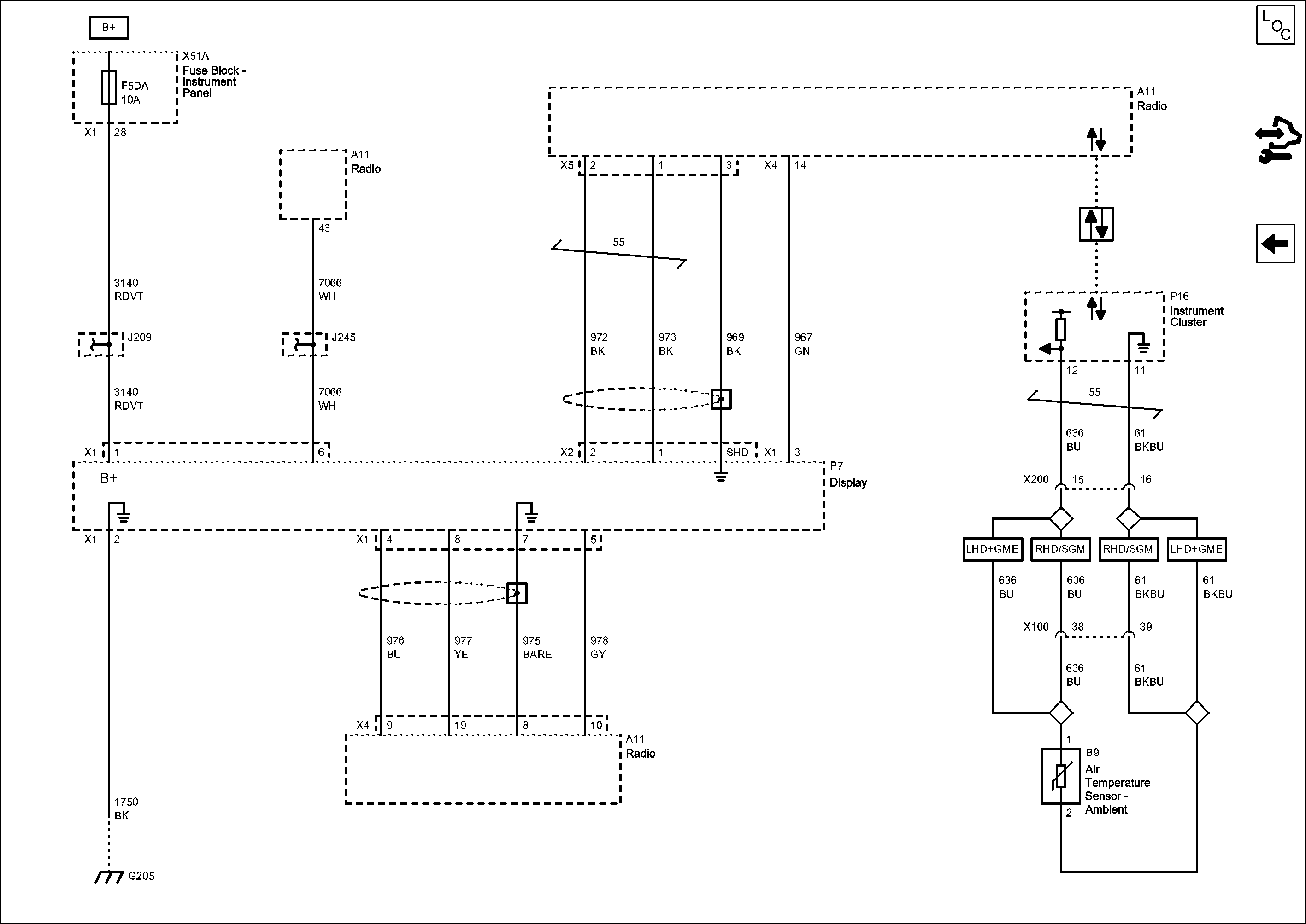
Figure
2:
Display Infotainment (CID)