GM Service Manual Online
For 1990-2009 cars only
Figure 1:

Power, Ground and Serial Data


Object Number: 2179878  Size: FS
Figure 2:

Wheel Speed Sensors


Object Number: 2179881  Size: FS
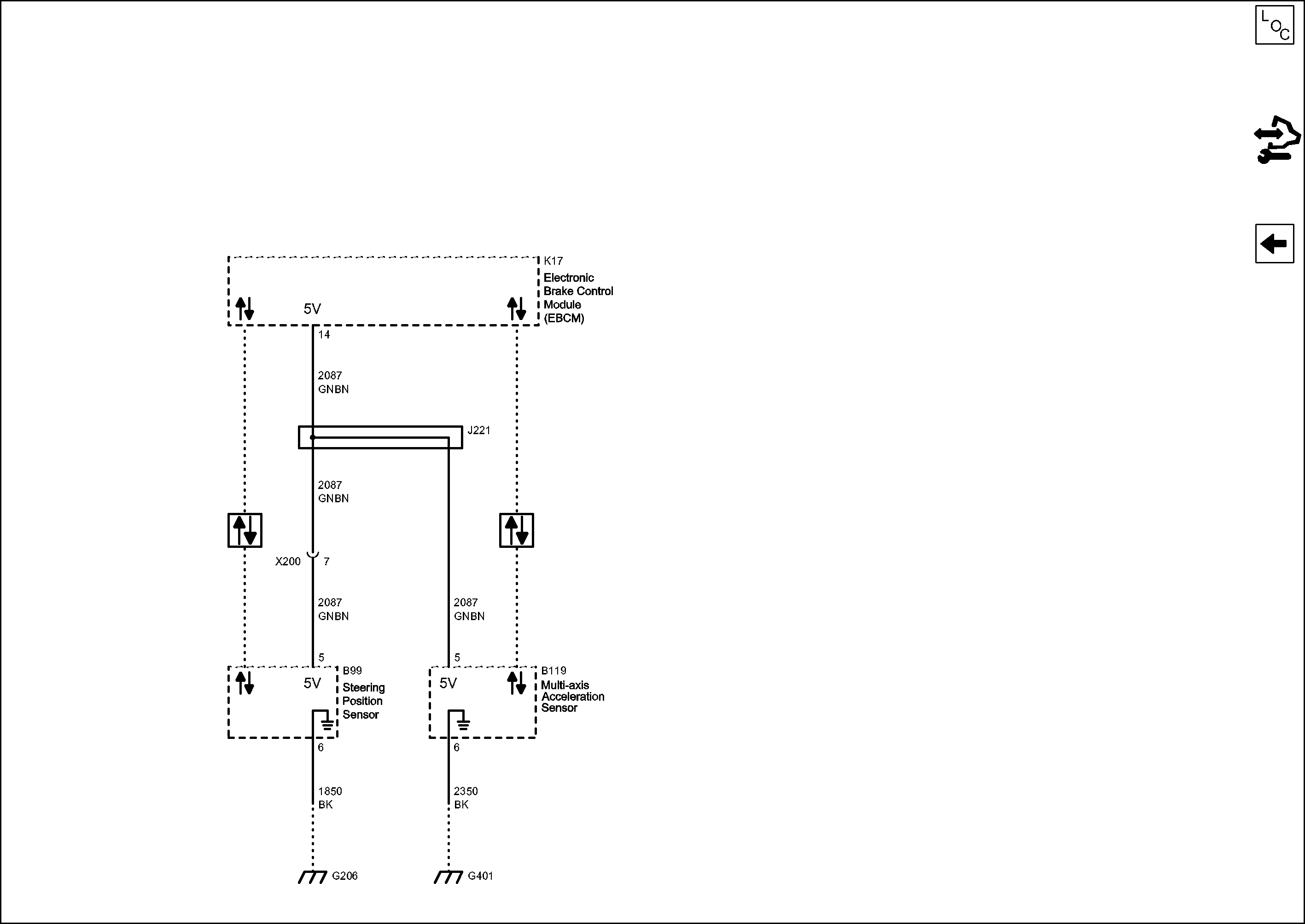
Figure 3:

Steering Angle and Rotation Rate Sensor


Object Number: 2179883  Size: FS