GM Service Manual Online
For 1990-2009 cars only
Figure 1:

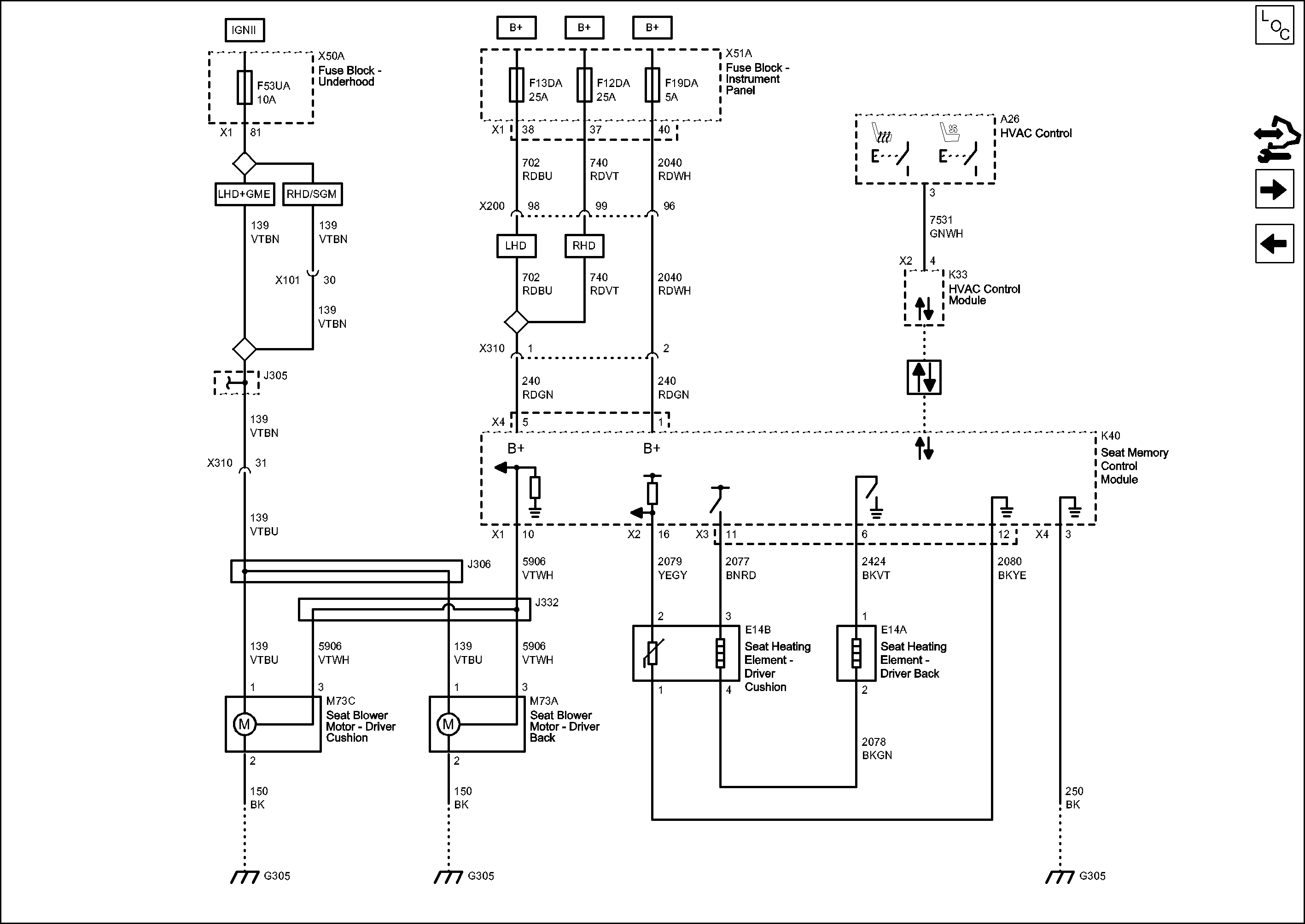
Heated/Cooled Seat - Driver (-A45)


Object Number: 2180170  Size: FS
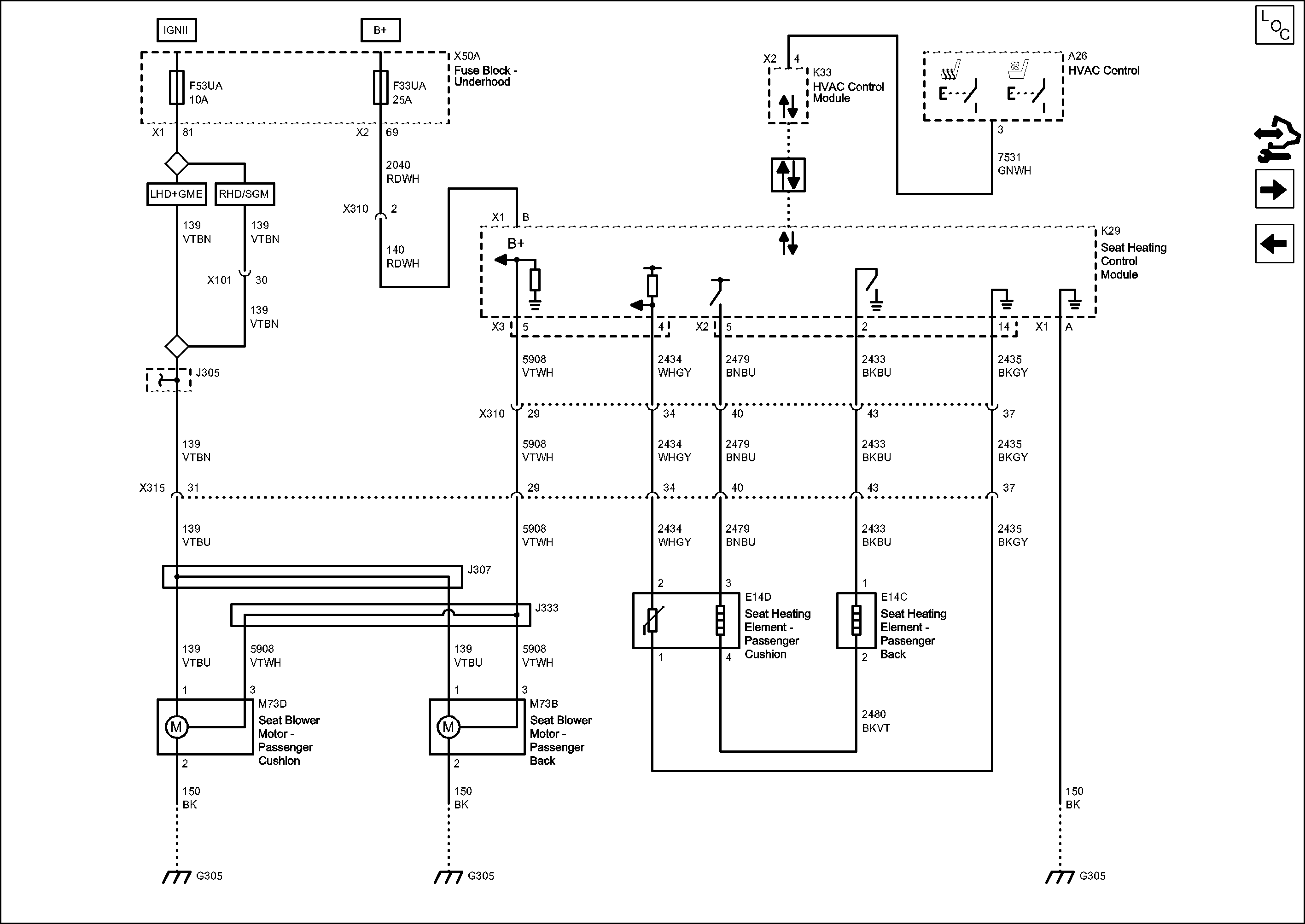
Figure 2:

Heated/Cooled Seat - Passenger (-A45)


Object Number: 2180172  Size: FS
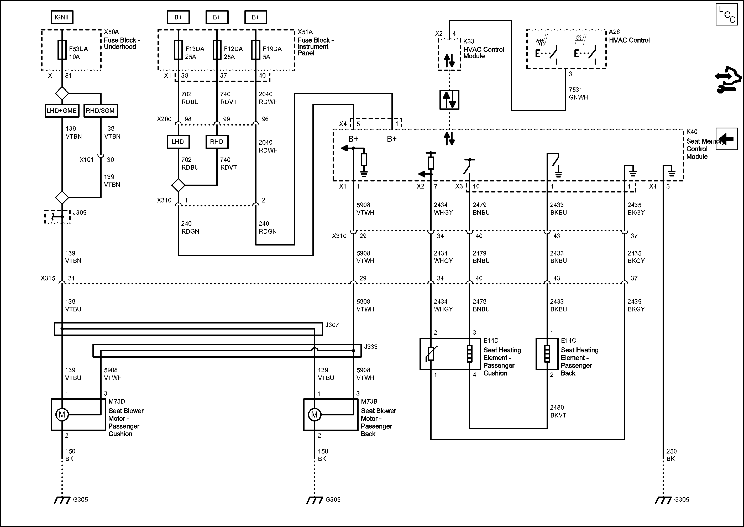
Figure 3:

Heated/Cooled Seat - Driver (A45)


Object Number: 2180173  Size: FS
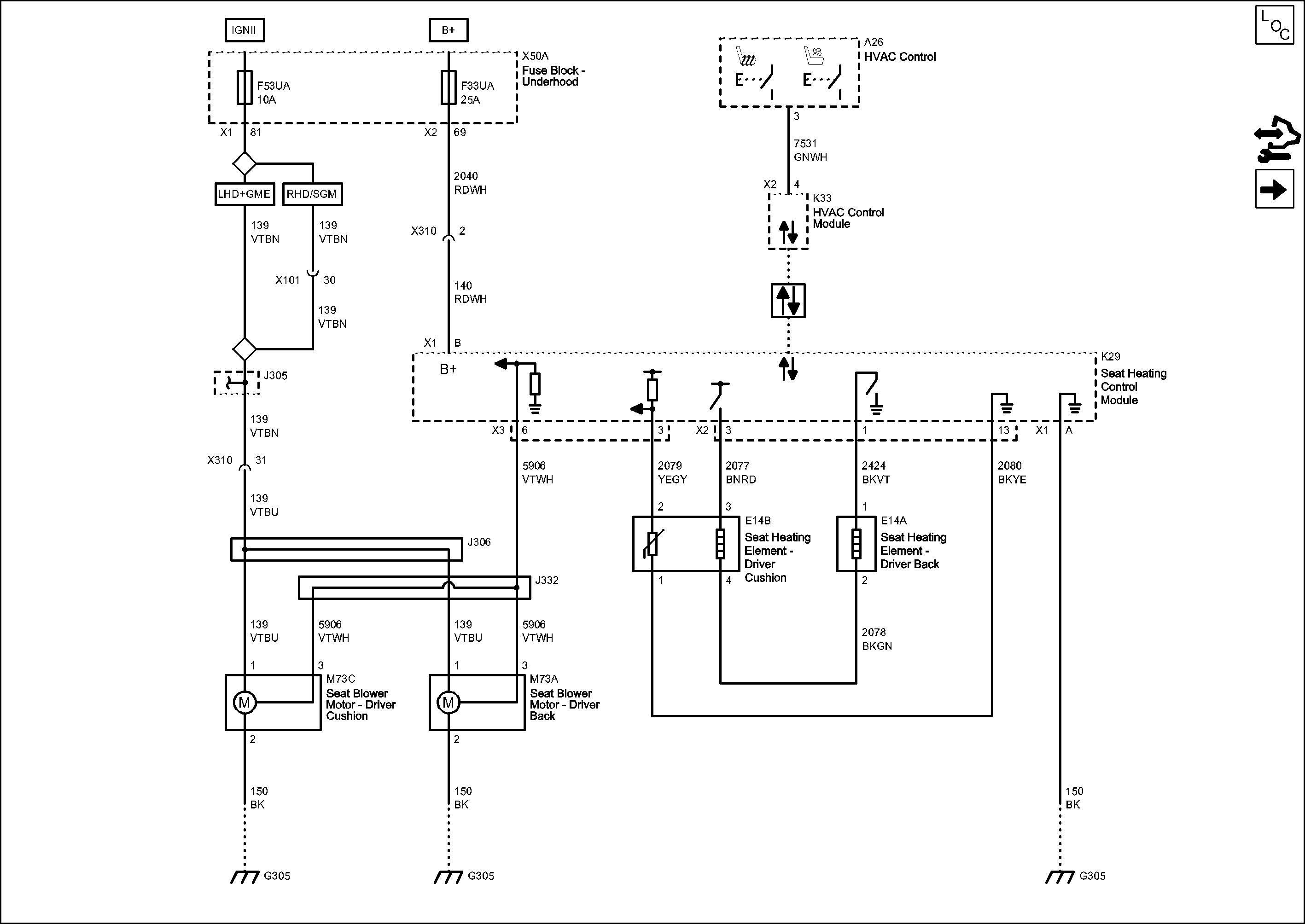
Figure 4:

Heated/Cooled Seat - Passenger (A45)


Object Number: 2180174  Size: FS