GM Service Manual Online
For 1990-2009 cars only
Makes
🢒
Buick
🢒
2000
🢒
Regal (China)
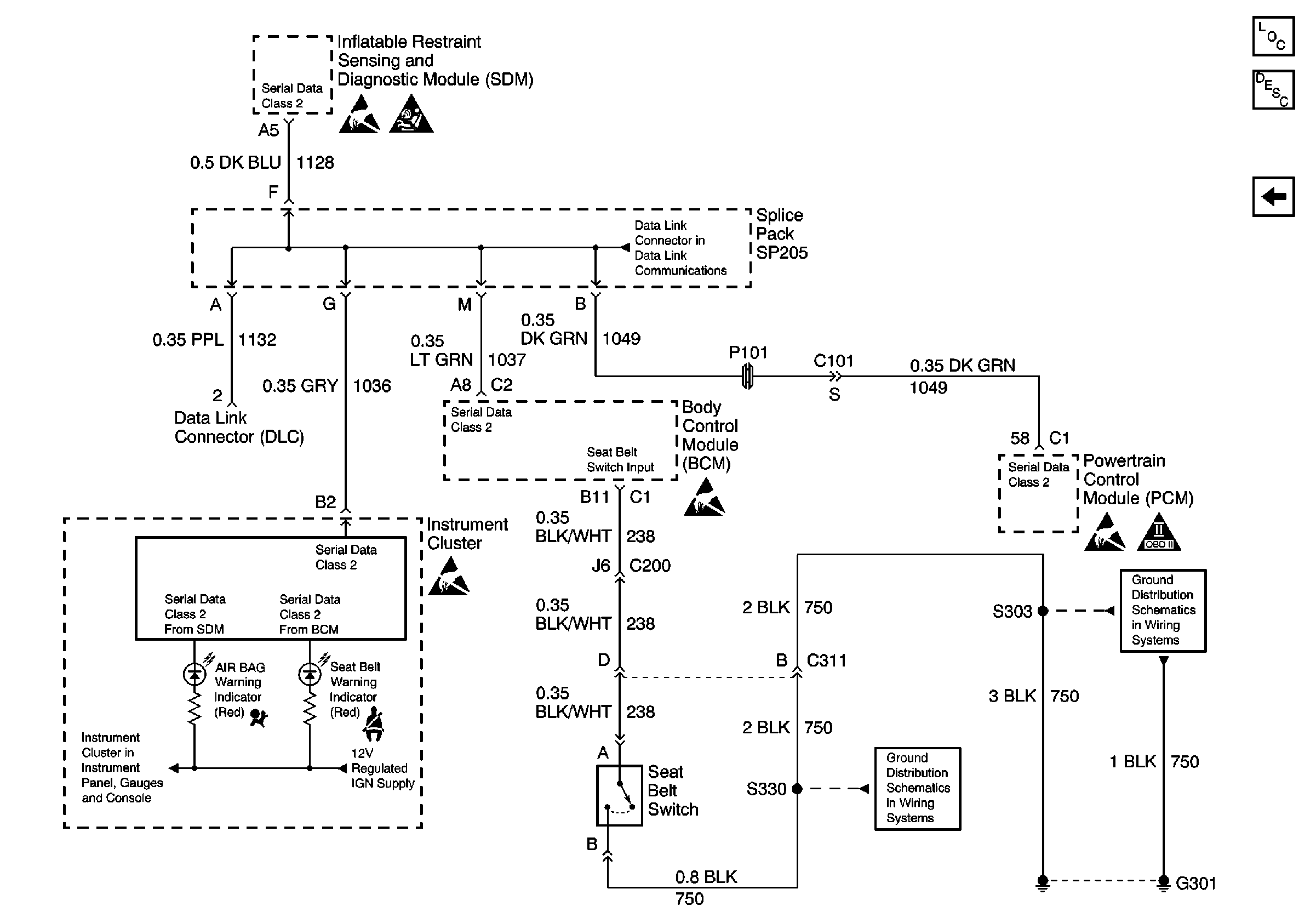
🢒 SIR Schematic (2000 Buick 2 of 2)
SIR Schematic (2000 Buick 2 of 2)
SIR Components
SIR System Component Description and Definitions
SIR Schematic (2000 Buick 1 of 2)
Handling ESD Sensitive Parts Notice
SIR Handling Caution
Handling ESD Sensitive Parts Notice
Handling ESD Sensitive Parts Notice
Handling ESD Sensitive Parts Notice
OBD II Symbol Description Notice