GM Service Manual Online
For 1990-2009 cars only
Makes
🢒
Buick
🢒
2001
🢒
Regal (China)
🢒
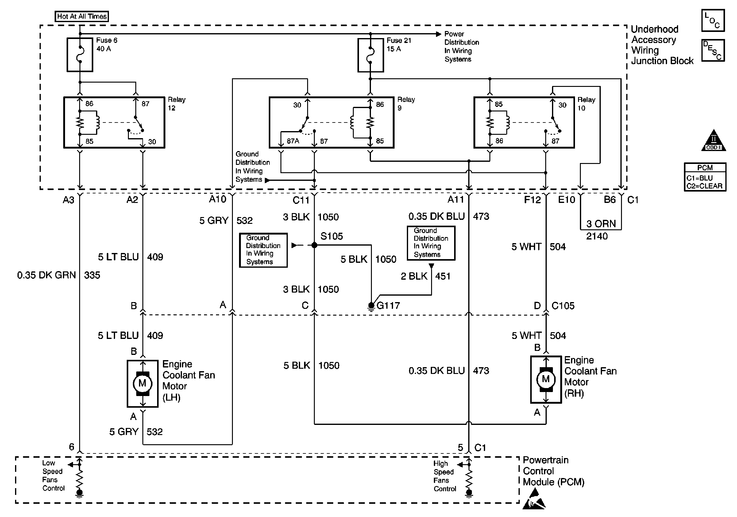
Engine
🢒
Engine Cooling
🢒 Engine Cooling Schematics
Cooling Fans