GM Service Manual Online
For 1990-2009 cars only
Figure 1:

G101


Object Number: 457500  Size: FS
Figure 2:

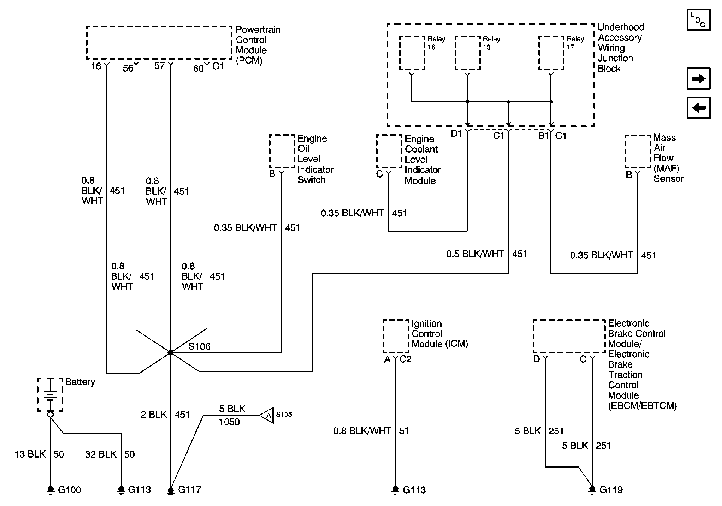
G100, G117 and G119


Object Number: 457511  Size: FS
Figure 3:

G117


Object Number: 458044  Size: FS
Figure 4:

G200 (1 of 2)


Object Number: 734739  Size: FS
Figure 5:

G200 (2 of 2)


Object Number: 734740  Size: FS
Figure 6:

G201


Object Number: 458055  Size: FS
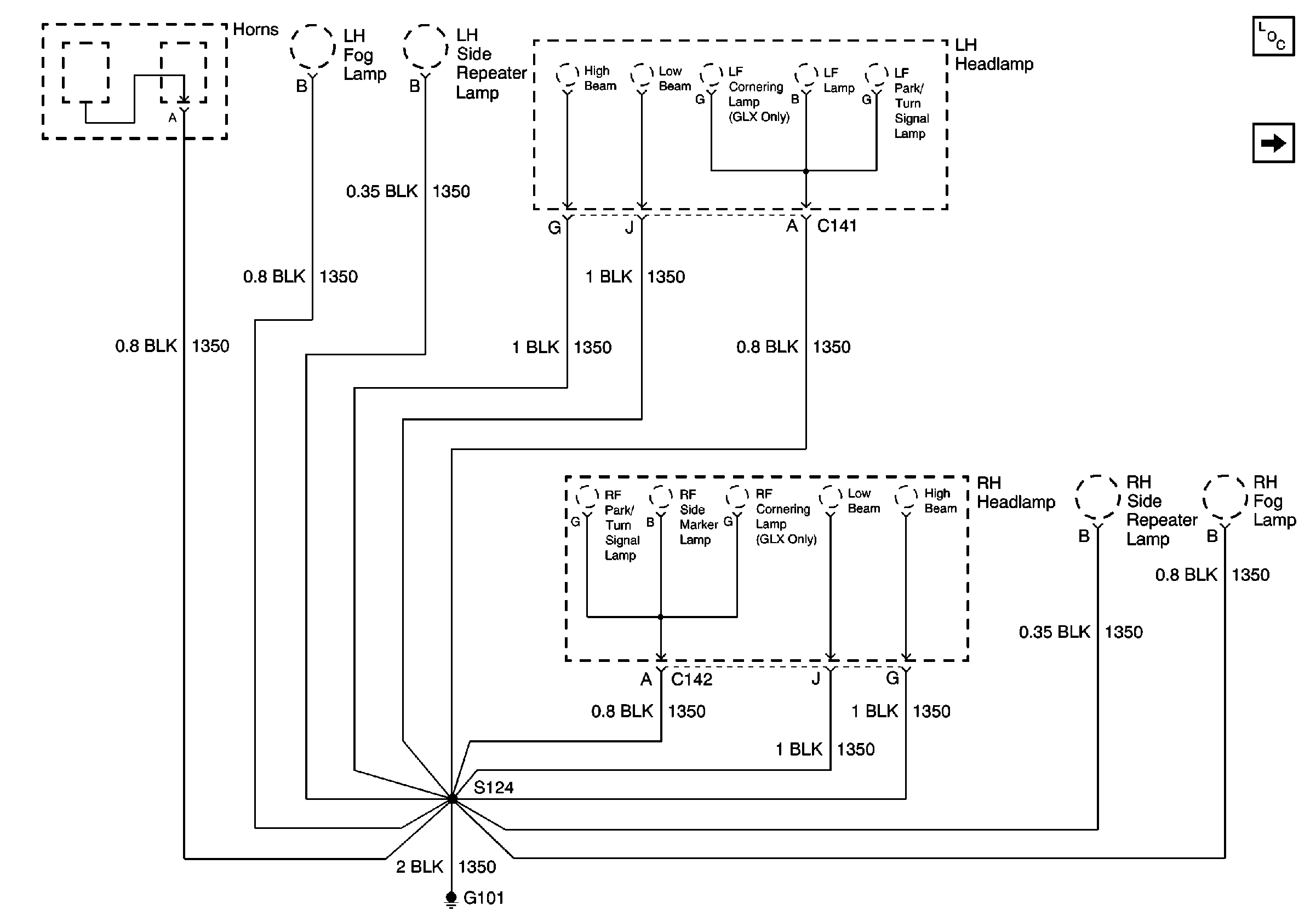
Figure 7:

G203


Object Number: 458059  Size: FS
Figure 8:

G301 (1 of 3)


Object Number: 458065  Size: FS
Figure 9:

G301 (2 of 3)


Object Number: 458067  Size: FS
Figure 10:

G301 (3 of 3)


Object Number: 458071  Size: FS
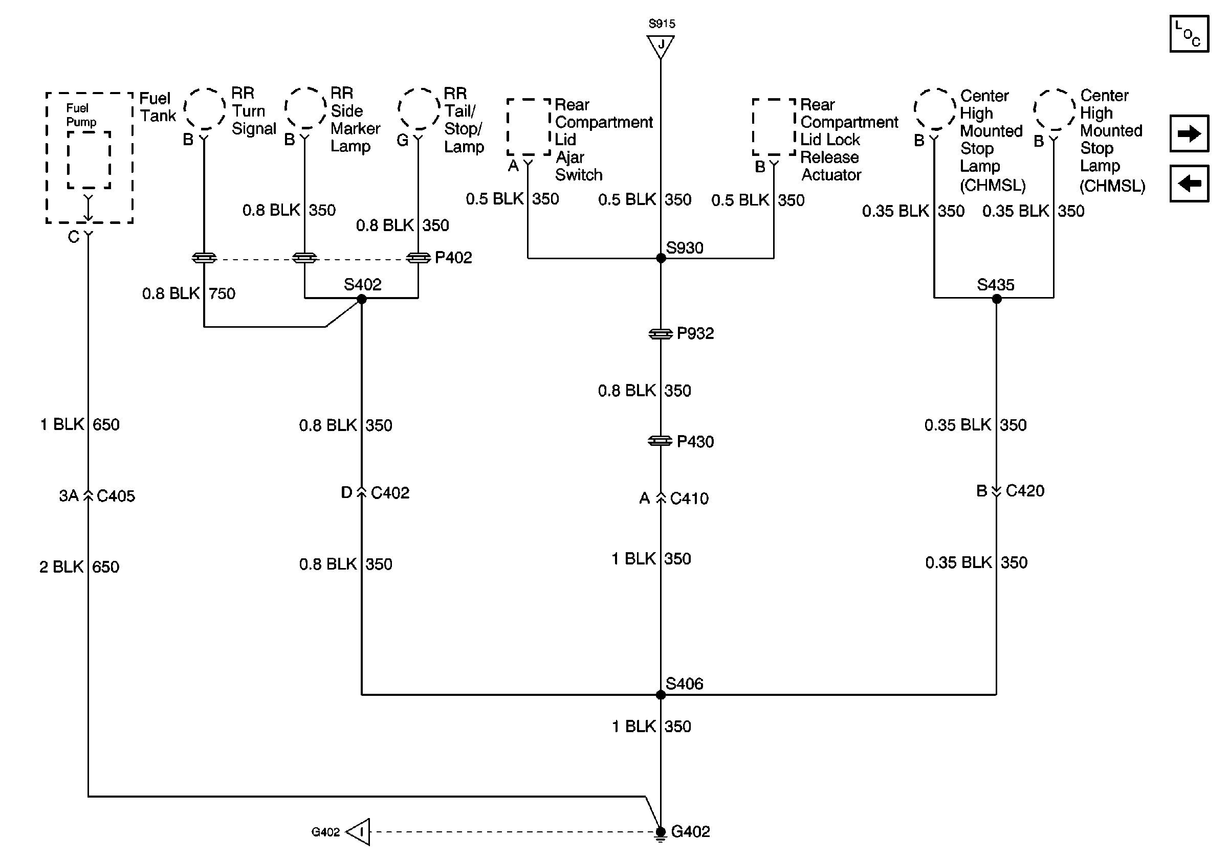
Figure 11:

G401 and G402


Object Number: 458073  Size: FS
Figure 12:

G402 (1 of 2)


Object Number: 458079  Size: FS
Figure 13:

G402 (2 of 2)


Object Number: 458082  Size: FS