GM Service Manual Online
For 1990-2009 cars only
Figure 1:

Power and Ground


Object Number: 483529  Size: FS
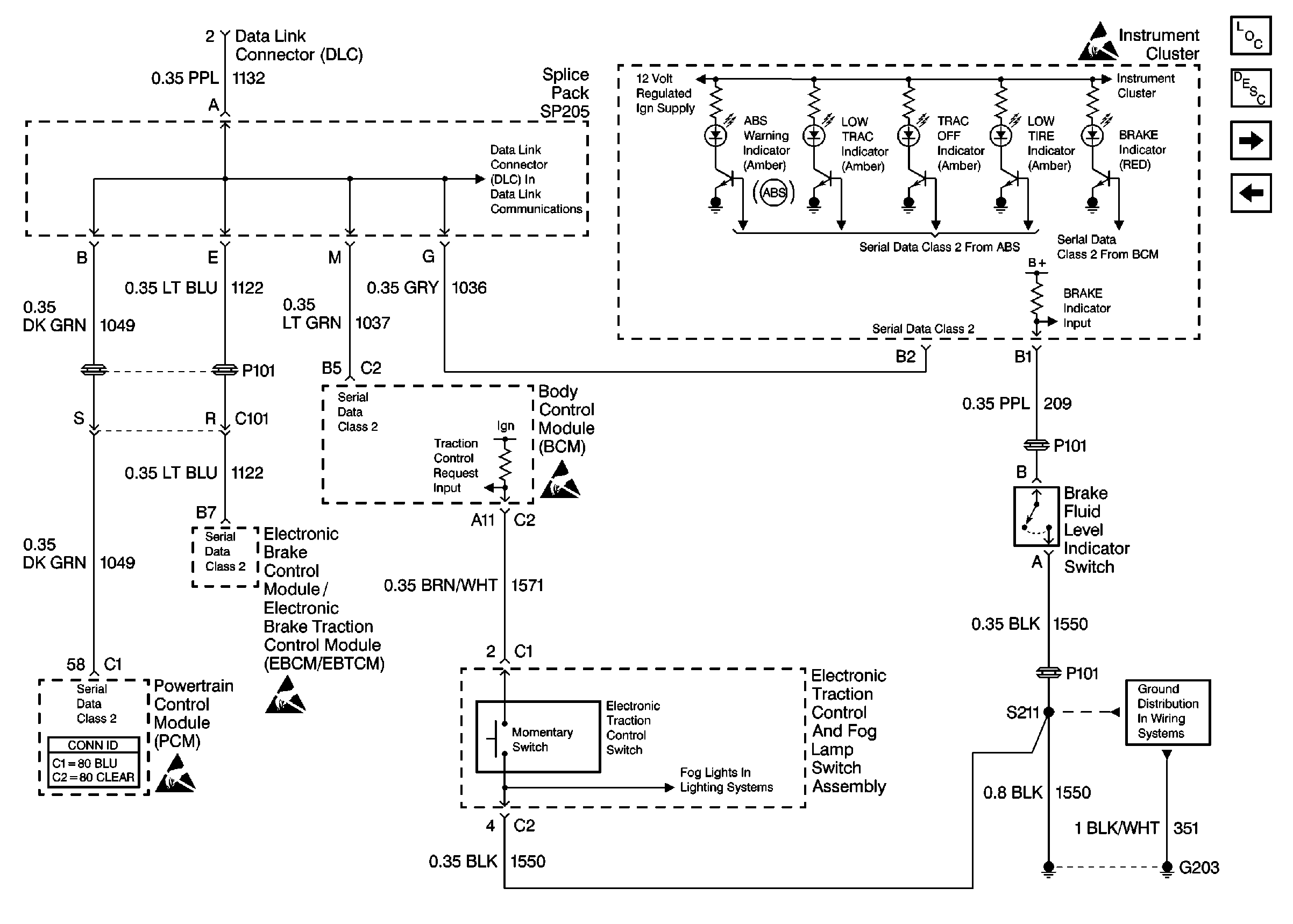
Figure 2:

Serial Data and IP


Object Number: 483532  Size: FS
Figure 3:

Stop Lamp Switch and PCM


Object Number: 483533  Size: FS
Figure 4:

Speed Sensors and EBCM


Object Number: 483535  Size: FS