GM Service Manual Online
For 1990-2009 cars only
Makes
🢒
Buick
🢒
2001
🢒
Regal (China)
🢒
Transmission/Transaxle
🢒
Automatic Transaxle - 4T65-E
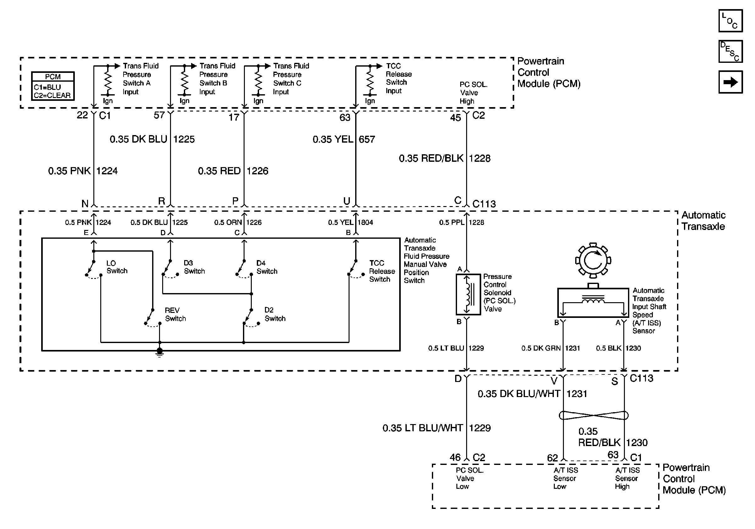
🢒 Automatic Transmission Controls Schematics
Figure
1:
PCM and Auto Transaxle
Figure
2:
Stop Lamp Switch, PCM,A/T
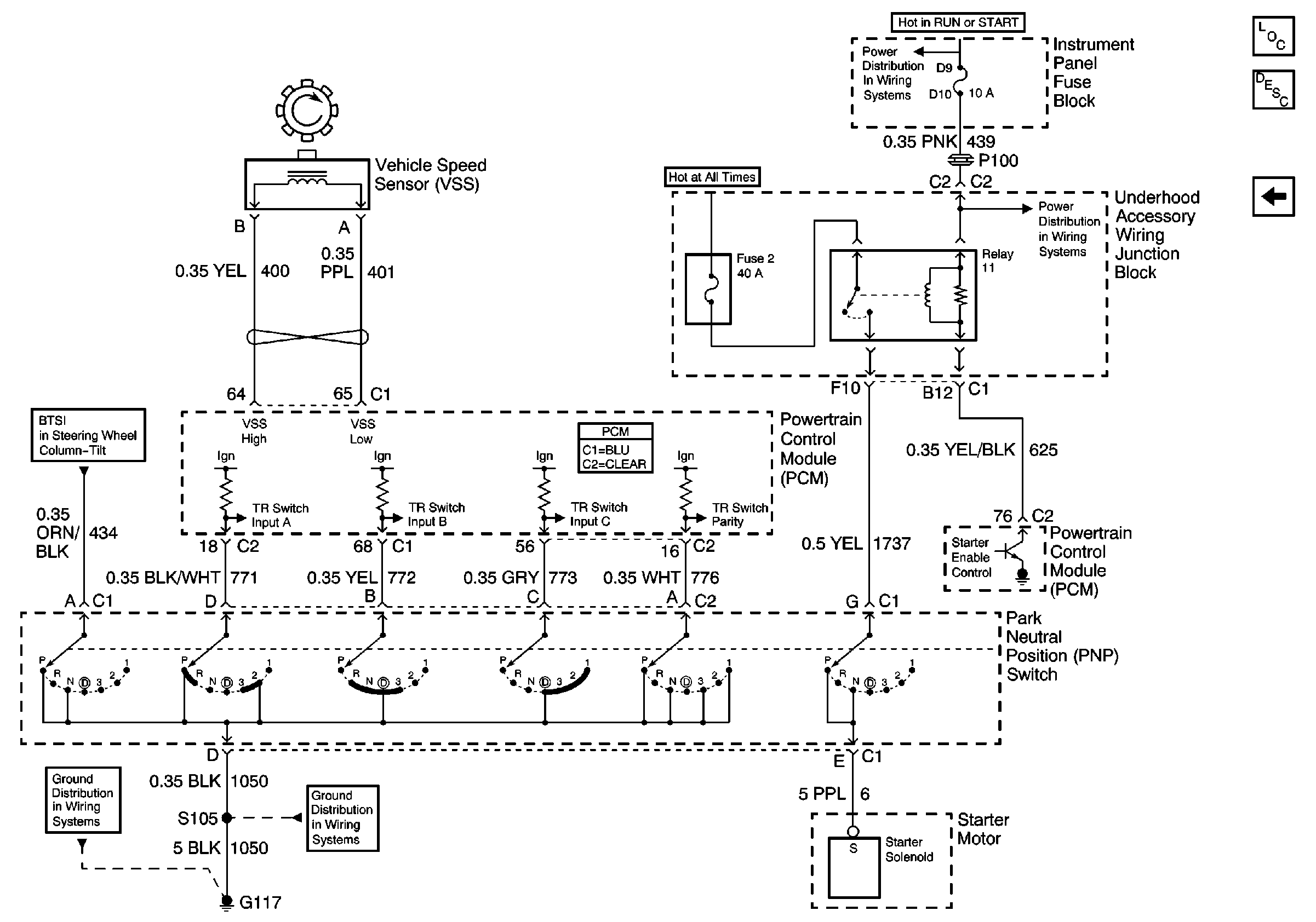
Figure
3:
VSS,PNP, and Starter