GM Service Manual Online
For 1990-2009 cars only
Figure 1:

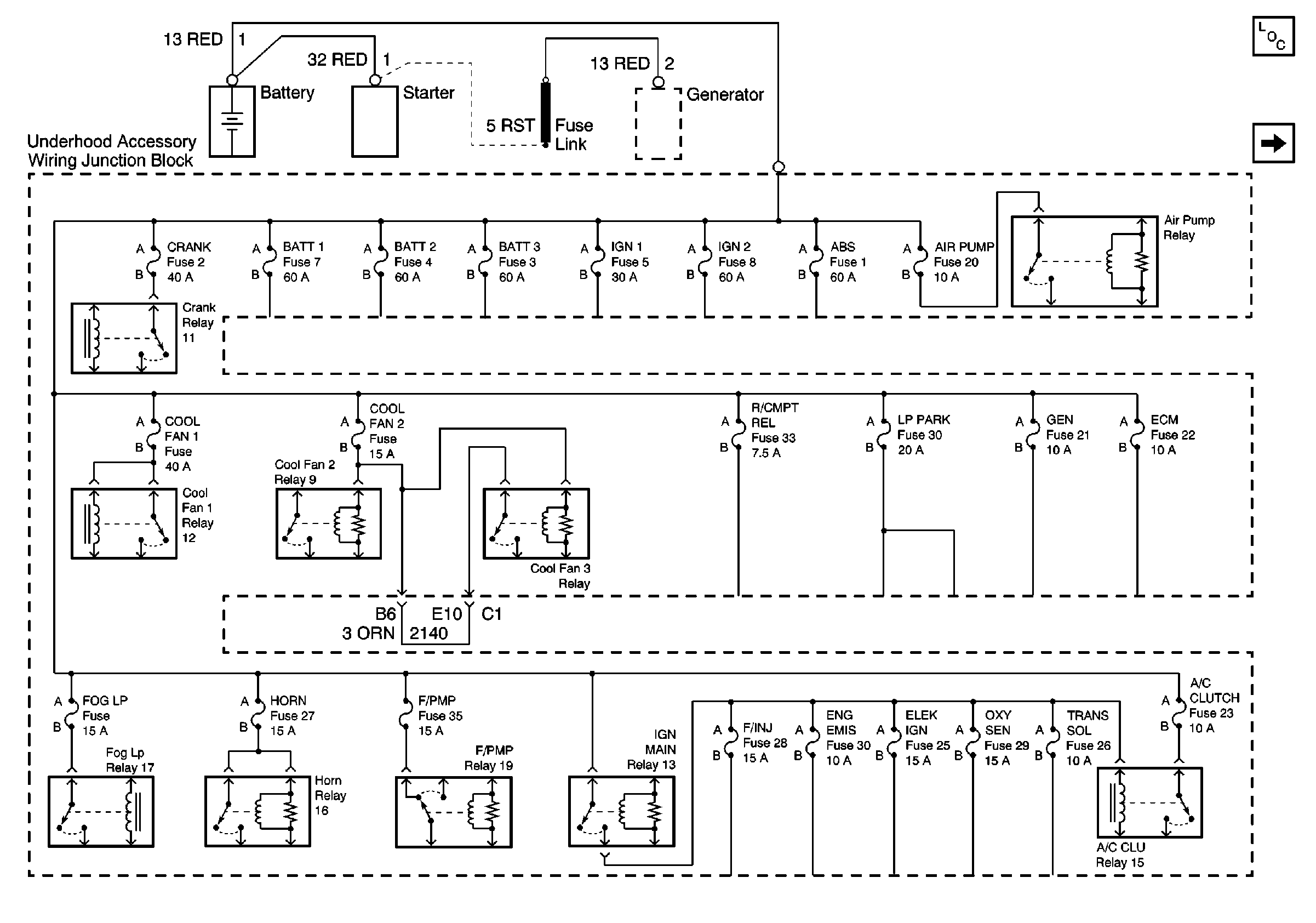
Power Bussing


Object Number: 730171  Size: FS
Figure 2:

Batt 1


Object Number: 730172  Size: FS
Figure 3:

Batt 2


Object Number: 730173  Size: FS
Figure 4:

Batt 3


Object Number: 730174  Size: FS
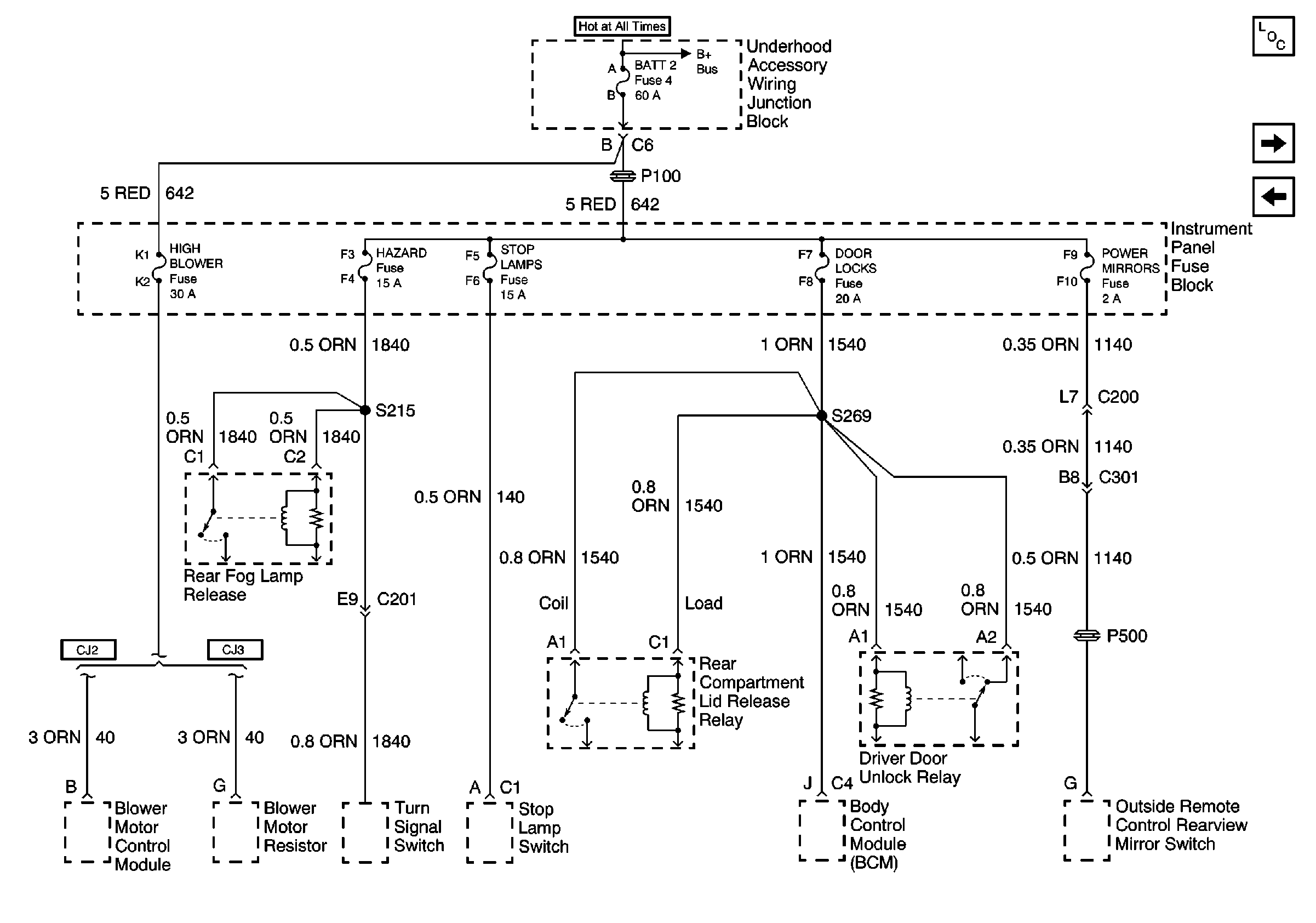
Figure 5:

Ignition 1


Object Number: 730175  Size: FS
Figure 6:

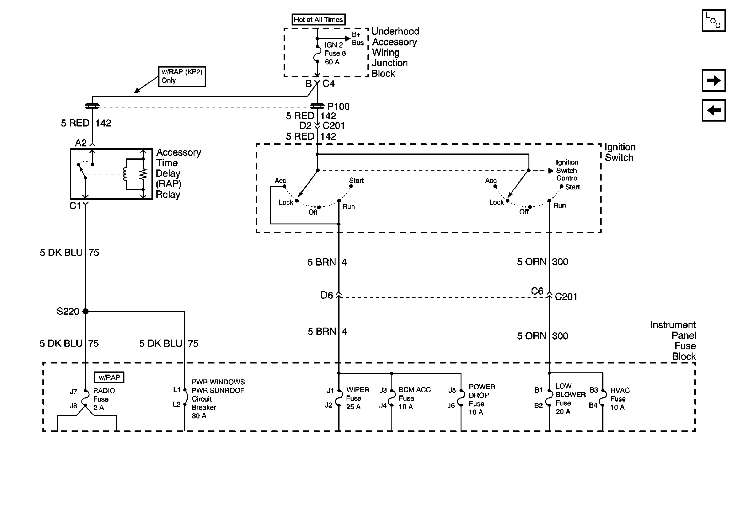
Ignition 2


Object Number: 730176  Size: FS
Figure 7:

Fuel Injectors


Object Number: 730177  Size: FS
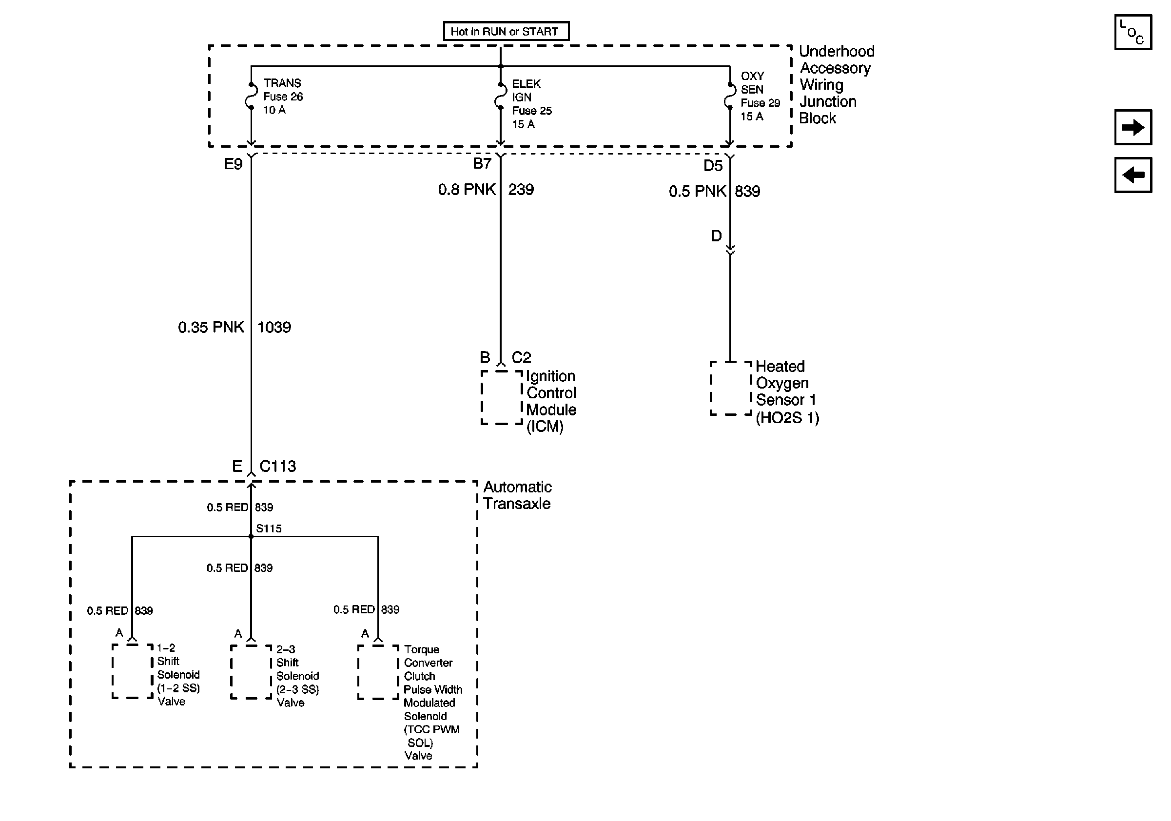
Figure 8:

ATX,ICM,O2


Object Number: 730178  Size: FS
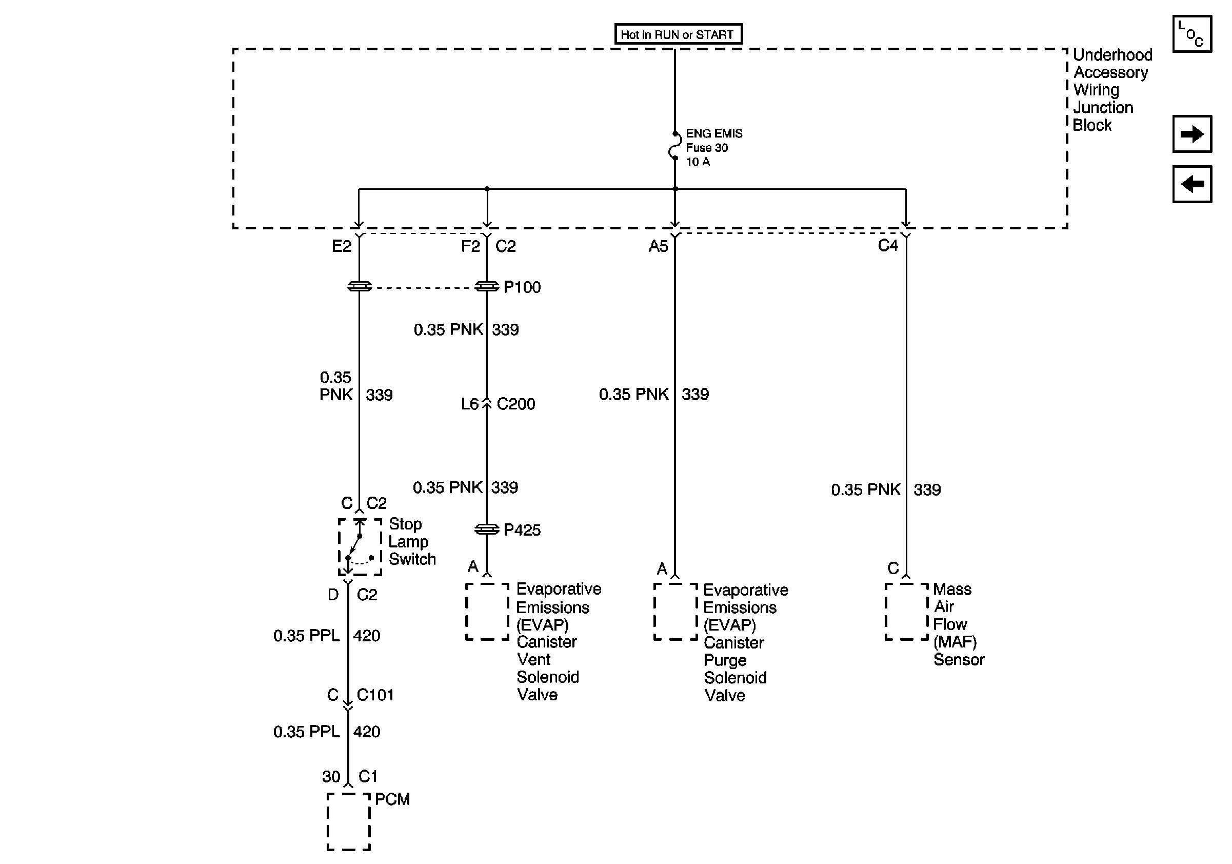
Figure 9:

Stop,EVAP,MAF


Object Number: 730184  Size: FS
Figure 10:

Head Lamps,GEN


Object Number: 730185  Size: FS
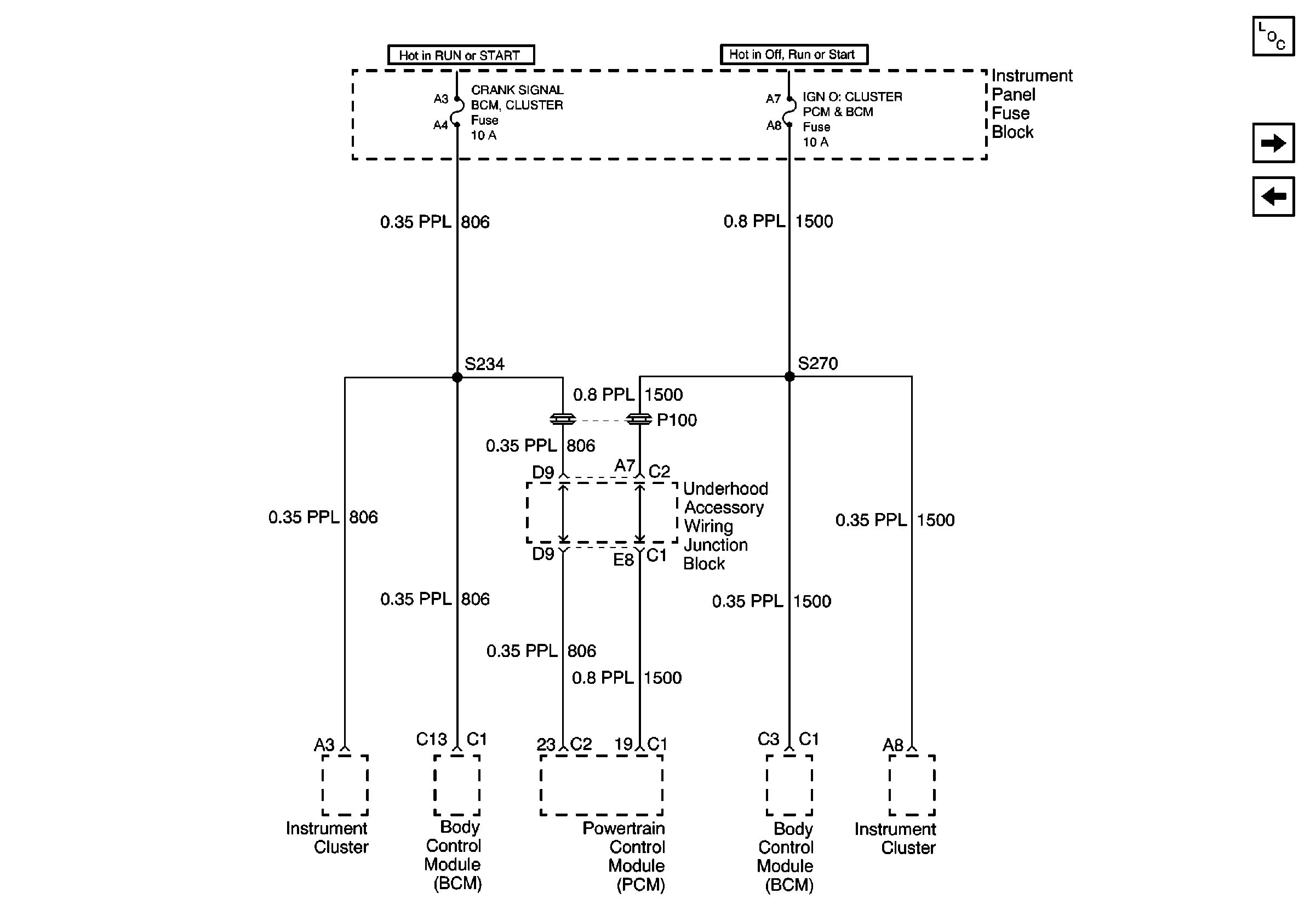
Figure 11:

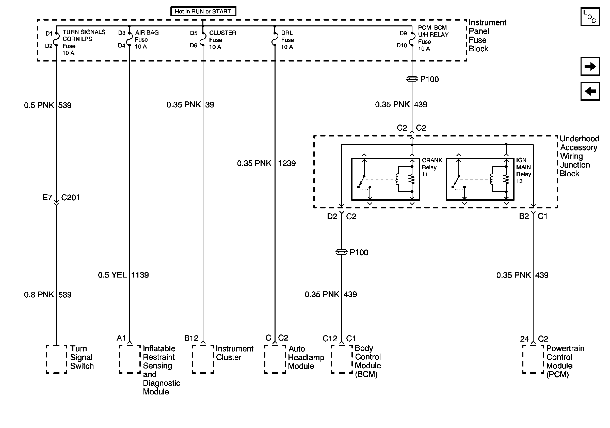
PCM,BCM,Cluster,Turn,SDM


Object Number: 730186  Size: FS
Figure 12:

Cluster,BCM,PCM,BTSI


Object Number: 730293  Size: FS
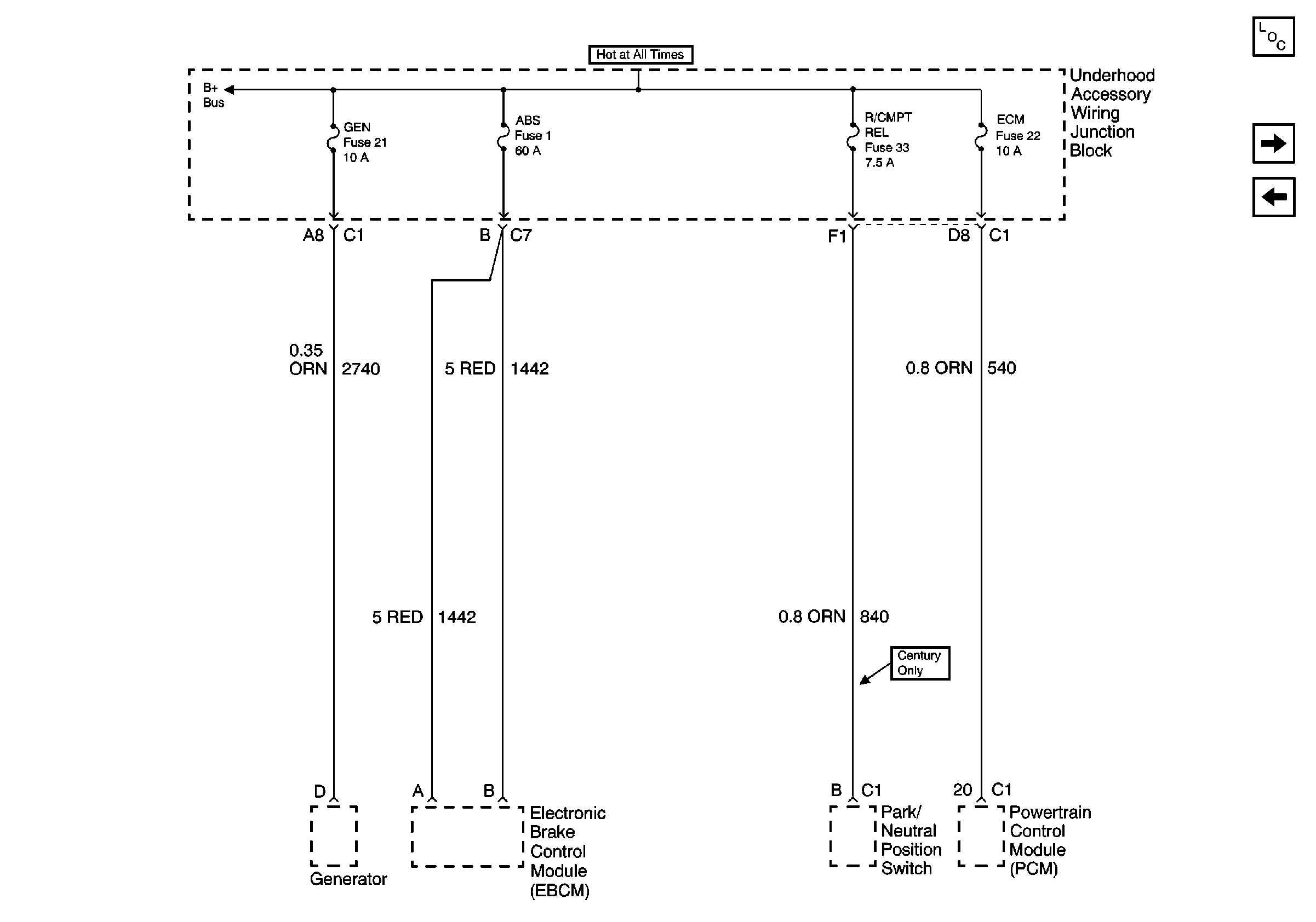
Figure 13:

ABS,BTSI


Object Number: 730188  Size: FS
Figure 14:

Lighting,Seat


Object Number: 730190  Size: FS
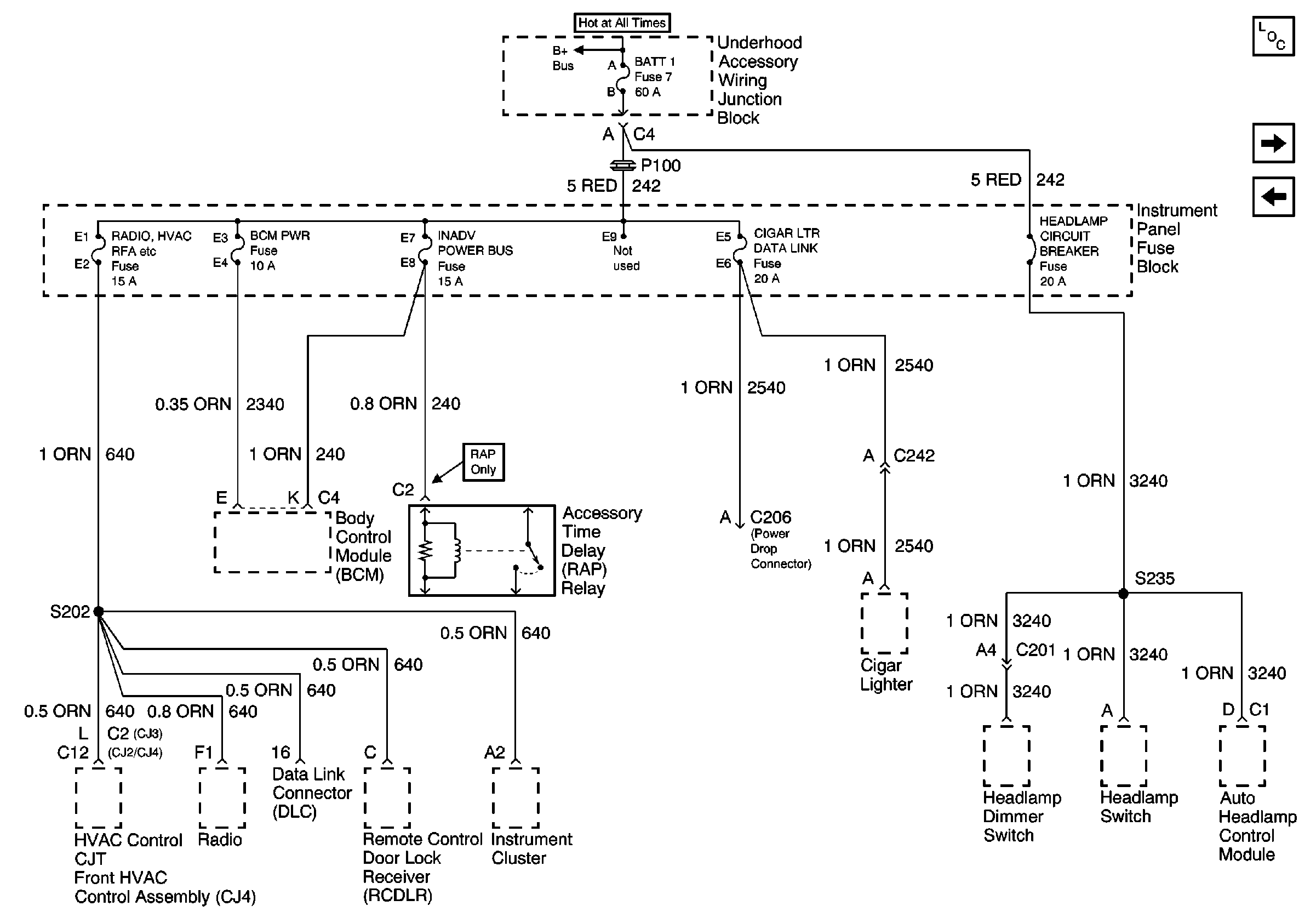
Figure 15:

Lighting


Object Number: 730193  Size: FS
Figure 16:

BCM,Power Drop,S/wheel Controls


Object Number: 730299  Size: FS
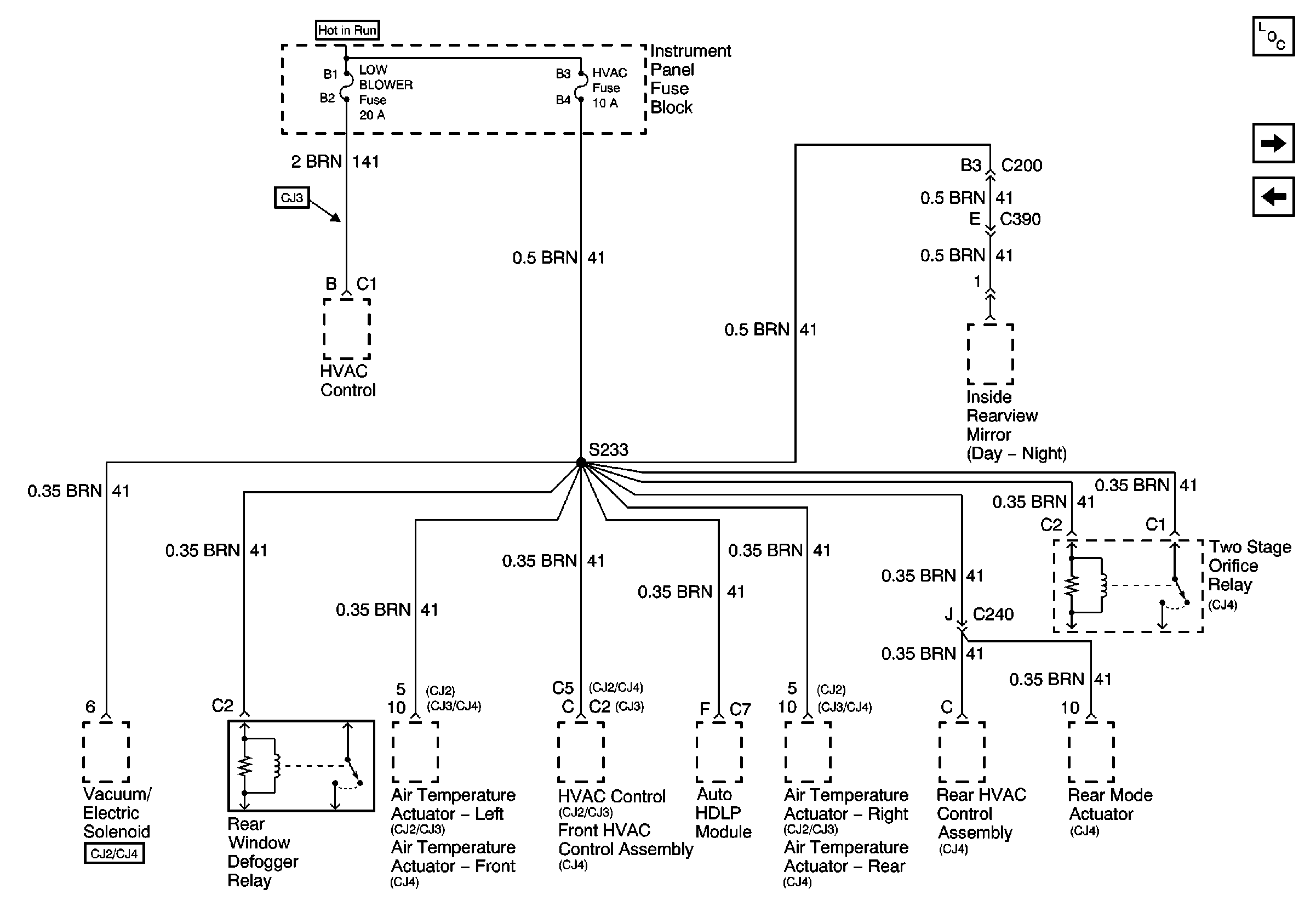
Figure 17:

Blower, Cruse, HVAC


Object Number: 730197  Size: FS