GM Service Manual Online
For 1990-2009 cars only
Figure 1:

Behind the Front Fascia


Object Number: 491691  Size: LF
(1)Foward Lamp Wiring Harness
(2)Ambient Outside Air Temperature Sensor
Figure 2:

Behind Right Side of Instrument Panel


Object Number: 490907  Size: LF
(1)Vacuum/ Electric Solenoid
(2)Accessory Time Delay (RAP) Relay, Rear Window Defogger Relay, Rear Compartment Lid Release Relay and Driver Unlock Relay
Figure 3:

Lower Right of Engine


Object Number: 491626  Size: LF
(1)Bank 1 Knock Sensor
(2)Engine Oil Pressure Indicator Switch
(3)C172 (Inline to RF Wheel Speed Sensor)
(4)A/C Compressor Clutch Coil
(5)Underhood Accessory Wiring Junctin Block, C3 (Forward Lamp Harness)
Figure 4:

Forward Left Side of Engine Compartment


Object Number: 592171  Size: LF
(1)Electronic Brake Control Module
(2)A/C Refrigerant Pressure Sensor
Figure 5:

Center of Instrument Panel


Object Number: 491694  Size: LF
(1)HVAC Control Connector
(2)HVAC Control Assembly
Figure 6:

Behind Right Side of Instrument Panel (RPO CJ2)


Object Number: 592182  Size: LF
(1)Electric Actuator, LH
(2)Vacuum Electric Solenoid
(3)Blower Motor
(4)Blower Motor Resistor
(5)Electric Actuator, RH
Figure 7:

Behind Left Side of Instrument Panel


Object Number: 491624  Size: LF
(1)Instrument Panel Wiring Harness
(2)Air Temperature Actuator-- Left Connector
(3)Air Temperature Actuator-- Left
Figure 8:

Behind Right Side of Instrument Panel


Object Number: 490905  Size: LF
(1)Two Stage Orifice Relay
(2)P101
(3)Fuse Block
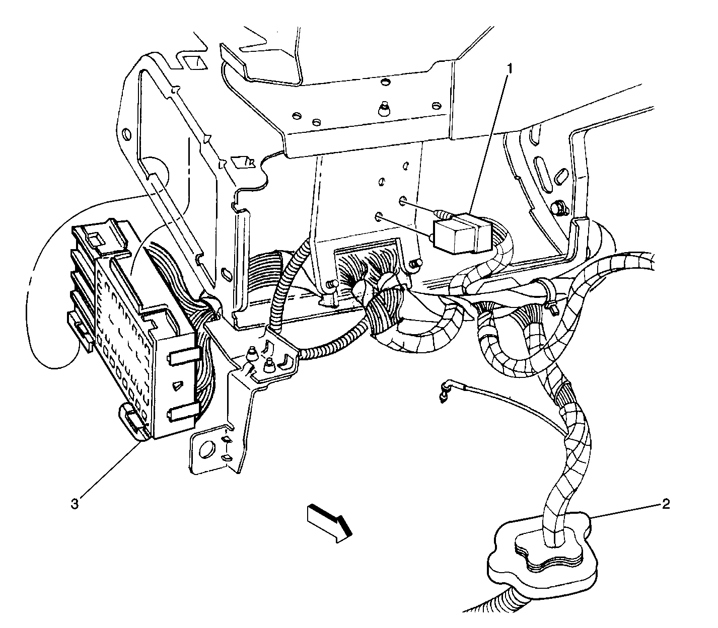
Figure 9:

Behined Center of Instrument Panel (CJ2 Only)


Object Number: 592178  Size: LF
(1)Inside Air Temperature Sensor
(2)Inside Air Temperature Sensor Pigtail