GM Service Manual Online
For 1990-2009 cars only
Figure 1:

Blower


Object Number: 590729  Size: FS
Figure 2:

Compresser Controls


Object Number: 590732  Size: FS
Figure 3:

Air Delivery/Temperature Control


Object Number: 590734  Size: FS
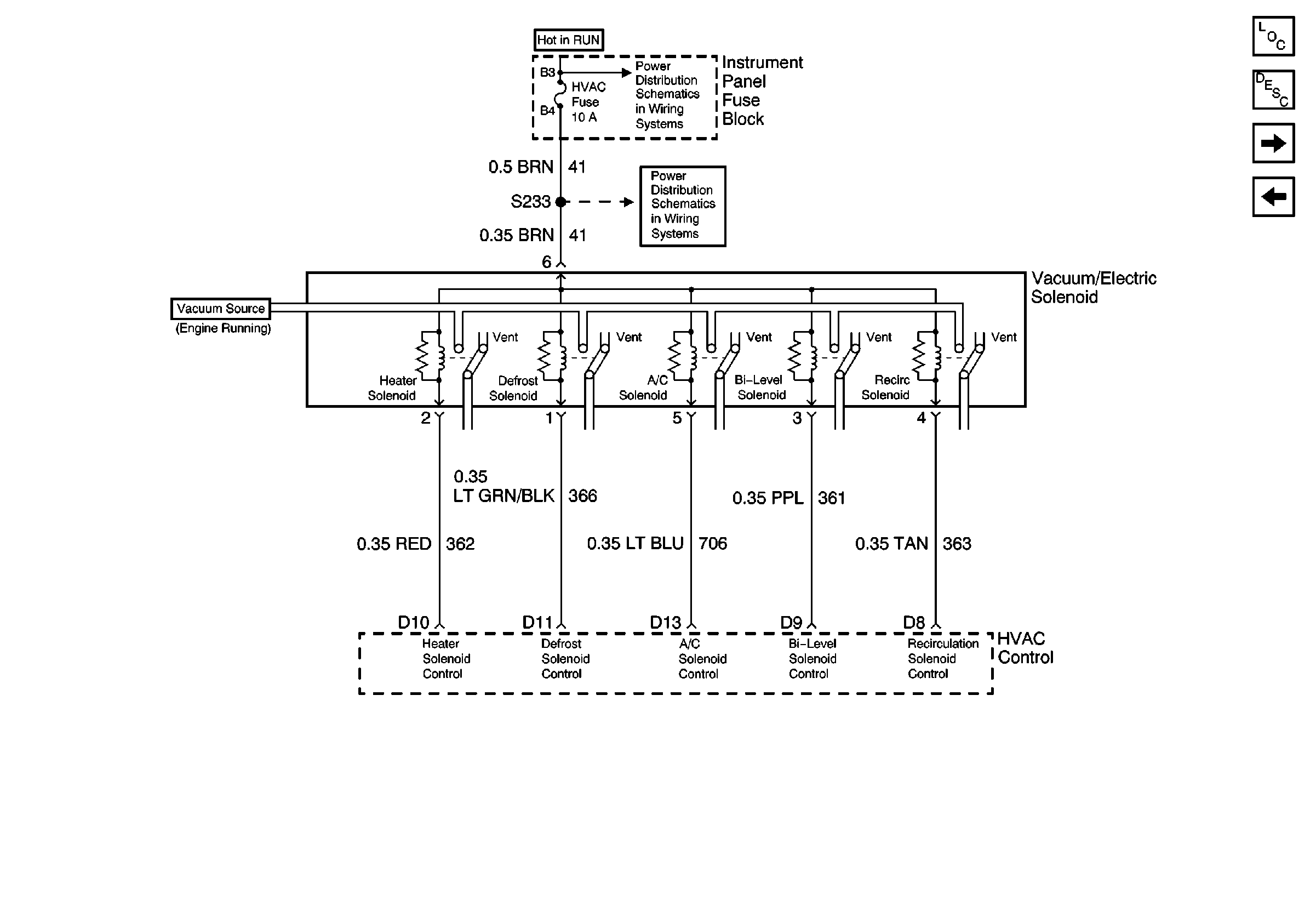
Figure 4:

Air Delivery/Temperature Control


Object Number: 590737  Size: FS
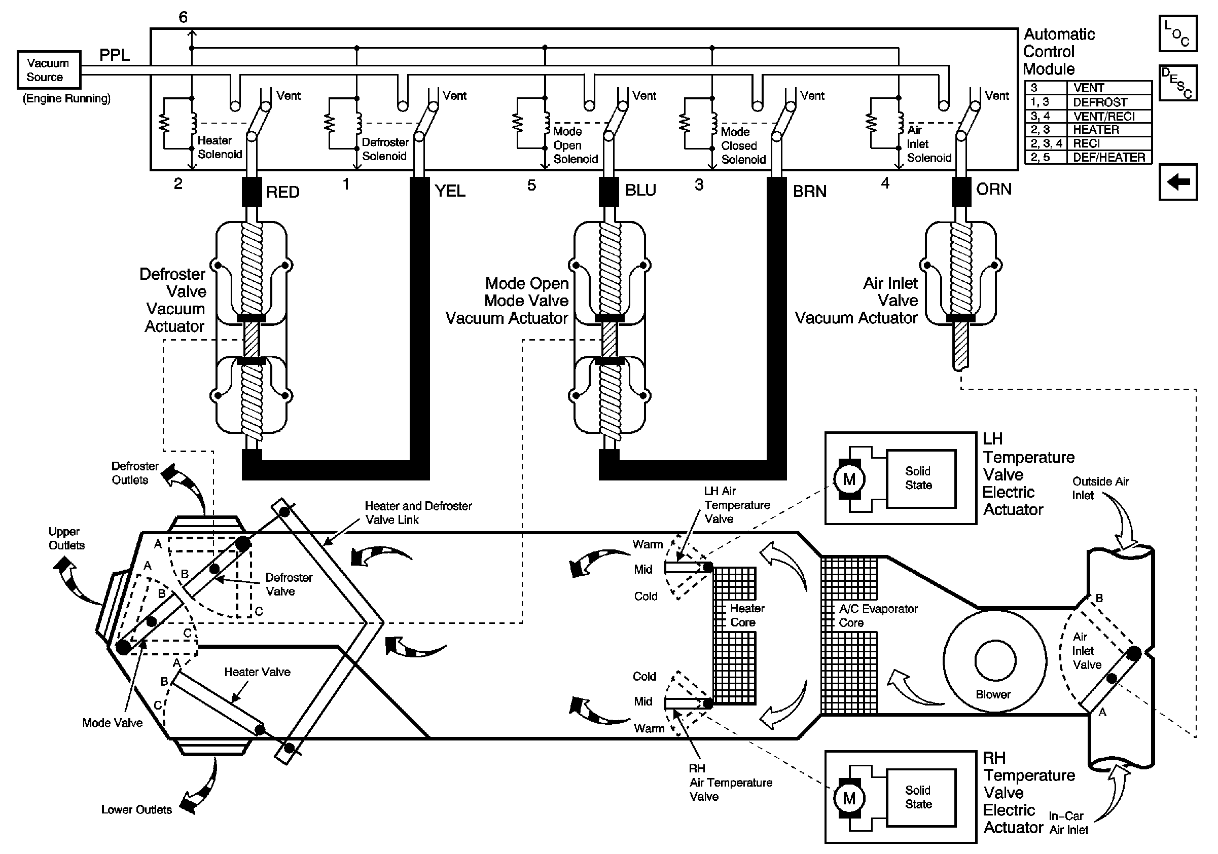
Figure 5:

Air Delivery/Temperature Control


Object Number: 590741  Size: FS
Figure 6:

Air Delivery/Temperature Control


Object Number: 590744  Size: FS