GM Service Manual Online
For 1990-2009 cars only
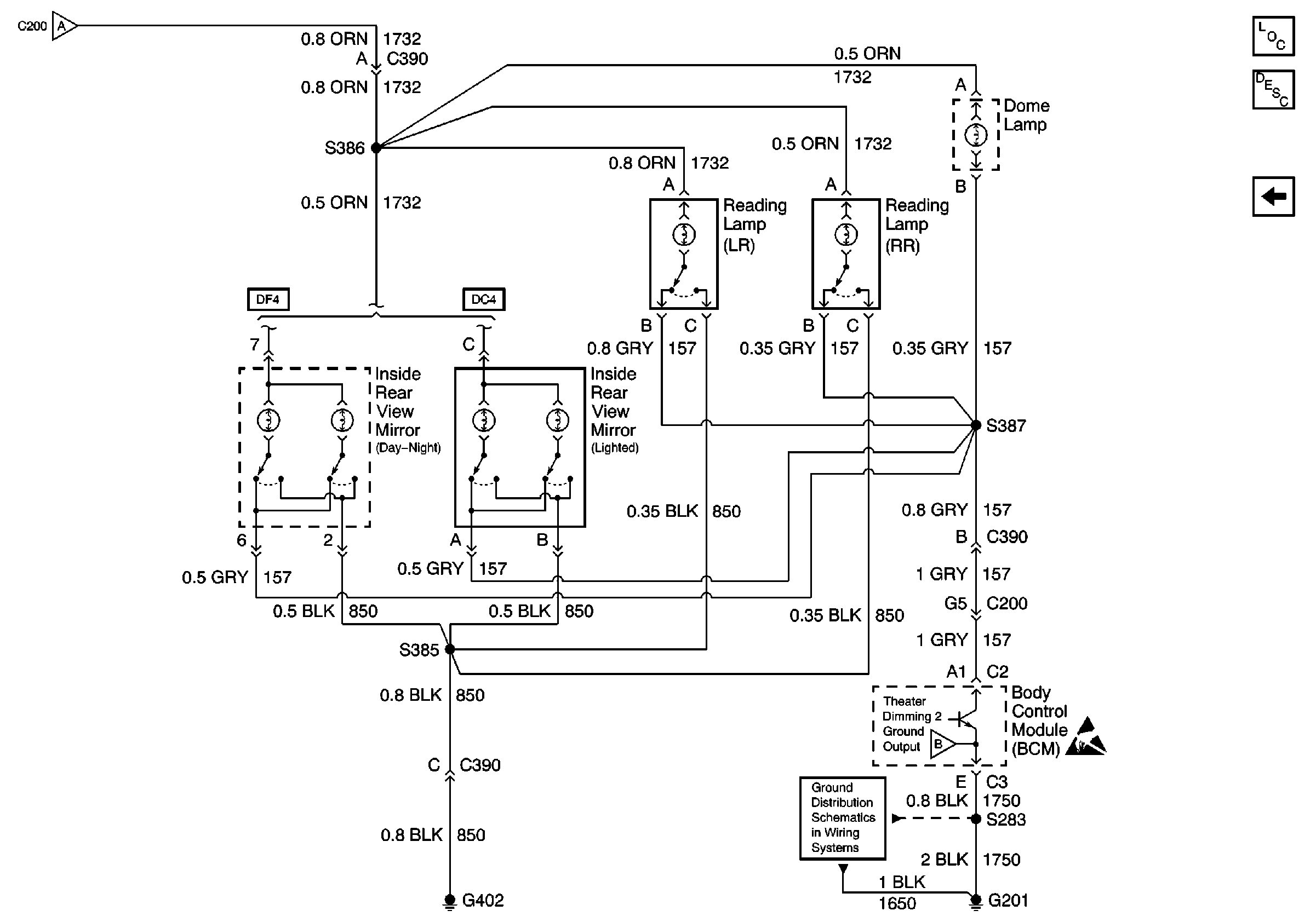
Figure 1:

Stoplamps, Rear Turn Lamps


Object Number: 473295  Size: FS
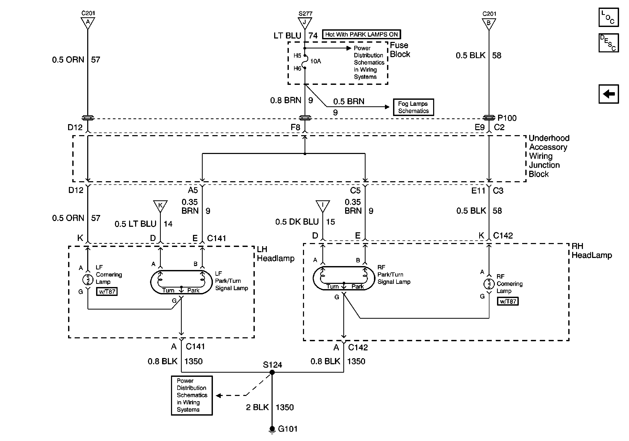
Figure 2:

Foot Turnlamp, Cornering Lamps


Object Number: 473320  Size: FS
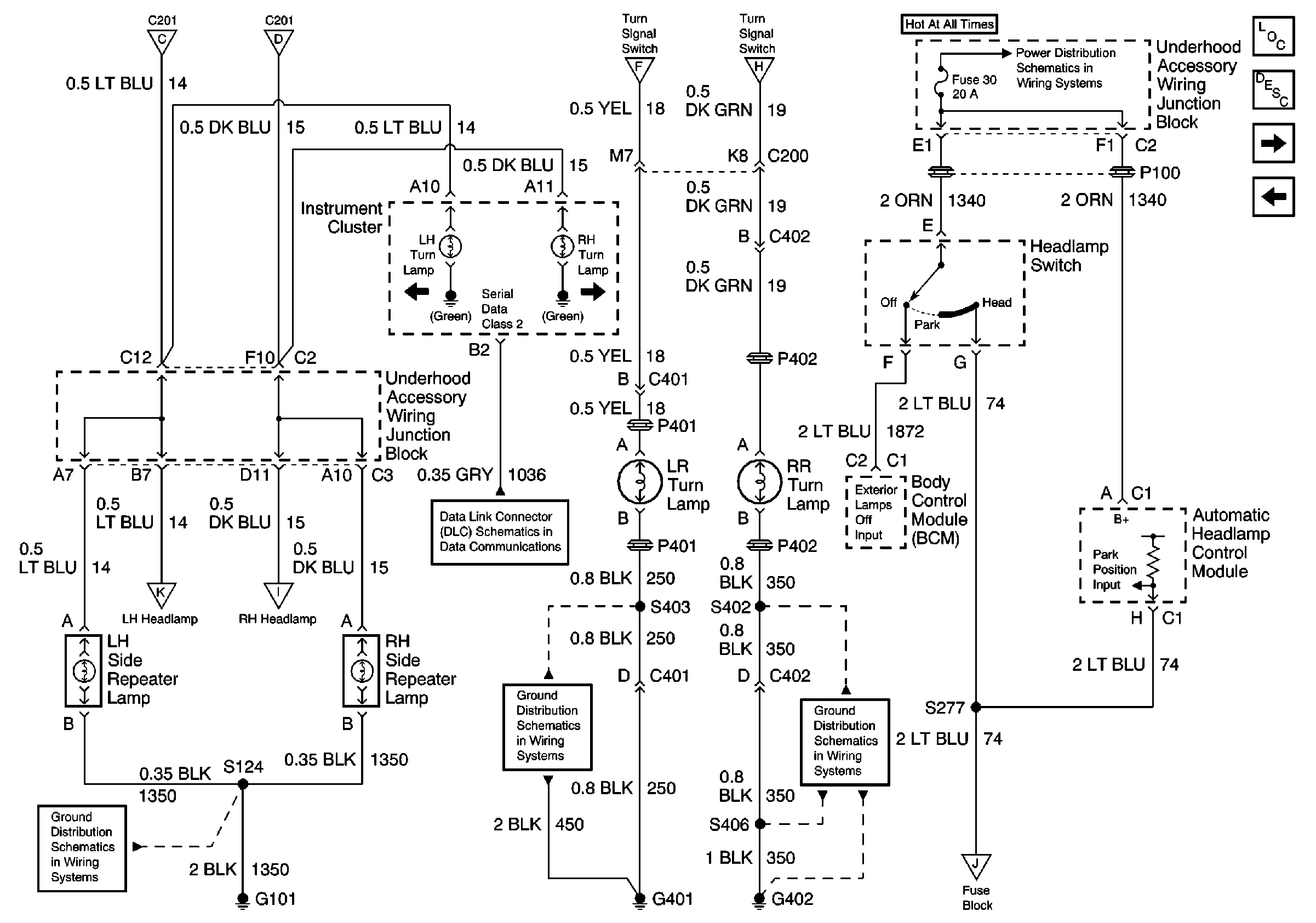
Figure 3:

Foot Parking Lamps


Object Number: 473338  Size: FS
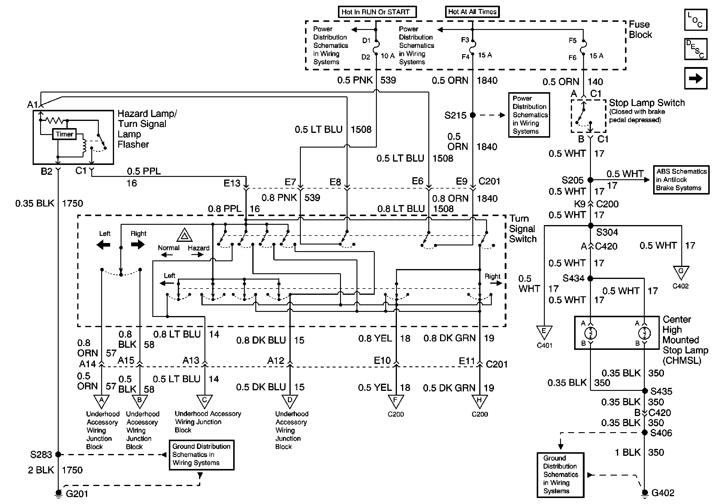
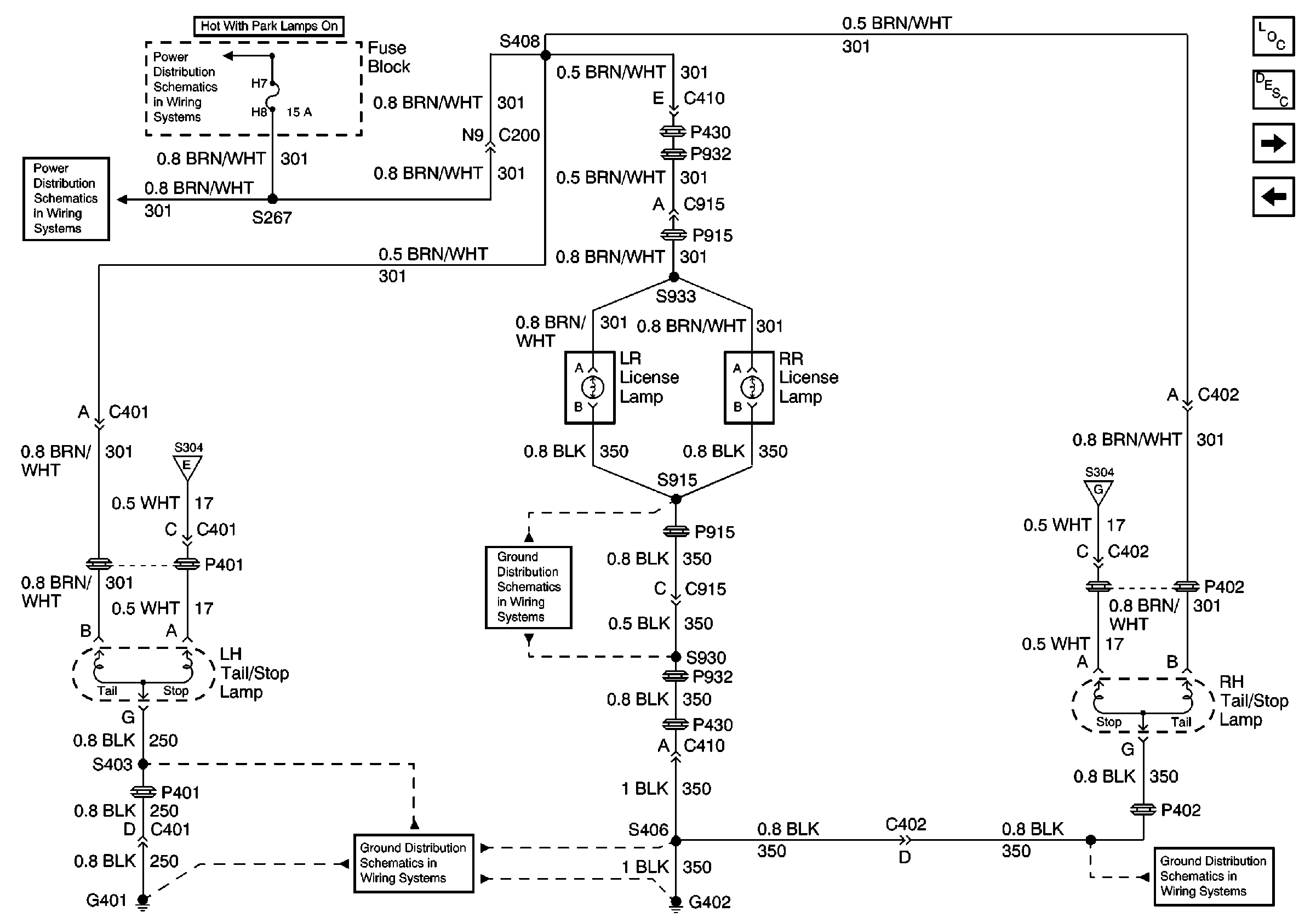
Figure 4:

Rear Park Lamps


Object Number: 473343  Size: FS
Figure 5:

Backup Lights (Regal)


Object Number: 473422  Size: FS
Figure 6:

Backup Lamps


Object Number: 484083  Size: FS