GM Service Manual Online
For 1990-2009 cars only
Makes
🢒
Buick
🢒
2001
🢒
Regal (China)
🢒
Body and Accessories
🢒
Lighting Systems
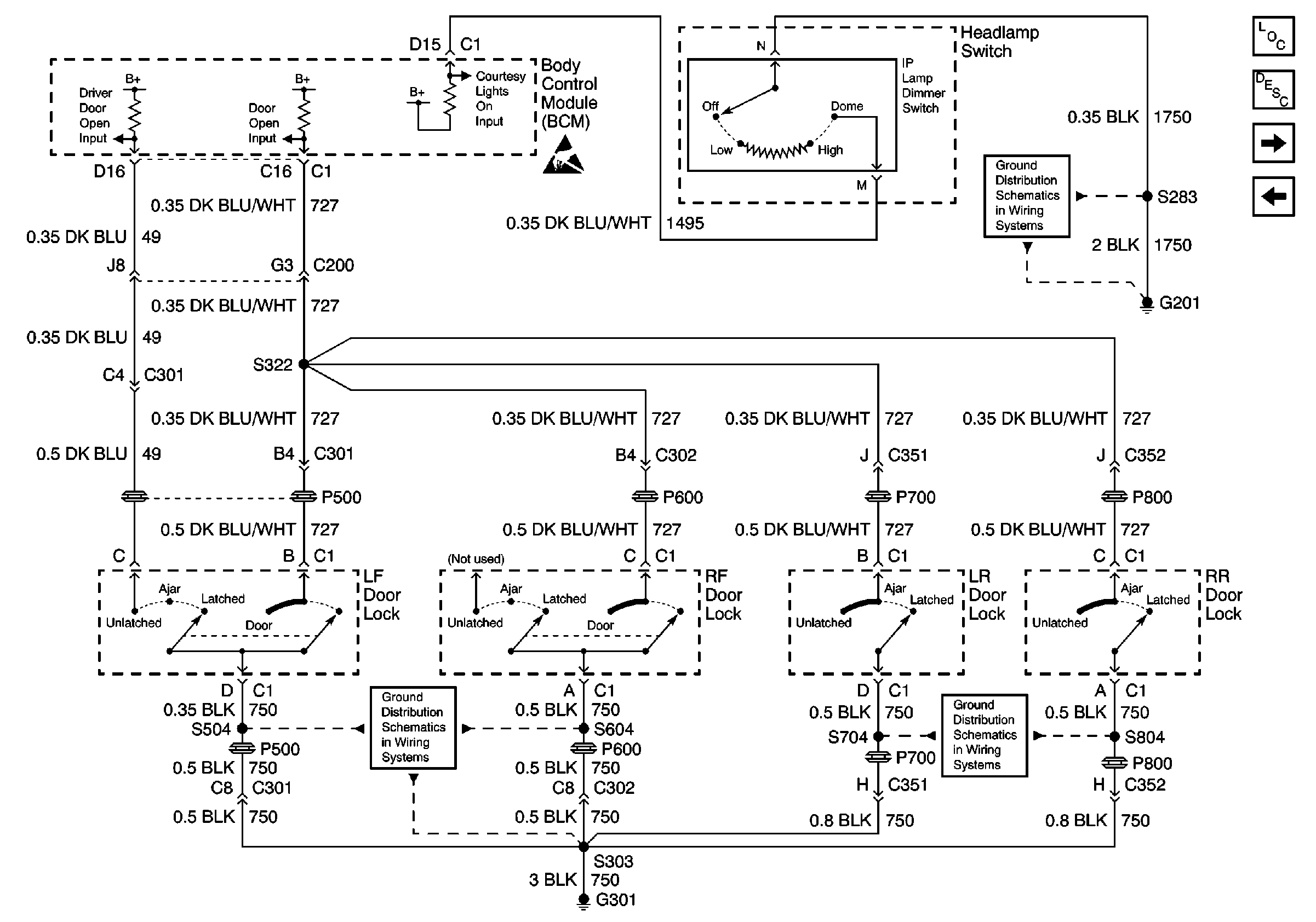
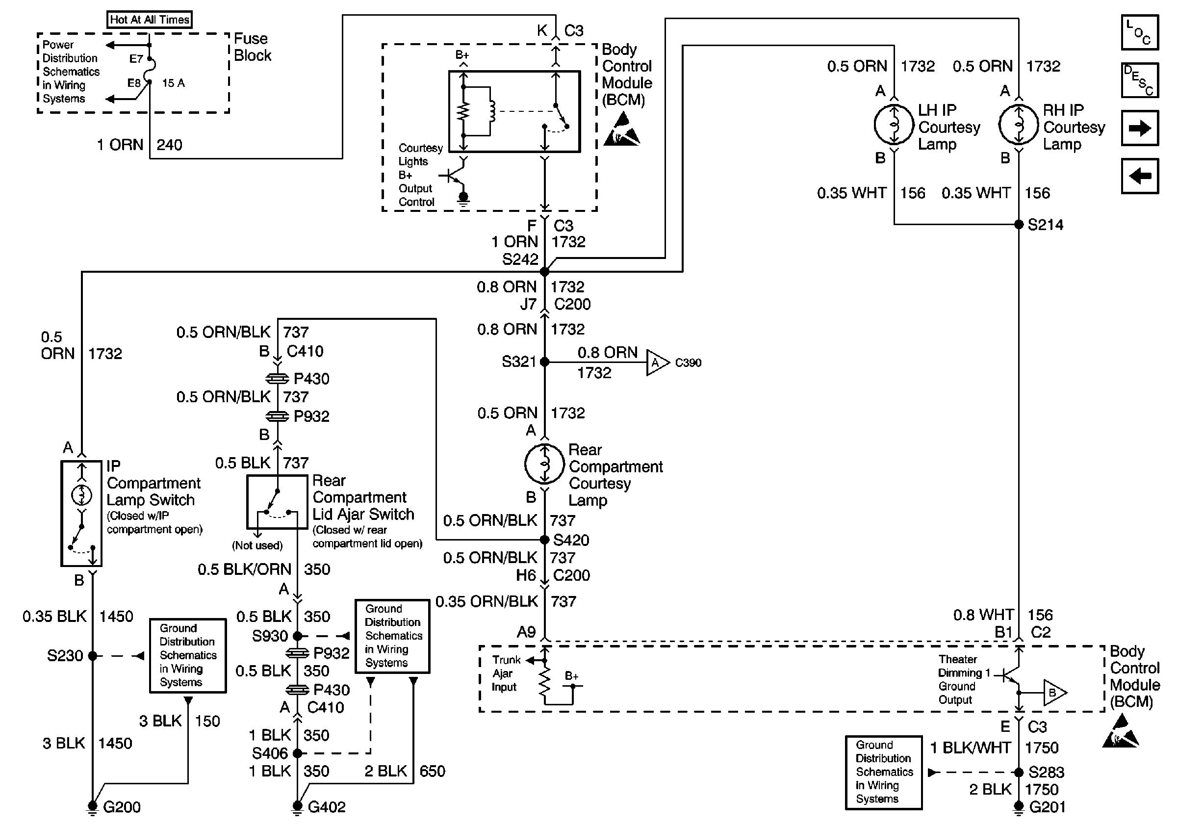
🢒 Interior Lights Schematics
Figure
1:
Interior Lights
Figure
2:
Sunshade, Courtesy/Reading
Figure
3:
Door Ajar, Headlamp Switch