GM Service Manual Online
For 1990-2009 cars only
Makes
🢒
Buick
🢒
2001
🢒
Regal (China)
🢒
Body and Accessories
🢒
Lighting Systems
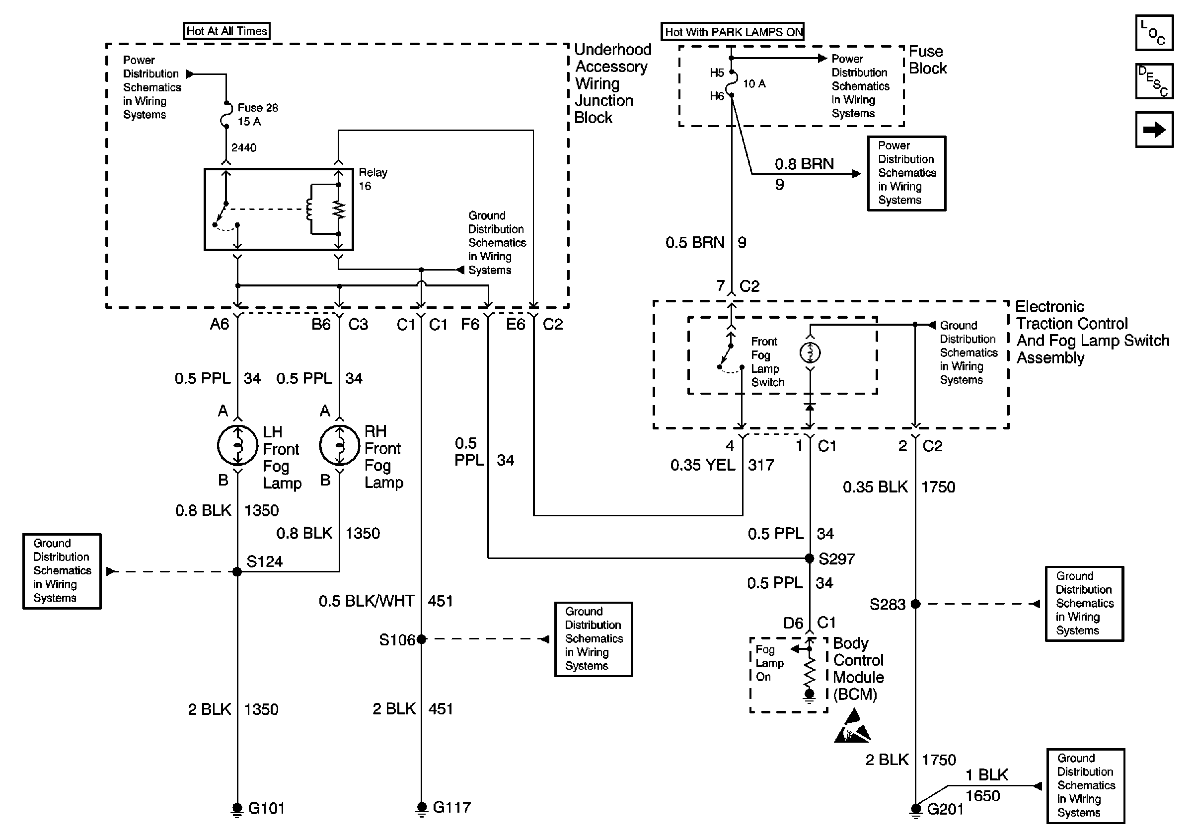
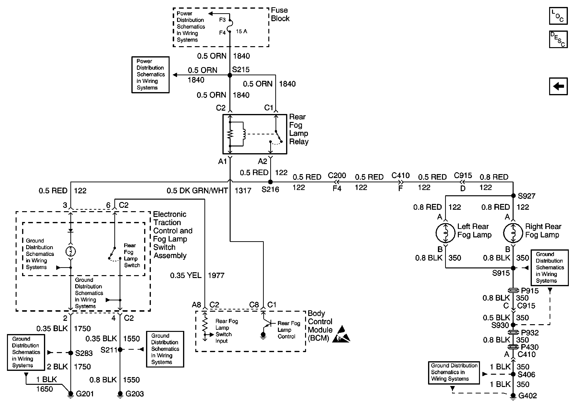
🢒 Fog Lights Schematics
Figure
1:
Fog Lamps
Figure
2:
Fog Lamp Relay