GM Service Manual Online
For 1990-2009 cars only
Makes
🢒
Buick
🢒
2001
🢒
Regal (China)
🢒
Body and Accessories
🢒
Instrument Panel, Gauges, and Console
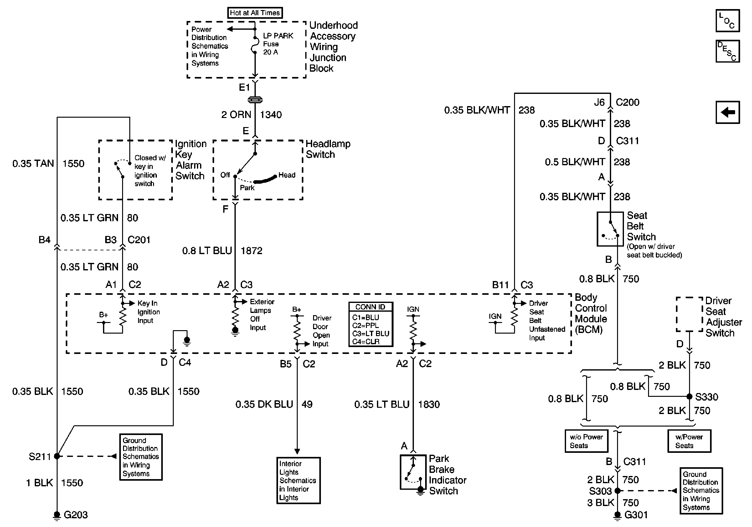
🢒 Audible Warnings Schematics
Figure
1:
Audible Warning,Power,Ground,DLC
Figure
2:
Audible Warning Inputs