GM Service Manual Online
For 1990-2009 cars only
Figure 1:

Power, Ground, MIL, PCM and DLC


Object Number: 482875  Size: FS
Figure 2:

CMP, CKP and ICM


Object Number: 482877  Size: FS
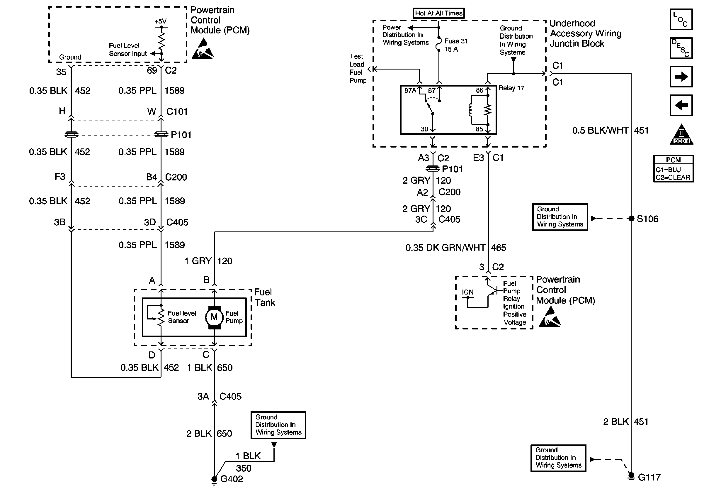
Figure 3:

Fuel Level Sensors


Object Number: 482878  Size: FS
Figure 4:

Fuel Injectors


Object Number: 482879  Size: FS
Figure 5:

A/C Pressure Sensor, TP, MAP, ECT and IAT


Object Number: 482880  Size: FS
Figure 6:

HO2S, EGR and PCM (NF2 Only)


Object Number: 521585  Size: FS
Figure 7:

MAF and EVAP


Object Number: 482881  Size: FS
Figure 8:

IAC, Oil Level Switch and Oil Pressure Indicator


Object Number: 482882  Size: FS
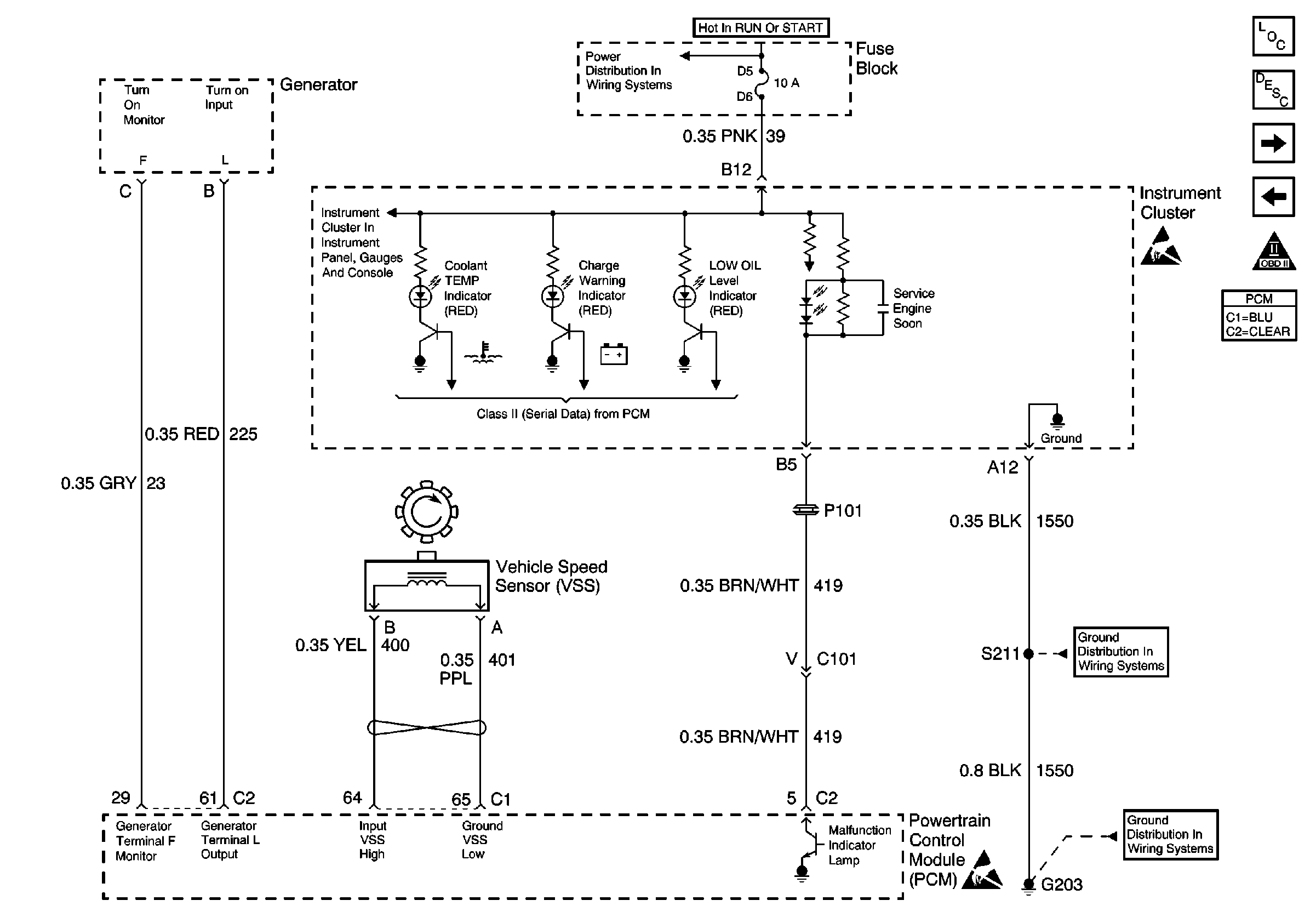
Figure 9:

Generator, I/P and VSS


Object Number: 482883  Size: FS
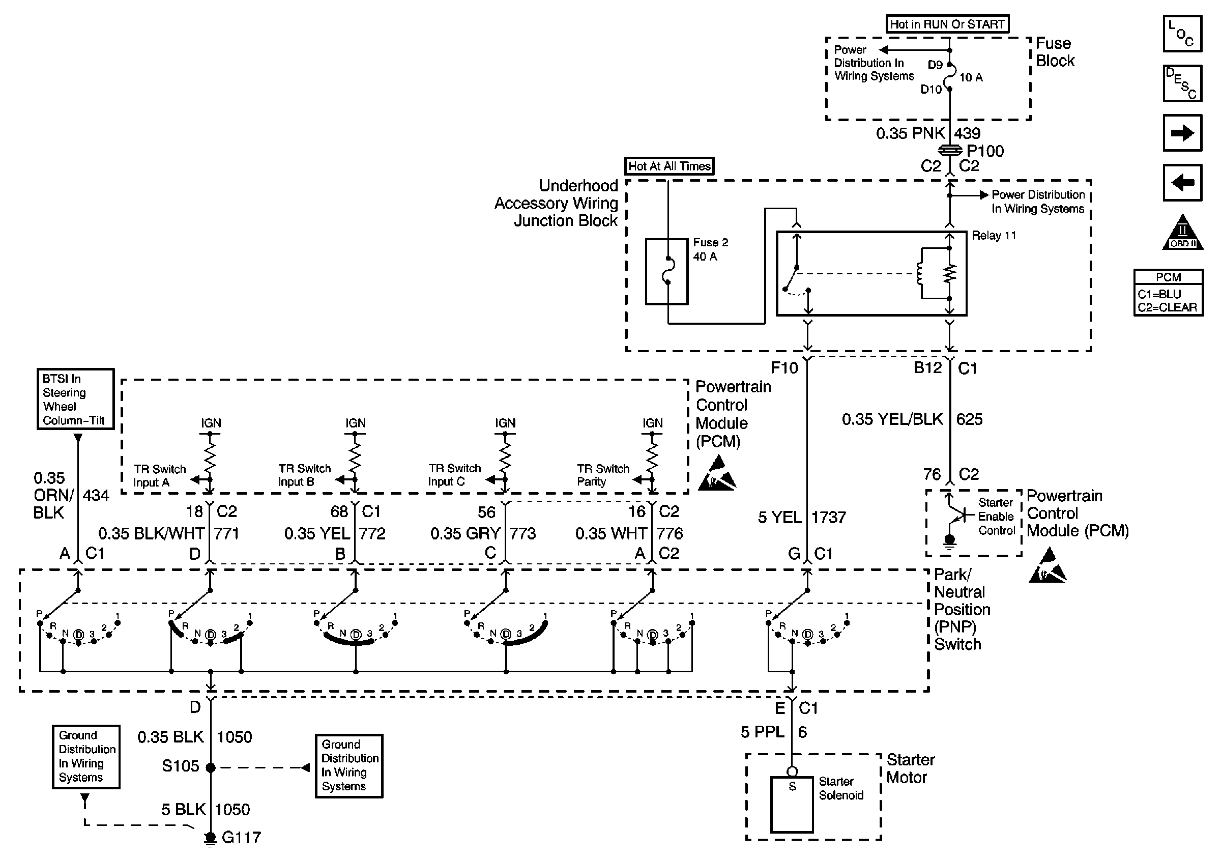
Figure 10:

Park Neutral Position (PNP) Switch


Object Number: 482884  Size: FS
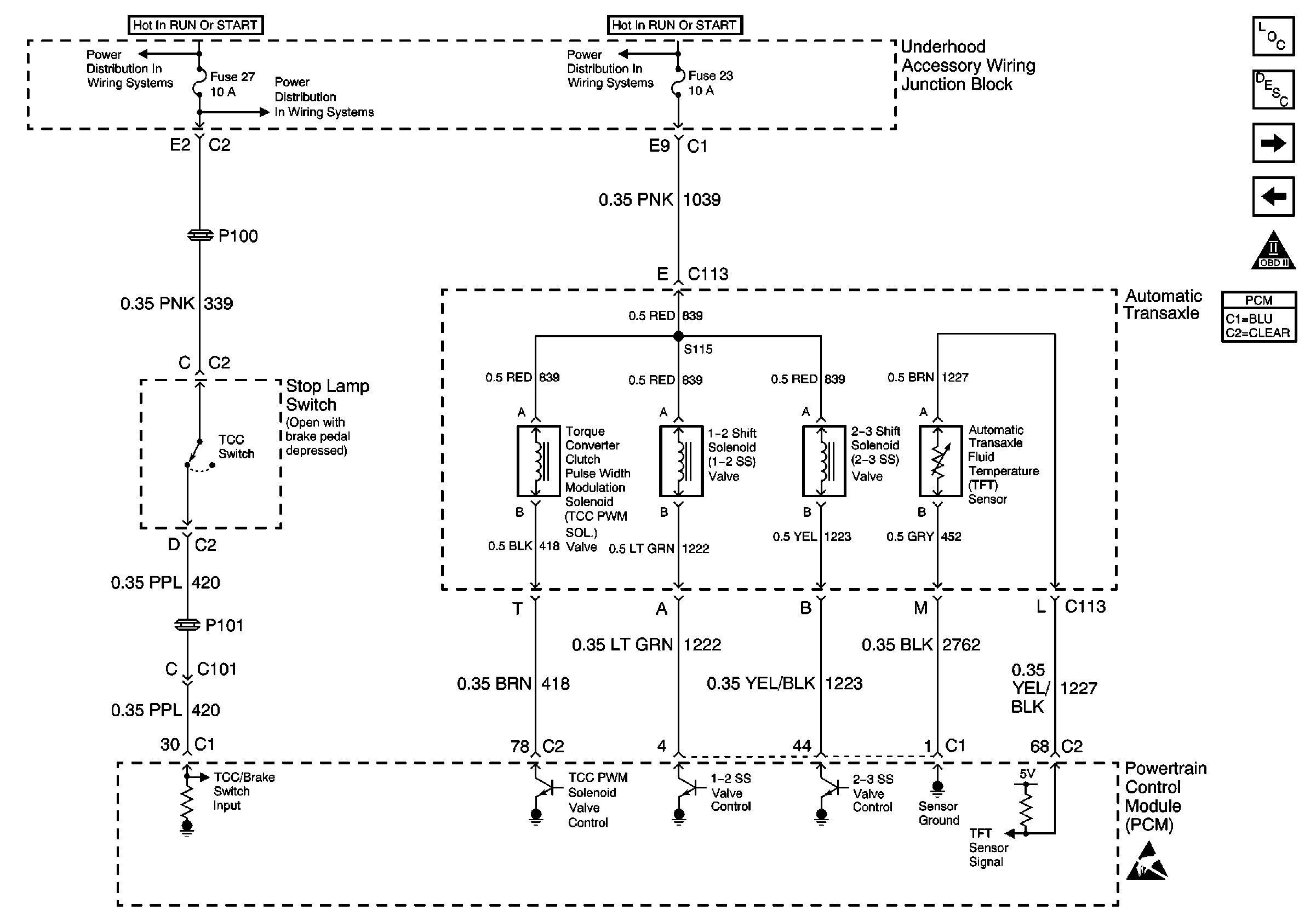
Figure 11:

Stop Lamp Switch and Automatic Transmission


Object Number: 482885  Size: FS
Figure 12:

HVAC and A/C Compressor Clutch Coil


Object Number: 482886  Size: FS
Figure 13:

RH and LH Cooling Fans


Object Number: 482887  Size: FS