GM Service Manual Online
For 1990-2009 cars only
Makes
🢒
Buick
🢒
1999
🢒
Regal (China) (CNG)
🢒
Transmission/Transaxle
🢒
Automatic Transaxle - 4T65-E
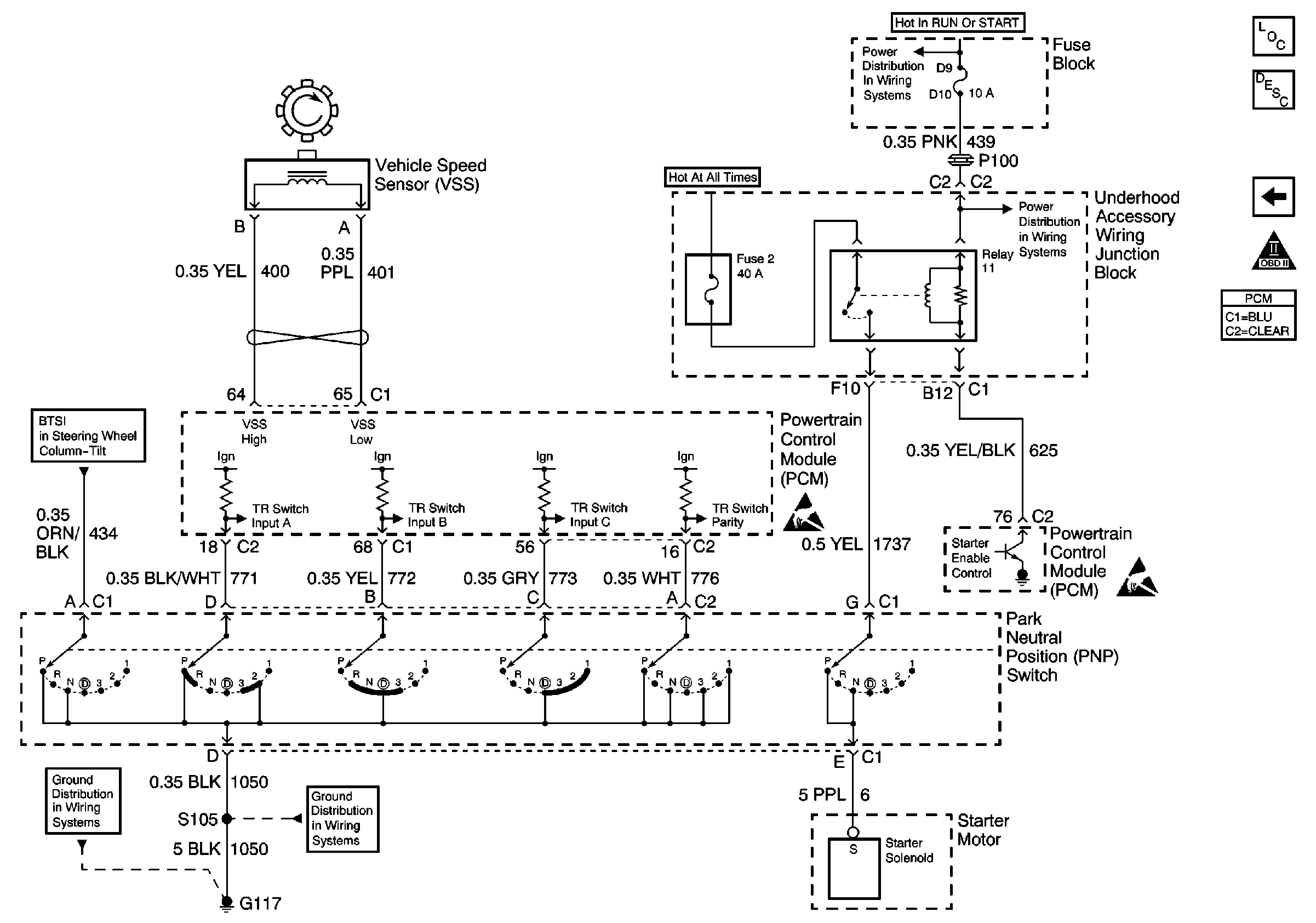
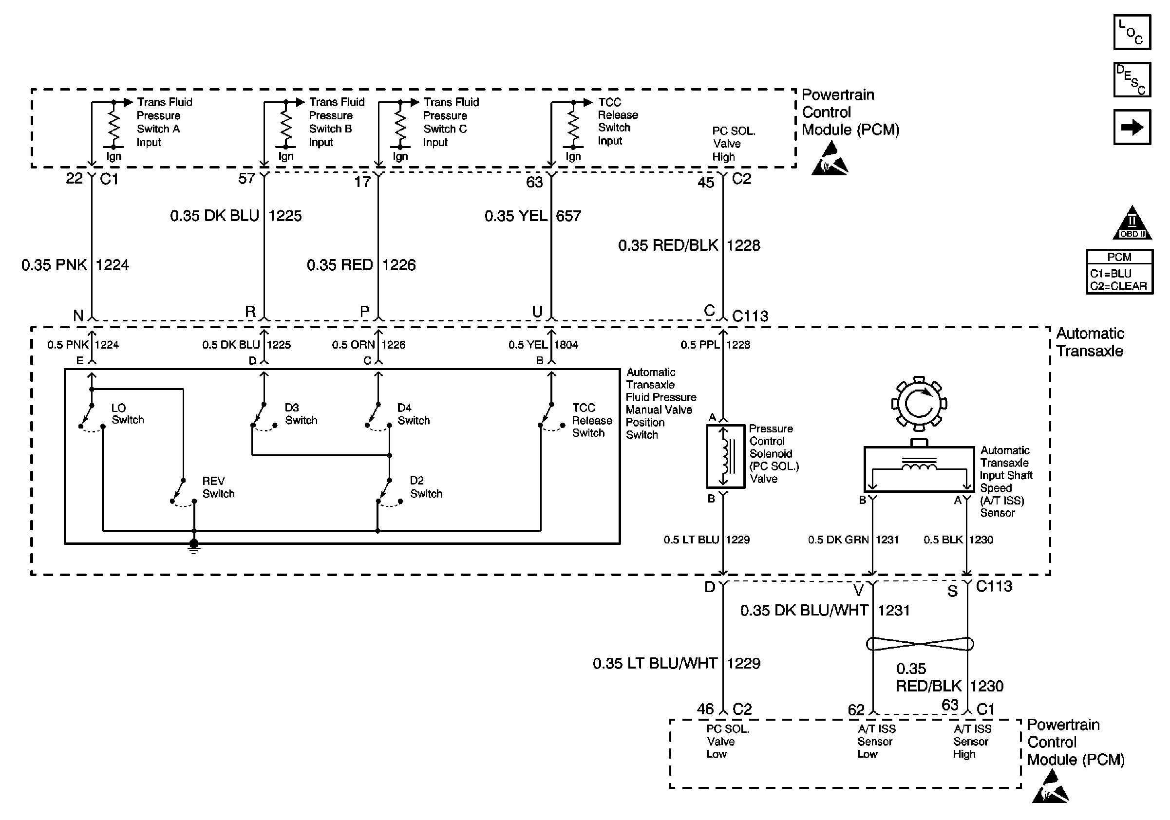
🢒 Automatic Transmission Controls Schematics
Figure
1:
PCM and Automatic Transaxle
Figure
2:
Power and Stop Lamp Switch
Figure
3:
Vehicle Speed Sensor, PNP Switch and Ground