GM Service Manual Online
For 1990-2009 cars only
Makes
🢒
Buick
🢒
1999
🢒
Regal (China) (CNG)
🢒
Body and Accessories
🢒
Lighting Systems
🢒 Headlights Schematics
Figure
1:
Automatic Headlamp Control Module, Ambient Light Sensor and BCM
Lighting Systems Components
Headlights Circuit Description
Handling ESD Sensitive Parts Notice
Handling ESD Sensitive Parts Notice
G201
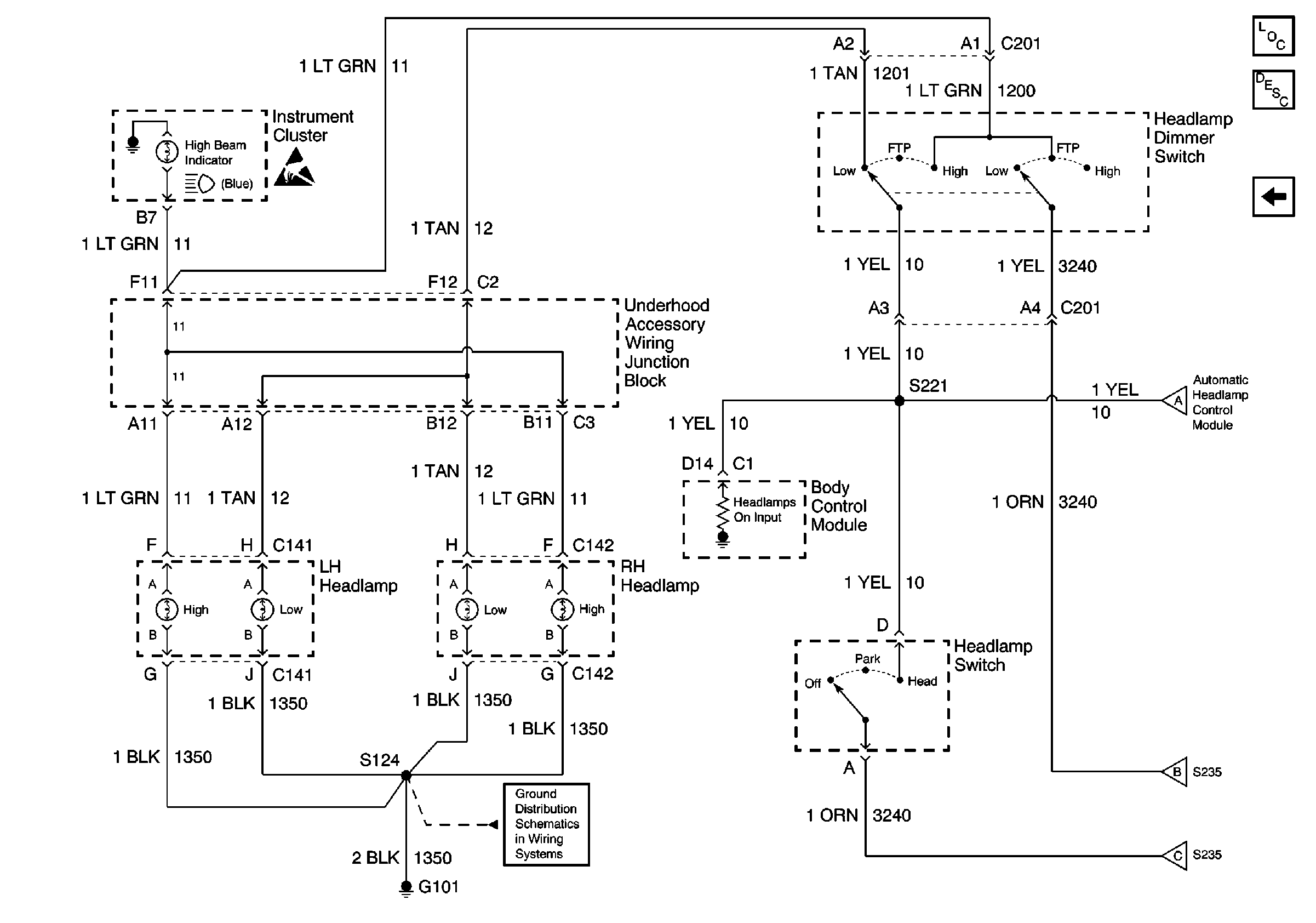
Headlamps, Headlamp Switch, Headlamp Dimmer Switch and BCM
Headlamps, Headlamp Switch, Headlamp Dimmer Switch and BCM
Headlamps, Headlamp Switch, Headlamp Dimmer Switch and BCM
Instrument Cluster, Headlamp Switch, Automatic Headlamp Control Module, Side Repeater and Rear Turn Lamps
Fuse Block, UAWJB, PCM and BCM
Fuse Block, UAWJB, PCM and BCM
GL: UAWJB, EBCM/EBTCM and Fuse Block
Headlamps, Headlamp Switch, Headlamp Dimmer Switch and BCM
Figure
2:
Headlamps, Headlamp Switch, Headlamp Dimmer Switch and BCM
Lighting Systems Components
Headlights Circuit Description
Automatic Headlamp Control Module, Ambient Light Sensor and BCM
Handling ESD Sensitive Parts Notice
Automatic Headlamp Control Module, Ambient Light Sensor and BCM
Automatic Headlamp Control Module, Ambient Light Sensor and BCM
Automatic Headlamp Control Module, Ambient Light Sensor and BCM
G101, Headlamps, Rear Fog Lamps, Side Repeater Lamps and Horn