GM Service Manual Online
For 1990-2009 cars only

Object Number: 501904  Size: LF

Circuit Description

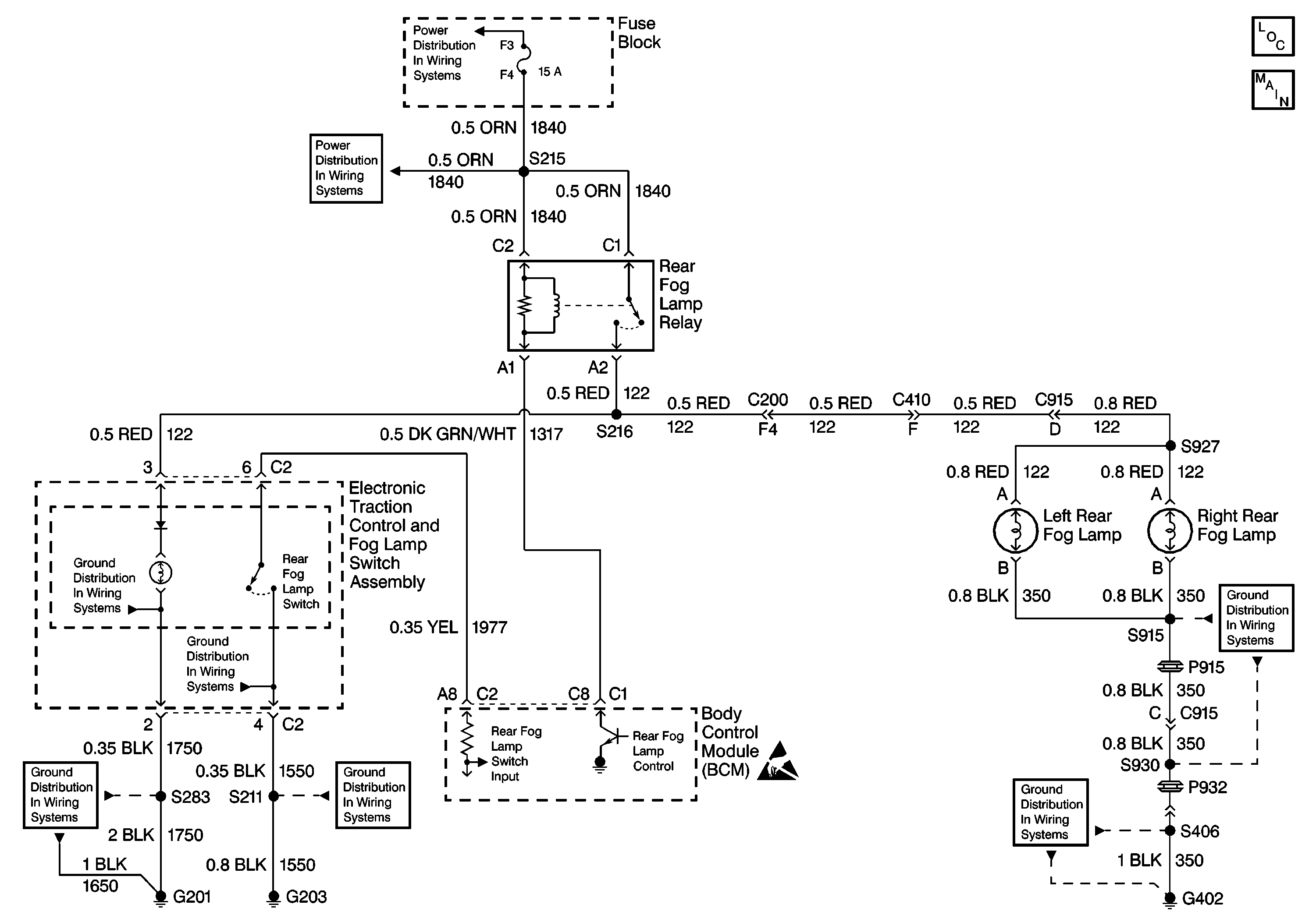
The BCM controls the operation of the rear fog lamps. The BCM receives input from the rear fog lamp switch to activate their operation through circuit 1977, pulling it low. The BCM then determines the request for rear fog lamp activaqtion. The rear fog lamp switch is a momentary type switch that closes when pressed.

Based on the BCM's criteria to activate the rear fog lamps, the BCM enables the rear fog lamp relay by grounding circuit 1317.

Conditions for Setting the DTC

The BCM detects a short to B+ in circuit 1317 when the ignition switch is on and the fog lamp switch is on.

Action Taken When the DTC Sets

    • The BCM stores DTC B2533 in memory.
    • The BCM turns off its output to the rear fog lamp relay.

Conditions for Clearing the DTC

    • Voltage is no longer detected by the BCM in circuit 1977 when the ignition switch is cycled from off to on.
    • A history DTC will clear after 100 consecutive ignition cycles if the condition for the fault is no longer present.
    • An ignition cycle is needed to change the status of this DTC from current to history.
    • Using a scan tool.

Diagnostic Aids

    • The following condition may cause an intermittent malfunction to occur:
    • An intermittent short to B+ in circuit 1977.
    • If the DTC is a history DTC, the problem may be intermittent. Try performing the tests shown while moving wiring and connectors, this can often cause the malfunction to reappear.
    • DTC P1626 will set in the Powertrain Control Module (PCM) when the ignition switch is on with the Body Control module (BCM) disconnected. When BCM diagnostics and repairs are completed, refer Powertrain On Board Diagnostic (OBD) System Check

Test Description

The numbers below refer to the step numbers on the diagnostic table.

  1. This step checks for a short to B+ in circuit 1977.

  2. This step determines whether circuit 1550 has a short to B+ or the BCM is faulty.

Step

Action

Value(s)

Yes

No

1

Was the On-Board Diagnostic (OBD) System Check performed?

--

Go to Step 2

Go to Diagnostic System Check - Body Control System

2

  1. Turn the ignition switch off.
  2. Disconnect the Body Control Module (BCM) connector C2.
  3. Turn the ignition switch on.
  4. Using a DMM, measure the voltage between the Body Control Module (BCM) harness connector terminal A8 and ground.

Is the voltage measured within the specified range?

Under 2V

Go to Step 3

Go to Step 5

3

  1. Leave the DMM connected from the previous step.
  2. Turn the ignition switch on.
  3. Press the rear fog lamp switch on.

Does the voltage measured stay within the specified range?

Under 2V

Go to Step 4

Go to Step 6

4

  1. Replace the BCM. Refer to Body Control Module Replacement
  2. After replacing the BCM, perfrom the Setup New BCM procedure. Refer to Body Control Module (BCM) Programming/RPO Configuration

Is the repair complete?

--

Go to Step 7

--

5

Repair a short to B+ in circuit 1977.

Is the repair complete?

--

Go to Step 7

--

6

Repair a short to B+ in circuit 1550.

Is the repair complete?

--

Go to Step 7

--

7

  1. Turn the ignition switch off.
  2. Reinstall connectors/components removed
  3. Turn the ignition switch on.
  4. Clear the BCM DTCs. Refer to Clearing DTCs
  5. Check for BCM DTCs. Refer to Diagnostic Trouble Code (DTC) Displaying

Are there any BCM current DTCs set?

--

Go to Diagnostic System Check - Body Control System

System OK