GM Service Manual Online
For 1990-2009 cars only
Makes
🢒
Buick
🢒
1999
🢒
Regal (China) (CNG)
🢒
Body and Accessories
🢒
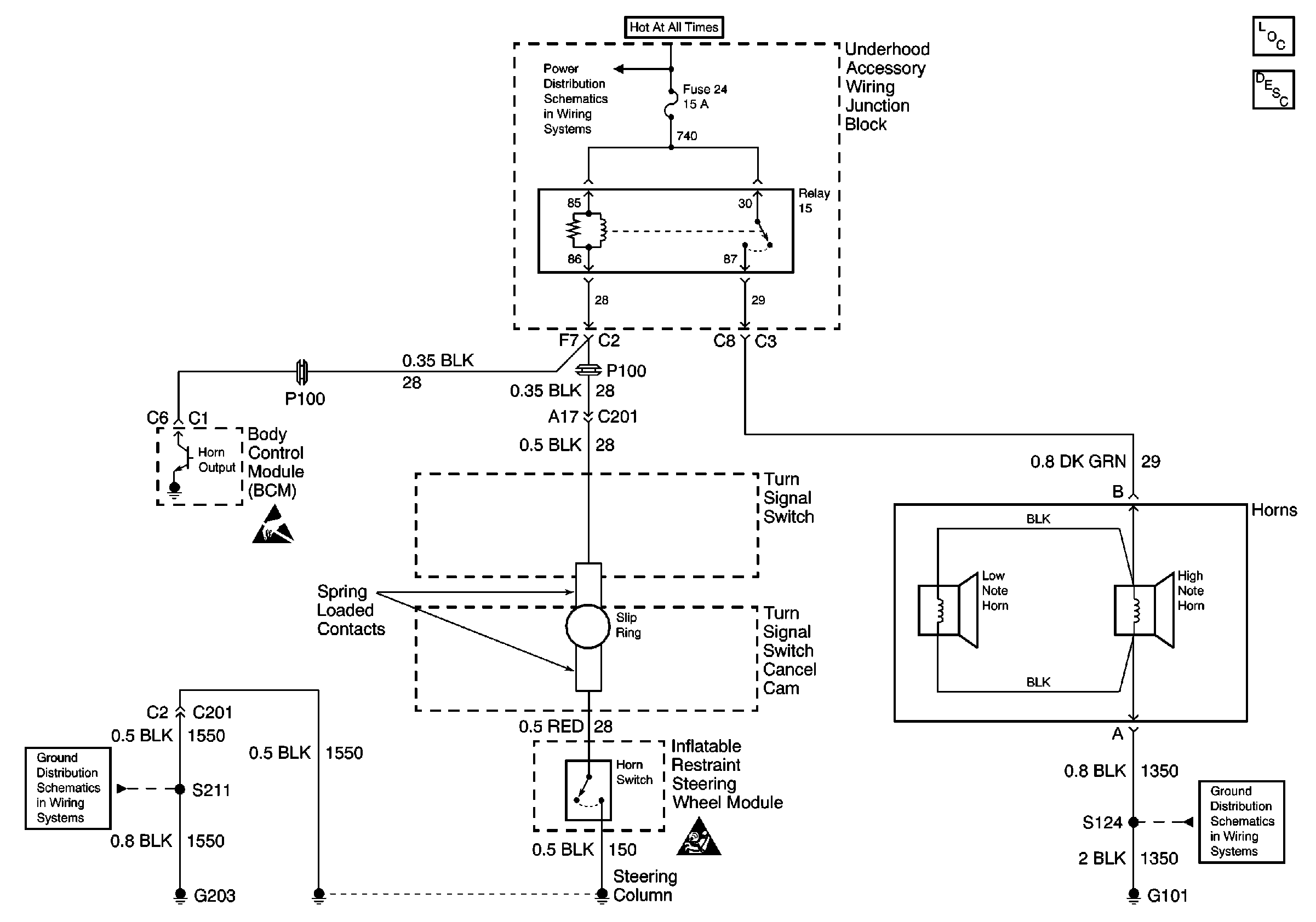
Horns
🢒 Horn Schematics