GM Service Manual Online
For 1990-2009 cars only
Makes
🢒
Buick
🢒
1999
🢒
Regal (China) (CNG)
🢒
Body and Accessories
🢒
Stationary Windows
🢒 Defogger Schematics
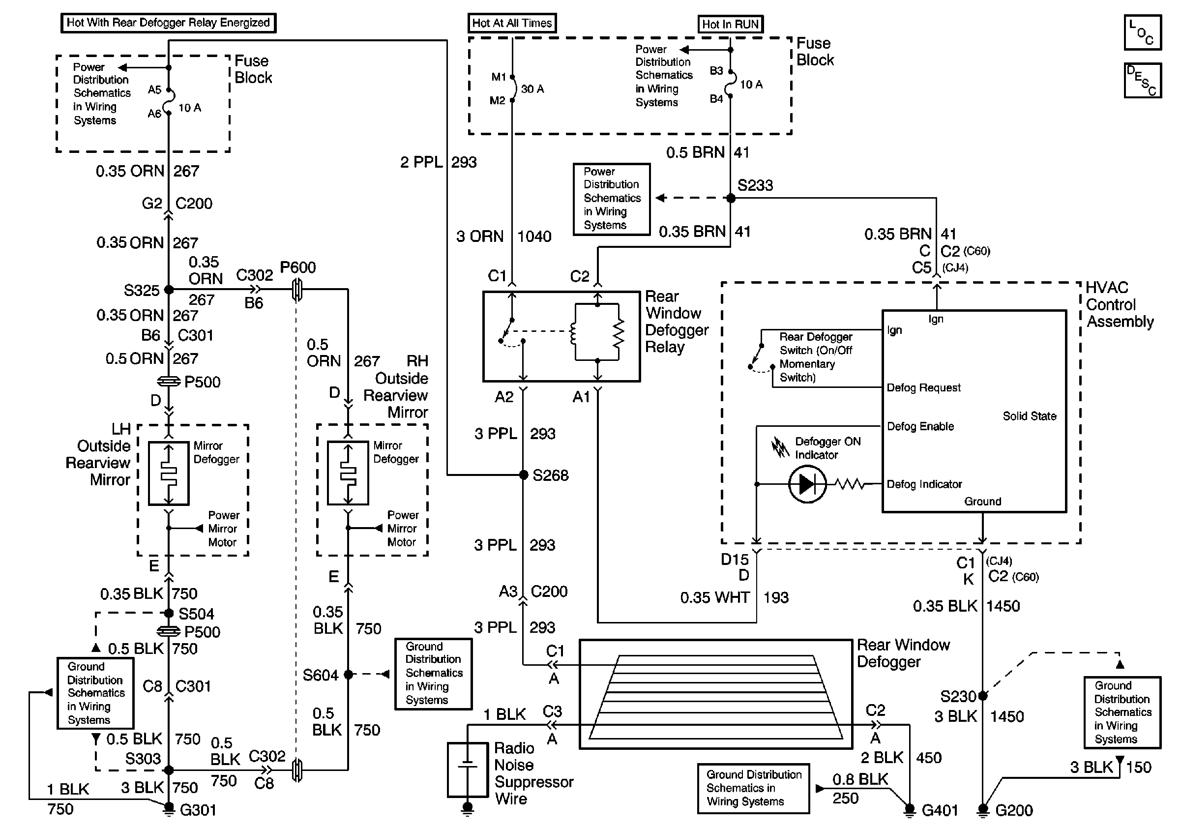
HVAC Control Assembly, Ouside Rearview Mirrors, Rear Window Defogger Relay and Rear Window Defogger
Stationary Windows Component Views
Rear Window Defogger Circuit Description
Handling ESD Sensitive Parts Notice
G200, 1 of 2
G401 and G402
G301, 1 of 3
G301, 1 of 3
Fuse Block, Outside Rearview Mirrors and PCM
Fuse Block and HVAC Components
Fuse Block and HVAC Components