GM Service Manual Online
For 1990-2009 cars only
Makes
🢒
Buick
🢒
1999
🢒
Regal (China) (CNG)
🢒
Body and Accessories
🢒
Seats
🢒 Power Seats Schematics
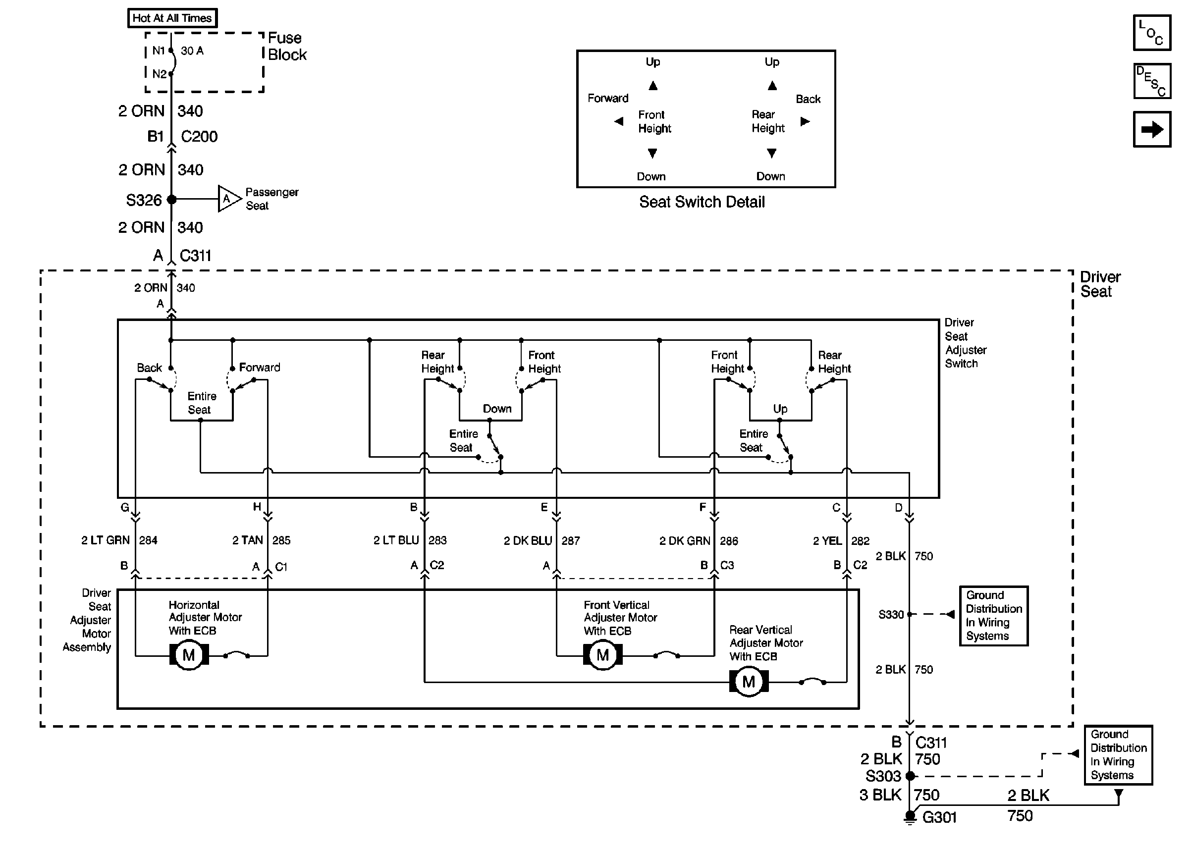
Figure
1:
Cell 140: Driver Seat
Power Seat Systems Components
Power Seats Circuit Description
Cell 140: Passenger Seat
Ground Distribution Schematics
Ground Distribution Schematics
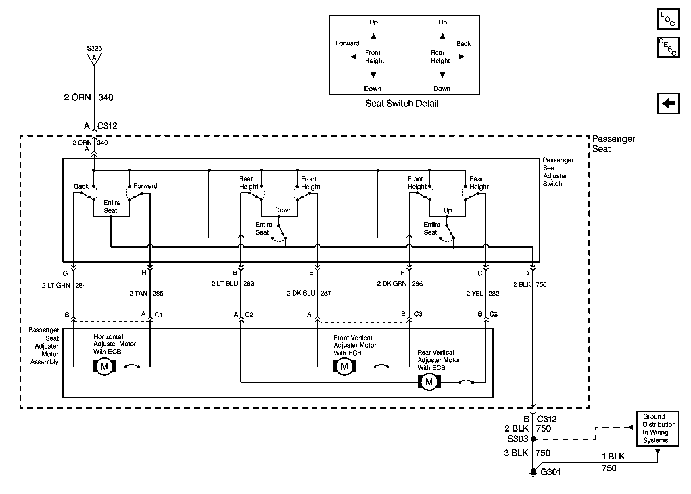
Figure
2:
Cell 140: Passenger Seat
Power Seat Systems Components
Power Seats Circuit Description
Cell 140: Driver Seat
Ground Distribution Schematics
Ground Distribution Schematics