GM Service Manual Online
For 1990-2009 cars only
Makes
🢒
Buick
🢒
1999
🢒
Regal (China) (CNG)
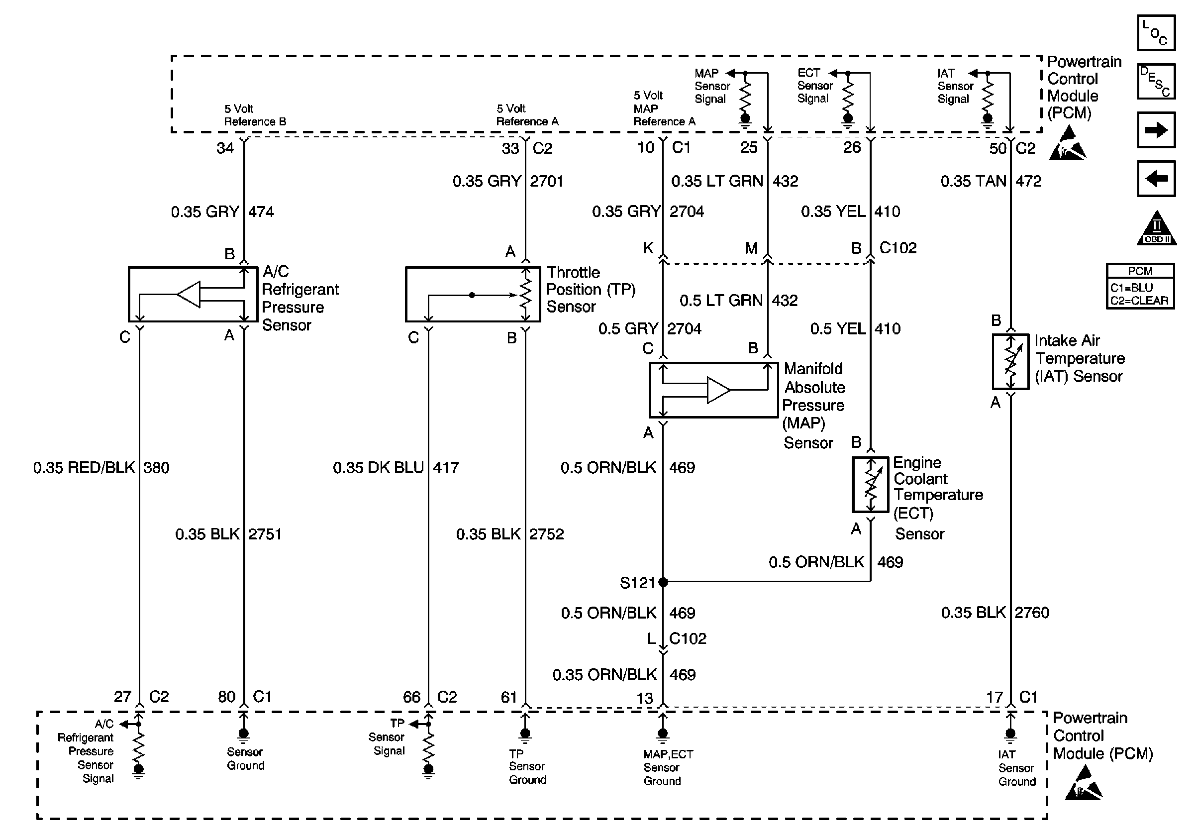
🢒 A/C Pressure Sensor, TP, MAP, ECT and IAT
A/C Pressure Sensor, TP, MAP, ECT and IAT
A/C Pressure Sensor, TP, MAP, ECT and IAT