GM Service Manual Online
For 1990-2009 cars only
Makes
🢒
Buick
🢒
1999
🢒
Regal (China) (CNG)
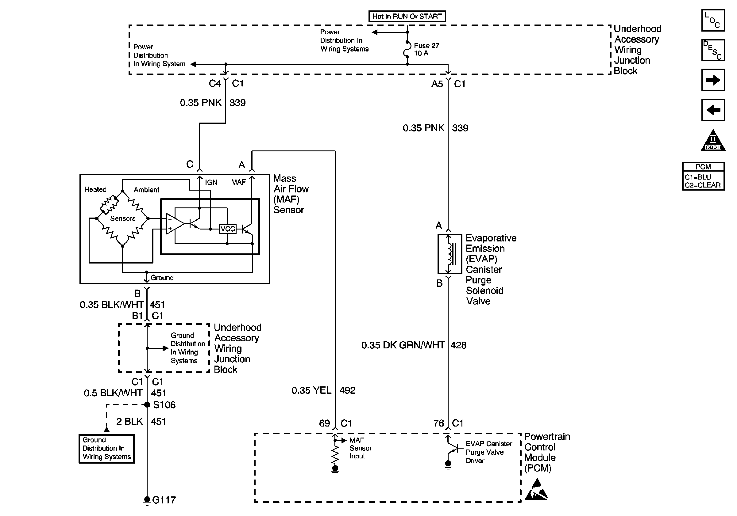
🢒 MAF and EVAP
MAF and EVAP
MAF and EVAP