GM Service Manual Online
For 1990-2009 cars only
Makes
🢒
Buick
🢒
1999
🢒
Regal (China) (CNG)
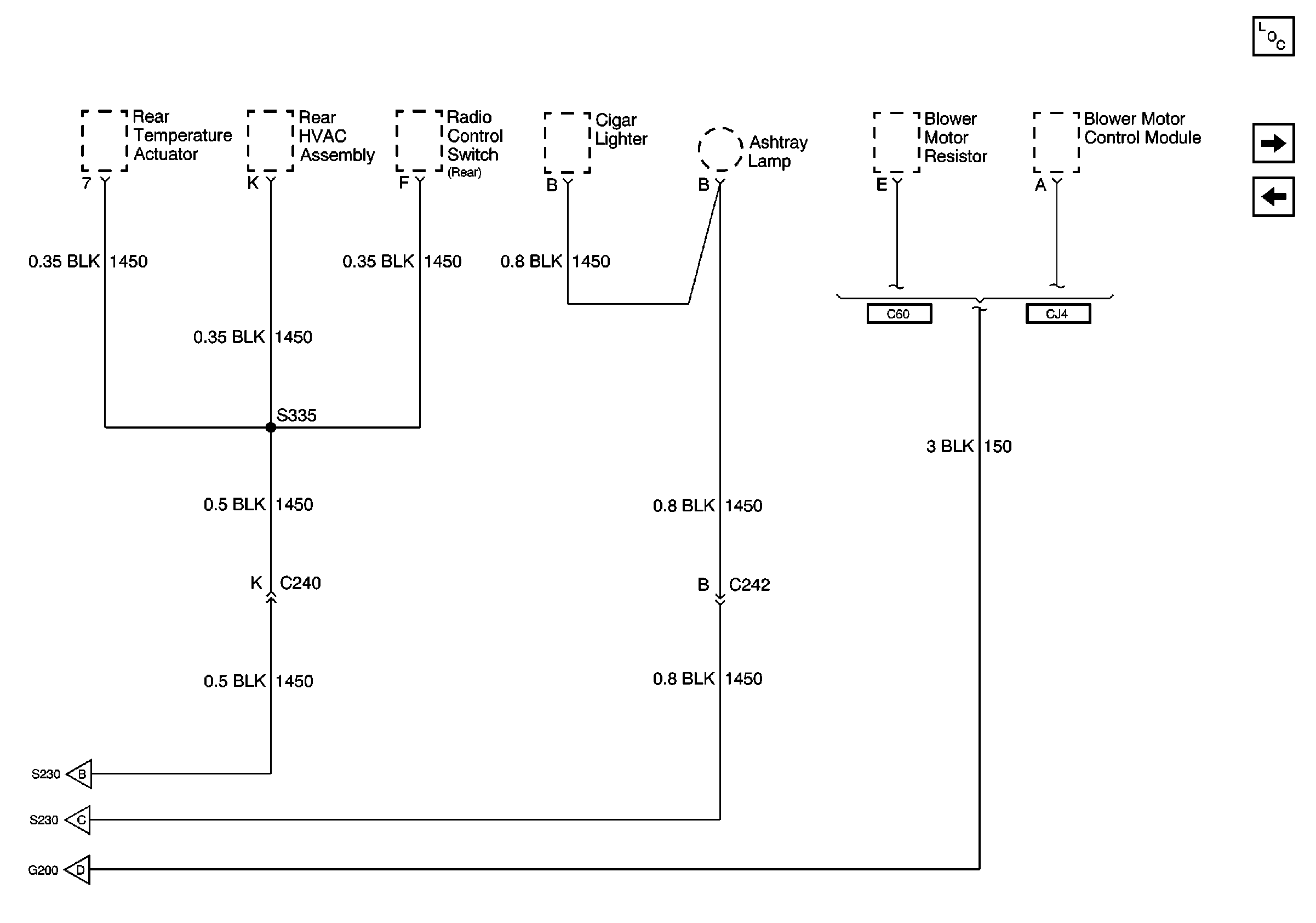
🢒 G200, 2 of 2
G200, 2 of 2
G200, 2 of 2
Power and Grounding Components
G201
G200, 1 of 2
G200, 1 of 2