GM Service Manual Online
For 1990-2009 cars only
Figure 1:

Fuse Block--Underhood Buss


Object Number: 628207  Size: FS
Master Electrical Component List
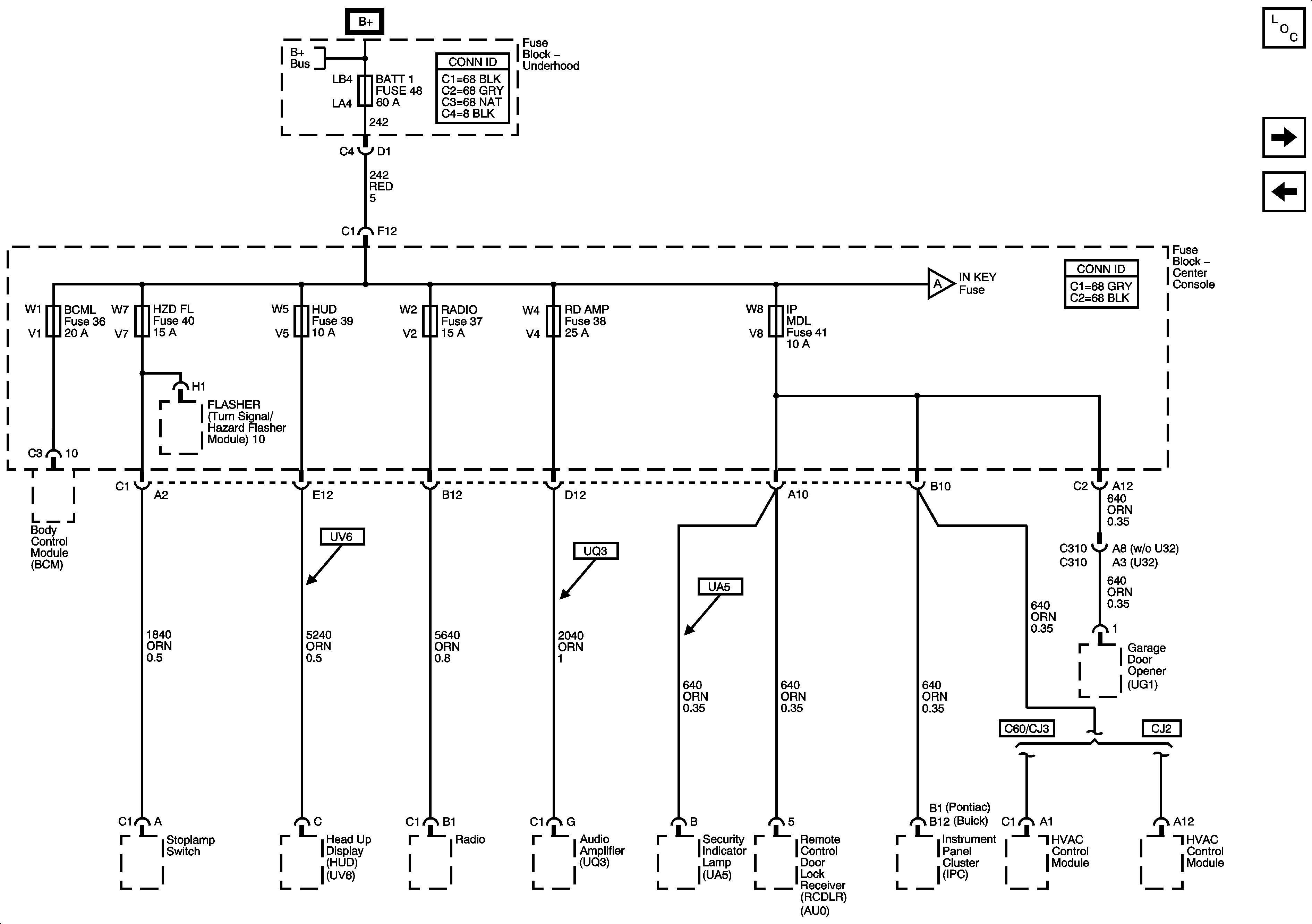
Fuse Block-Underhood Fuse:48 Fuse Block-Center Console Fuses:BCM L, HZD FL, HUD, RADIO, RD AMP and IP MDL
Figure 2:

Fuse Block--Underhood BATT 1 Fuse and Fuse Block--Center Console BCML, HZD FL, HUD, RADIO, RD AMP and IP MDL Fuses


Object Number: 815760  Size: FS
Master Electrical Component List
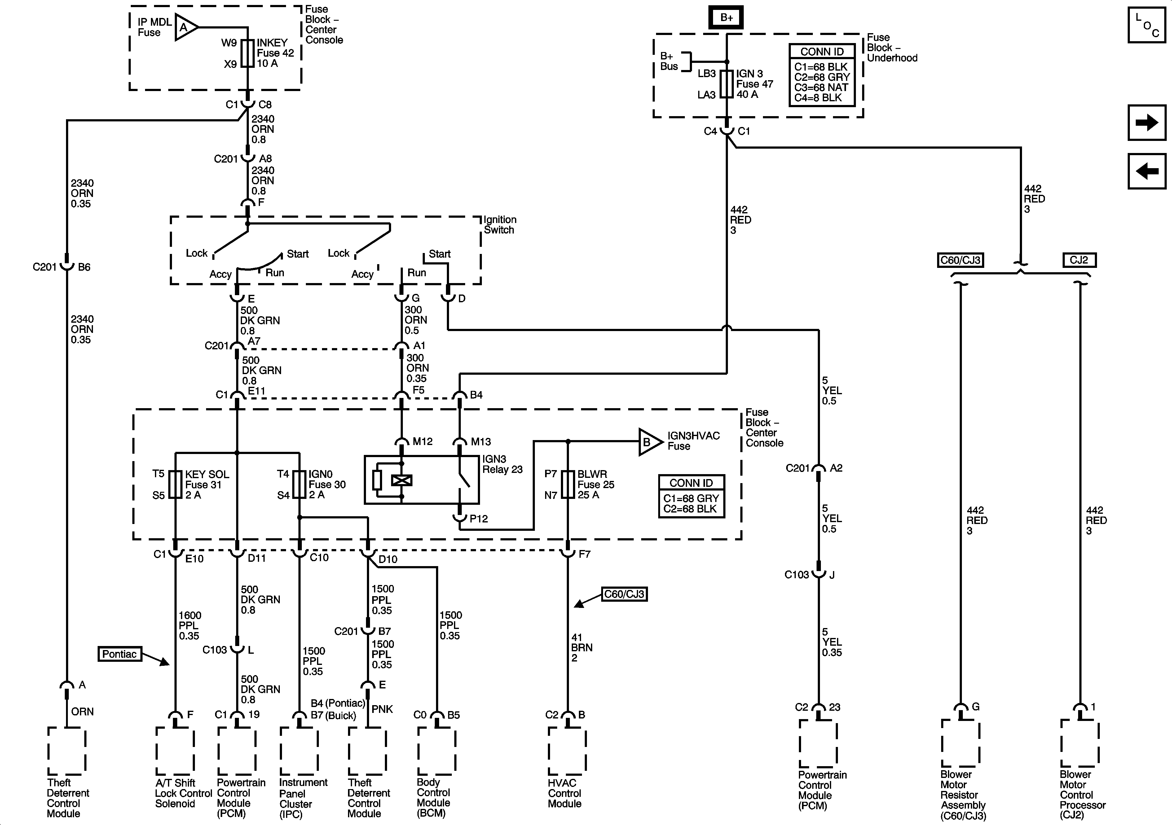
Fuse Block-Underhood Fuse: 47 Fuse Block-Center Console Fuses: INKEY, KEY SOL, IGN 0 and FRT BLWR
Fuse Block-Underhood Buss Schematics
Fuse Block-Underhood Buss Schematics
Figure 3:

Fuse Block--Underhood IGN3 Fuse and Fuse Block--Center Console INKEY, KEY SOL, IGN 0, and BLWR Fuses


Object Number: 815766  Size: FS
Master Electrical Component List
Fuse Block-Center Console Fuse: IGN3 HVAC
Fuse Block-Underhood Fuse:48 Fuse Block-Center Console Fuses:BCM L, HZD FL, HUD, RADIO, RD AMP and IP MDL
Fuse Block-Underhood Buss Schematics
Figure 4:

Fuse Block--Center Console IGN3HVAC Fuse


Object Number: 815771  Size: FS
Master Electrical Component List
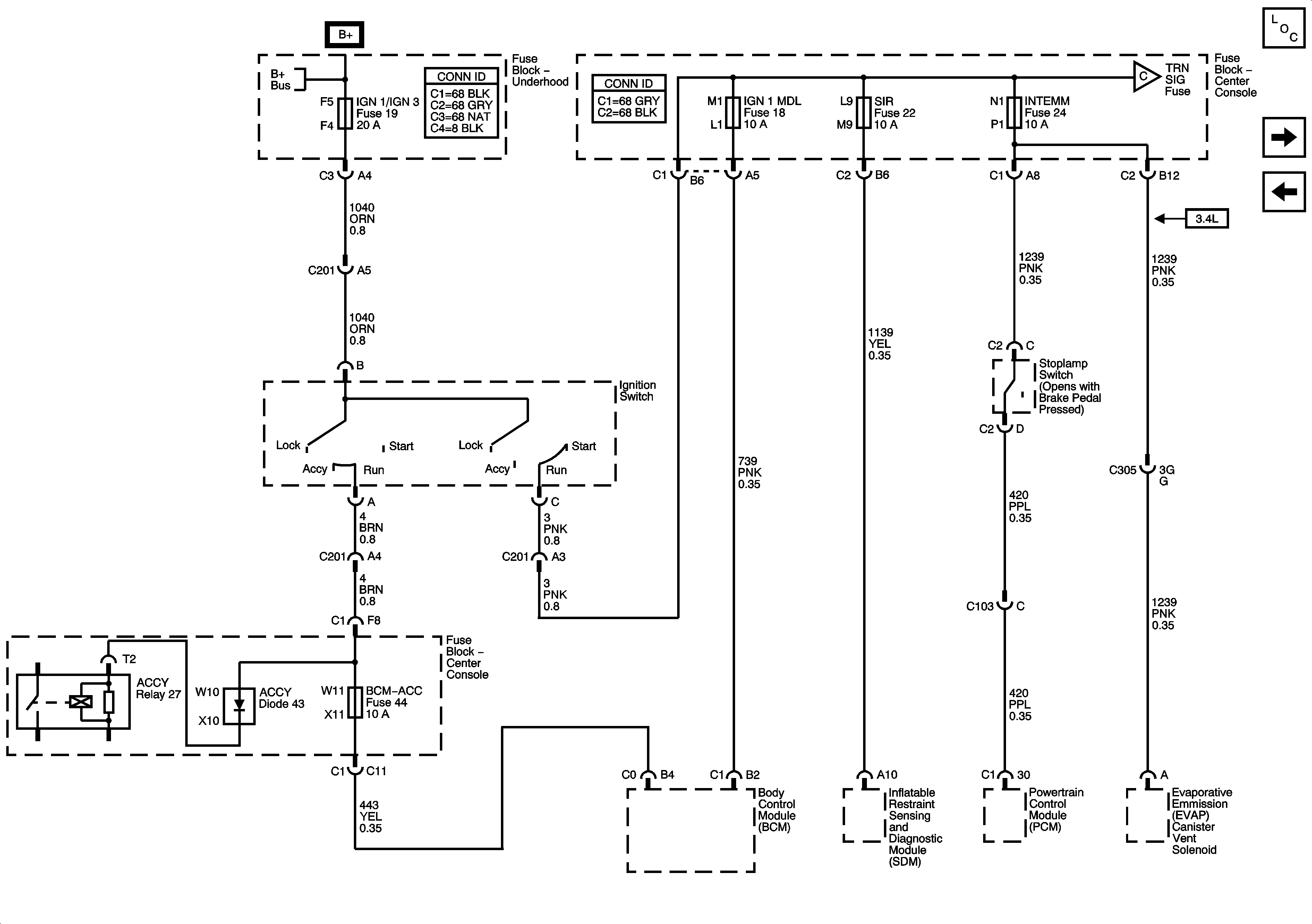
Fuse Block-Underhood Fuse: 19 Fuse Block-Center Console Fuses: IGN 1 MDL, SIR, INTEMM and BCM-ACCY
Fuse Block-Underhood Fuse: 47 Fuse Block-Center Console Fuses: INKEY, KEY SOL, IGN 0 and FRT BLWR
Figure 5:

Fuse Block--Underhood IGN 3 Fuse and Fuse Block--Center Console IGN 1 MDL, SIR, INTEMM and BCM-ACCY Fuses


Object Number: 1747820  Size: FS
Master Electrical Component List
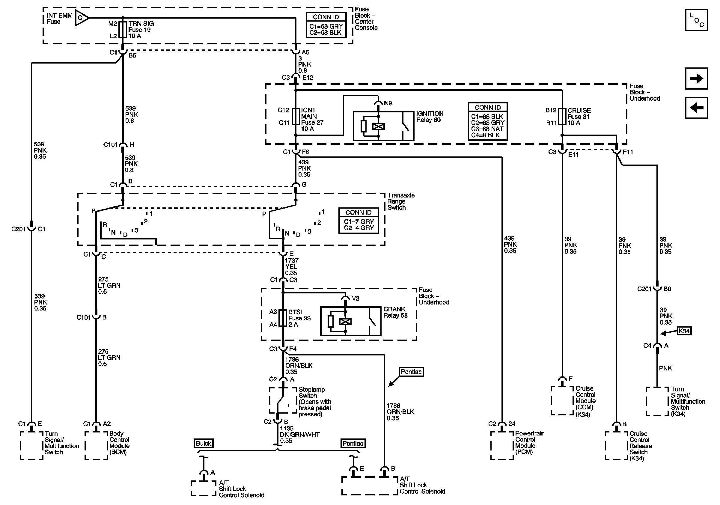
Fuse Block-Underhood Fuses: 27, 31 and 33 Fuse Block-Center Console Fuse: TURN SIG
Fuse Block-Center Console Fuse: IGN3 HVAC
Fuse Block-Underhood Buss Schematics
Figure 6:

Fuse Block--Underhood IGN1MAIN, CRUISE, and BTSI Fuses and Fuse Block--Center Console TRN SIG Fuse


Object Number: 815797  Size: FS
Master Electrical Component List
Fuse Block-Underhood Fuse: 45 Fuse Block-Center Console Fuses: BCM D, GATE REL, RR AUX, PWR MIR, ELC BATT and PWR STS Circuit Breaker
Fuse Block-Underhood Fuse: 19 Fuse Block-Center Console Fuses: IGN 1 MDL, SIR, INTEMM and BCM-ACCY
Figure 7:

Fuse Block--Underhood BATT 2 Fuse and Fuse Block--Center Console BCM D, GATE REL, RR AUX, PWR MIR, ELC BATT Fuses and PWR STS Circuit Breaker


Object Number: 826662  Size: FS
Master Electrical Component List
Fuse Block-Underhood Fuse: 41 Fuse Block-Center Console Fuses: SUN RF, ELC ACCY, ACC PWR, WIPER and RR WPR SW
Fuse Block-Underhood Fuses: 27, 31 and 33 Fuse Block-Center Console Fuse: TURN SIG
Fuse Block-Underhood Buss Schematics
Figure 8:

Fuse Block--Underhood IGN 1, IGN3 Fuses and Fuse Block--Center Console SUN RF, ELC ACCY, ACCPWR, WIPER, RRWPR Fuses and PWR WDWS Circuit Breaker


Object Number: 815806  Size: FS
Master Electrical Component List
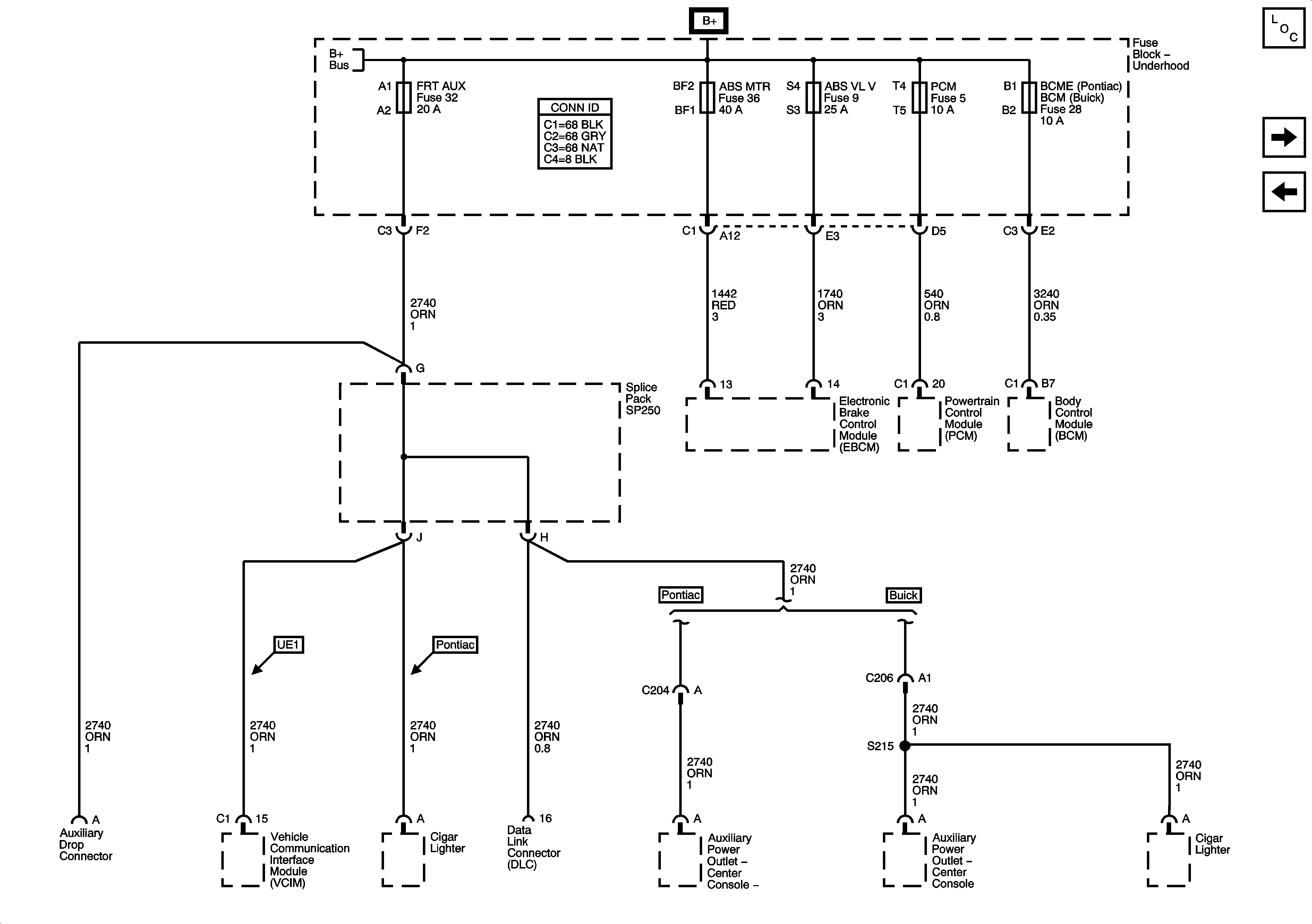
Fuse Block-Underhood Fuses: 32, 36, 9, 5 and 28
Fuse Block-Underhood Fuse: 45 Fuse Block-Center Console Fuses: BCM D, GATE REL, RR AUX, PWR MIR, ELC BATT and PWR STS Circuit Breaker
Fuse Block-Underhood Buss Schematics
Figure 9:

Fuse Block--Underhood FRT AUX, ABS MTR, ABS VLV, PCM, BCME (Pontiac), and BCM (Buick) Fuses


Object Number: 815812  Size: FS
Master Electrical Component List
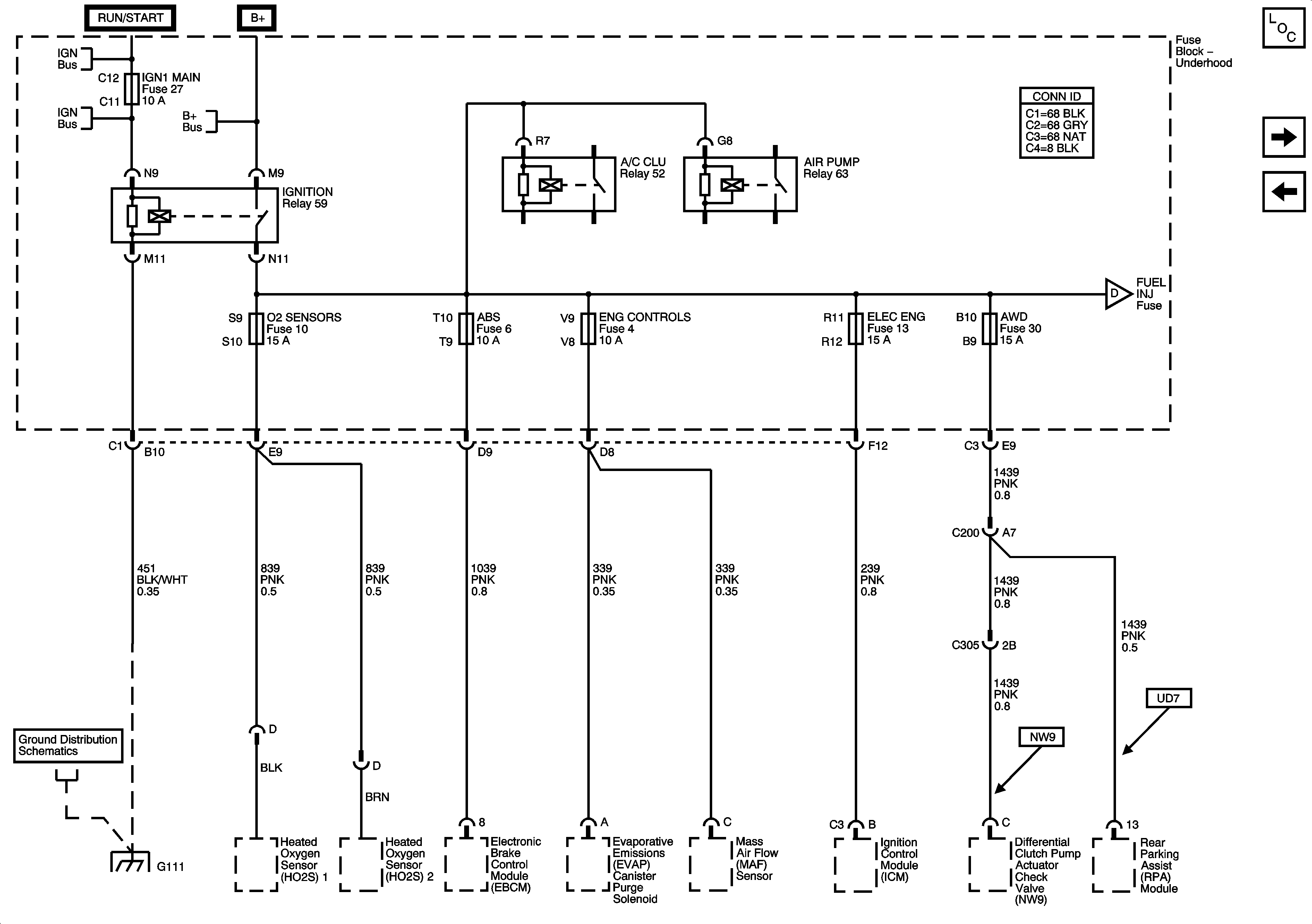
Fuse Block-Underhood Fuses: 10, 6, 4, 13 and 30
Fuse Block-Underhood Fuse: 41 Fuse Block-Center Console Fuses: SUN RF, ELC ACCY, ACC PWR, WIPER and RR WPR SW
Fuse Block-Underhood Buss Schematics
Figure 10:

Fuse Block--Underhood IGN1 MAIN, O2 SENSORS, ABS, ENG CONTROLS, ELECT ENG, and AWD Fuses


Object Number: 815816  Size: FS
Master Electrical Component List
Fuse Block-Underhood Fuses: 11 and 7
Fuse Block-Underhood Fuses: 32, 36, 9, 5 and 28
Fuse Block-Underhood Buss Schematics
Figure 11:

Fuse Block--Underhood FUEL INJ and TRANS SOL Fuses


Object Number: 815819  Size: FS
Master Electrical Component List
Fuse Block-Underhood Fuses: 42, 17, 15, 18, 23 and 14 Fuse Block-Center Console Fuses: HTD MIRR and RR DEF
Fuse Block-Underhood Fuses: 10, 6, 4, 13 and 30
Figure 12:

Fuse Block--Underhood BATT 3, LO BEAM-LT,LO BEAM-RT, HI BEAM-LT, HIGH BEAM-RT and DRL Fuses and Fuse Block--Center Console HTD MIRR and RR DEF Fuses


Object Number: 815822  Size: FS
Master Electrical Component List
Fuse Block-Center Console Fuse: STG COL
Fuse Block-Underhood Fuses: 11 and 7
Fuse Block-Underhood Buss Schematics
Figure 13:

Fuse Block--Center Console STG COL Fuse


Object Number: 628227  Size: FS
Master Electrical Component List
Fuse Block-Underhood Fuses: 42, 17, 15, 18, 23 and 14 Fuse Block-Center Console Fuses: HTD MIRR and RR DEF
Dimming Control, Doors, Rear Radio, and Steering Wheel