GM Service Manual Online
For 1990-2009 cars only
Figure 1:

Ground G100 -- Pontiac


Object Number: 628228  Size: FS
Master Electrical Component List
G101
Figure 2:

Ground G100 -- Buick


Object Number: 819392  Size: FS
Master Electrical Component List
Ground G101 Schematics
G401 (3 of 3), G402, and G403
Figure 3:

Ground G101 -- Pontiac


Object Number: 628229  Size: FS
Master Electrical Component List
G111
G100
Figure 4:

Ground G101 -- Buick


Object Number: 819393  Size: FS
Master Electrical Component List
Ground G111 Schematics
Ground G100 Schematics
Figure 5:

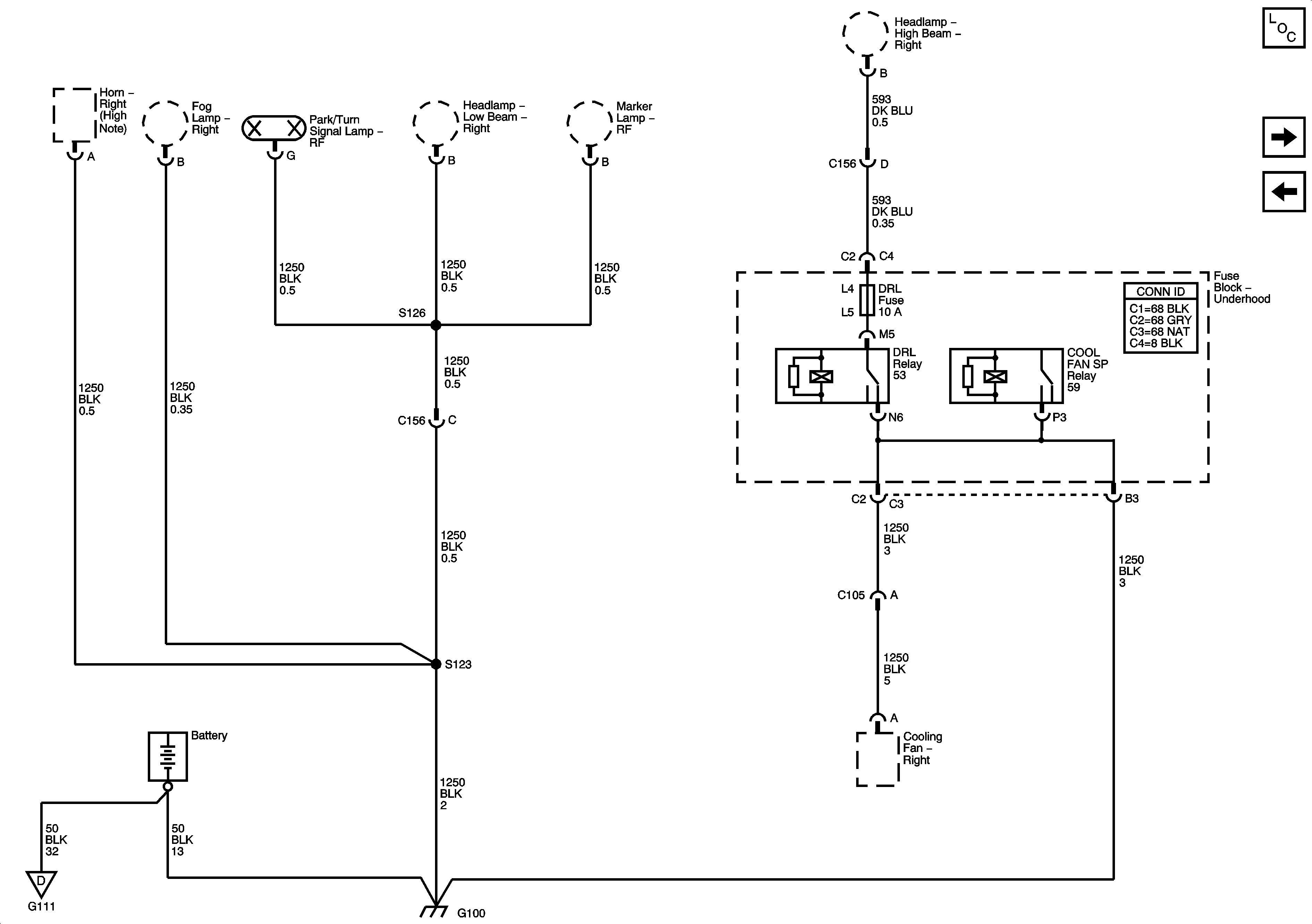
Ground G111


Object Number: 628230  Size: FS
Master Electrical Component List
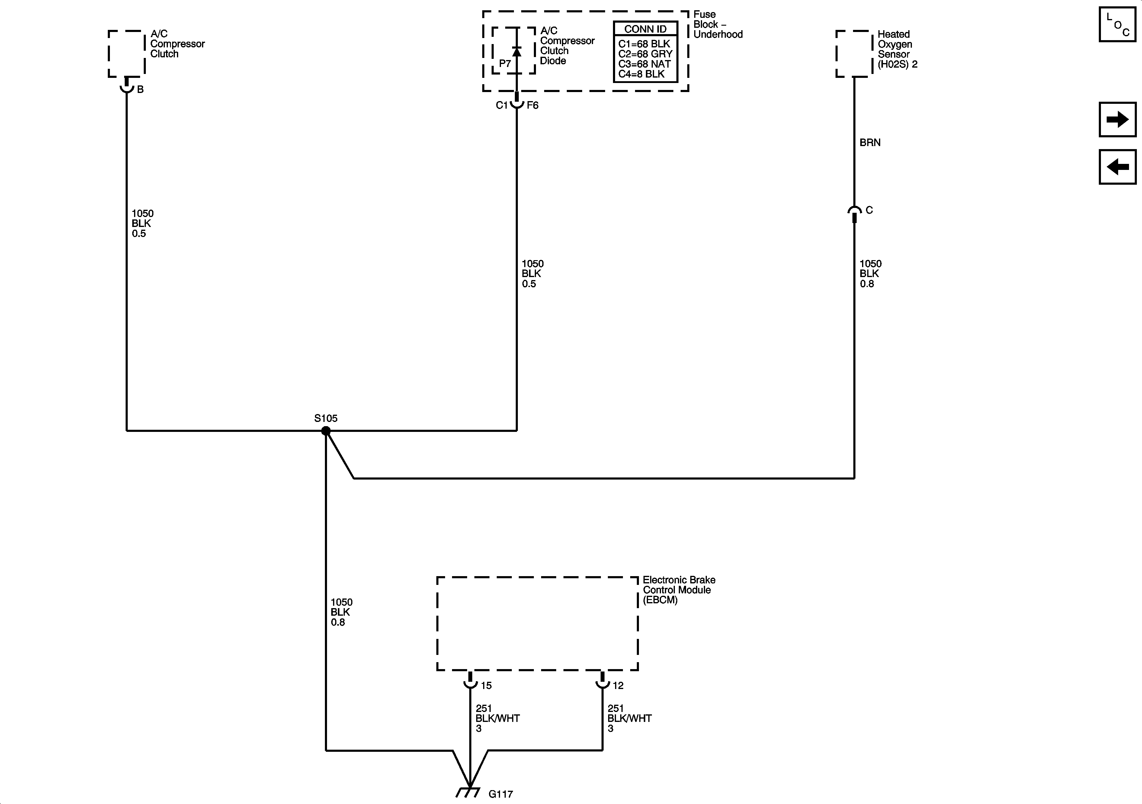
G117
G101
Figure 6:

Ground G117


Object Number: 628231  Size: FS
Master Electrical Component List
G200
G111
Figure 7:

Ground G200 -- Pontiac


Object Number: 628233  Size: FS
Master Electrical Component List
G201
G117
Figure 8:

Ground G200 -- Buick


Object Number: 819457  Size: FS
Master Electrical Component List
Ground G201 Schematics
Ground G117 Schematics
Figure 9:

Ground G201 -- Pontiac


Object Number: 628232  Size: FS
Master Electrical Component List
G201
G200
Figure 10:

Ground G201 -- Buick


Object Number: 819458  Size: FS
Master Electrical Component List
Ground G202 Schematics
Ground G200 Schematics
Figure 11:

Ground G202


Object Number: 836425  Size: FS
Master Electrical Component List
Ground G301 Schematics
Ground G201 Schematics
Figure 12:

Ground G301


Object Number: 819460  Size: FS
Master Electrical Component List
Ground G302 Schematics
Ground G202 Schematics
Figure 13:

Ground G302 -- Pontiac


Object Number: 628236  Size: FS
Master Electrical Component List
G303
G301
Figure 14:

Ground G302 -- Buick


Object Number: 819461  Size: FS
Master Electrical Component List
Ground G303 Schematics
Ground G301 Schematics
Figure 15:

Ground G303 -- Pontiac


Object Number: 628237  Size: FS
Master Electrical Component List
G401 (1 of 3)
G302
Figure 16:

Ground G303 -- Buick


Object Number: 819462  Size: FS
Master Electrical Component List
Ground G401 Schematics
Ground G302 Schematics
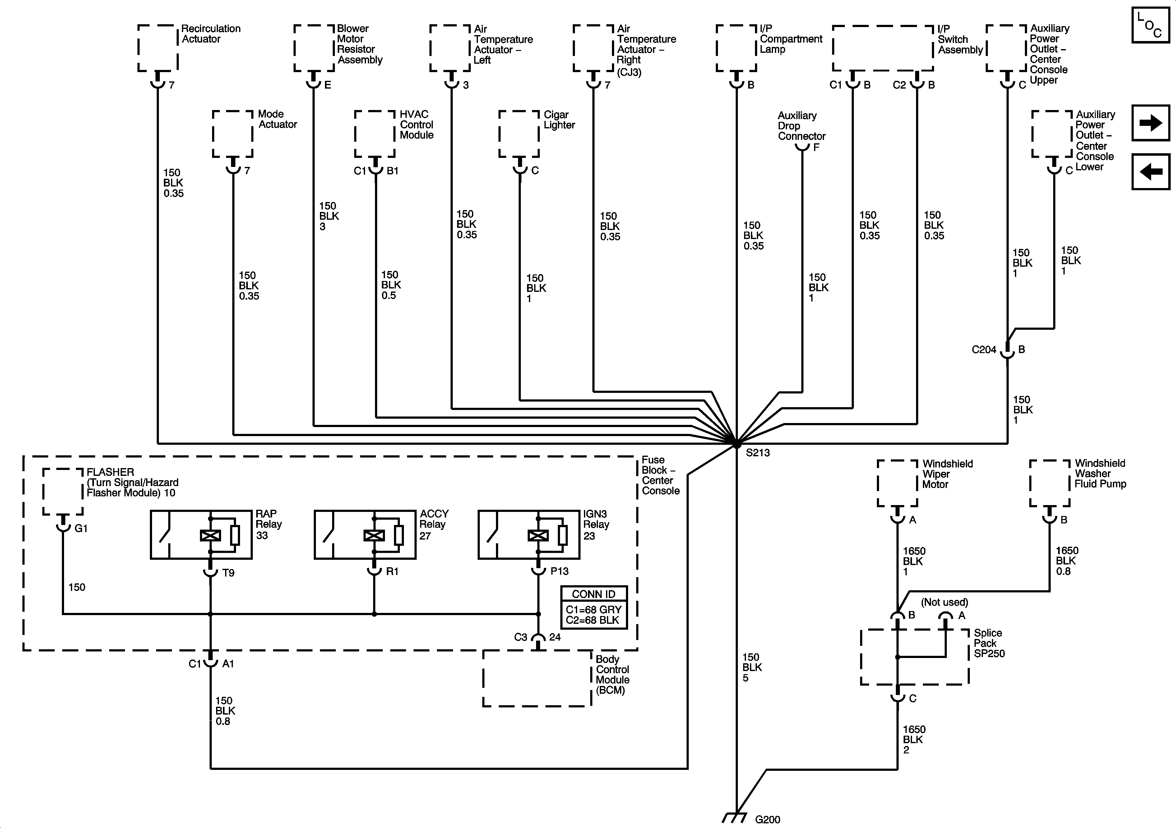
Figure 17:

Ground G401 1 of 3-Pontiac or 1 of 2-Buick


Object Number: 628238  Size: FS
Master Electrical Component List
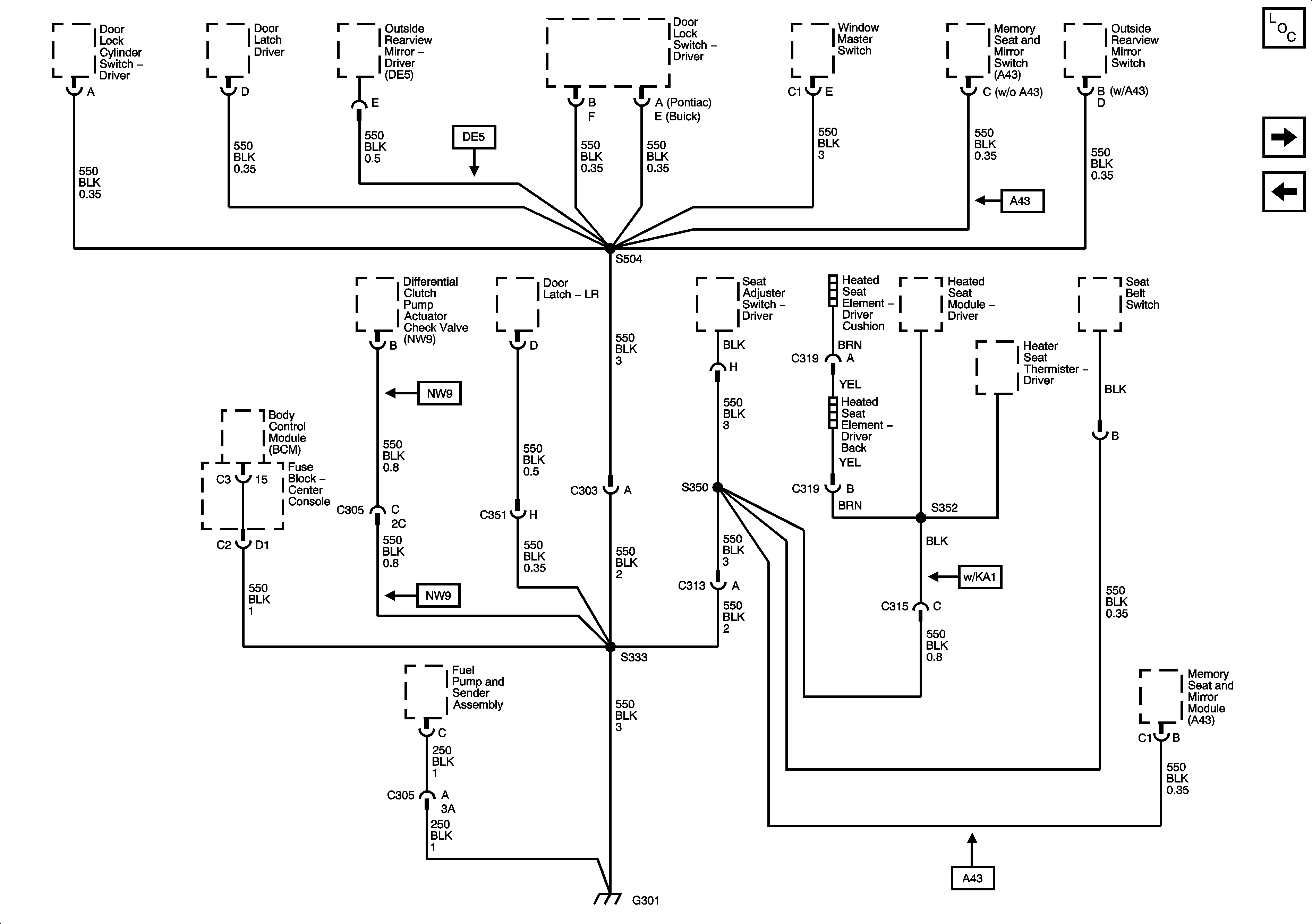
G401 (2 of 3)
G303
Figure 18:

Ground G401 2 of 3-Pontiac


Object Number: 628239  Size: FS
Master Electrical Component List
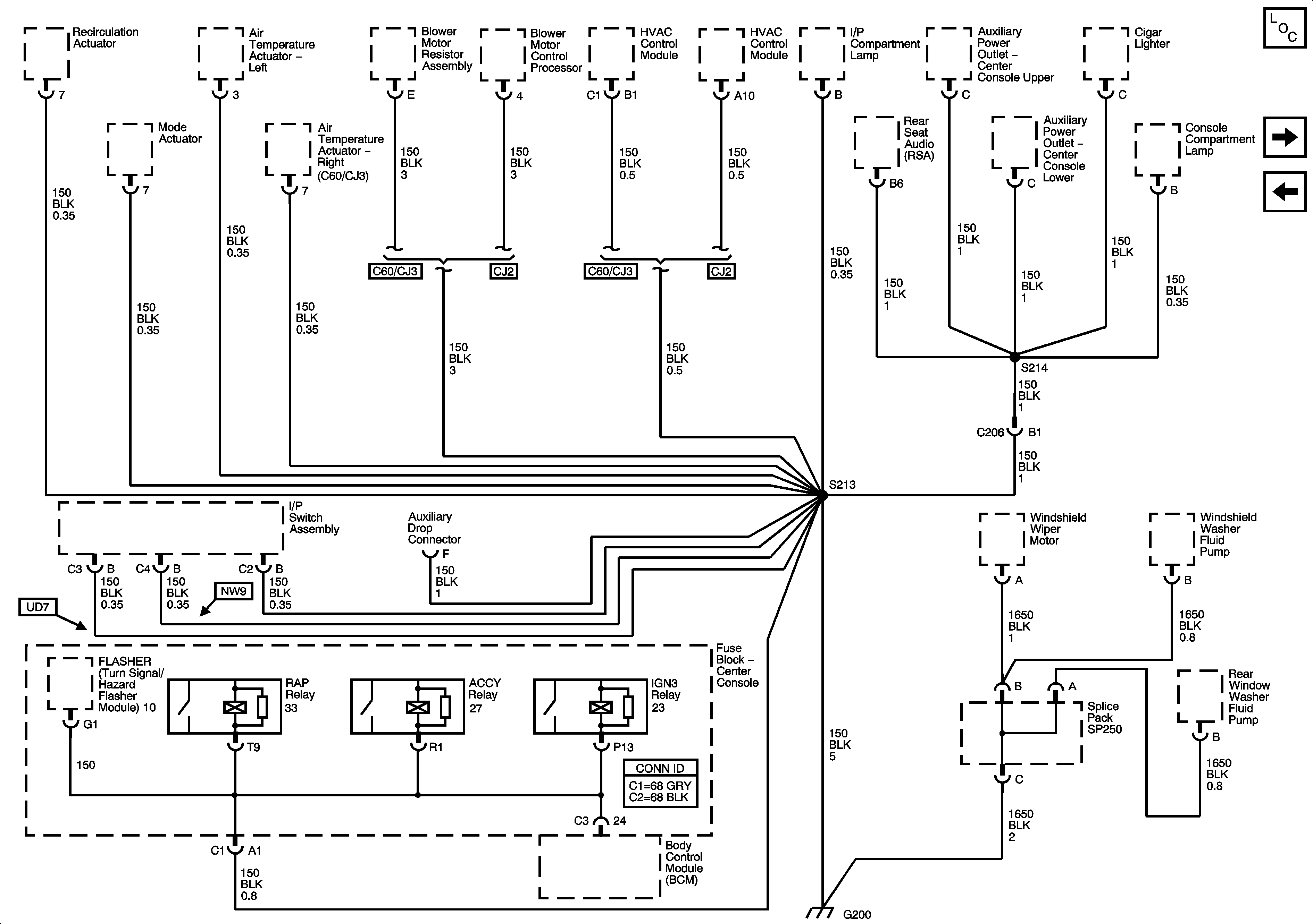
G401 (3 of 3), G402, and G403
G401 (1 of 3)
Figure 19:

Ground G401 3 of 3, G402, and G403-Pontiac


Object Number: 628240  Size: FS
Master Electrical Component List
Ground G100 Schematics
G401 (2 of 3)
Figure 20:

Ground G401 2 of 2, G402, and G403-Buick


Object Number: 819464  Size: FS
Master Electrical Component List
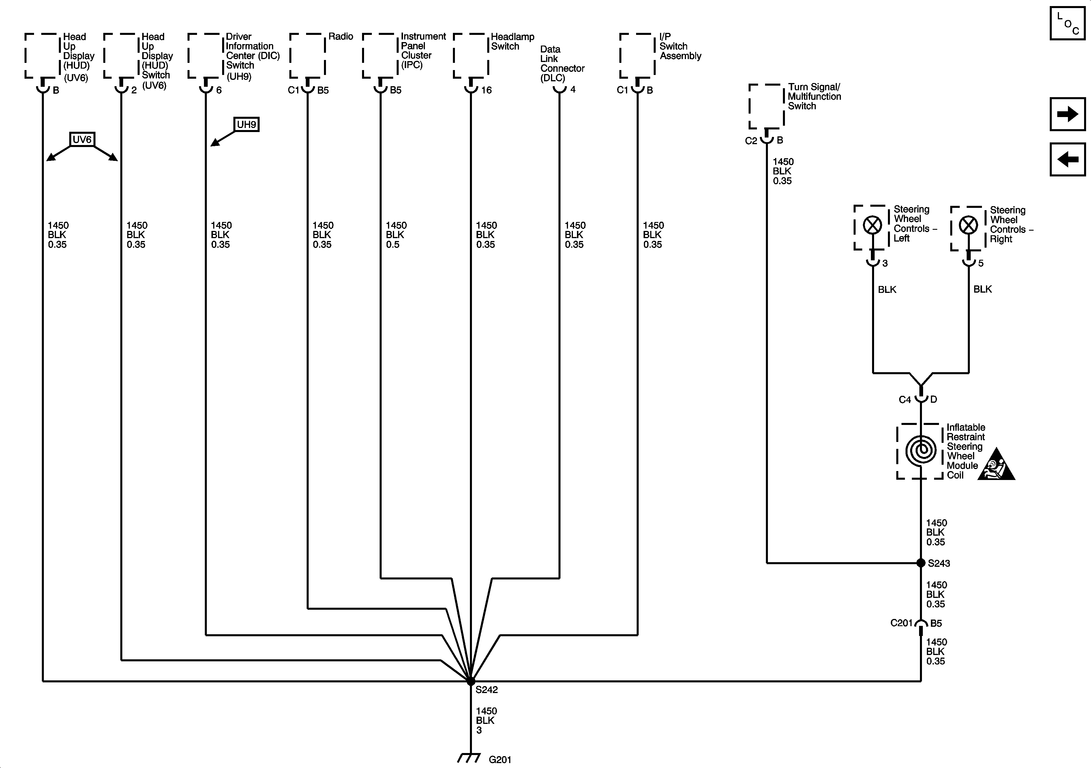
Ground G401 Schematics