GM Service Manual Online
For 1990-2009 cars only
Figure 1:

Ground G100 -- Pontiac


Object Number: 628228  Size: FS
Master Electrical Component List
Ground G101 - Pontiac
Figure 2:

Ground G101 -- Pontiac


Object Number: 628229  Size: FS
Master Electrical Component List
Ground G111 - Pontiac
Ground G100 - Pontiac
Figure 3:

Ground G111 -- Pontiac


Object Number: 1045707  Size: FS
Master Electrical Component List
Ground G117 - Pontiac
Ground G101 - Pontiac
Figure 4:

Ground G117 -- Pontiac


Object Number: 628231  Size: FS
Master Electrical Component List
Ground G200 - Pontiac
Ground G111 - Pontiac
Figure 5:

Ground G200 -- Pontiac


Object Number: 628233  Size: FS
Master Electrical Component List
Ground G201 - Pontiac
Ground G117 - Pontiac
Figure 6:

Ground G201 - Pontiac


Object Number: 628232  Size: FS
Master Electrical Component List
Ground G202 - Pontiac
Ground G200 - Pontiac
Figure 7:

Ground G202 -- Pontiac


Object Number: 1120083  Size: FS
Master Electrical Component List
Ground G301 - Pontiac
Ground G201 - Pontiac
Figure 8:

Ground G301 -- Pontiac


Object Number: 628235  Size: FS
Master Electrical Component List
Ground G302 - Pontiac
Ground G202 - Pontiac
Figure 9:

Ground G302 -- Pontiac


Object Number: 628236  Size: FS
Master Electrical Component List
Ground G303 - Pontiac
Ground G301 - Pontiac
Figure 10:

Ground G303 -- Pontiac


Object Number: 628237  Size: FS
Master Electrical Component List
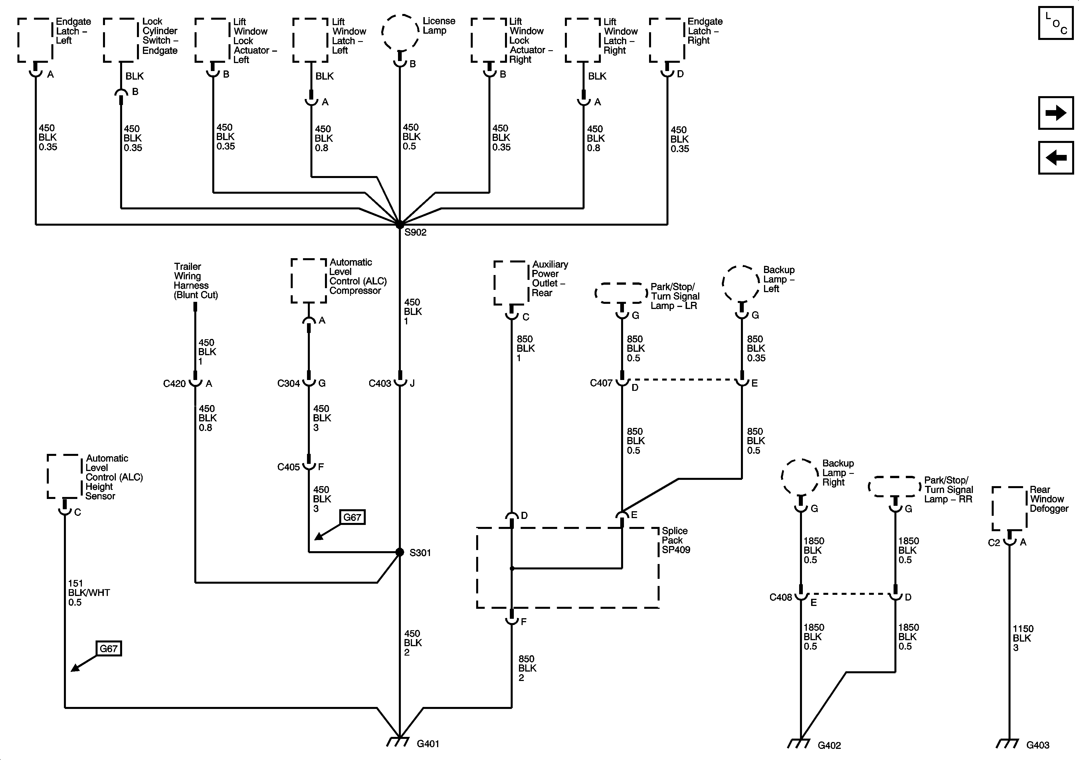
Ground G401, G402, and G403 - Pontiac
Ground G302 - Pontiac
Figure 11:

Ground G401, G402, and G403 -- Pontiac


Object Number: 1547555  Size: FS
Master Electrical Component List
Ground G100 - Buick
Ground G303 - Pontiac
Figure 12:

Ground G100 -- Buick


Object Number: 819392  Size: FS
Master Electrical Component List
Ground G101 - Buick
Ground G401, G402, and G403 - Pontiac
Figure 13:

Ground G101 -- Buick


Object Number: 819393  Size: FS
Master Electrical Component List
Ground G111 - Buick
Ground G100 - Buick
Figure 14:

Ground G111 -- Buick


Object Number: 1045707  Size: FS
Master Electrical Component List
Ground G117 - Buick
Ground G101 - Buick
Figure 15:

Ground G117 -- Buick


Object Number: 628231  Size: FS
Master Electrical Component List
Ground G200 - Buick
Ground G111 - Buick
Figure 16:

Ground G200 -- Buick


Object Number: 819457  Size: FS
Master Electrical Component List
Ground G201 - Buick
Ground G117 - Buick
Figure 17:

Ground G201 -- Buick


Object Number: 819458  Size: FS
Master Electrical Component List
Ground G202 - Buick
Ground G200 - Buick
Figure 18:

Ground G202 -- Buick


Object Number: 1120083  Size: FS
Master Electrical Component List
Ground G301 - Buick
Ground G201 - Buick
Figure 19:

Ground G301 -- Buick


Object Number: 819460  Size: FS
Master Electrical Component List
Ground G302-Buick
Ground G202 - Buick
Figure 20:

Ground G302 -- Buick


Object Number: 819461  Size: FS
Master Electrical Component List
Ground G303-Buick
Ground G301 - Buick
Figure 21:

Ground G303 -- Buick


Object Number: 819462  Size: FS
Master Electrical Component List
Ground G401, 402 and 403-Buick
Ground G302-Buick
Figure 22:

Ground G401, G402 and G403 -- Buick


Object Number: 1546847  Size: FS
Master Electrical Component List
Ground G303-Buick