GM Service Manual Online
For 1990-2009 cars only
Figure 1:

Base Mirrors - Pontiac


Object Number: 754037  Size: FS
Master Electrical Component List
Outside Mirror Description and Operation
Base Mirrors - Buick
Fuse Block - Underhood Buss
Ground G301 - Buick
Ground G301 - Buick
Figure 2:

Base Mirrors - Buick


Object Number: 1677199  Size: FS
Master Electrical Component List
Outside Mirror Description and Operation
Heated Mirrors
Base Mirrors - Pontiac
Fuse Block - Underhood Buss
Dimming Control and Panel Lamps - Buick, Page 1 of 2
Ground G301 - Buick
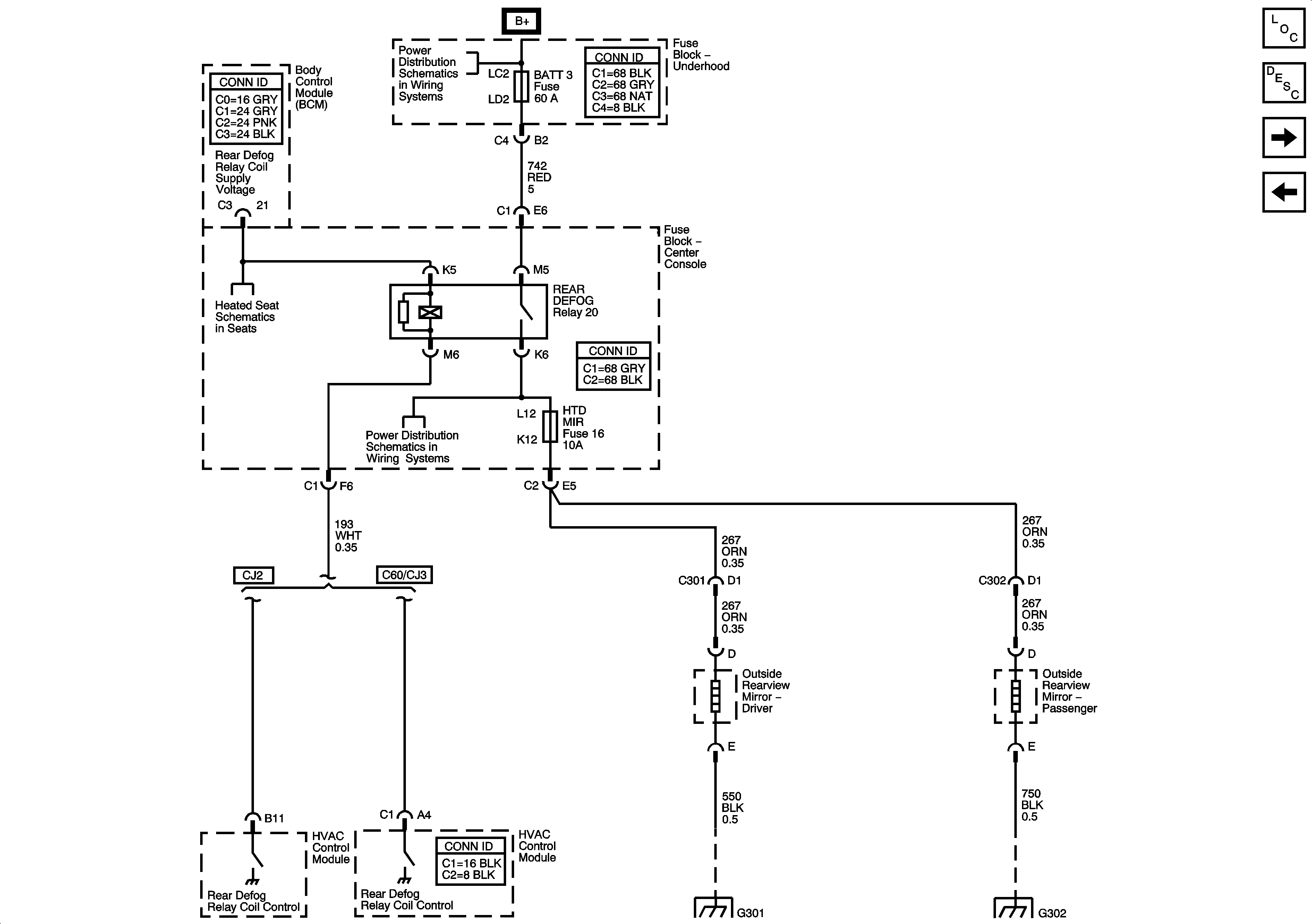
Figure 3:

Heated Mirrors


Object Number: 796612  Size: FS
Master Electrical Component List
Outside Mirror Description and Operation
Base Mirrors - Buick
Fuse Block - Underhood Buss
Heated Seats Schematics
Fuse Block Underhood Fuses: 42, 17, 15, 18, 23 and 14
Ground G301 - Buick
Ground G302-Buick
Figure 4:

Memory Mirrors - Power, Ground and Switches


Object Number: 796610  Size: FS
Master Electrical Component List
Memory Mirrors - Mirror Controls
Heated Mirrors
Fuse Block Underhood Fuse: 45 Fuse Block Center Console
Fuse Block Underhood Fuse: 45 Fuse Block Center Console
Fuse Block Underhood Fuse: 45 Fuse Block Center Console
Data Link Connector (DLC) Schematics
Ground G301 - Buick
Dimming Control and Panel Lamps - Buick, Page 1 of 2
Ground G301 - Buick
Ground G301 - Buick
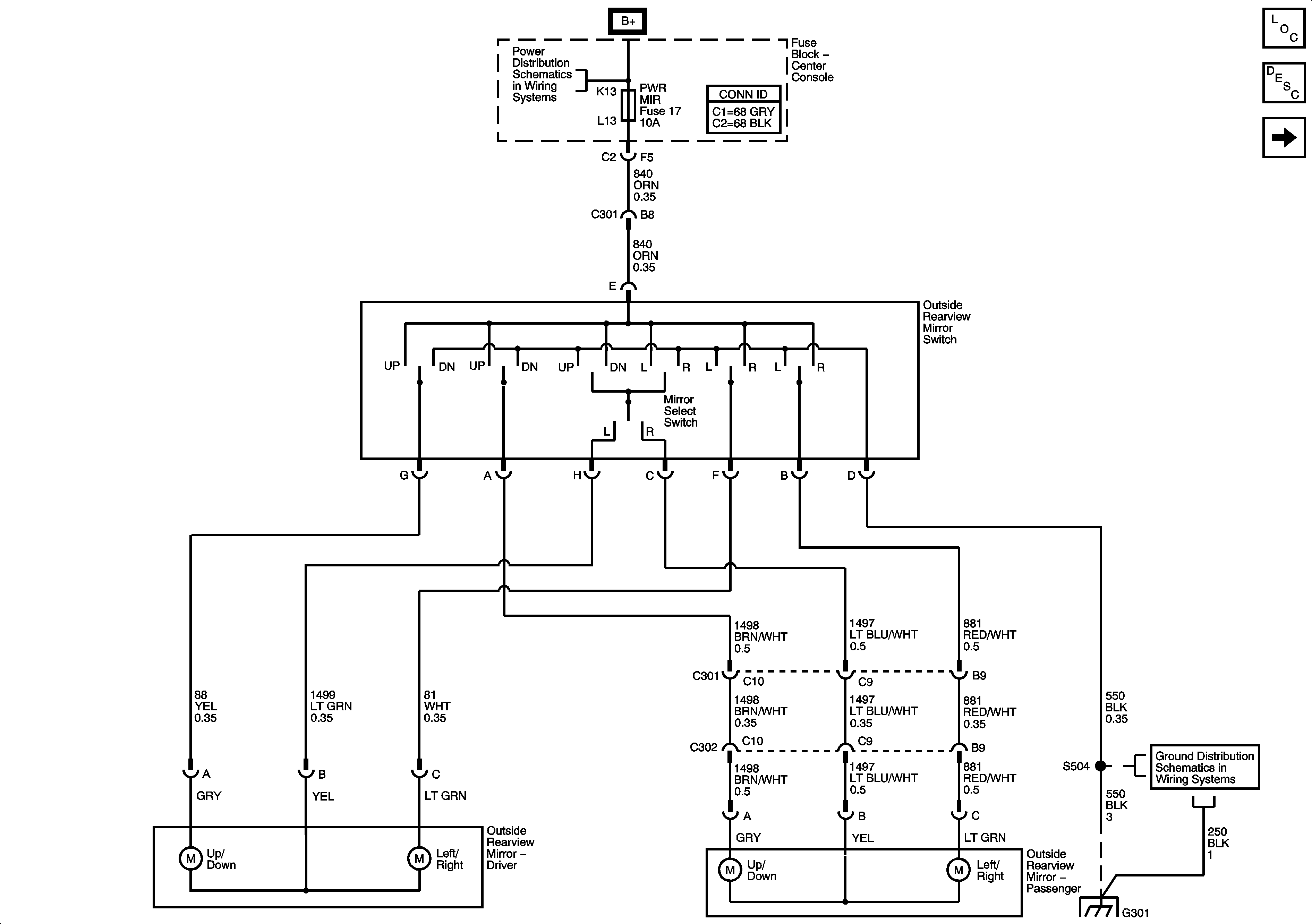
Figure 5:

Memory Mirrors - Mirror Controls


Object Number: 796611  Size: FS
Master Electrical Component List
Memory Mirrors - Power, Ground and Switches