GM Service Manual Online
For 1990-2009 cars only
Figure 1:

Radio System (U96)-- Pontiac


Object Number: 824475  Size: FS
Master Electrical Component List
Radio W/Rear Seat Audio Controls - Pontiac
Fuse Block-Underhood Fuse: 48, Fuse Block Center Console Fuses
Panel Lamps - Pontiac, Page 2 of 2
Data Link Connector (DLC) Schematics
Steering Wheel and Tailgate Controls - Pontiac
Onstar (R) Schematics
Ground G201 - Pontiac
Ground G201 - Pontiac
Steering Wheel and Tailgate Controls - Pontiac
Ground G202 - Pontiac
Ground G202 - Pontiac
Figure 2:

Radio W/Rear Seat Audio Controls (U96 w/U32) -- Pontiac


Object Number: 824476  Size: FS
Master Electrical Component List
Uplevel Radio W/O RSA Controls - Pontiac
Radio System - Pontiac
Fuse Block-Underhood Fuse: 48, Fuse Block Center Console Fuses
Panel Lamps - Pontiac, Page 2 of 2
Data Link Connector (DLC) Schematics
Steering Wheel and Tailgate Controls - Pontiac
Onstar (R) Schematics
Ground G201 - Pontiac
Ground G201 - Pontiac
Dimming Cont and Panel Lamps - Pontiac, 1 of 2
Dimming Cont and Panel Lamps - Pontiac, 1 of 2
Ground G303 - Pontiac
Ground G303 - Pontiac
Ground G202 - Pontiac
Figure 3:

Uplevel Radio W/O Rear Seat Audio Controls (UQ3) -- Pontiac


Object Number: 824477  Size: FS
Master Electrical Component List
Uplevel Radio W/RSA Controls - Pontiac
Ground G202 - Pontiac
Fuse Block-Underhood Fuse: 48, Fuse Block Center Console Fuses
Panel Lamps - Pontiac, Page 2 of 2
Data Link Connector (DLC) Schematics
Onstar (R) Schematics
Steering Wheel and Tailgate Controls - Pontiac
Steering Wheel and Tailgate Controls - Pontiac
Steering Wheel and Tailgate Controls - Pontiac
Ground G201 - Pontiac
Ground G201 - Pontiac
Ground G202 - Pontiac
Ground G202 - Pontiac
Steering Wheel and Tailgate Controls - Pontiac
Figure 4:

Uplevel Radio W/Rear Seat Audio Controls (UQ3 w/U32) -- Pontiac


Object Number: 824478  Size: FS
Master Electrical Component List
Radio Speakers (RPO UQ3) - Pontiac
Uplevel Radio W/O RSA Controls - Pontiac
Fuse Block-Underhood Fuse: 48, Fuse Block Center Console Fuses
Panel Lamps - Pontiac, Page 2 of 2
Data Link Connector (DLC) Schematics
Onstar (R) Schematics
Steering Wheel and Tailgate Controls - Pontiac
Steering Wheel and Tailgate Controls - Pontiac
Steering Wheel and Tailgate Controls - Pontiac
Steering Wheel and Tailgate Controls - Pontiac
Steering Wheel and Tailgate Controls - Pontiac
Ground G201 - Pontiac
Ground G201 - Pontiac
Ground G202 - Pontiac
Ground G202 - Pontiac
Dimming Cont and Panel Lamps - Pontiac, 1 of 2
Dimming Cont and Panel Lamps - Pontiac, 1 of 2
Ground G303 - Pontiac
Ground G303 - Pontiac
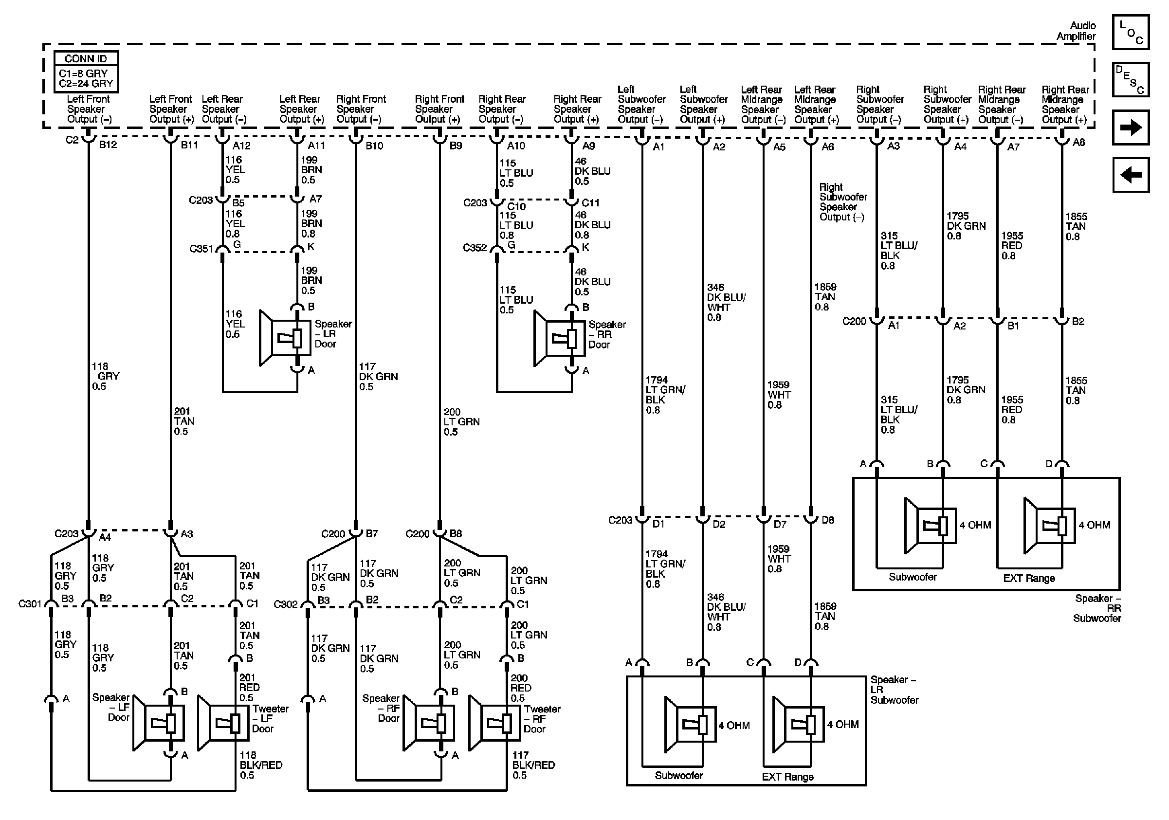
Figure 5:

Radio Speakers ( UQ3) -- Pontiac


Object Number: 824479  Size: FS
Master Electrical Component List
Radio System - Buick
Uplevel Radio W/RSA Controls - Pontiac
Figure 6:

Radio System (U96) -- Buick


Object Number: 824268  Size: FS
Master Electrical Component List
Radio W/Rear Seat Audio Controls - Buick
Radio Speakers (RPO UQ3) - Pontiac
Fuse Block-Underhood Fuse: 48, Fuse Block Center Console Fuses
Panel Lamps - Pontiac, Page 2 of 2
Data Link Connector (DLC) Schematics
Steering Wheel Controls - Buick
Onstar (R) Schematics
Ground G201 - Buick
Ground G201 - Buick
Steering Wheel Controls - Buick
Ground G202 - Buick
Figure 7:

Radio W/Rear Seat Audio Controls (U96 w/U32)-- Buick


Object Number: 824269  Size: FS
Master Electrical Component List
Uplevel Radio W/O RSA Controls - Buick
Radio System - Buick
Fuse Block-Underhood Fuse: 48, Fuse Block Center Console Fuses
Panel Lamps - Pontiac, Page 2 of 2
Data Link Connector (DLC) Schematics
Steering Wheel Controls - Buick
Onstar (R) Schematics
Ground G201 - Buick
Ground G201 - Buick
Dimming Cont and Panel Lamps - Pontiac, 1 of 2
Dimming Cont and Panel Lamps - Pontiac, 1 of 2
Ground G200 - Buick
Ground G200 - Buick
Ground G202 - Buick
Figure 8:

Uplevel Radio W/O Rear Seat Audio Controls (UQ3)-- Buick


Object Number: 824272  Size: FS
Master Electrical Component List
Uplevel Radio W/RSA Controls - Buick
Radio W/Rear Seat Audio Controls - Buick
Transaxle Range Switch and VSS
Data Link Connector (DLC) Schematics
Data Link Connector (DLC) Schematics
Onstar (R) Schematics
Steering Wheel Controls - Buick
Ground G201 - Buick
Ground G201 - Buick
Ground G202 - Buick
Ground G202 - Buick
Figure 9:

Uplevel Radio W/Rear Seat Audio Controls (UQ3 w/U32)-- Buick


Object Number: 824274  Size: FS
Master Electrical Component List
Radio Speakers - Buick
Uplevel Radio W/O RSA Controls - Buick
Fuse Block-Underhood Fuse: 48, Fuse Block Center Console Fuses
Panel Lamps - Pontiac, Page 2 of 2
Data Link Connector (DLC) Schematics
Onstar (R) Schematics
Steering Wheel Controls - Buick
Ground G201 - Buick
Ground G201 - Buick
Ground G202 - Buick
Ground G202 - Buick
Dimming Cont and Panel Lamps - Pontiac, 1 of 2
Ground G200 - Buick
Ground G200 - Buick
Dimming Cont and Panel Lamps - Pontiac, 1 of 2
Figure 10:

Radio Speakers (UQ3) -- Buick


Object Number: 824275  Size: FS
Master Electrical Component List
Digital Reciever w/U2K
Uplevel Radio W/RSA Controls - Buick
Figure 11:

Digital Radio Receiver w/U2K


Object Number: 1222665  Size: FS
Master Electrical Component List
Radio Speakers - Buick
Fuse Block - Underhood Buss
Data Link Connector (DLC) Schematics
Ground G202 - Buick
Figure 12:

Digital Radio Reciever w/U2K and UE1


Object Number: 1222479  Size: FS
Master Electrical Component List
Fuse Block - Underhood Buss
Data Link Connector (DLC) Schematics
Ground G202 - Buick
Video System Schematic
Video System Schematic
Video System Schematic