GM Service Manual Online
For 1990-2009 cars only
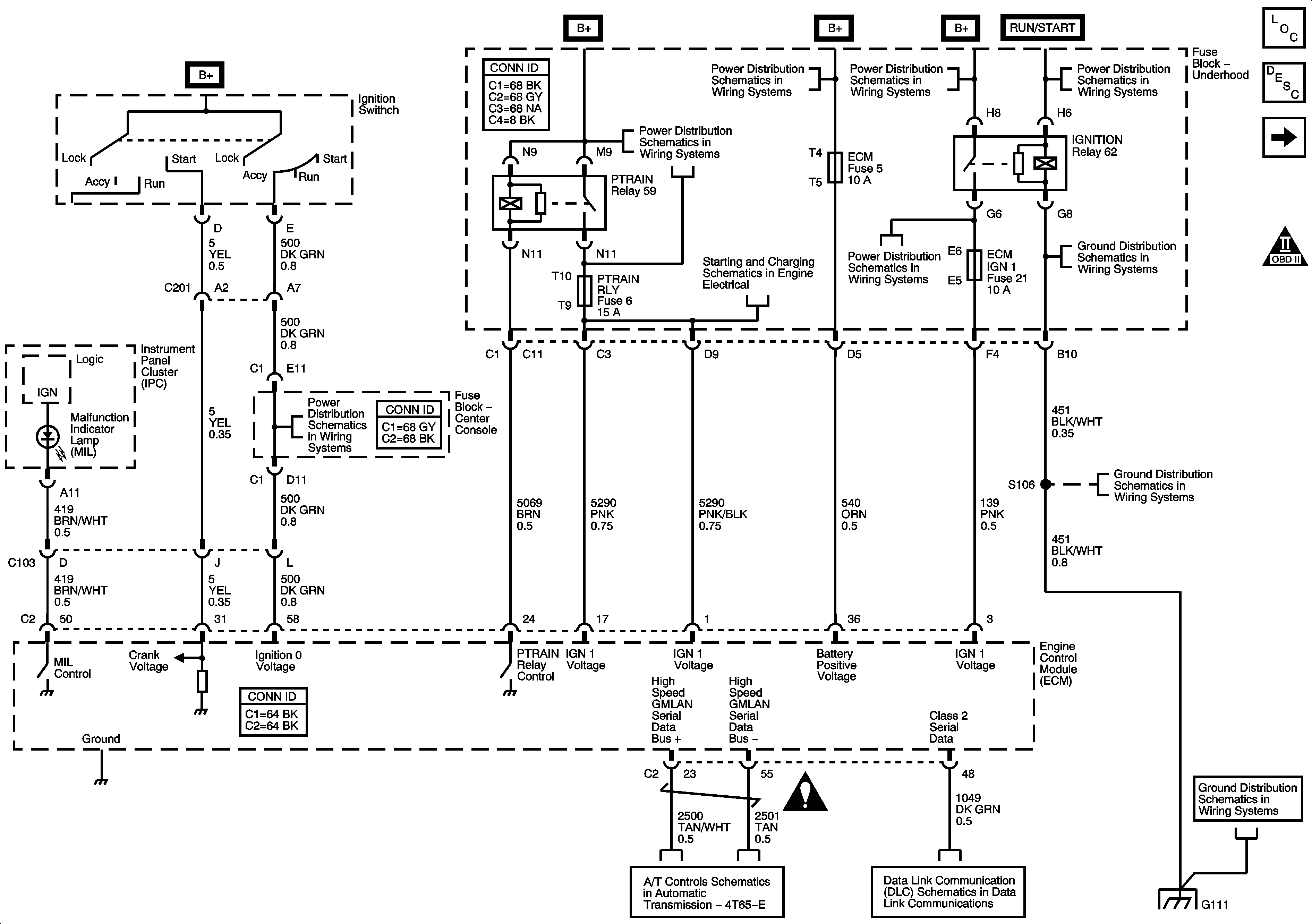
Figure 1:

Power, Ground, Serial Data, MIL and Indicators


Object Number: 1397256  Size: FS
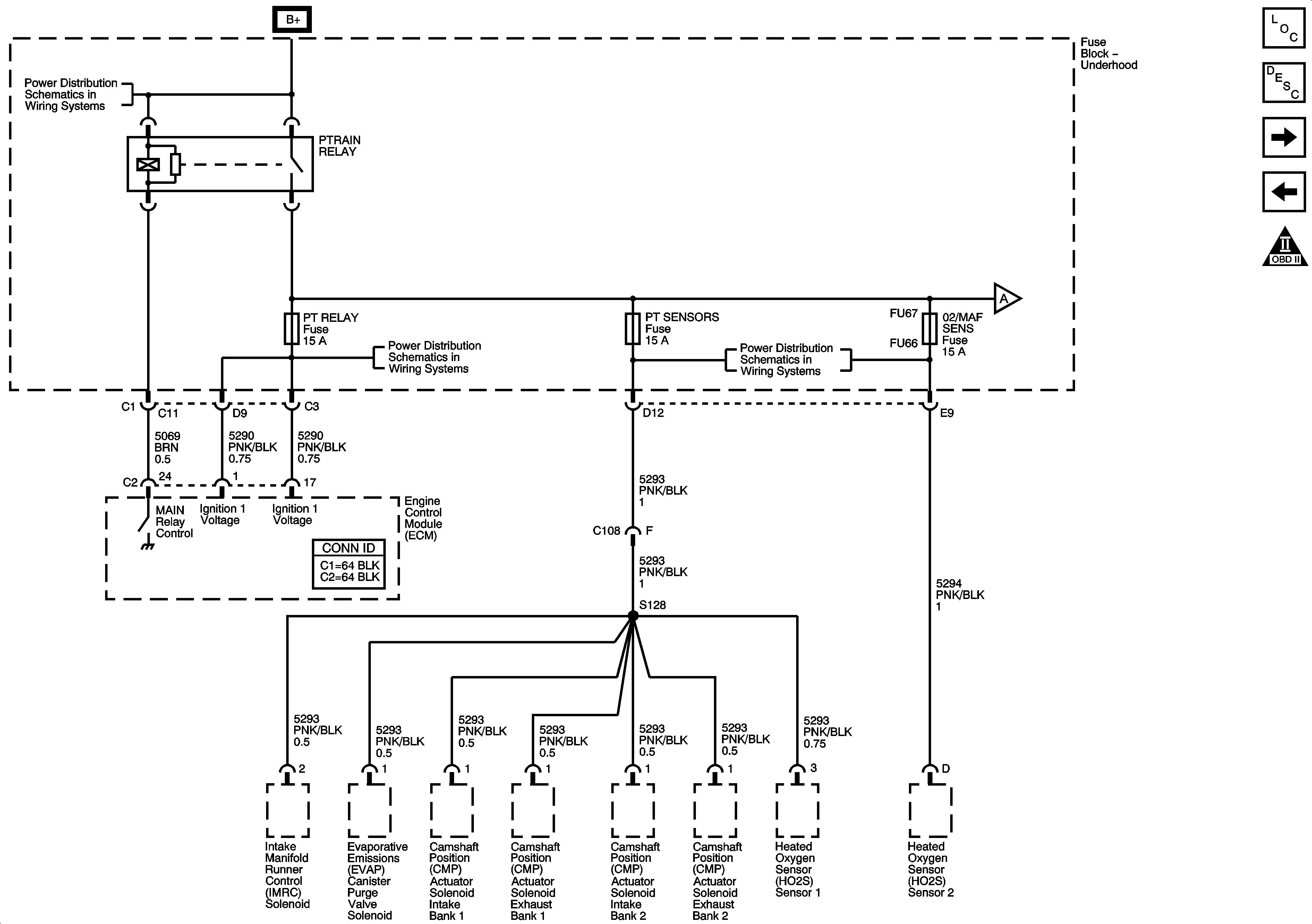
Figure 2:

Underhood Fuse Block Main Relay 1 of 2


Object Number: 1372959  Size: FS
Figure 3:

Underhood Fuse Block Main Relay 2 of 2


Object Number: 1372961  Size: FS
Figure 4:

Engine Data Sensors - 5-Volt Reference Bus


Object Number: 1372962  Size: FS
Figure 5:

Engine Data Sensors - Low Reference Bus


Object Number: 1372967  Size: FS
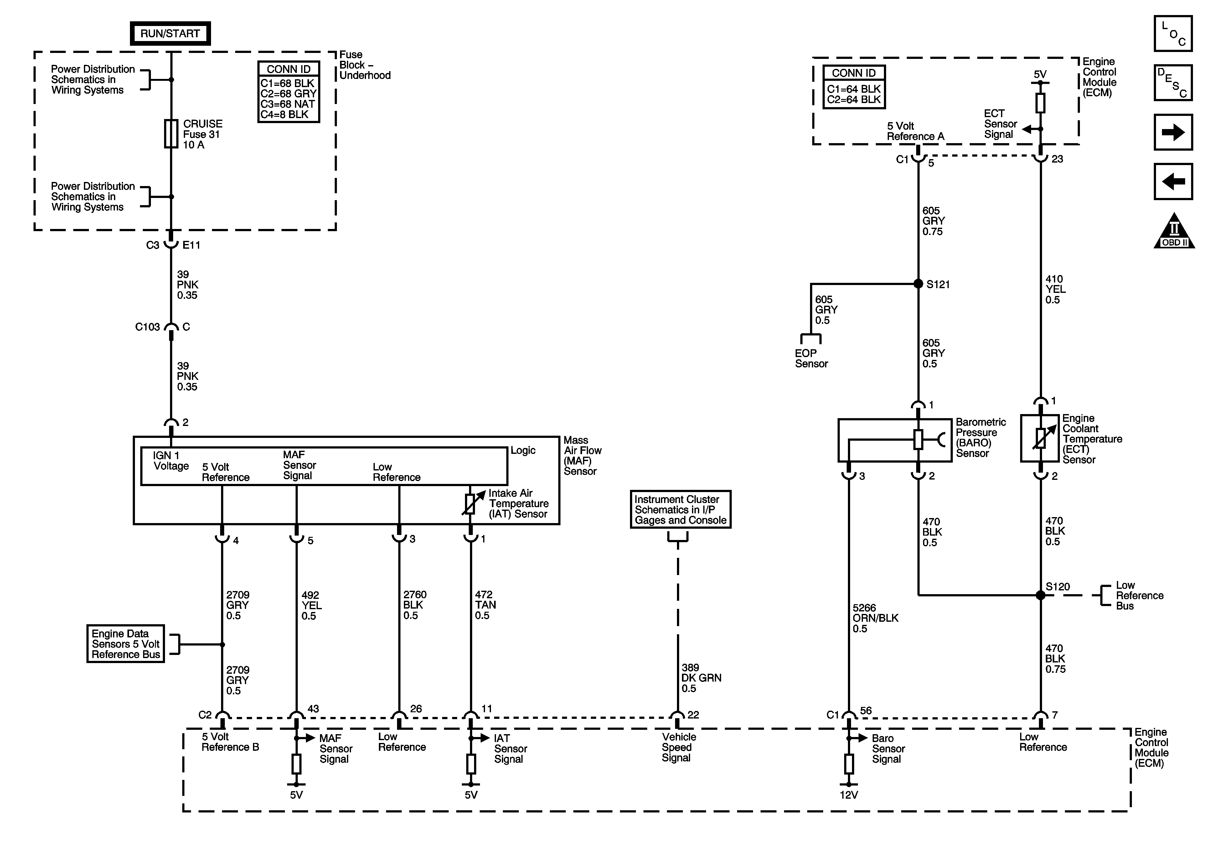
Figure 6:

Engine Data Sensors - BARO, ECT and MAF/IAT Sensors


Object Number: 1372971  Size: FS
Figure 7:

Engine Data Sensors - Heated Oxygen Sensors (HO2S)


Object Number: 1372973  Size: FS
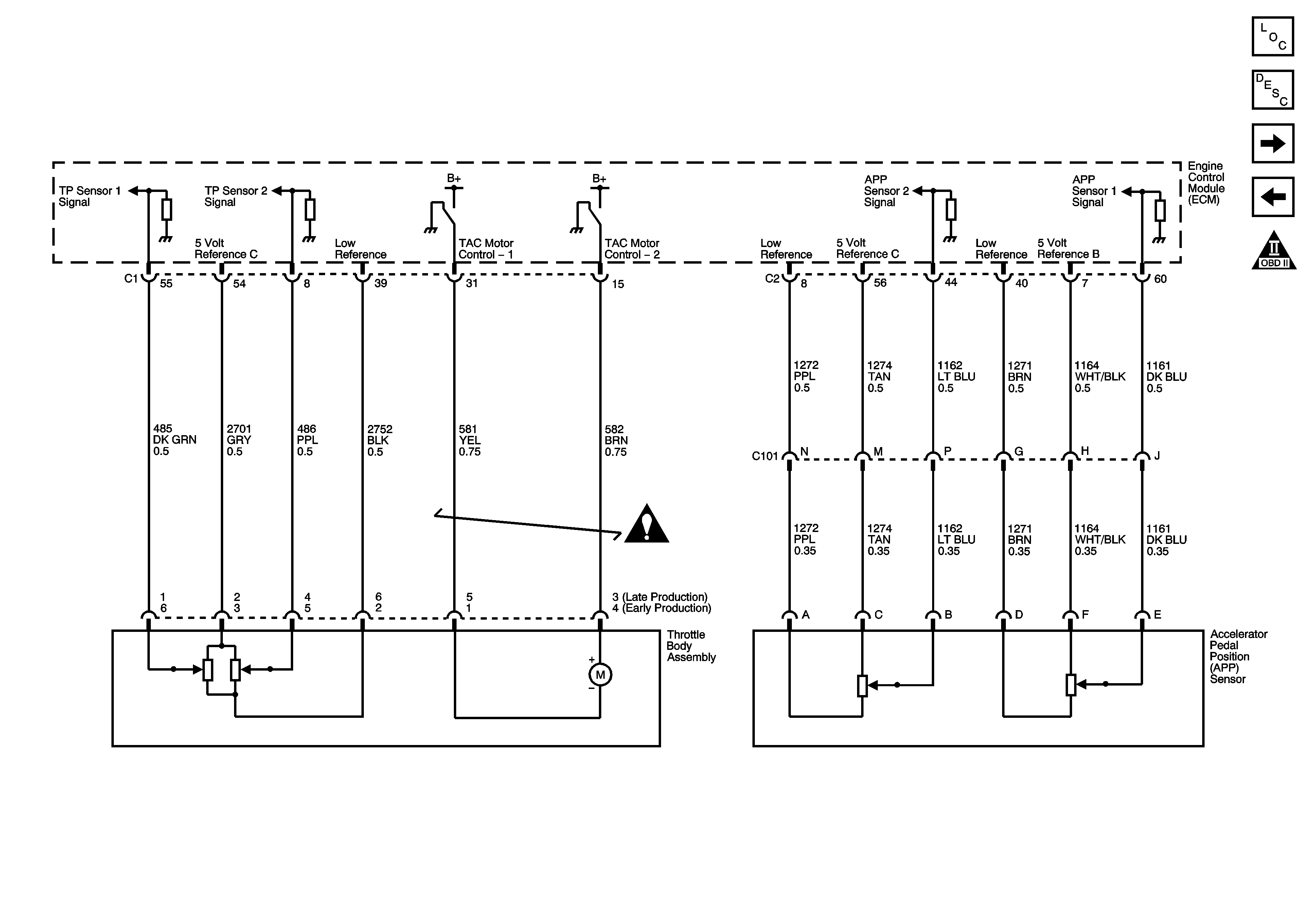
Figure 8:

Engine Data Sensors - Throttle Actuator Control (TAC) System


Object Number: 1372996  Size: FS
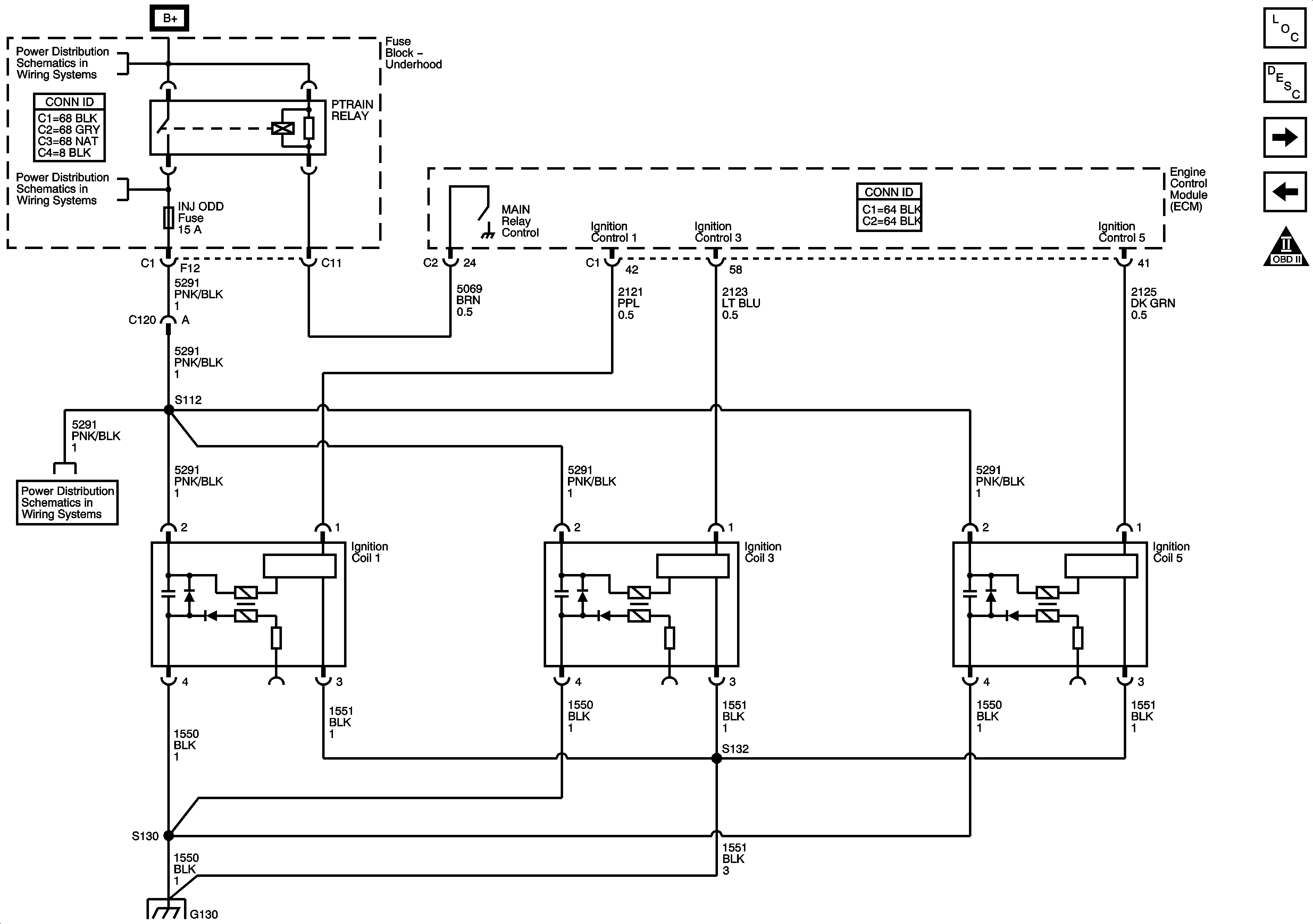
Figure 9:

Ignition Controls - Bank 1 (Odd) Ignition Coils


Object Number: 1373023  Size: FS
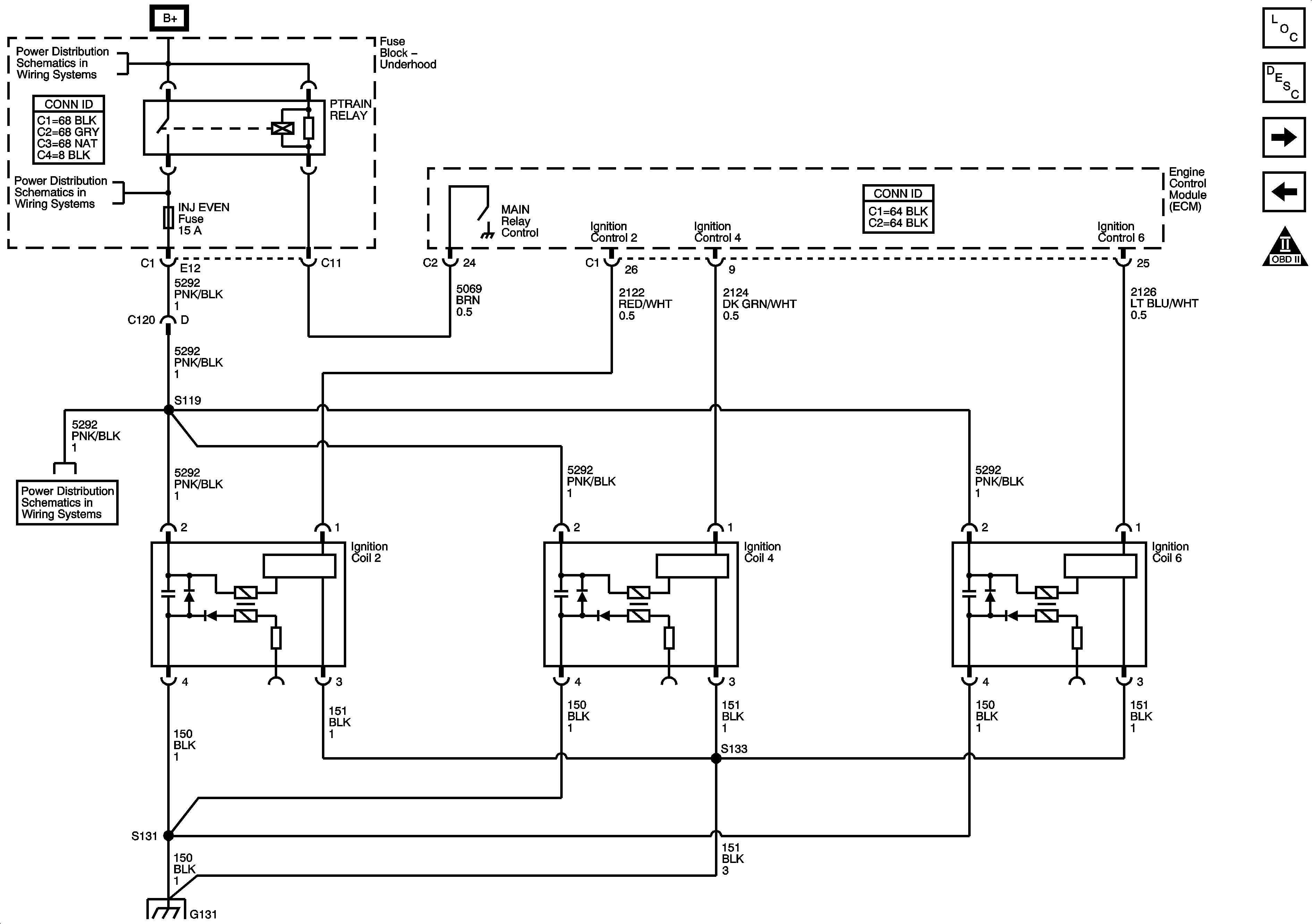
Figure 10:

Ignition Controls - Bank 2 (Even) Ignition Coils


Object Number: 1373015  Size: FS
Figure 11:

Ignition Controls - Camshaft Position (CMP) Sensors and Actuator Solenoids


Object Number: 1372999  Size: FS
Figure 12:

Ignition Controls - Knock and Crankshaft Position (CKP) Sensors


Object Number: 1372997  Size: FS
Figure 13:

Fuel Controls - Fuel Pump and Injectors


Object Number: 1373001  Size: FS
Figure 14:

Fuel Controls - EVAP Controls


Object Number: 1373004  Size: FS
Figure 15:

Controlled/Monitored Subsystem References


Object Number: 1373007  Size: FS