GM Service Manual Online
For 1990-2009 cars only
Figure 1:

Pontiac


Object Number: 1399529  Size: FS
Master Electrical Component List
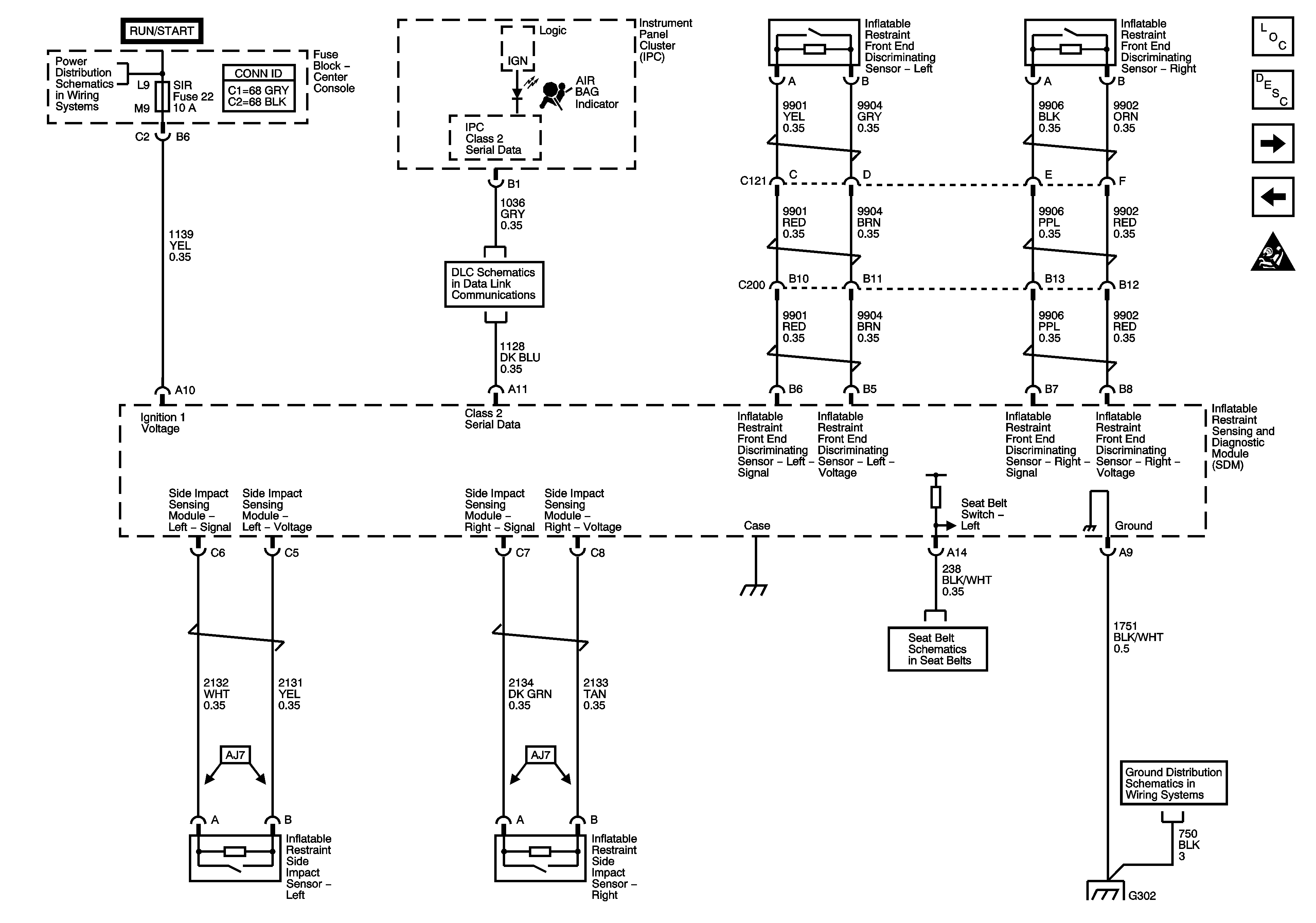
Figure 2:

Power, Ground, Class 2 Serial Data and Inflatable Restraint Sensors -- Buick


Object Number: 1276454  Size: FS
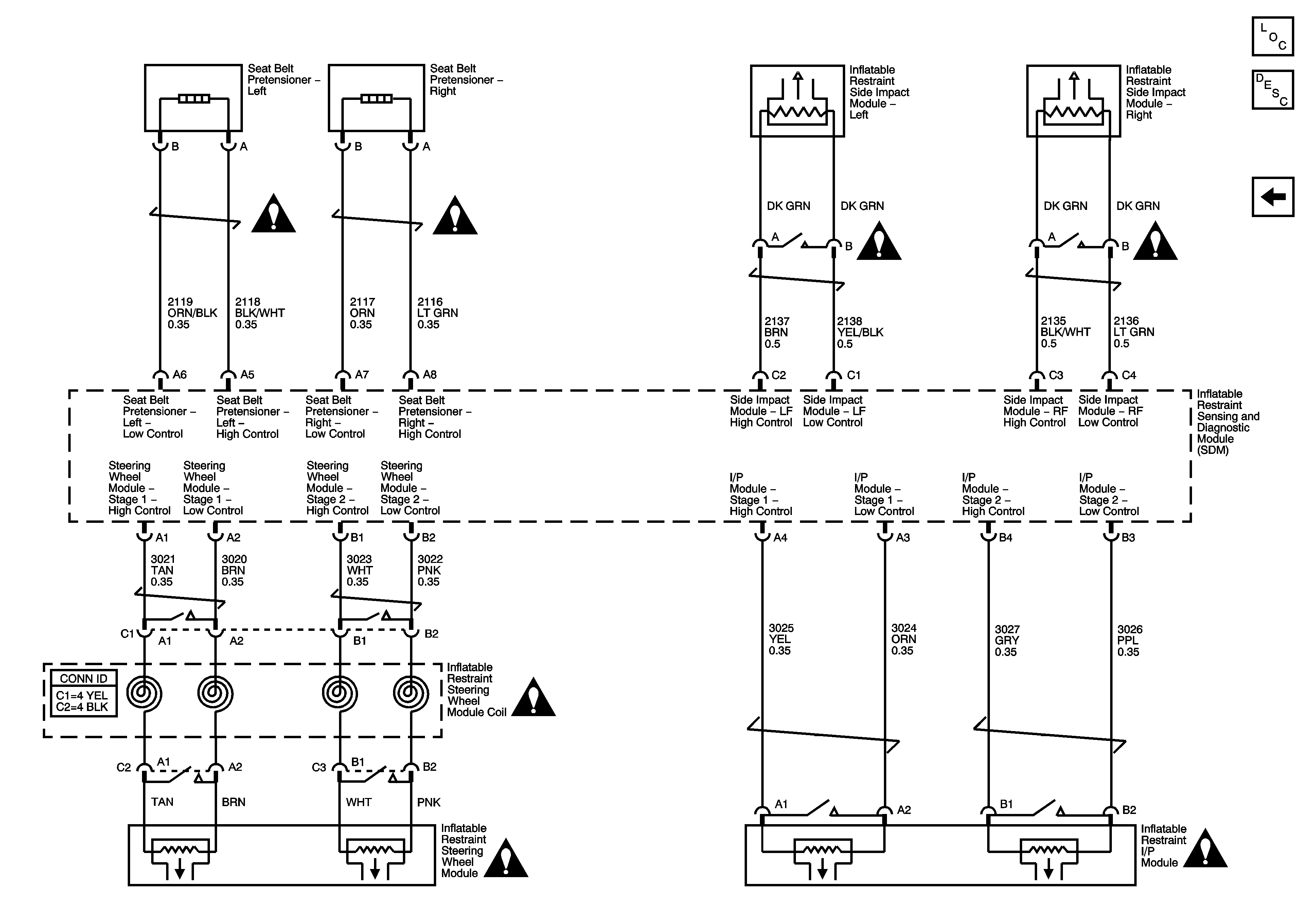
Figure 3:

Seat Belt Pretensioners and Inflatable Restraint Modules -- Buick


Object Number: 1297052  Size: FS