GM Service Manual Online
For 1990-2009 cars only

Left Side Harness Connections


    Object Number: 1414384  Size: SH
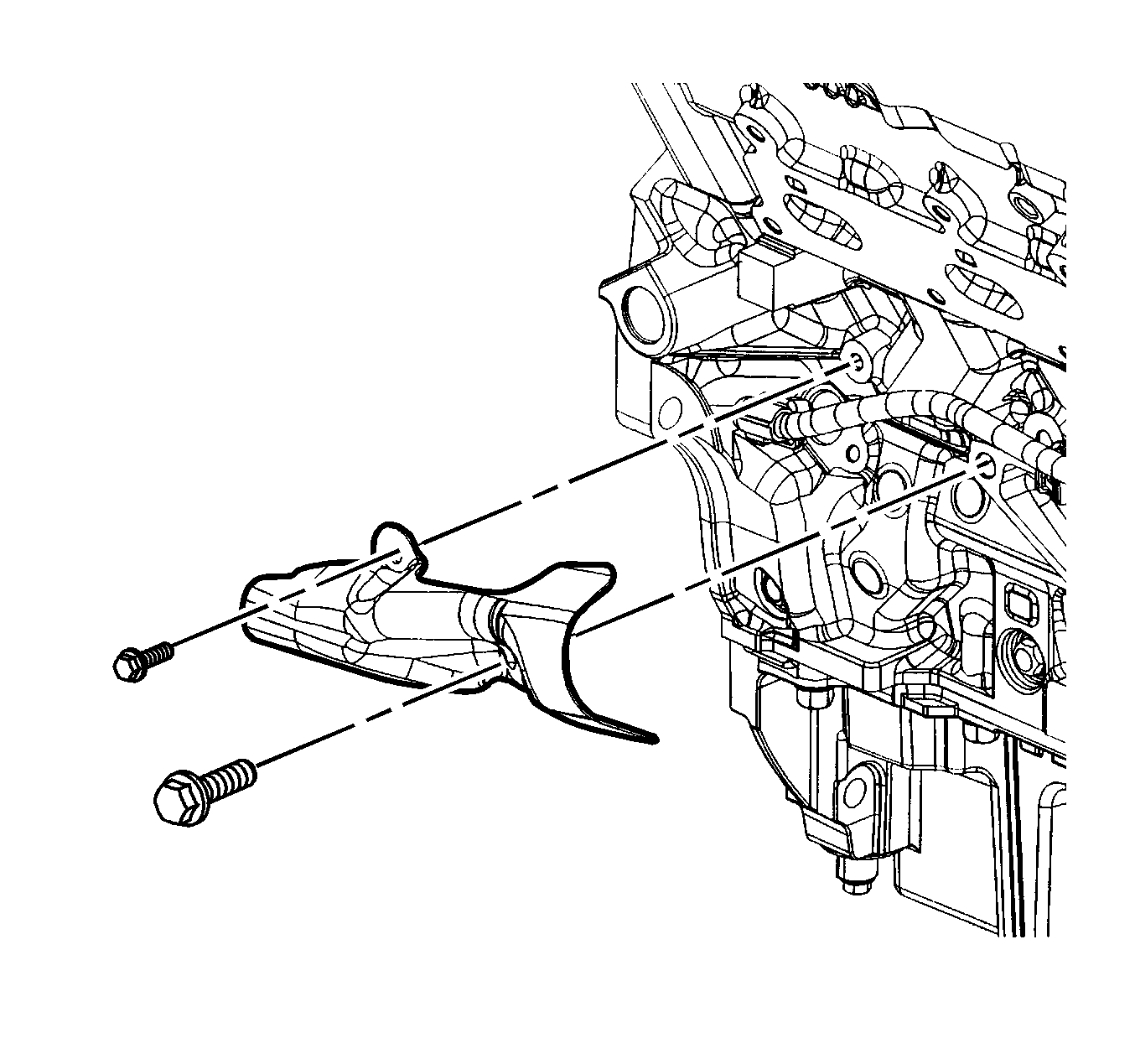
  1. Remove the right torque strut bracket bolts.
  2. Remove the right torque strut bracket.

  3. Object Number: 1414397  Size: SH
  4. Remove the engine control module (ECM) ground harness terminal screw from the ECM lug.

  5. Object Number: 1414390  Size: SH
  6. Disconnect the engine wiring harness from the ECM module.

  7. Object Number: 1414386  Size: SH
  8. Remove the ECM module nuts.
  9. Remove the ECM module from the ECM bracket.

  10. Object Number: 1414385  Size: SH
  11. Remove the ECM bracket bolts.
  12. Remove the ECM bracket.

  13. Object Number: 1414382  Size: SH
  14. Remove the radiator inlet hose support bolt.
  15. Remove the radiator inlet hose support.

  16. Object Number: 1414388  Size: SH
  17. Remove the engine wiring harness bracket bolts from the intake manifold.

  18. Object Number: 1414424  Size: SH
  19. Remove the engine wiring harness ECM ground bolt from the left cylinder head.

  20. Object Number: 1414403  Size: SH
  21. Remove the engine wiring harness bracket bolts from the front lower left side of the engine.

  22. Object Number: 1414402  Size: SH
  23. Disconnect the engine wiring harness from the left camshaft position actuator valves.

  24. Object Number: 1414400  Size: SH
  25. Disconnect the engine wiring harness from the left camshaft position sensors.

  26. Object Number: 1414398  Size: SH
  27. Remove the engine wiring harness ground bolt from the left cylinder head.

  28. Object Number: 1414399  Size: SH
  29. Slide the heat shield away from the engine coolant temperature (ECT) sensor in order to access the wiring harness connector.
  30. Disconnect the engine wiring harness from the ECT sensor.

  31. Object Number: 1414392  Size: SH
  32. Disconnect the engine wiring harness from the generator.
  33. Disconnect the engine wiring harness from the A/C compressor.

  34. Object Number: 1414404  Size: SH
  35. Disconnect the engine wiring harness from the left knock sensor.

  36. Object Number: 1412135  Size: SH
  37. Disconnect the engine wiring harness from the oil pressure sender.

  38. Object Number: 1414401  Size: SH
  39. Disconnect the engine wiring harness from the starter motor solenoid.

  40. Object Number: 1414395  Size: SH
  41. Disconnect the engine wiring harness from the fuel injector harness.

  42. Object Number: 1414396  Size: SH
  43. Disconnect the engine wiring harness from the left ignition coils.

  44. Object Number: 1414393  Size: SH
  45. Disconnect the engine wiring harness from the front of the left camshaft cover.

  46. Object Number: 1414394  Size: SH
  47. Disconnect the engine wiring harness from the top of the left camshaft cover.

  48. Object Number: 1414411  Size: SH
  49. Disconnect the engine wiring harness from the barometric (BARO) sensor.

  50. Object Number: 1414412  Size: SH

    Notice: DO NOT use any mechanical device such as pliers or screwdrivers to disengage the connector. In order to prevent damage to the connector or harness wiring, both of the latches on the connector must be depressed with finger pressure only. When the latches are depressed the connector must then be pulled straight back without pulling on the wires in order to disengage. Failure to follow this procedure can lead to connector or wiring harness damage and failure.

  51. Disconnect the engine wiring harness from the throttle body connector.

Right Side Harness Connections


    Object Number: 1414415  Size: SH
  1. Remove the engine wiring harness ground bolt from the side of the right cylinder head at the rear.

  2. Object Number: 1414407  Size: SH
  3. Remove the engine wiring harness ground bolt from the side of the right cylinder head at the front.

  4. Object Number: 1414383  Size: SH
  5. Remove the right exhaust manifold lower heat shield bolts.
  6. Remove the right exhaust manifold lower heat shield.

  7. Object Number: 1414423  Size: SH
  8. Disconnect the engine wiring harness from the oil level sensor.

  9. Object Number: 1414421  Size: SH
  10. Disconnect the engine wiring harness from the crankshaft position sensor.

  11. Object Number: 1414418  Size: SH
  12. Disconnect the engine wiring harness from the right knock sensor.

  13. Object Number: 1414416  Size: SH
  14. Remove the engine wiring harness bracket bolt from the lower right side of the engine.

  15. Object Number: 1414389  Size: SH
  16. Disconnect the engine wiring harness from the communicator valve.

  17. Object Number: 1414406  Size: SH
  18. Disconnect the engine wiring harness from the right camshaft position actuator valves.

  19. Object Number: 1414405  Size: SH
  20. Disconnect the engine wiring harness from the right camshaft position sensors.

  21. Object Number: 1414409  Size: SH
  22. Disconnect the engine wiring harness from the EVAP solenoid.

  23. Object Number: 1414410  Size: SH
  24. Disconnect the engine wiring harness from the right ignition coils.

  25. Object Number: 1414391  Size: SH
  26. Disconnect the engine wiring harness from the front of the right camshaft cover.

  27. Object Number: 1414408  Size: SH
  28. Disconnect the engine wiring harness from the top of the right camshaft cover.

  29. Object Number: 1414387  Size: SH
  30. Remove the engine wiring harness from the engine.