GM Service Manual Online
For 1990-2009 cars only
Makes
🢒
Buick
🢒
2005
🢒
Rendezvous - AWD
🢒
Engine
🢒
Engine Cooling
🢒 Engine Cooling Schematics
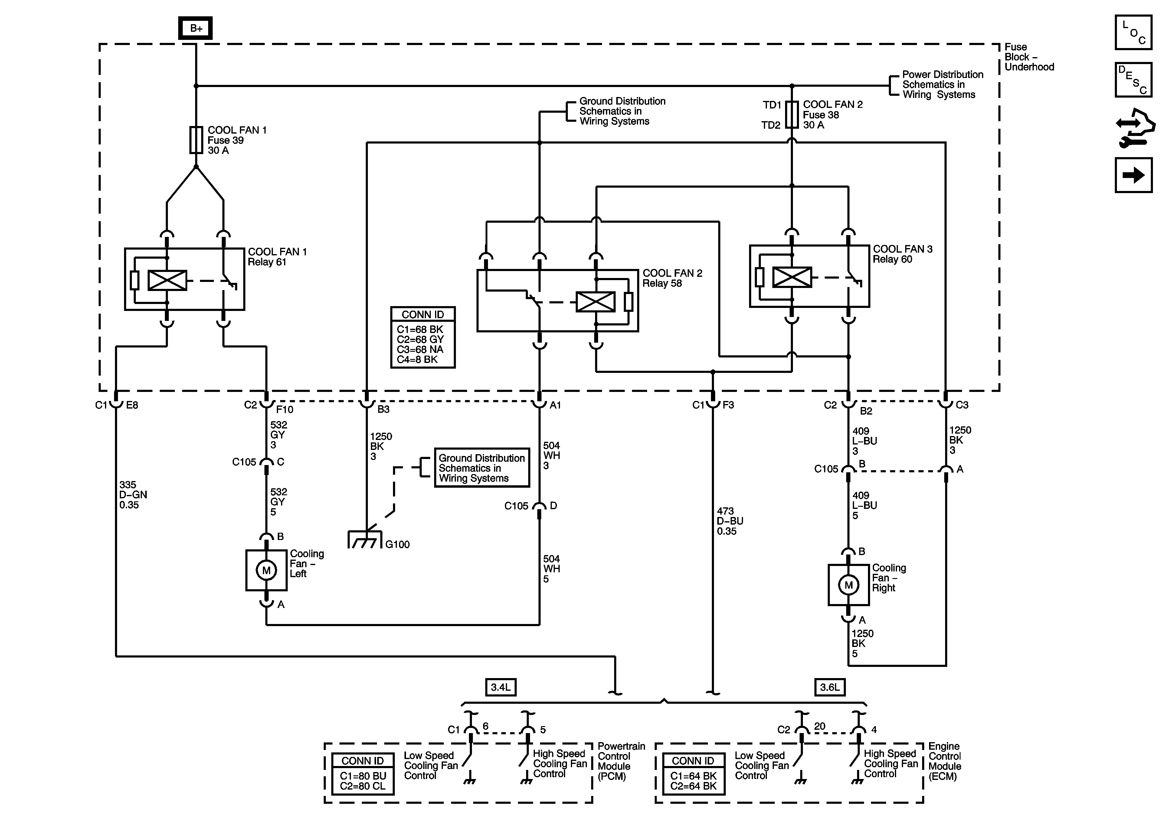
Figure
1:
Cooling Fans
Master Electrical Component List
Control Module References
Indicators, Sensors
G100
B+ Bus 1 of 2
G100
G100
Figure
2:
Indicators, Sensors
Master Electrical Component List
Control Module References
Cooling Fans
Sensors
Data Link Connector (DLC)