GM Service Manual Online
For 1990-2009 cars only
Makes
🢒
Buick
🢒
2005
🢒
Rendezvous - AWD
🢒
Body
🢒
Roof
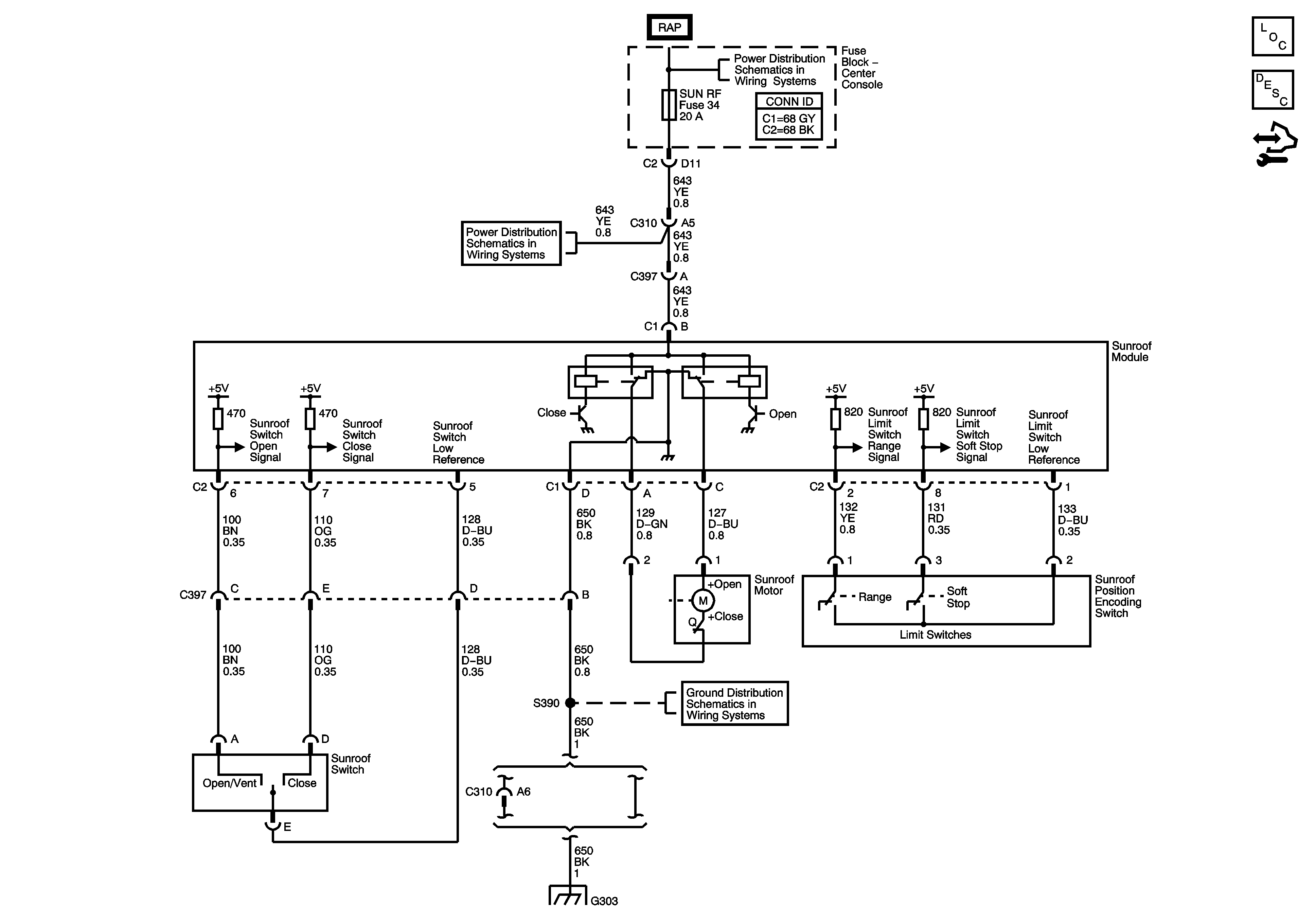
🢒 Sunroof Schematics
Master Electrical Component List
Sunroof Description and Operation
Control Module References
ACCPWR, ELC ACCY, IGN 1, RR WPR, SUN RF, WIPER Fuses, and PWR WDWS Circuit Breaker
ACCPWR, ELC ACCY, IGN 1, RR WPR, SUN RF, WIPER Fuses, and PWR WDWS Circuit Breaker
G303
G303