GM Service Manual Online
For 1990-2009 cars only
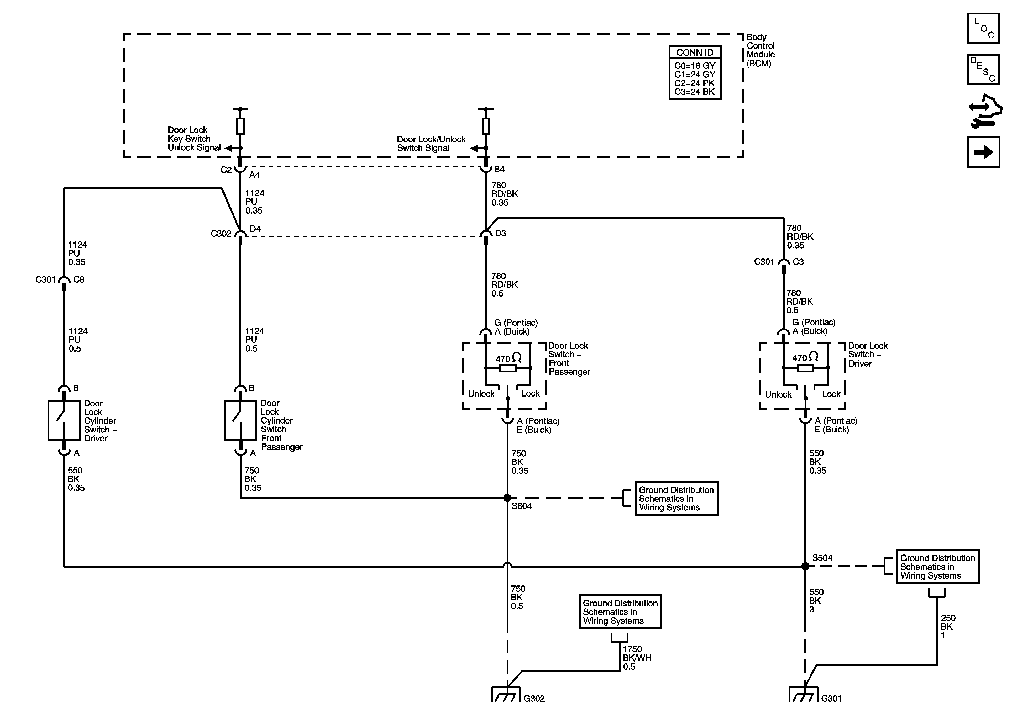
Figure 1:

Door Lock Switches


Object Number: 1501034  Size: FS
Master Electrical Component List
Power Door Locks Description and Operation
Control Module References
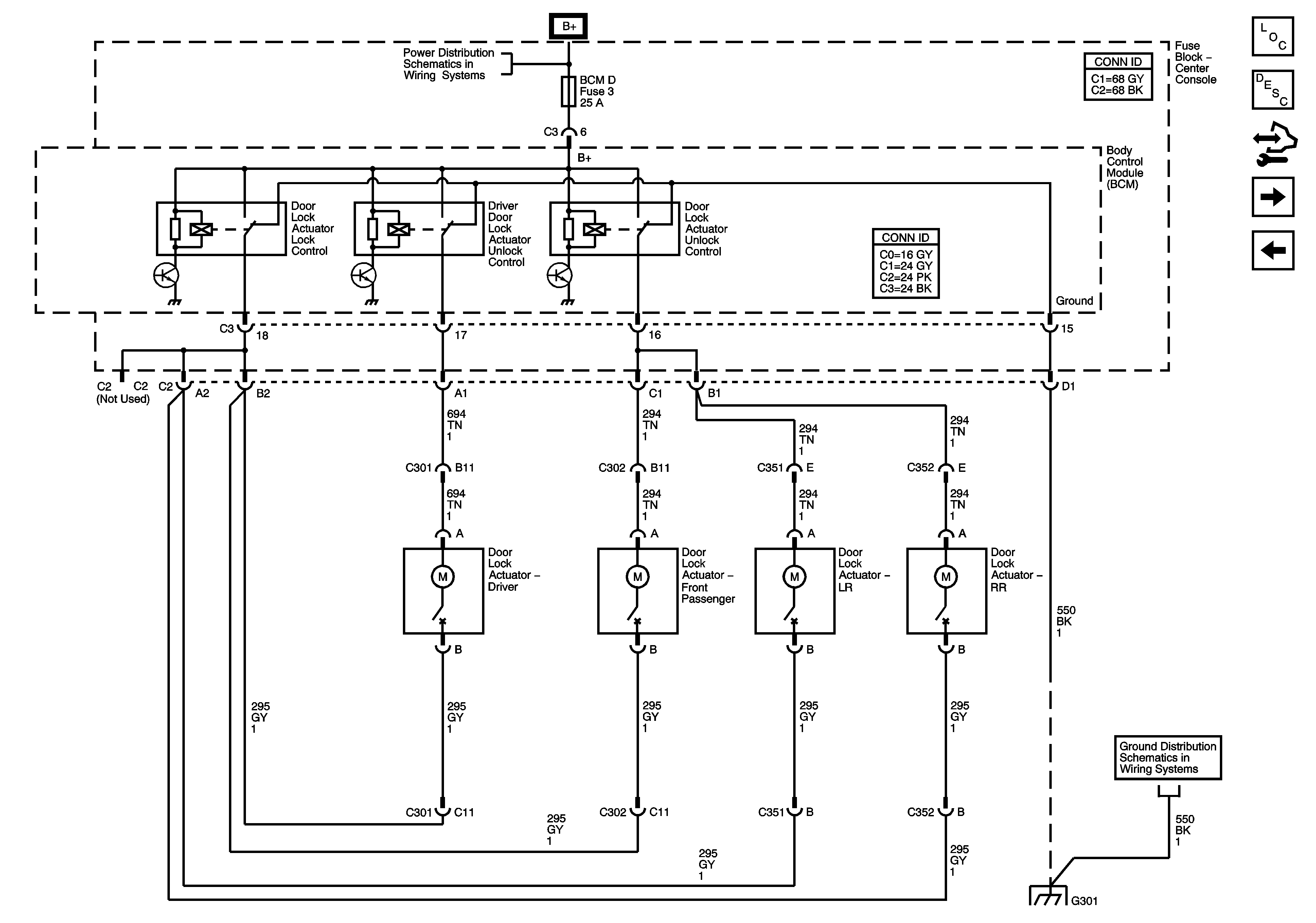
Door Lock Actuators
G302
G302
G302
G301
G301
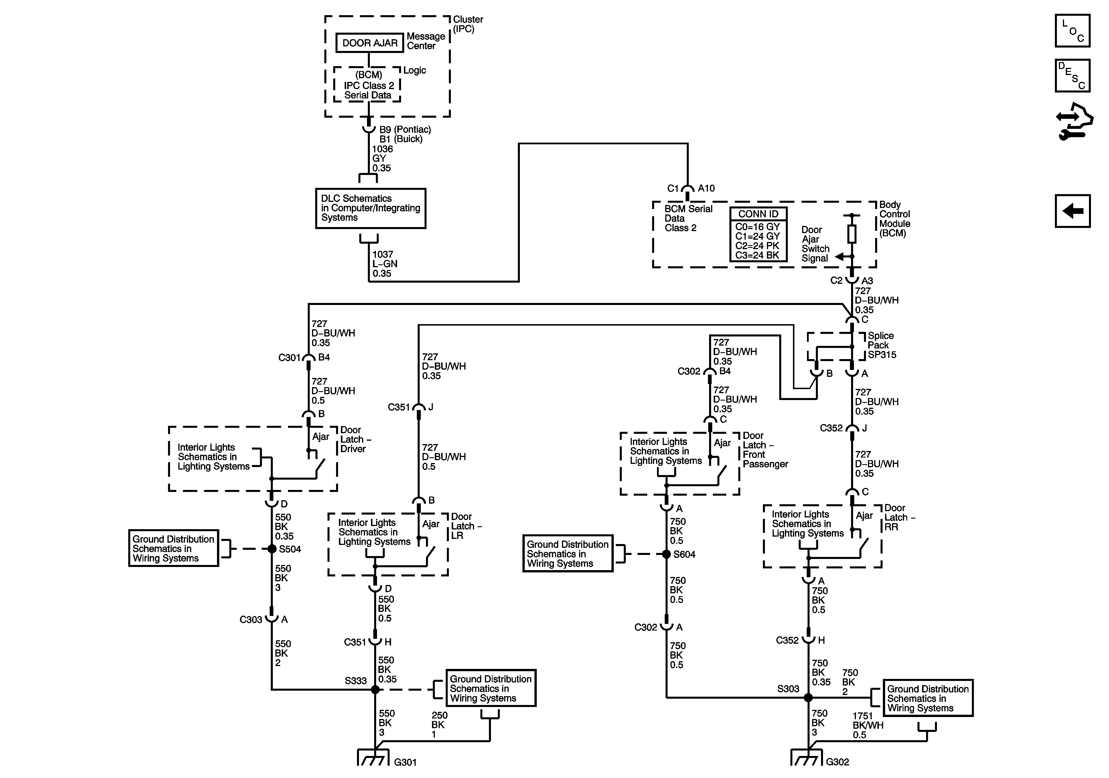
Figure 2:

Door Lock Actuators


Object Number: 1499860  Size: FS
Master Electrical Component List
Power Door Locks Description and Operation
Control Module References
Door Ajar Indicators
Door Lock Switches)
BATT 2, BCM D, ELC BATT, GATE REL, PWR MIR, and RR AUX Fuses and PWR STS Circuit Breaker
G301
G301
Figure 3:

Door Ajar Indicator


Object Number: 1501037  Size: FS
Master Electrical Component List
Power Door Locks Description and Operation
Control Module References
Door Lock Actuators
Data Link Connector (DLC)
G301
Door Switches
Door Switches
G301
G301
G302
Door Switches
Door Switches
G302
G302