GM Service Manual Online
For 1990-2009 cars only
Makes
🢒
Buick
🢒
2005
🢒
Rendezvous - AWD
🢒
Body
🢒
Wiring Systems
🢒 Headlights/Daytime Running Lights (DRL) Schematics
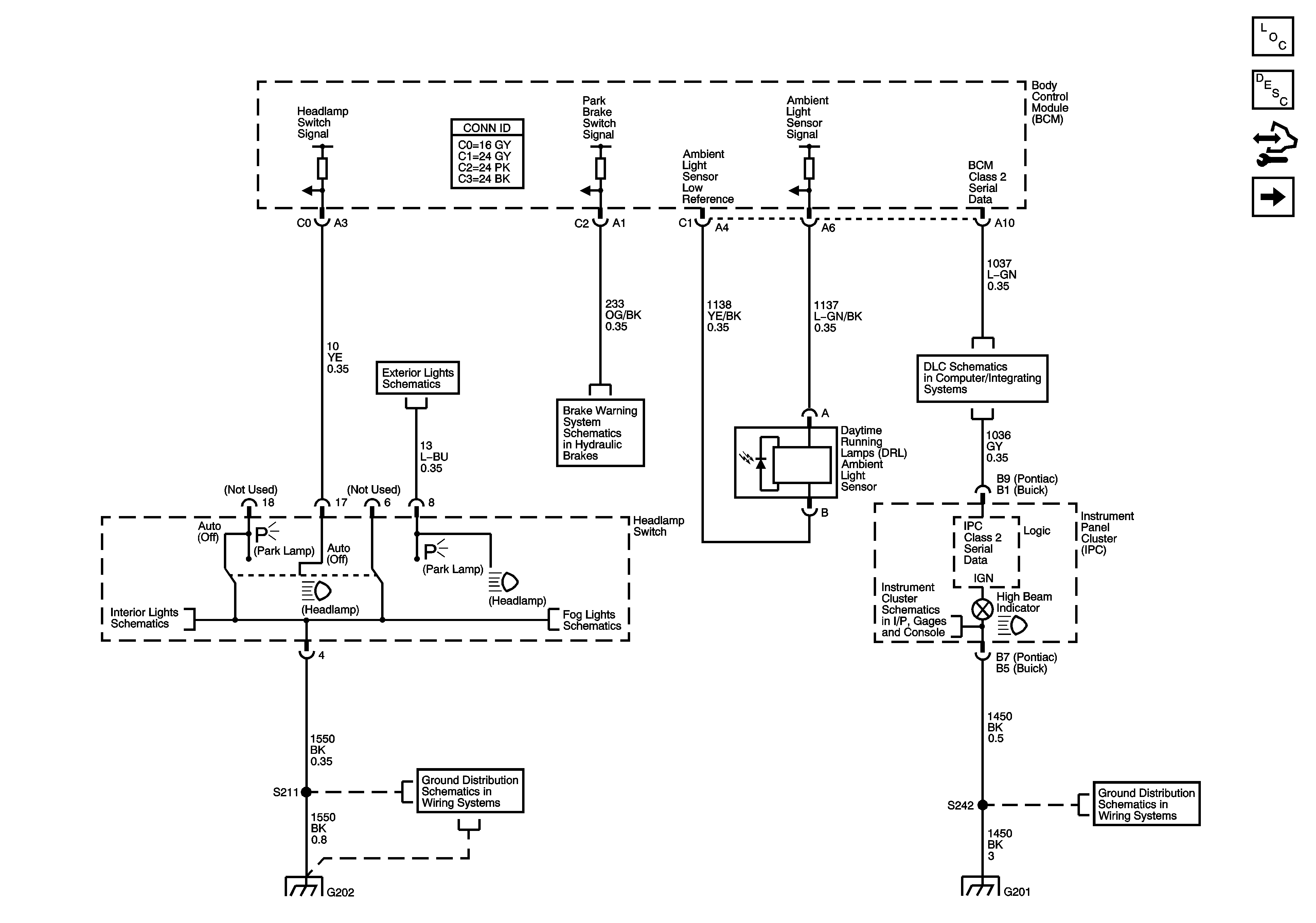
Figure
1:
Indicator, Lamp Control
Master Electrical Component List
Exterior Lighting Systems Description and Operation
Control Module References
Dimming, Lamps and Relays
Park Lamps - Pontiac (Early Production)
Brake Warning System Schematics
Data Link Connector (DLC)
Interior Lights Schematics (I/P Lighting, Lamp Control)
Turn/Stop Lamps and Indicators
Indicators
G202
G202
G201
G201
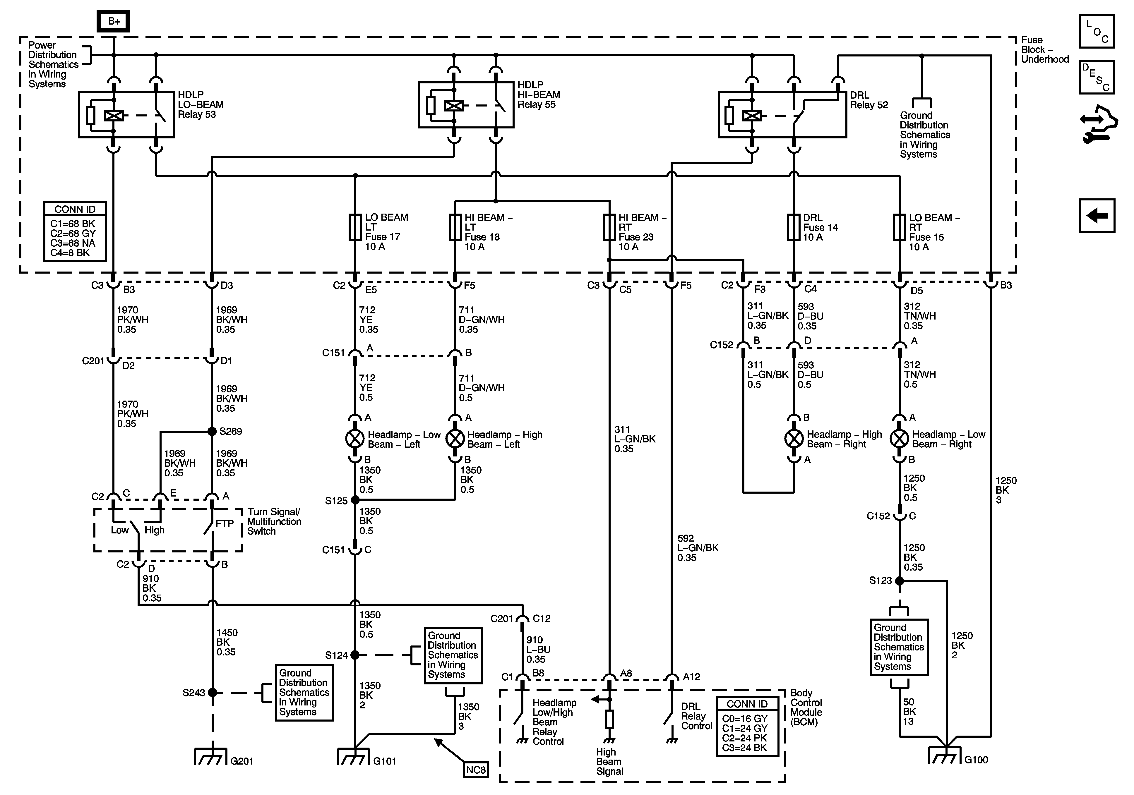
Figure
2:
Dimming, Lamps, and Relays
Master Electrical Component List
Exterior Lighting Systems Description and Operation
Control Module References
Indicators, Lamp Control)
B+ Bus 1 of 2
G100
G201
G101
G100
G201
G101
G100