GM Service Manual Online
For 1990-2009 cars only
Makes
🢒
Buick
🢒
2005
🢒
Rendezvous - AWD
🢒
Body
🢒
Wiring Systems
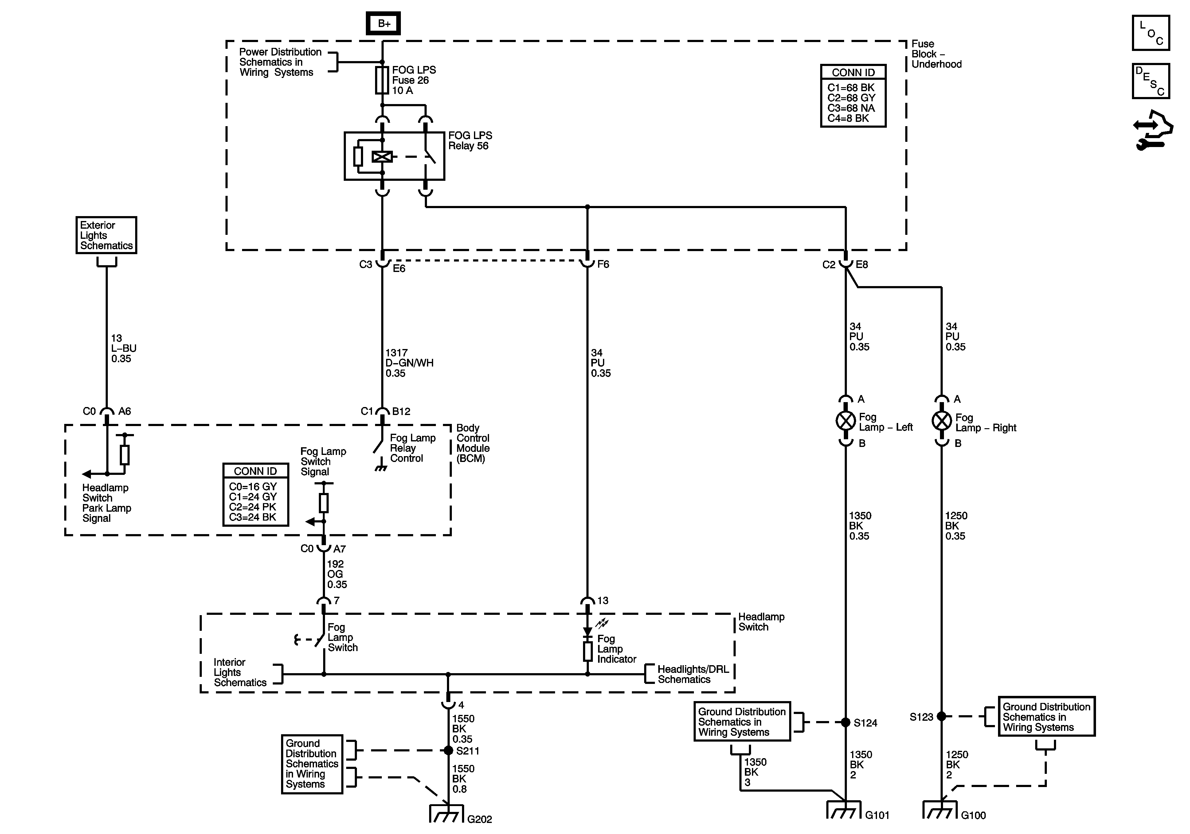
🢒 Fog Lights Schematics
Master Electrical Component List
Exterior Lighting Systems Description and Operation
Control Module References
B+ Bus 1 of 2
Park Lamps - Pontiac (Early Production)
Interior Lights Schematics (I/P Lighting, Lamp Control)
Indicators, Lamp Control)
G202
G101
G100
G202
G101
G100