GM Service Manual Online
For 1990-2009 cars only
Makes
🢒
Buick
🢒
2005
🢒
Rendezvous - AWD
🢒
Body
🢒
Wiring Systems
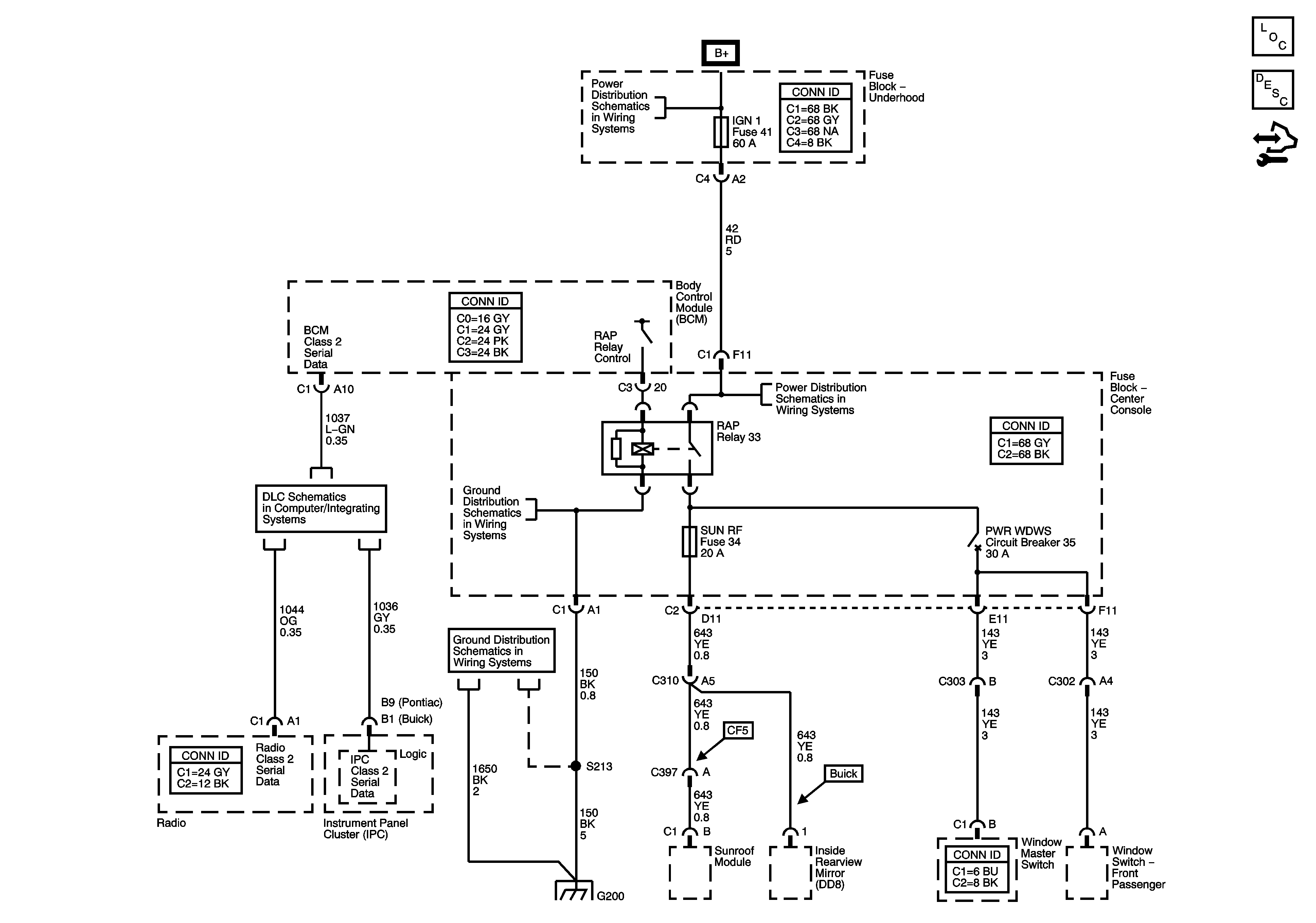
🢒 Retained Accessory Power (RAP) Schematics
Master Electrical Component List
Retained Accessory Power (RAP) Description and Operation
Control Module References
Ignition Switch - ACCY/RUN, and RUN/START Bus Bars, and BCM-ACC, IGN 1 MDL, INTEMM, and SIR Fuses
Ignition Switch - ACCY/RUN, and RUN/START Bus Bars, and BCM-ACC, IGN 1 MDL, INTEMM, and SIR Fuses
Data Link Connector (DLC)
G200
G200
G200