GM Service Manual Online
For 1990-2009 cars only
Makes
🢒
Buick
🢒
2005
🢒
Rendezvous - AWD
🢒
Accessories
🢒
Entertainment
🢒 Video System Schematics
Master Electrical Component List
Video Entertainment System Description and Operation
Control Module References
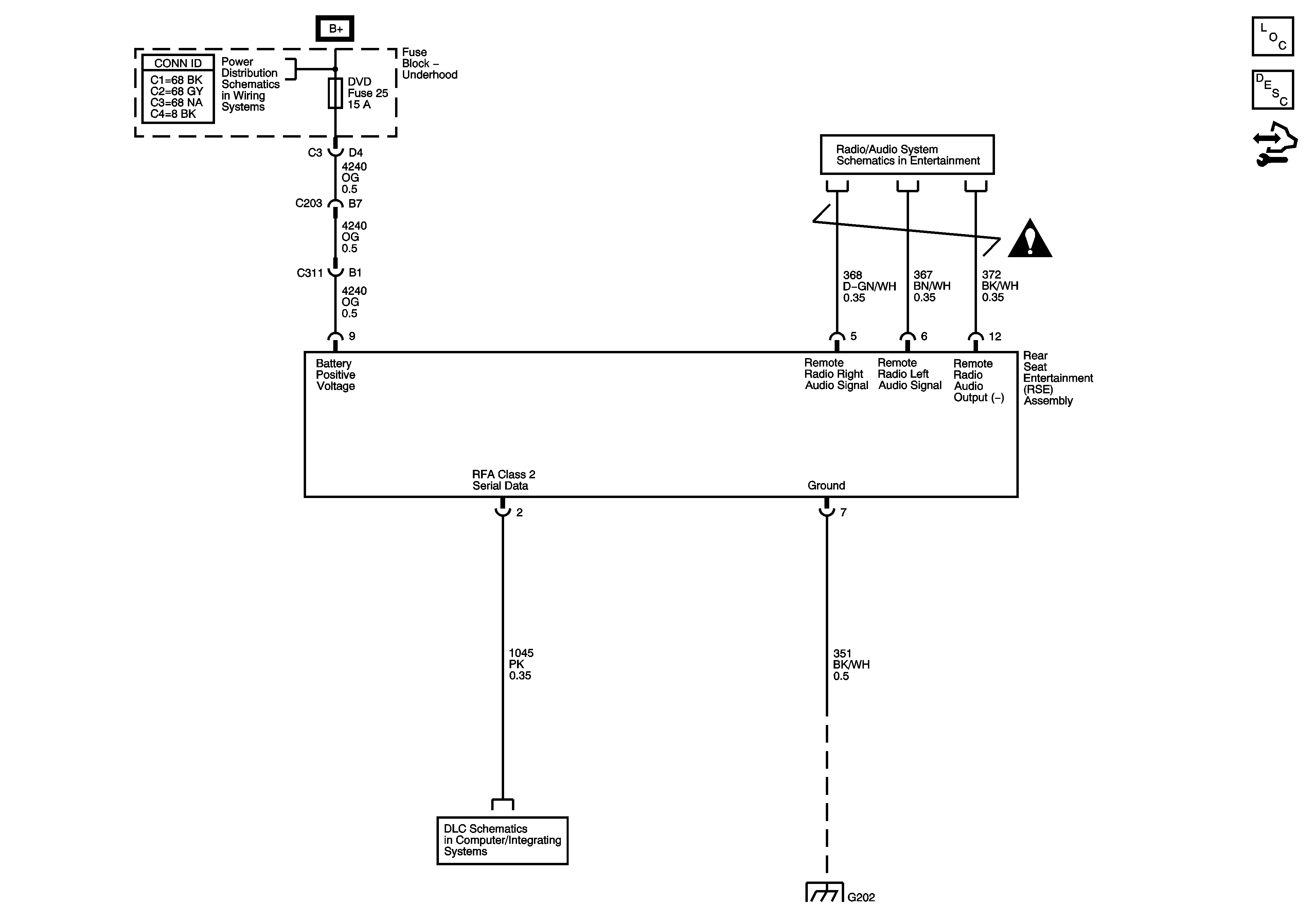
B+ Bus 1 of 2
Digital Radio Reciever w/U2K and UE1
Entertainment Schematic Icons
Data Link Connector (DLC)
G202