GM Service Manual Online
For 1990-2009 cars only
Makes
🢒
Buick
🢒
2005
🢒
Rendezvous - AWD
🢒 Power Window Schematics
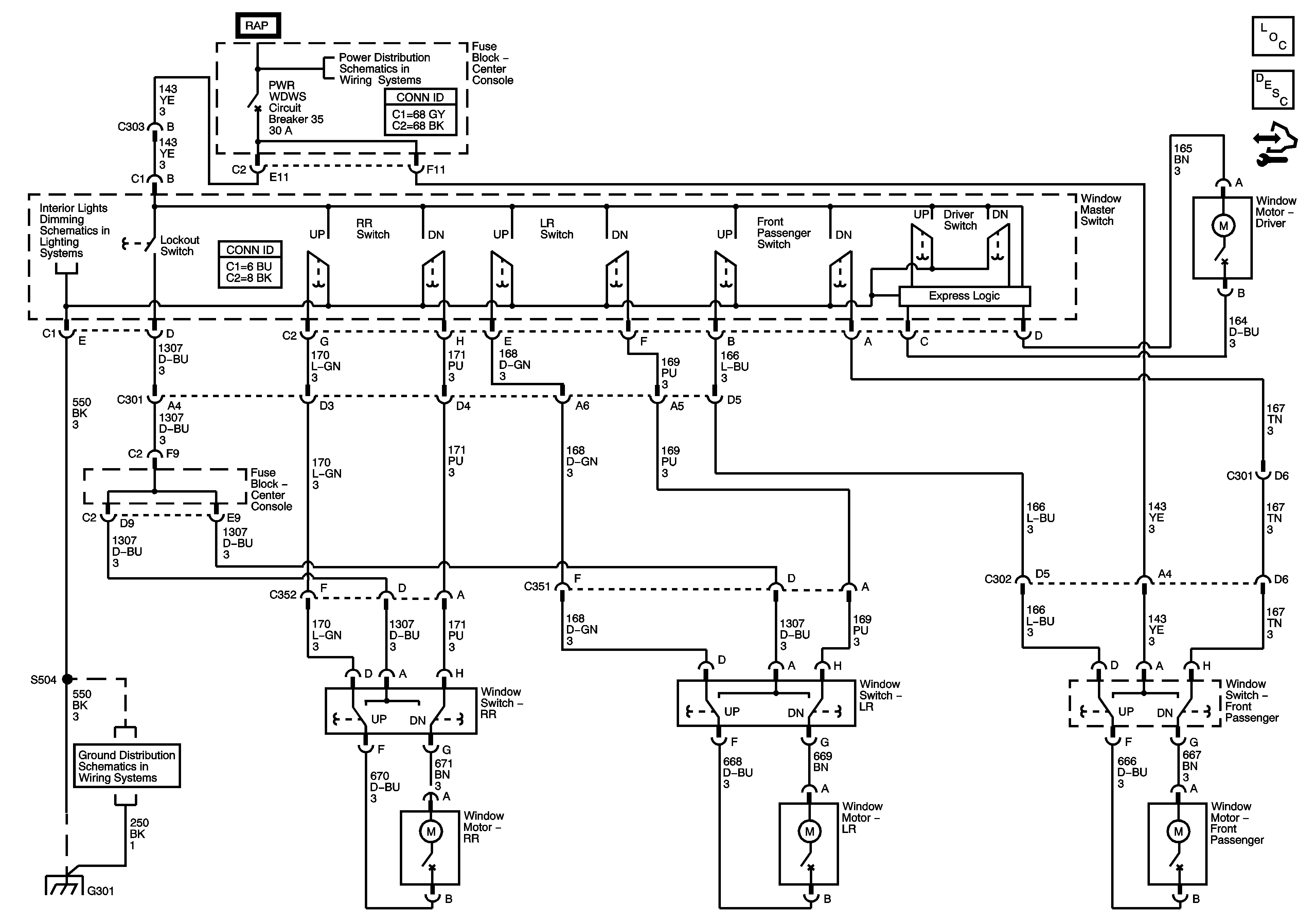
Power Window Schematics
Master Electrical Component List
Power Windows Description and Operation
Control Module References
ACCPWR, ELC ACCY, IGN 1, RR WPR, SUN RF, WIPER Fuses, and PWR WDWS Circuit Breaker
Dimming Cont and Panel Lamps 1 of 2-Pontiac
G301
G301